Ярославский центр производственной кооперации и субконтрактации

яртпп

Архив производственных заказов за 2014 - 2018 годы


Актуальные производственные заказы.

Заказ 2937 (21.12.2018, Республика Удмуртия). Шлицефрезерная обработка вала. (срочный заказ) . Скачать чертеж (файл pdf).
Производственная программа: 2 шт.
Доп. Требования: Прошу Вас рассмотреть возможность выполнения работ по шлицефрезерной обработке Вала шлицевого из давальческого материала в кол-ве 2 шт. Чертеж прилагается. При положительном решении прошу направить в наш адрес коммерческое предложение (цена, сроки, условия оплаты).

Заказ 2936 (14.12.2018, Ярославская область). Изготовление узлов и деталей по чертежам заказчика (10DD.01.800.00 - Корпус полурамы задней.) . Скачать чертежи (файл zip).
Производственная программа: на 2019 год - 80 комплектов.
Материал: поставщика или возможен вариант из давальческого сырья

Заказ 2935 (14.12.2018, Ярославская область). Изготовление узлов и деталей по чертежам заказчика (10DD.01.700.00 - Корпус полурамы передней) . Скачать чертежи (файл zip).
Производственная программа: на 2019 год - 80 комплектов.
Материал: поставщика или возможен вариант из давальческого сырья

Заказ 2934 (05.12.2018, Ярославская область). Необходимо изготовить и прошлифовать твердосплавную втулку согласно чертежам (РГК200.001.006 Втулка защитная) . Скачать чертежи (файл pdf).
Производственная программа: 10 000 шт. в месяц.

Заказ 2933 (05.12.2018, Ярославская область). Необходимо изготовить и прошлифовать твердосплавную втулку согласно чертежам (РГК200.001.001 Втулка подшипника) . Скачать чертежи (файл pdf).
Производственная программа: 10 000 шт. в месяц.

Заказ 2932 (04.12.2018, Московская область). Интересует изготовление детали из прочного пластика на 3D принтере или литьем . Скачать чертежи (файл zip).
Доп. Требования: Точность изготовления +- 0,1 мм. Возможно внести на чертеж необходимые коррективы (увеличить толщину стенки).
Также интересует изготовление пресс-формы на данную деталь, так как в дальнейшем планируем закупать от 1000 штук в месяц.
Прошу рассчитать сроки и стоимость изготовления одной детали и пресс-формы для нее.

Заказ 2931 (22.11.2018, Москва). Изготовление пиноли. Скачать чертеж (файл gif).
Производственная программа: 3 шт.

Заказ 2930 (20.11.2018, Московская область). Требуется изготовить (перечень деталей). Скачать чертежи (файл zip).
Производственная программа (файл pdf).
Материал: поставщика.

Заказ 2929 (19.11.2018, Калининград). Необходимо изготовить опытные образцы гидравлических тележек. Скачать чертежи (файл zip).
Производственная программа: Необходимо изготовить два опытных образца гидравлических тележек.
Материал: поставщика. Можно использовать черновую сталь (3 сп.).

Заказ 2928 (19.11.2018, Приднестровская Молдавская республика). Заявка на поставку: Двухкамерный фильтр тип:BFD 180.580 DN 80 (BOLL&KIRCHFilterbauGmbH; 1940079 фильтроэлемент гофрированный № сетки 155/19 материал: нерж. сталь (BOLL&KIRCHFilterbauGmbH).
Производственная программа: 1.Двухкамерный фильтр тип:BFD 180.580 DN 80 (BOLL&KIRCHFilterbauGmbH) 1 шт.; 2.1940079 фильтроэлемент гофрированный № сетки 155/19 материал: нерж.сталь (BOLL&KIRCHFilterbauGmbH) 2 шт.
Доп. Требования: Отправьте в наш адрес коммерческое предложение (с указанием условий оплаты, сроков поставки, гарантийных условий) на условиях FCA ( с таможенным оформлением) доставка за наш счет или на условиях DAP г.Рыбница. Цену прошу указать без НДС, так как мы не являемся резидентами России. Если Вы не работаете на экспорт, тогда мы можем у Вас приобрести товар через российскую брокерскую компанию, но в данном случае цены нужны будут с НДС. Мы находимся на территории Приднестровской Молдавской республики. Заранее благодарю.

Заказ 2927 (26.10.2018, Нижний Новгород). Отливка корпуса под давлением Скачать чертежи (файл zip).
Производственная программа: 20-50 шт. в месяц.
Материал: АМГ5М (Цветное литьё)

Заказ 2926 (25.10.2018, Архангельская область). Прошу Вас рассмотреть возможность поставки в адрес нашего предприятия продукции на предложенных ниже условиях. (Зап.части для теплообменника SF 131-IS10-28TL). Скачать документы (файл zip).
Производственная программа: во вложении.

Заказ 2925 (22.10.2018, Московская область). Изделие из листового металла (лазерная резка). Скачать чертеж (файл jpg).
Материал: 12х18н10т
Производственная программа: 600 штук в месяц.

Заказ 2924 (18.10.2018, г. Ярославль). Пластины. Скачать чертежи (файл gif).
Материал: сталь марки - Р18 ГОСТ 19265-73, материал поставщика
Производственная программа: ежемесячная потребность - 1000 шт.
Оснастка: оснастка поставщика

Заказ 2923 (18.10.2018, г. Ярославль). Пластины. Скачать чертежи (файл gif).
Материал: сталь марки - Р18 ГОСТ 19265-73, материал поставщика
Производственная программа: ежемесячная потребность - 3000 шт.
Оснастка: оснастка поставщика

Заказ 2922 (18.10.2018, г. Ярославль). Ротор. Скачать чертежи (файл gif).
Материал: сталь марки - Х12Ф1 ГОСТ 5950-73, материал поставщика
Производственная программа: ежемесячная потребность - 50 шт.
Оснастка: оснастка поставщика

Заказ 2921 (18.10.2018, г. Ярославль). Ротор. Скачать чертежи (файл gif).
Материал: сталь марки - Х12Ф1 ГОСТ 5950-73, материал поставщика
Производственная программа: ежемесячная потребность - 150 шт.
Оснастка: оснастка поставщика

Заказ 2920 (18.10.2018, г. Москва). Аргонно-дуговая сварка собранных узлов из подготовленных деталей (Крышка МПГТ 401.26.04.08.00. СБ). Скачать чертежи (файл zip).
Материал: заказчика
Производственная программа: 2400 крышек в год партиями по 600 шт. в квартал.

Заказ 2919 (10.10.2018, г. Самара). Стальное литье. Скачать чертеж (файл zip).
Материал: сталь 20Х13, исполнителя
Производственная программа: потребность в колесах данного типа - 100 шт. в год.
Доп. требования: Необходимо оценить возможность и стоимость изготовления колеса насоса. Вторым циклом будет являться мехобработка и баласировка (зависит от стоимости, возможно не на одном предприятии).

Заказ 2918 (10.10.2018, Ярославская область). Изделия из фанеры и/или МДФ.
Материал: фанера и/или МДФ, покраска: эмали на водной основе, масло.
Производственная программа: до 6000 шт./месяц, в год до 70000 шт. в ассортименте со схожими габаритами 5-6 дизайнов
Доп. требования: другие дизайны будут предоставлены выбранному партнеру после проверки технологичности и качества серийной продукции по схожей технологии: резка на фрезере ЧПУ, пресс, шлифовка, покраска (эмали на водной основе, масло). Имеется много мелких деталей в общем заказе, желательно наличие у подрядчика автоматической покрасочной линии. Обязательно наличие прямых контрактов с производителями фанеры и МДФ (с проработанной логистикой и заводскими ценами на материалы без мелкооптовых и розничных наценок). Работа только с компаниями с выделенным НДС. Для ИП цена должна быть не выше, чем у других без НДС.
Объем заказа: от 2 до 10 млн руб./мес по мере развития проекта в течение года

Заказ 2917 (10.10.2018, Костромская область). Пластина фасонная. Скачать чертеж (файл jpg).
Материал: Д16 поставщика
Производственная программа: 20 шт.
Доп. требования: Жду вашего ответа о возможности изготовления, сроках и цене (в цене указать с НДС или без НДС).

Заказ 2916 (08.10.2018, Республика Удмуртия). Механическая обработка внутренних диаметров деталей (срочный заказ).
Прошу Вас рассмотреть возможность выполнения работ по механической обработке внутренних диаметров деталей из давальческого материала в октябре-ноябре 2018г.
Размеры заготовок:
Дет. 18354-К3 -… Плунжер. Заготовка КРУГ 50-В1 ГОСТ 2590-2006/12Х18Н10Т-б-Т ГОСТ 5949-75 . L=1646 мм. Расточить ф 26,5+-0,5 , шероховатость 6,3, прямолинейность 0,4 по длине плунжера. Без обработки по наружному диаметру – 1 шт.
Дет. 18554-К3 -… Плунжер. Заготовка КРУГ 65-В1 ГОСТ 2590-2006/12Х18Н10Т-б-Т ГОСТ 5949-75 . L=1650 мм. Расточить ф 31,5+-0,5, шероховатость 6,3, прямолинейность 0,4 по длине плунжера. Без обработки по наружному диаметру – 1 шт.
Дет. 26318-L-К1 Муфта удлинительная. Заготовка КРУГ 65-В1 ГОСТ 2590-2006/14Х17Н2-б-Т ГОСТ 5949-75, L=651 мм. Расточить ф 45,3+0,5, шероховатость 6,3, прямолинейность 0,3. Без обработки по наружному диаметру – 2 шт.
Дет. 26060-К2 Ниппель удлинительный. Заготовка КРУГ 80-В1 ГОСТ 2590-2006/10Х17Н13М2Т-б-Т ГОСТ 5949-75 , L=612 мм. Расточить ф 62+0,5, шероховатость 6,3, прямолинейность 0,5. Без обработки по наружному диаметру – 2 шт.
При положительном ответе необходимо направить в адрес заказчика коммерческое предложение.

Заказ 2915 (04.10.2018, Казахстан). Контейнер для транспортировки одоранта.
Производственная программа: один экземпляр
Доп. требования: Прошу предоставить коммерческое предложение по ниже предоставленным продуктом. Контейнер для транспортировки одоранта один экземпляр, V=2m3, Рраб-1,2 МПа 1,2; давление транспортировки, Мпа 1,6; температура транспортировки от 40С до +50С,диаметр, мм 1220, длина, мм2500

Заказ 2914 (04.10.2018, Костромская область). Кулачок. Скачать чертеж (файл jpg).
Материал: Сталь 9ХС
Производственная программа: 20
Доп. требования: Жду вашего ответа о возможности изготовления, сроках и цене (в цене указать с НДС или без НДС).

Заказ 2913 (04.10.2018, Республика Удмуртия). Механическая обработка внутренних диаметров деталей (срочный заказ).
Срочно рассмотрим возможность выполнения работ по механической обработке внутренних диаметров деталей по 1-2 шт. из давальческого материала в октябре-ноябре 2018г.
Размеры заготовок:
Дет. 18354-К3 -… Плунжер. Заготовка КРУГ 50-В1 ГОСТ 2590-2006/12Х18Н10Т-б-Т ГОСТ 5949-75 . L=1646 мм. Расточить ф 26,5+-0,5.Без обработки по наружному диаметру.
Дет. 18554-К3 -… Плунжер. Заготовка КРУГ 65-В1 ГОСТ 2590-2006/12Х18Н10Т-б-Т ГОСТ 5949-75 . L=1650 мм. Расточить ф 31,5+-0,5.Без обработки по наружному диаметру
Дет. 26318-L-К1 Муфта удлинительная. Заготовка КРУГ 65-В1 ГОСТ 2590-2006/14Х17Н2-б-Т ГОСТ 5949-75, L=651 мм. Расточить ф 45,3+0,5.Без обработки по наружному диаметру
Дет. 26060-К2 Ниппель удлинительный. Заготовка КРУГ 80-В1 ГОСТ 2590-2006/10Х17Н13М2Т-б-Т ГОСТ 5949-75 , L=612 мм. Расточить ф 62+0,5.Без обработки по наружному диаметру
При положительном ответе необходимо направить в адрес заказчика коммерческое предложение.
Особые условия: просьба учитывать логистику, предпочтение близлежащим регионам

Заказ 2912 (04.10.2018, Московская область). Требуется отлить изделие из чугуна (Матрица боковая секционная 19-20 дюймов СП05.04.000.10.01 - 183 кг.). Скачать чертеж (файл pdf).
Материал: СЧ25
Производственная программа: 8 шт.
Доп. требования: Жду вашего ответа о возможности изготовления, сроках и цене.

Заказ 2911 (21.09.2018, Ярославская область). Втулка, шлифовка и закалка (срочный заказ). Скачать чертеж (файл gif).
Материал: заказчика, сталь 9хс
Производственная программа: втулки 22 шт., заготовки по чертежу с припуском под шлифовку 0,5. Надо отшлифовать и закалить до 57-61 HRS (внутренняя шлифовка, конус).
Доп. требования: срочный заказ, необходимо выполнить заказ до 05.10.18. г.

Заказ 2910 (10.09.2018, Москва). Комплект деталей металлического каркаса для тележки. Скачать чертежи (файл zip).
Материал: указан в чертежах, исполнителя
Программа: регулярный заказ

Заказ 2909 (07.09.2018, Саратовская область). Рабочее колесо насоса. Скачать эскиз (файл pdf).
Материал: сталь 20Х13, исполнителя
Программа: 100 шт. в год колес данного типа
Вторым циклом будет являться мехобработка и баласировка (зависит от стоимости, возможно не на одном предприятии)
3-D презентация колеса (ссылка с YandexDisk)

Заказ 2908 (23.08.2018, Калининградская область). Изготовление модуля. Скачать чертежи (файл pdf).
Материал: исполнителя
Программа: 2 шт., разовый заказ

Заказ 2907 (22.08.2018, Ярославская область). Фрезерование пластин и опорных блоков. Скачать техзадание (файл zip).
Чистовое фрезерование торцев опорных пластин и опорных блоков для подшипников паровой турбины.
Габаритные размеры опорного блока (ДхШхВ): 1425х787х100
Максимальные габаритные размеры опорных пластин (ДхШхВ): 1400х1330х1295
Масса опорного блока 1800 кг
Масса опорных пластин до 870 кг
Материал - низкоуглеродистая сталь (аналог Сталь 20)
Снимаемый припуск 0 … 0.5 мм
Шероховатость поверхностей при фрезеровании не более 3.2 мкм.
Цикл производства работ, выполняемых Исполнителем с момента поступления корпуса до даты его отгрузки должен составлять 15 дней.
Заказ действителен до 10 сентября 2018

Заказ 2906 (22.08.2018, Ярославская область). Обработка подшипниковых опор. Скачать техзадание (файл zip).
Восстановление подшипниковых опор паровой турбины высокого давления до чертежных размеров с помощью наплавки металла и последующей механической обработки.
Габаритные размеры подшипниковых опор (ДхШхВ): 550х1200х1100
Масса подшипниковых опор 2500 кг
Материал подшипниковых опор - низкоуглеродистая сталь (аналог Сталь 20)
Допуски при предварительной расточке канавок (до наплавки металла) не регламентированы. Удаление металла производится до полного удаления выявленных дефектов подшипниковых опор и обеспечения «чистой» поверхности под наплавку металла толщиной не менее 1 мм
Допустимое отклонение от плоскостности торцев при фрезеровании 0.05 мм. Шероховатость при фрезеровании Ra 3.2 мкм. Уступы не допускаются
Допуски на осевые размеры при чистовом растачивании канавок 0.025 (согласно чертежам)
Допуски на диаметральные размеры при чистовом растачивании канавок и отверстий 0.025 … 0,075 мм (согласно чертежу)
Шероховатость поверхностей при чистовом растачивании 1.25 … 3.2 мкм (согласно чертежу)
Цикл производства работ, выполняемых Исполнителем с момента поступления подшипниковых опор до даты его отгрузки должен составлять 45 дней.
Заказ действителен до 10 сентября 2018

Заказ 2905 (22.08.2018, Ярославская область). Обработка корпуса датчика скорости. Скачать техзадание (файл zip).
Восстановление корпуса датчиков паровой турбины высокого давления до чертежных размеров с помощью наплавки металла и последующей механической обработки.
Габаритные размеры корпуса датчиков (ДхШхВ): 550х1200х1100
Масса корпуса датчиков 300 кг
Материал корпуса датчиков - низкоуглеродистая сталь (аналог Сталь 20)
Допустимое отклонение от плоскостности торцев при фрезеровании 0.04 мм. Шероховатость при фрезеровании Ra 3.2 мкм. Уступы не допускаются
Ширина канавки 9.5 мм, глубина 19 мм. Шероховатость при фрезеровании Ra 6.3 мкм
Допуски на размеры канавки по 14-му квалитету
Цикл производства работ, выполняемых Исполнителем с момента поступления корпуса датчиков до даты его отгрузки должен составлять 45 дней.
Заказ действителен до 10 сентября 2018

Заказ 2904 (22.08.2018, Ярославская область). Обработка корпуса ТВД. Скачать техзадание (файл zip).
Восстановление корпуса паровой турбины низкого давления до чертежных размеров с помощью наплавки металла и последующей механической обработки.
Габаритные размеры корпуса (ДхШхВ): 3200х1900х1600 мм
Масса корпуса 14060 кг
Материал корпуса - низкоуглеродистая сталь (аналог Сталь 20)
Допуски при предварительной расточке канавок (до наплавки металла) не регламентированы. Удаление металла производится до полного удаления выявленных дефектов корпуса и обеспечения «чистой» поверхности под наплавку металла толщиной не менее 1 мм
Допустимое отклонение от плоскостности торцев при фрезеровании 0.05 мм. Шероховатость при фрезеровании Ra 3.2 мкм. Уступы не допускаются
Допуски на осевые размеры при чистовом растачивании канавок 0.025 … 0,1 мм (согласно чертежу)
Допуски на диаметральные размеры при чистовом растачивании канавок и отверстий 0.025 … 0,075 мм (согласно чертежу)
Шероховатость поверхностей при чистовом растачивании 1.25 … 3.2 мкм (согласно чертежу)
Дополнительно: Цикл производства работ, выполняемых Исполнителем с момента поступления корпуса до даты его отгрузки должен составлять 45 дней.
Заказ действителен до 10 сентября 2018

Заказ 2903 (22.08.2018, Ярославская область). Обработка корпуса ТВД. Скачать техзадание (файл zip).
Восстановление корпуса паровой турбины высокого давления до чертежных размеров с помощью наплавки металла и последующей механической обработки.
Габаритные размеры корпуса (ДхШхВ): 1400х1330х1295
Масса корпуса 11200 кг
Материал - низкоуглеродистая сталь (аналог Сталь 20)
Допуски при предварительной расточке канавок (до наплавки металла) не регламентированы. Удаление металла производится до полного удаления выявленных дефектов корпуса и обеспечения «чистой» поверхности под наплавку металла толщиной не менее 1 мм
Допустимое отклонение от плоскостности торцев при фрезеровании 0.05 мм. Шероховатость при фрезеровании Ra 3.2 мкм. Уступы не допускаются
Допуски на осевые размеры при чистовом растачивании канавок 0.025 … 0,1 мм (согласно чертежу)
Допуски на диаметральные размеры при чистовом растачивании канавок и отверстий 0.025 … 0,075 мм (согласно чертежу)
Шероховатость поверхностей при чистовом растачивании 1.25 … 3.2 мкм (согласно чертежу)
Дополнительно: Цикл производства работ, выполняемых Исполнителем с момента поступления корпуса до даты его отгрузки должен составлять 45 дней.
Заказ действителен до 10 сентября 2018

Заказ 2902 (22.08.2018, Ярославская область). Обработка корпусов клапанных коробок. Скачать техзадание (файл zip).
Восстановление клапанных коробок паровой турбины высокого давления до чертежных размеров с помощью наплавки металла и последующей механической обработки.
Габаритные размеры клапанных коробок (ДхШхВ): 1705х726х850
Масса клапанных коробок 2500 кг
Материал - низкоуглеродистая сталь (аналог Сталь 20)
Допустимое отклонение от плоскостности торцев при фрезеровании 0.04 мм. Шероховатость при фрезеровании Ra 1.6 мкм. Уступы не допускаются
Дополнительно: Цикл производства работ, выполняемых Исполнителем с момента поступления клапанных коробок до даты его отгрузки должен составлять 15 дней.
Заказ действителен до 10 сентября 2018

Заказ 2901 (21.08.2018, г. Ижевск). Полное изготовление вала шлицевого. Скачать чертеж (файл pdf).
Количество: 2 шт.
Дополнительно: готовность изделия - сентябрь 2018
Предпочтение близлежащим областям

Заказ 2900 (21.08.2018, г. Ижевск). Работы по шлицефрезерной обработке вала шлицевого. Скачать чертеж (файл pdf).
Количество: 2 шт.
Дополнительно: обработка в сентябре 2018
Предпочтение близлежащим областям

Заказ 2899 (09.08.2018, Московская область). Отлить по выжигаемым моделям. Скачать чертежи (файл stl).
Количество: 1 шт.
Дополнительно: параметры модели и картинку можно бесплатно посмотреть на сервисе сайта www.viewstl.com

Заказ 2898 (09.08.2018, Московская область). Отлить по выжигаемым моделям. Скачать чертежи (файл stl).
Количество: 1 шт.
Дополнительно: параметры модели и картинку можно бесплатно посмотреть на сервисе сайта www.viewstl.com

Заказ 2897 (08.08.2018, Московская область). Изделия УПРД.06.107.590 Клавиатура панели управления машиной. Скачать чертежи (файл zip, 20 Мб).
Количество: 3 шт.

Заказ 2896 (04.08.2018, Московская область). Чистовая расточка и снятие фасок. Скачать эскиз (файл pdf).
Обрабатываемая деталь: заказчика.
Технология исполнителя: расточка мобильным (переносным) оборудованием (установка оборудования на обрабатываемую ось)
Дополнительная информация: количество установок описано в эскизе.

Заказ 2895 (04.08.2018, Московская область). Чистовая расточка и снятие фасок. Скачать эскиз (файл pdf).
Обрабатываемая деталь: заказчика.
Технология исполнителя: расточка мобильным (переносным) оборудованием (установка оборудования на обрабатываемую ось)
Дополнительная информация: количество установок описано в эскизе.

Заказ 2894 (04.08.2018, Московская область). Чистовая расточка и снятие фасок. Скачать эскиз (файл pdf).
Обрабатываемая деталь: заказчика.
Технология исполнителя: расточка мобильным (переносным) оборудованием (установка оборудования на обрабатываемую ось)
Дополнительная информация: количество установок описано в эскизе.

Заказ 2893 (31.07.2018, Республика Беларусь). РДГД-2.0 КОРПУС. Скачать чертеж.
Литье деталей из алюминия
Материал: исполнителя.
Оснастка: исполнителя
Материал: алюминий марки АК12 ОЧ
Потребность: 15 000 шт./год

Заказ 2892 (31.07.2018, Республика Беларусь). КШ-100 КОРПУС. Скачать чертеж.
Литье деталей из алюминия
Материал: исполнителя.
Оснастка: исполнителя
Материал: алюминий марки АК12 ОЧ
Потребность: 1500 шт./год

Заказ 2892 (31.07.2018, Республика Беларусь). КШ-50 КОРПУС. Скачать чертеж.
Литье деталей из алюминия
Материал: исполнителя.
Оснастка: исполнителя
Материал: алюминий марки АК12 ОЧ
Потребность: 3000 шт./год

Заказ 2891 (31.07.2018, Республика Беларусь). РГП-50 ФЛАНЕЦ. Скачать чертеж.
Литье деталей из высокопрочного чугуна
Материал: исполнителя.
Оснастка: исполнителя
Материал: чугун марки ВЧ 50 ГОСТ 7293-85
Потребность: 2000 шт./год
Количество штук в комплекте: 2 шт.

Заказ 2890 (31.07.2018, Республика Беларусь). РГП-50 КРЫШКА-1. Скачать чертеж.
Литье деталей из высокопрочного чугуна
Материал: исполнителя.
Оснастка: исполнителя
Материал: чугун марки ВЧ 50 ГОСТ 7293-85
Потребность: 500 шт./год
Количество штук в комплекте: 1 шт.

Заказ 2889 (31.07.2018, Республика Беларусь). РГП-50 КРЫШКА. Скачать чертеж.
Литье деталей из высокопрочного чугуна
Материал: исполнителя.
Оснастка: исполнителя
Материал: чугун марки ВЧ 50 ГОСТ 7293-85
Потребность: 500 шт./год
Количество штук в комплекте: 1 шт.

Заказ 2888 (31.07.2018, Республика Беларусь). РГП-50 КОРПУС. Скачать чертеж.
Литье деталей из высокопрочного чугуна
Материал: исполнителя.
Оснастка: исполнителя
Материал: чугун марки ВЧ 50 ГОСТ 7293-85
Потребность: 500 шт./год

Заказ 2887 (31.07.2018, Республика Беларусь). ПЗКП КОРПУС. Скачать чертеж.
Литье деталей из высокопрочного чугуна
Материал: исполнителя.
Оснастка: исполнителя
Материал: чугун марки ВЧ 50 ГОСТ 7293-85
Потребность: 100 шт./год

Заказ 2886 (31.07.2018, Республика Беларусь). КШ-32 ФЛАНЕЦ. Скачать чертеж.
Литье деталей из высокопрочного чугуна
Материал: исполнителя.
Оснастка: исполнителя
Материал: чугун марки ВЧ 50 ГОСТ 7293-85
Потребность: 400 шт./год
Количество штук в комплекте: 2 шт.

Заказ 2885 (31.07.2018, Республика Беларусь). КШ-32 КОРПУС. Скачать чертеж.
Литье деталей из высокопрочного чугуна
Материал: исполнителя.
Оснастка: исполнителя
Материал: чугун марки ВЧ 50 ГОСТ 7293-85
Потребность: 200 шт./год
Количество штук в комплекте: 1 шт.

Заказ 2884 (30.07.2018, Ярославская область). Электроника (предметный поиск поставщиков)
По заказу предприятия в Ярославской области Ярославский центр субконтрактации проводит прямой отбор поставщиков (не тендер или аукцион) на поставщиков комплектующих.
Количество позиций в номенклатурной группе примерно 60 штук
Предметный поиск производителей систем зажигания, стартеров, реле, датчиков, выключателей, блоков управления двигателем.
Рассматриваются только производители
Наличие конструкторского бюро, отдела
Оперативные сроки освоения производства деталей
Основные требования предъявляемые поставщикам:
1) Желательно опыт работы потенциального поставщика на предприятия конвейерного типа.
2) Желательно, чтобы поставщик продукции являлся ее же производителем.
3) Устойчиво финансовое положение, отсутствие судебных исков к поставщику по задолженностям.
4) Наличие сертифицированной и задокументированной системы менеджмента качества.
5) Наличие производственных мощностей и квалифицированного персонала.
6) Желательно наличие аккредитованной испытательной лаборатории.
7) Ведение деятельности по постоянному совершенствованию качества выпускаемой продукции.
8) Желательно наличие развитой логистической инфраструктуры.
9) Обязательно допуск представителей покупателя и ВП на производство.

Заказ 2883 (30.07.2018, Ярославская область). Светотехника
По заказу предприятия в Ярославской области Ярославский центр субконтрактации проводит прямой отбор поставщиков (не тендер или аукцион) на поставщиков комплектующих.
Количество позиций в номенклатурной группе примерно 20 штук
Возможность предприятия ежемесячно осуществлять поставку деталей в количестве 1500 - 2500 штук (суммарно по всем номенклатурным позициям)
Рассматриваются только производители
Наличие конструкторского бюро, отдела
Оперативные сроки освоения производства деталей
Основные требования предъявляемые поставщикам:
1) Желательно опыт работы потенциального поставщика на предприятия конвейерного типа.
2) Желательно, чтобы поставщик продукции являлся ее же производителем.
3) Устойчиво финансовое положение, отсутствие судебных исков к поставщику по задолженностям.
4) Наличие сертифицированной и задокументированной системы менеджмента качества.
5) Наличие производственных мощностей и квалифицированного персонала.
6) Желательно наличие аккредитованной испытательной лаборатории.
7) Ведение деятельности по постоянному совершенствованию качества выпускаемой продукции.
8) Желательно наличие развитой логистической инфраструктуры.
9) Обязательно допуск представителей покупателя и ВП на производство.

Заказ 2882 (30.07.2018, Ярославская область). Холодная штамповка металла. Скачать анкету поставщика (файл doc)
По заказу предприятия в Ярославской области Ярославский центр субконтрактации проводит прямой отбор поставщиков (не тендер или аукцион) на изготовление деталей по операциям. Необходимо заполнить анкету поставщика
Материал: поставщика.
Оснастка: поставщика
Количество позиций в номенклатурной группе примерно 70 штук
Возможность предприятия ежемесячно осуществлять поставку деталей в количестве 10 000 - 15 000 штук (суммарно по всем номенклатурным позициям)
Оперативные сроки освоения производства деталей
Основные требования предъявляемые поставщикам:
1) Желательно опыт работы потенциального поставщика на предприятия конвейерного типа.
2) Желательно, чтобы поставщик продукции являлся ее же производителем.
3) Устойчиво финансовое положение, отсутствие судебных исков к поставщику по задолженностям.
4) Наличие сертифицированной и задокументированной системы менеджмента качества.
5) Наличие производственных мощностей и квалифицированного персонала.
6) Желательно наличие аккредитованной испытательной лаборатории.
7) Ведение деятельности по постоянному совершенствованию качества выпускаемой продукции.
8) Желательно наличие развитой логистической инфраструктуры.
9) Обязательно допуск представителей покупателя и ВП на производство.

Заказ 2881 (30.07.2018, Ярославская область). Детали из алюминия изготовленные методом литья под давлением. Скачать анкету поставщика (файл doc)
По заказу предприятия в Ярославской области Ярославский центр субконтрактации проводит прямой отбор поставщиков (не тендер или аукцион) на изготовление деталей по операциям. Необходимо заполнить анкету поставщика
Материал: поставщика.
Оснастка: поставщика
Количество позиций в номенклатурной группе - 170 штук
Возможность механической обработки заготовок полученных методом литья под давлением
Возможность предприятия ежемесячно осуществлять поставку деталей в количестве - 2000-3000 штук (суммарно по всем номенклатурным позициям)
Оперативные сроки освоения производства деталей
Основные требования предъявляемые поставщикам:
1) Желательно опыт работы потенциального поставщика на предприятия конвейерного типа.
2) Желательно, чтобы поставщик продукции являлся ее же производителем.
3) Устойчиво финансовое положение, отсутствие судебных исков к поставщику по задолженностям.
4) Наличие сертифицированной и задокументированной системы менеджмента качества.
5) Наличие производственных мощностей и квалифицированного персонала.
6) Желательно наличие аккредитованной испытательной лаборатории.
7) Ведение деятельности по постоянному совершенствованию качества выпускаемой продукции.
8) Желательно наличие развитой логистической инфраструктуры.
9) Обязательно допуск представителей покупателя и ВП на производство.

Заказ 2880 (25.07.2018, Ярославская область). Пластины для насосов 80/16. Скачать чертеж.
Материал: поставщика.
Оснастка: поставщика
Материал: сталь марки Р18 ГОСТ 19265-73
Потребность: 1000 шт./месяц

Заказ 2879 (25.07.2018, Ярославская область). Пластины для насосов 25/16. Скачать чертеж.
Материал: поставщика.
Оснастка: поставщика
Материал: сталь марки Р18 ГОСТ 19265-73
Потребность: 2000 шт./месяц

Заказ 2878 (25.07.2018, Ярославская область). Ротор для насосов 80/16. Скачать чертеж.
Материал: поставщика.
Оснастка: поставщика
Материал: сталь марки Х12Ф1 ГОСТ 5950-73
Потребность: 50 шт./месяц

Заказ 2877 (25.07.2018, Ярославская область). Ротор для насосов 25/16. Скачать чертеж.
Материал: поставщика.
Оснастка: поставщика
Материал: сталь марки Х12Ф1 ГОСТ 5950-73
Потребность: 100 шт./месяц

Заказ 2876 (19.07.2018, Москва). Стенд измерения крутящего момента. Скачать чертеж.
Программа: единичное производство
Материал: поставщика
Оснастка: поставщика
Краткое описание наиболее сложных в изготовлении деталей:
Бронзовая муфта из БрБ2 диаметр 380мм высота 60 мм, 6 пазов шириной 10мм на глубину 100мм по диаметру, ориентировочная масса 27кг 6 квалитет точности (для диаметра 175мм). 6шт.
Диски из нержавеющей стали 12х18н10т диаметр 480мм, высота 45мм, 6 квалитет точности для диаметра 175мм, ориентировочная масса 23 кг. 12шт.
Диски с выступами из нержавеющей стали 12х18н10т 783х480мм высота 25мм, 5 квалитет для размера 707мм, 6 квалитет точности для диаметра 175мм. ориентировочная масса 36 кг 2шт.
Плиты из нержавеющей стали 12х18н10т 760х640мм, 760х480мм, 500х500мм высота 25мм, ориентировочная масса 93 кг, 70кг, 43кг соответственно, 6 квалитет. для размера 200мм. 1шт.
Рейка из нержавеющей стали 12х18н10т 1231х113.5мм высота 30мм, ориентировочная масса 26 кг, 7 квалитет. 2шт.
Произвести сборку в соответствии со сборочными чертежами (крепеж - штифты, винты поставщика, класс прочности 12.9).
Обязательно, чтобы сборка муфт согласно "СИКМ.001.003.000 - Муфта в сборе" происходила изготовителем деталей.
Желательно, чтобы сборка рейки согласно "СИКМ.001.004.000 - Рейка в сборе" и "СИКМ.001.005.000 - Рейка в сборе" происходила изготовителем деталей.
Прошу обратить внимание, что "СИКМ.001.006.002 - Станина" - изготавливается из заготовки Заказчика (заготовка находится в Москве, на улице Викторенко)

Заказ 2870 (19.07.2018, Ижевск). Механическая обработка. Комплект документов.
    • 32НТП.01.001 Гидроблок. Продольно-фрезерная, сверлильная, горизонтально-расточная, комплексная на ОЦ с ЧПУ, фрезерная с ЧПУ, сверлильная, притирочная.
Материал: давальческий. Программа: 1 штука. Оснастка: поставщика.
    • 43НТП.01.001-П Гидроблок. Продольно-фрезерная, сверлильная, горизонтально-расточная, комплексная на ОЦ с ЧПУ, фрезерная с ЧПУ, сверлильная, притирочная.
Материал: давальческий. Программа: 1 штука. Оснастка: поставщика.
    • 175НТП.01.001-П Гидроблок. Продольно-фрезерная, сверлильная, горизонтально-расточная, комплексная на ОЦ с ЧПУ, фрезерная с ЧПУ, сверлильная, притирочная.
Материал: давальческий. Программа: 2 штуки. Оснастка: поставщика.
Цена на обработку: открытый запрос предложений.
Дополнительная информация: для получения чертежей необходимо подписать с заказчиком Соглашение о конфиденциальности. В случае заинтересованности, просьба оперативно подготовить и выслать в адрес заказчика подписанное Соглашение о конфиденциальности.

Заказ 2869 (19.07.2018, Ижевск). Механическая обработка. Комплект документов.
    • 3МБ.02.00.010 Тройник. Фрезерная, токарная, закалка, комплексная на ОЦ с ЧПУ, сверлильная.
Материал: давальческий. Программа: 6 штук. Оснастка: поставщика.
    • 3МБ.02.03.001-01 Корпус. Продольно-фрезерная, сверлильная, закалка, фрезерная с ЧПУ, сверлильная, притирочная.
Материал: давальческий. Программа: 18 штук. Оснастка: поставщика.
Цена на обработку: открытый запрос предложений.
Дополнительная информация: для получения чертежей необходимо подписать с заказчиком Соглашение о конфиденциальности. В случае заинтересованности, просьба оперативно подготовить и выслать в адрес заказчика подписанное Соглашение о конфиденциальности.

Заказ 2868 (11.07.2018, Липецк). Фиксаторы контейнерные. Скачать чертеж.
Необходимо изготовить фиксаторы стопорные для контейнеров.
Потребность единовременная 200 шт.
Марка материала 09Г2С (материал Исполнителя), необходима доставка до Липецка.

Заказ 2867 (20.06.2018, Московская область). Поставка цепей по ГОСТ.
Материал: поставщика
Программа: Цепь 10,3х31-Т(8)-6 ГОСТ 30188-97 - 66 м
Цепь 13х19-Т(8)-6 ГОСТ 30188-97 - 34 м
Цепь ЗПР-15,875-68,1 ГОСТ 13568-97 - 2 м
Цена: договорная
Дополнительные условия: приоритет у организаций расположенных в непосредственной близости к городу Ижевску

Заказ 2866 (20.06.2018, Московская область). Изготовление деталей по чертежу. Чертежи (файл pdf)
Материал: поставщика
Программа: по 500-600 шт. каждой
Оснастка: поставщика
Цена: договорная
Объем заказа: до 300 000 руб.
Дополнительная информация: сертификаты на материал предоставить обязательно!

Заказ 2865 (06.06.2018, Москва). Изготовление втулки шпинтона по чертежу 875.21.001.
Материал: поставщика
Программа: 200 штук
Оснастка: поставщика
Дополнительная информация: указать цену за шт и сроки поставки до Москвы

Заказ 2864 (05.06.2018, Ярославская область). Изготовление табличек на оборудование. Чертеж (файл pdf)
Материал: анодированный алюминий
Программа: 4000 штук
Оснастка: поставщика
Дополнительная информация: Размер табличек 52х32 мм. Толщина металла 0,1 мм. Оборотная сторона табличек – двухсторонняя клеепереносящая лента 3М 9472LE, марка клея 3М 300LSE, толщина клеевого слоя 130 мкм. Цвет надписей – черный
Коммерческое предложение с указанием цены, условий оплаты, сроков и условий поставки прошу выслать на почту заказчика.

Заказ 2863 (24.05.2018, Новосибирская область). Проектирование и изготовление пресс-формы для детали «Ниппель АРН.40.00.006-05». Чертеж (файл zip)
Материал: указан в техническом задании
Программа: 1 штука, разовый заказ
Оснастка: поставщика
Дополнительная информация: в техническом задании в приложении

Заказ 2862 (24.05.2018, Новосибирская область). Проектирование и изготовление пресс-формы для детали «Угольник АРН.40.00.018». Чертеж (файл zip)
Материал: указан в техническом задании
Программа: 1 штука, разовый заказ
Оснастка: поставщика
Дополнительная информация: в техническом задании в приложении

Заказ 2861 (23.05.2018, Рязанская область). Заглушка. Чертеж (файл jpg)
Материал: Круг 28-8 12Х18Н10Т
Программа: 50 штук
Оснастка: поставщика
Дополнительная информация: нет

Заказ 2860 (23.05.2018, Рязанская область). Носик. Чертеж (файл jpg)
Материал: Круг 38 AISI 304
Программа: 50 штук
Оснастка: поставщика
Дополнительная информация: нет

Заказ 2859 (23.05.2018, Рязанская область). Втулка дросселя. Чертеж (файл jpg)
Материал: Круг 20 ПС59-1
Программа: 50 штук
Оснастка: поставщика
Дополнительная информация: нет

Заказ 2858 (23.05.2018, Рязанская область). Штуцер задний. Чертеж (файл jpg)
Материал: Круг 38 AISI 304
Программа: 50 штук
Оснастка: поставщика
Дополнительная информация: нет

Заказ 2857 (23.05.2018, Рязанская область). Штуцер нижний. Чертеж (файл jpg)
Материал: Круг 38 AISI
Программа: 50 штук
Оснастка: поставщика
Дополнительная информация: нет

Заказ 2856 (23.05.2018, Рязанская область). Корпус. Чертеж (файл jpg)
Материал: Сталь 40Х18Н2М
Программа: 50 штук
Оснастка: поставщика
Дополнительная информация: нет

Заказ 2855 (23.05.2018, Ярославская область). Вал вилки включения сцепления. Чертеж (файл pdf)
Материал: Сталь 40Х
Программа: 20 штук
Оснастка: отсутствует
Дополнительная информация: нет

Заказ 2854 (23.05.2018, Белгородская область). Изготовление коленчатого вала. Чертеж (файл pdf)
Материал: Сталь 35ХМЛ
Программа: 2 штуки, разовый заказ
Оснастка: отсутствует
Дополнительная информация: Дать ценовое предложение и сроки отгрузки, вес. Сертификат происхождения обязателен.

Заказ 2853 (17.05.2018, Новосибирская область). Изготовление деталей по чертежам. Комплект чертежей (файл zip)
Материал: Сталь 12Х18Н10Т, 40Х18Н2М (возможна работа с материалом заказчика)
Программа: 50 штук каждой детали ежемесячно
Оснастка: отсутствует
Объем заказа: более 1 млн.руб.
Дополнительная информация: Все детали входят в один узел, в который также входят несколько резиновых уплотнительных колец. Если у предприятия есть возможность изготавливать резиновые кольца (материал пентасил 1722) и произвести сборку, готов заказать целиком узел в тех же объемах.

Заказ 2852 (10.05.2018, Республика Дагестан). Заявка на поставку напряжников 11-1К-20х400-Ц ГОСТ 18176-79. Документ
Производственная программа: 6 шт.
Материал: поставщика
Доп. требования: При положительном решении прошу выслать договор, спецификацию и счет на оплату (договор на директора по коммерческим вопросам Гамзаева Т.О., действующего на основании доверенности №253-06-30 от 09.08.17 г., реквизиты во вложении)

Заказ 2851 (20.04.2018, Ярославская область). Рассмотрим предложения по инжиниринговым услугам, в т.ч. по проектированию литейной и штамповой оснастки. Анкета поставщика
Доп. требования: аказчик ПАО «Тутаевский моторный завод». Более подробную информацию о перечисленных компонентах, в т.ч. техническую документацию, направим поставщикам после установления контактов. При положительном решении просим Вас (в произвольной форме) дать предложения по выполнению заказа (с указанием номера заказа) или заполнить анкету (во вложении) поставщика (с указанием номера заказа) и направить по эл. почте

Заказ 2850 (20.04.2018, Ярославская область). Поршни стальные (диаметр 140 мм). Анкета поставщика
Доп. требования: в настоящее время преобладает потребность в изготовлении опытных партий, т.е. в количестве до 10 мотор-комплектов. Заказчик ПАО «Тутаевский моторный завод». Более подробную информацию о перечисленных компонентах, в т.ч. техническую документацию, направим поставщикам после установления контактов. При положительном решении просим Вас (в произвольной форме) дать предложения по выполнению заказа (с указанием номера заказа) или заполнить анкету (во вложении) поставщика (с указанием номера заказа) и направить по эл. почте

Заказ 2849 (20.04.2018, Ярославская область). Выпускные коллекторы (жаростойкое чугунное литье). Анкета поставщика
Доп. требования: в настоящее время преобладает потребность в изготовлении опытных партий, т.е. в количестве до 10 мотор-комплектов. Заказчик ПАО «Тутаевский моторный завод». Более подробную информацию о перечисленных компонентах, в т.ч. техническую документацию, направим поставщикам после установления контактов. При положительном решении просим Вас (в произвольной форме) дать предложения по выполнению заказа (с указанием номера заказа) или заполнить анкету (во вложении) поставщика (с указанием номера заказа) и направить по эл. почте

Заказ 2848 (20.04.2018, Ярославская область). Впускные коллекторы (воздуховоды, алюминиевое литье). Анкета поставщика
Доп. требования: в настоящее время преобладает потребность в изготовлении опытных партий, т.е. в количестве до 10 мотор-комплектов. Заказчик ПАО «Тутаевский моторный завод». Более подробную информацию о перечисленных компонентах, в т.ч. техническую документацию, направим поставщикам после установления контактов. При положительном решении просим Вас (в произвольной форме) дать предложения по выполнению заказа (с указанием номера заказа) или заполнить анкету (во вложении) поставщика (с указанием номера заказа) и направить по эл. почте

Заказ 2847 (20.04.2018, Ярославская область). Трубки высокого давления (система топливоподачи дизельного двигателя, диаметр 8,0х3,6 мм, рабочее давление до 2000 бар). Анкета поставщика
Доп. требования: в настоящее время преобладает потребность в изготовлении опытных партий, т.е. в количестве до 10 мотор-комплектов. Заказчик ПАО «Тутаевский моторный завод». Более подробную информацию о перечисленных компонентах, в т.ч. техническую документацию, направим поставщикам после установления контактов. При положительном решении просим Вас (в произвольной форме) дать предложения по выполнению заказа (с указанием номера заказа) или заполнить анкету (во вложении) поставщика (с указанием номера заказа) и направить по эл. почте

Заказ 2846 (20.04.2018, Ярославская область). Изделия по чертежам заказчика. скачать чертежи (файл zip)
Производственная программа: во вложении.
Материал: материал поставщика

Заказ 2845 (20.04.2018, Орлавска область). Заготовки. скачать чертежи (файл zip)
Производственная программа: во вложении.
Материал: материал поставщика

Заказ 2844 (12.04.2018, Ростовская область). Изготовление шпиндельного узла для колесотокарного станка. скачать чертежи (файл zip)
Производственная программа: Первоначальная партия равна 4 единицам, требуемый срок изготовления Август-Сентябрь 2018 года.
Доп. требования: все чертежи прилагаю в формате pdf. Первоначальная партия равна 4 единицам, требуемый срок изготовления Август-Сентябрь 2018 года. Предложения прошу присылать на эл. почту

Заказ 2843 (11.04.2018, Ярославская область). Сверло покупное для бетона и для него переходник с надежным закреплением сверла и клин для демонтажа сверла. скачать чертежи (файл zip)
Производственная программа: не менее 300 компл. в месяц.
Доп. требования: поставщики из Ярославской области. ВАЖНО! ЦЕНА КОМПЛЕКТА (ПЕРЕХОДНИК,КЛИН,СВЕРЛО покупное) из материала поставщика не ВЫШЕ 200-250 руб/компл. с НДС, при ежемесячном ЗАКАЗЕ не менее 300 комплектов

Заказ 2842 (06.04.2018, Ярославская область). Прошу рассмотреть возможность, стоимость и сроки изготовления следующих деталей. скачать чертежи (файл zip)
Производственная программа: во вложении.

Заказ 2841 (04.04.2018, Ярославская область). Изготовлению деталей и узлов для производства катков ДУ-52.01.02.030А «Корпус». скачать чертежи (файл gif)
Производственная программа: 10 шт.
Доп. требования: поставщики из ЦФО, интересует изготовление деталей по нашим чертежам по законченному циклу.

Заказ 2840 (03.04.2018, Владимирская область). Требуется произвести сборку контейнера горизонтального гидравлического пресса. скачать чертежи (файл zip)
Производственная программа: разовый заказ.
Доп. требования: Заготовки для изготовления проставочной втулки и стакана предоставим обработанные в предварительных размерах, без термической обработки.

Заказ 2839 (26.03.2018, Московская область). Гильзы на станках ЧПУ. скачать чертеж (файл pdf)
Производственная Цену рассчитать на партию в 1000 штук и на партию в 10000 штук.
Доп. требования: Токарная обработка. Нужно изготовить гильзы на станках ЧПУ. Цену рассчитать на партию в 1000 штук и на партию в 10000 штук.

Заказ 2838 (26.03.2018, г. Воронеж.). Болт специальный черт. 746.21-019 СБ. скачать чертеж (файл gif)
Производственная программа: 20 шт.
Объем заказа: до 300 000 р.

Заказ 2837 (26.03.2018, г. Воронеж.). Болт специальный черт. 746.21-018 СБ. скачать чертеж (файл gif)
Производственная программа: 20 шт.
Объем заказа: до 300 000 р.

Заказ 2836 (26.03.2018, г. Воронеж.). Гайка M42 ст20 черт. ДК-1,4.003.000.0005. скачать чертеж (файл gif)
Производственная программа: 300 шт.
Материал: ст20
Объем заказа: до 300 000 р.

Заказ 2835 (26.03.2018, г. Воронеж.). Оснастка. скачать чертежи (файл zip)
Объем заказа: более 1 000 000 р.
Доп. требования: Основное требование Обработка Током Высокой Частоты

Заказ 2834 (22.03.2018, г. Чебоксары.). Резиновый уплотнитель. скачать чертеж (файл pdf)
Производственная программа: 680 метров.
Материал: поставщика
Доп. требования: заказ на изготовление изделия "Резиновый уплотнитель" методом экструзии резинового профиля в количестве 680 метров

Заказ 2833 (06.03.2018, Калининградская обл.). Необходимо изготовить фиксаторы стопорные для контейнеров. скачать чертежи (файл zip)
Производственная программа: Потребность единовременная 400 шт.
Материал: поставщика
Доп. требования: Марка материала соответствует российскому аналогу 17ГС или аналог, не ухудшающий свойства. Пробная партия 10 шт. необходима доставка до Липецка

Заказ 2832 (05.03.2018, Вологодская обл.). Присоединение к электрическим сетям (технические условия прилагаются). скачать чертежи (файл pdf)
Длина линии приблизительно 500 м.

Заказ 2831 (01.03.2018, Москва). Заявка СС 051-01-18 Уплотнение вертлюжков GS HYDRO NORGE AS. скачать чертежи (файл xlsx)
Производственная программа: во вложении.
Доп. требования: Направляю заявку для определения стоимости с учетом доставки по адресу: 694620, Россия, Сахалинская обл., г. Холмск, ул. Лесозаводская, д. 159. Просьба сохранять тему письма (Заявка СС 051-01-18 Уплотнение вертлюжков GS HYDRO NORGE AS.) и историю переписки!

Заказ 2830 (01.03.2018, Москва). Изготовление деталей по чертежам заказчика. скачать чертежи (файл zip)
Производственная программа: во вложении.
Доп. требования: чертежи, 3D модели, список с количеством, фото (во вложении)

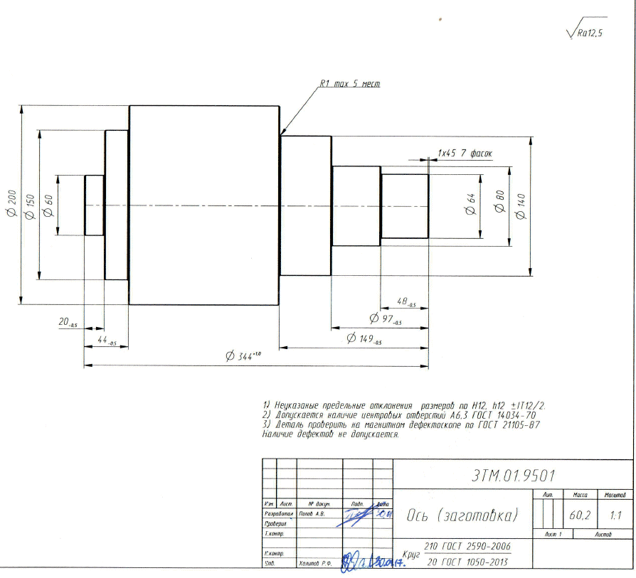
Заказ 2829 (01.03.2018, Орловская область). Оси. скачать чертежи (файл zip)
Производственная программа: во вложении.
Материал: материал поставщика

Заказ 2828 (21.02.2018, Орловская область). Изделия по чертежам заказчика (механизм фиксации). скачать чертежи (файл zip)
Производственная программа: 1 шт.

Заказ 2827 (20.02.2018, Ярославская область). Прошу рассмотреть возможность механической обработки следующих узлов. скачать чертежи (файл zip)
Доп. требования: Прошу рассмотреть возможность механической обработки следующих узлов:
1) Основание 01.02.00СБ - произвести обработку размера R55+0.7 мм.
2) Корпус 01.00СБ - произвести обработку размеров Ф60Н8 на глубину 436 мм. и Ф95+0,14 на глубину 70 мм.

Заказ 2826 (19.02.2018, Московская область). Запрос коммерческого предложения (метизы). скачать документ (файл pdf)
Производственная программа: во вложении.

Заказ 2825 (15.02.2018, Москва). Запрос на поставку (Нужна нержавейка ASI 304 толщина 04х1000х2000).(без чертежа)
Производственная программа: 380 листов ( 2т 432кг) качественная.
Доп. требования: Нужна цена с НДС (доставка?). Желательно Москва, Московская обл. Сочно!!!

Заказ 2824 (15.02.2018, Орловская область). Изделия по чертежам заказчика (траверса). скачать документы (файл pdf)
Производственная программа: 2 шт.
Материал: поставщика

Заказ 2823 (13.02.2018, Москва). Запрос на поставку. (без чертежа)
Производственная программа: Разовый заказ.
Доп. требования: Прошу Вас выставить счет на следующий материал: труба диаметр 6 мм материал нержавейка стенка 0,2-0,3 мм - количество 1 шт, 3 метра труба диаметр 60 мм материал Д16 стенка 1,5-2 мм в количестве 1 шт. 3 метра . Круг нержавеющий 20 мм 40Х13 г/к, матовый 1.5-3 п.м

Заказ 2822 (01.02.2018, Белгородская область). Заготовка из железографита (срочный заказ). (без чертежа)
Производственная программа: пробный заказ 1 шт.
Доп. требования: прошу Вас сообщить о возможности изготовить заготовки размером (200х200)мм и толщиной 15-20мм материал железографит

Заказ 2821 (25.01.2018, Архангельская область). Прошу Вас рассмотреть возможность поставки в адрес нашего предприятия продукции на предложенных ниже условиях: - теплообменник КК3297.000 (в соответствие с тех. заданием). скачать документ (файл pdf)
Производственная программа: 1 штука.
Доп. требования: Прошу Вас сообщить:
1. Стоимость за единицу продукции в рублях с НДС с максимально возможными скидками при следующих условиях поставки:
1.1 Франко-склад поставщика (без транспортных расходов).
1.2 Франко-склад покупателя (с транспортными расходами).
2. Условия оплаты продукции с учётом базиса поставки.
3. Срок поставки
4. Срок действия коммерческого предложения.
5. Транспортные затраты на доставку с указанием вида транспорта (для базиса поставки ФС поставщика).
6. Наличие разрешительной документации, паспортов, сертификатов, Свидетельства (удостоверения) о качестве изготовления.

Заказ 2820 (23.01.2018, Московская область). Проектирование оснастки для литья пластиковых изделий. скачать документы (файл zip)
Производственная программа: прошу Вас рассмотреть возможность проектирования и изготовления оснастки с последующим литьем пластиковых изделий Половина 1 в количестве 2 000 комплектов.
Доп. требования: 3D модели во вложении.
Материал: Материал конечного изделия АБС

Заказ 2819 (15.01.2018, Калининградская область). Необходимо изготовить комплект (втулка+обойма) изделий. скачать документы (файл zip)
Производственная программа: необходимо 4 комплекта изделий.
Материал: поставщика
Доп. требования: Просим указать стоимость и время изготовления изделий

Заказ 2818 (26.12.2017, Ярославская область). Компания «Сименс» ищет партнеров на территории Российской Федерации, способных обеспечить производство и поставку компонентов (описание заказа во вложении). скачать документы (файл zip)
Доп. требования: Чертежи и требования по данным деталям мы можем предоставить после подписания Соглашения о неразглашении коммерческой информации. При положительном решении прошу Вас заполнить анкету (во вложении) поставщика и направить по эл. почте.

Заказ 2817 (26.12.2017, Московская область). Аттенюатор коаксиальный тип N. скачать документ (файл pdf)
Производственная программа: во вложении.
Доп. требования: Все устройства должны быть поверены. Также прошу предоставить ФИО начальника ВП, номер ВП, ФИО генерального директора, точный адрес компании

Заказ 2816 (26.12.2017, Москва). Изготовление детали по чертежам заказчика. скачать чертеж (файл jpg)
Производственная программа: разовый заказ 5 000 шт.

Заказ 2815 (18.12.2017, Московская область). Оборонный завод на постоянной основе ищет поставщика расходных материалов и инструмента. скачать документ (файл pdf)
Производственная программа: во вложенном файле.
Доп. требования: Прошу рассмотреть возможность поставки в адрес заказчика опытной партии расходных материалов и инструмента.

Заказ 2814 (13.12.2017, Москва). Производство деталей и узлов стенда. скачать чертежи (файл zip)
Производственная программа: 1 шт.
Материал: Углеродистая сталь, нержавеющая сталь.
Доп. требования: Изготовление деталей и узлов стенда. Представлен сборочный чертеж основных деталей и узлов стенда. В случае заинтересованности направим комплект КД на все детали и узлы
Объем заказа: более 1 000 000 р.

Заказ 2813 (11.12.2017, Калининградская область). Изготовление и поставка балок согласно вложенного чертежа. Балки 800х900 (согласно чертежа 288-15К/ПИР-1-30/1-000-СР-001) длиной 12м. скачать чертеж (файл pdf)
Производственная программа: 11 шт.
Материал: Марка стали указана в чертеже – замена марки стали не допускается.
Адрес объекта: Калининградская обл., г. Светлый, пос. Взморье

Заказ 2812 (08.12.2017, Санкт-Петербург). Просим рассмотреть возможность изготовления стержней. скачать чертеж (файл jpg)
Производственная программа: 5 шт.
Материал: поставщика.

Заказ 2811 (08.12.2017, Рязанская область). Прошу рассмотреть техническую возможность и стоимость изготовления деталей по чертежам заказчика. скачать чертежи (файл zip)
Производственная программа: во вложении
Материал: поставщика.

Заказ 2810 (06.12.2017, Московская область). Прошу рассмотреть возможность изготовления комплекта деталей "Мультилифт". скачать документы (файл zip)
Производственная программа: во вложении
Доп. требования: Изделия должны поставляться под контролем ВП с приёмкой «5», более подробно во вложении.

Заказ 2809 (06.12.2017, Ростовская область). Прошу рассмотреть возможность азотирования деталей втулка ч.Н18.36.40.14. скачать чертеж (файл pdf)
Производственная программа: в6 шт.

Заказ 2808 (05.12.2017, Московская область). Заказ на поставку сверл и метчиков. скачать чертежи (файл pdf)
Производственная программа: во вложении
Доп. требования: при положительном решении прошу Вас направить ответом счет.

Заказ 2807 (05.12.2017, Московская область). Оборонный завод на постоянной основе ищет поставщика комплектующих циклона. (без чертежа)
Доп. требования: Прошу Вас рассмотреть возможность поставки опытной партии комплектующих циклона: Мультициклон – 51-05-216СП – 1 шт.; Воздухозаборник – 51-05-205СП – 1 шт.; Хомут 51-05-322-01СП – 2 шт. При положительном решении можем гарантировать постоянный заказ

Заказ 2806 (04.12.2017, Ярославская область). Заказ крупного российского предприятия на постоянной основе (детали ГТД-110). скачать чертежи (файл zip)
Доп. требования: Речь идет об обработке, большого габарита от 600 до 3500 мм. С переделом листа, раскатных колец, сваркой, обточкой, спец контролями, многоосевой обработкой… Во вложении для примера чертежи части деталей. При положительном решении прошу Вас заполнить анкету поставщика и направить по эл. почте.

Заказ 2805 (01.12.2017, Москва). Заказ на изготовление металлокаркаса. скачать чертежи (файл zip)
Производственная программа: Опытная партия заказа 2 изделия. При положительном решении можем гарантировать постоянный заказ.
Доп. требования: Студия 3D моделирования ищет поставщика металокаркаса собаки. Габариты одного изделия 2000х1300х750 мм. Модель будет выслана по запросу.

Заказ 2804 (29.11.2017, Московская область). Оборонный завод на постоянной основе ищет поставщика защитных стекол. скачать чертежи (файл zip)
Производственная программа: УПРД.06.102.665 Стекло защитное – 6 шт., УПРД.06.102.667 Стекло защитное – 3 шт., УПРД.06.102.668 Стекло защитное – 6 шт., УПРД.У9.02.СП01-11.0062.002 Стекло защитное – 20 шт., УПРД.У9.02.СП01-14.0120.101 Стекло защитное – 15 шт.
Доп. требования: При положительном решении можем гарантировать постоянный заказ.

Заказ 2803 (29.11.2017, Московская область). Заказ на поставку сверл и метчиков. скачать документ (файл pdf)
Производственная программа: во вложении.
Доп. требования: при положительном решении прошу Вас направить ответом счет.

Заказ 2802 (28.11.2017, Москва). Запрос на изготовление. скачать чертеж (файл zip)
Материал: сталь.
Доп. требования: интересует стоимость на такие детали (чертежи во вложении). Нужна поворотная голова у лазера/ плазмы/ гидроабразива и делать из 1 заготовки. По количеству: 1шт., 20 шт., 1000 шт.

Заказ 2801 (27.11.2017, Калининградская область). Вал черпального колеса земснаряда. скачать чертеж (файл gif)
Производственная программа: 1 шт.
Доп. требования: прошу выставить предложение по цене и срокам на изготовление вала (вал черпального колеса земснаряда) по нашему чертежу, во вложении.

Заказ 2800 (27.11.2017, Московская область). Оборонный завод на постоянной основе ищет поставщика лака КО-810 в больших объемах. (без чертежа)
Производственная программа: Прошу сообщить, возможно ли организовать поставку опытной партии лака КО-810 в количестве до 1 кг.
Доп. требования: При положительном решении прошу Вас направить ответом счет

Заказ 2799 (27.11.2017, Москва). Фрезеровка пенополистерола. скачать чертеж (файл zip)
Производственная программа: Опытная партия по 1 штуке каждого изделий. При прохождении входного контроля планируется серия.
Доп. требования: Требуется изготовить макетов из материала пенополистерол. 3D модели во вложении.

Заказ 2798 (24.11.2017, Рязанская область). Изделия по чертежам заказчика. скачать чертеж (файл zip)
Производственная программа: во вложении.
Материал: поставщика.

Заказ 2797 (24.11.2017, Рязанская область). Изделия по чертежам заказчика. скачать чертеж (файл zip)
Производственная программа: во вложении.
Материал: поставщика.

Заказ 2796 (24.11.2017, Рязанская область). Изделия по чертежам заказчика. скачать чертеж (файл zip)
Производственная программа: во вложении.
Материал: поставщика.

Заказ 2795 (24.11.2017, Новосибирская область). Изготовление штампа. скачать чертеж (файл zip)
Производственная программа: 1 шт.
Материал: поставщика
Доп. требования: в коммерческом предложении укажите, пожалуйста, стоимость и сроки выполнения заказа, порядок расчета, гарантийный срок (если возможно)

<Заказ 2794 (23.11.2017, Московская область). Прошу рассмотреть возможность поставки изделий: «Клапан ниппельный 54115-1109460-02»; ключ 7811-0026 D2 Ц9.хр ГОСТ 2839-80; ключ 7811-0044 D2 Ц9.хр ГОСТ 2839-80; ключ 7811-0046 D2 Ц9.хр ГОСТ 2839-80. (без чертежа)
Производственная программа: заказ постоянный по 100 штук в месяц, с перспективой увеличения.
Доп. требования: При положительном решении прошу Вас направить ответом счет.

Заказ 2793 (23.11.2017, Ярославская область). Изготовление детали согласно чертежа. скачать чертеж (файл jpg)
Производственная программа: 1 шт.
Материал: поставщика

Заказ 2792 (22.11.2017, Ярославская область). Изготовление перфорированных обечаек. скачать чертежи (файл zip)
Производственная программа: Необходимо изготовить перфорированные обечайки в количестве одного комплекта (2шт.)
Срок изготовления: по договоренности.
Характеристики: в КД
Условия приемки: приемка на соответствие КД

Заказ 2791 (20.11.2017, Рязанская область). Изделия по чертежам заказчика. скачать чертежи (файл zip)
Производственная программа: во вложении.
Материал: поставщика.

Заказ 2790 (17.11.2017, Рязанская область). Прошу рассмотреть техническую возможность и стоимость изготовления деталей по чертежам заказчика. скачать чертежи (файл zip)
Производственная программа: во вложении.
Материал: поставщика.

Заказ 2789 (17.11.2017, Рязанская область). Прошу рассмотреть техническую возможность и стоимость изготовления деталей по чертежам заказчика. скачать чертежи (файл zip)
Производственная программа: во вложении.
Материал: поставщика.

Заказ 2788 (15.11.2017, Ярославская область). Требуется изготовить призму шихтовочную. скачать чертеж (файл jpg)
Производственная программа: количество 5000 шт.
Материал: поставщика.
Доп. требования: Доставка до Ярославля.

Заказ 2787 (14.11.2017, Орел). Изделия по чертежам заказчика. скачать чертежи (файл zip)
Производственная программа: во вложении
Материал: поставщика.

Заказ 2786 (13.11.2017, Москва). Держатель. скачать чертеж
Производственная программа: 1000 шт.
Материал: поставщика.

Заказ 2785 (09.11.2017, Ярославская область). Прошу рассмотреть возможность изготовления и выставить счет на одну позицию. скачать чертежи (файл pdf)
Материал: поставщика.

<Заказ 2784 (09.11.2017, Ярославская область). Плоское шлифование (без чертежа)
Доп. требования: требование к станку - размер стола по длине не меньше 2000 мм. Поставщик - из Ярославкой или соседних областей
Производственная программа: постоянный заказ.

Заказ 2783 (02.11.2017, Орловская область). Кронштейн. скачать чертежи (файл zip)
Производственная программа: 2 шт.
Материал: поставщика.

Заказ 2782 (01.11.2017, Калининградская область). Изготовление крановых колес. скачать чертежи (файл pdf)
Производственная программа: 8 единиц.
Материал: поставщика.

Заказ 2781 (01.11.2017, Калининградская область). Изготовление изделий согласно чертежей. скачать чертежи (файл zip)
Производственная программа: по 1 шт. каждого из изделий.
Материал: поставщика.

Заказ 2780 (01.11.2017, Иркутская область). Прошу рассчитать стоимость и сроки изготовления вала. скачать чертеж (файл pdf)
Производственная программа: 1 шт.
Доп. требования:
1. Диаметр 70мм (-0,02) - по всей длине.
2. Шпон-пазы симметричны 5 мм (глубина) * 18 мм (ширина).
3. (-0,02 мм) по всей длине вала.
4. Обработка поверхности с удалением слоя материала.
5. Только поковка.
6. Сталь 40Х
7. твердость 185-197НВ.

Заказ 2779 (01.11.2017, Ярославская область). Вал-шестерня. скачать чертеж (файл jpg)
Производственная программа: 1 шт.
Материал: поставщика.

Заказ 2778 (24.10.2017, Ярославская область). Резьбонакатной ролик и сектор. скачать чертежи (файл zip)
Производственная программа: 2 комплекта ВУ 1417-0102.
Материал: поставщика.

Заказ 2777 (23.10.2017, Калининградская область). Изделия по чертежам заказчика. скачать чертежи (файл zip)
Производственная программа: во вложении.
Материал: поставщика.
Доп. требования: Срок окончания подачи заявок - 31.10.2017. Готовые изделия должны быть одобрены ОТК Исполнителя. Просим указать возможность сборки указанных изделий на территории Калининградской области.

Заказ 2776 (20.10.2017, Калининградская область). Изготовление ножей. скачать чертеж (файл gif)
Производственная программа: 2 шт.
Материал: поставщика.

Заказ 2775 (18.10.2017, Рязанская область). Прошу рассмотреть техническую возможность и стоимость изготовления деталей по чертежам заказчика. скачать чертежи (файл zip)
Производственная программа: во вложении.
Материал: поставщика.

Заказ 2774 (18.10.2017, Рязанская область). Прошу рассмотреть техническую возможность и стоимость изготовления деталей по чертежам заказчика. скачать чертежи (файл zip)
Производственная программа: во вложении.
Материал: поставщика.

Заказ 2773 (15.10.2017, Ярославская область). Шлицевой вал. скачать чертеж (файл gif)
Производственная программа: 4 шт.
Дополнительные условия: Предложения принимаются до 19.10. (включительно)

Заказ 2772 (10.10.2017, Ярославская область). Поставка червячного колеса и вала. скачать чертежи (файл zip)
Производственная программа: 4 комплекта.
Дополнительные условия: Предложения принимаются до 16.10.

Заказ 2771 (06.10.2017, Ульяновская область). Диск переднего тормоза (отливка). скачать чертежи (файл zip)
Производственная программа (годовой объём): - Диск переднего тормоза (отливка) 42000.236020-3501076 - 10 000 шт., Диск переднего тормоза (отливка) 3160-3501076 - 22 000 шт., Диск переднего тормоза (отливка) 3302-3501078-10 - 20 000 шт.
Материал: поставщика

Заказ 2770 (06.10.2017, Ярославский область). ВАЛКИ. скачать чертежи (файл zip)
Производственная программа: 10 шт.
Дополнительные условия: Предложения принимаются до 10.10.

<Заказ 2769 (05.10.2017, Украина). Требуются поставщики в отрасли производства деталей из листового проката с применением лазерной резки/ гибки. (без чертежа)
Доп. требования: ищем предприятия, которые производят отдельные детали либо сварные узлы из листового проката толщиной 1-10 мм. При производстве интересующих нас деталей чаще всего необходимо выполнение следующих технологических операций: лазерная резка, гибка на станках с ЧПУ, сверление, нарезка резьбы, сварка, нанесение защитных покрытий (жидкая покраска, порошковая покраска, гальваническое покрытия на основе цинка). Приветствуется возможность выполнения токарных и фрезерных работ. Пакет деталей с чертежами и потребностями будет отправлен потенциальному поставщику для проработки после заполнения анкеты и подписания соглашения о конфиденциальности.

Заказ 2768 (05.10.2017, Ярославский область). Шарико-винтовая пара на немецкий станок BFP130/6. скачать чертежи (файл zip)
Производственная программа: 1 шт.
Дополнительные условия: Предложения принимаются до 09.10.

Заказ 2767 (05.10.2017, Московская область). Изготовление изделий по чертежам заказчика. скачать чертежи (файл zip)
Производственная программа: Чертежи с указанным количеством во вложении.

Заказ 2766 (04.10.2017, Ярославская область). Барабан для парового котла с внутрибарабанным устройством. скачать чертежи (файл zip)
Производственная программа: 1 шт.
Дополнительные условия: Предложения принимаются до 17.10.2017г.

Заказ 2765 (04.10.2017, Ярославская область). Барабан. скачать чертеж (файл pdf)
Производственная программа: 1 шт.
Дополнительные условия: Края футеровки должны быть закреплены. Предложения принимаются до 08.10. 2017 г.

Заказ 2764 (04.10.2017, Ярославская область). Калибр по чертежу. скачать чертеж (файл pdf)
Производственная программа: 1 шт.
Дополнительные условия: Все размеры соответствуют, кроме внутреннего диаметра. Внутренний диаметр требуется на 27 ( по чертежу 28 )

Заказ 2763 (04.10.2017, Ярославская область). Изготовление модульных червячных фрез по чертежам. скачать чертежи (файл zip)
Производственная программа: по 1 шт.
Дополнительные условия: Предложения принимаются до 12.10.2017.

Заказ 2762 (02.10.2017, Ярославская область). Изготовление и поставка деталей согласно прилагаемых чертежей по операции плазменная резка и гибка. скачать чертежи (файл zip)
Производственная программа: 10 комплектов в месяц (полный перечень во вложении).
Материал: указан в чертеже, поставщика.
Дополнительные условия: вся номенклатура поставляется одним поставщиком.

Заказ 2761 (29.09.2017, Калининградская область). Изготовление рейки зубчатой. скачать чертежи (файл pdf)
Производственная программа: 2 шт.
Материал: поставщика

Заказ 2760 (28.09.2017, Ростовская область). Прошу рассмотреть возможность изготовления сборочных изделий необходимых для сборки производимых нами станков. скачать чертежи (файл zip)
Производственная программа: для первоначального исполнения планируем разместить заказ в следующем количестве: 080 Рельсовый блок – 10кмпл; 090 Рельсовый блок – 10кмпл;

Заказ 2759 (26.09.2017, Ульяновск). Изготовление деталей по чертежам заказчика (порошковая металлургия). скачать чертежи (файл zip)
Производственная программа: годовой объём каждой позиции по 60 000 шт.
Материал: поставщика.
Цена: 1). 469-1701173-01 – направляющая пружины (Проходная цена 1,60руб без НДС), 2). 469-1701171-01 - сухарь (Проходная цена 7,22 руб. без НДС)

Заказ 2758 (21.09.2017, Рязанская область). Прошу рассмотреть техническую возможность и стоимость изготовления опоры клиновой 130 ост 2 р79-1-78. (без чертежа)
Производственная программа: 64 шт.
Материал: поставщика.

Заказ 2757 (21.09.2018, Ярославская область). Хромирование изделий (срочный заказ). скачать чертежи (файл zip)
Производственная программа: Прошу рассмотреть возможность расхромирования и хромирования следующих деталей: полуформа внутренняя ч, ИТ 4949.04.000 -1 шт. и кольцо бортовое наружное ч. ИТ 4949,00.004 - 1 шт., а так же только хромирование деталей: кольцо бортовое внутреннее ч. ИТ 4949.00.002 - 1 шт., кольцо внутреннее ч. ИТ 4949.00.002 - 1 шт.

Заказ 2756 (15.09.2017, Рязанская область). Прошу рассмотреть техническую возможность и стоимость изготовления изделий (штамп). скачать чертежи (файл zip)
Производственная программа: во вложении.
Материал: поставщика.

Заказ 2755 (15.09.2017, Рязанская область). Прошу рассмотреть техническую возможность и стоимость изготовления изделий (оправка). скачать чертежи (файл zip)
Производственная программа: во вложении.
Материал: поставщика.

Заказ 2754 (15.09.2017, Москва). Необходимо изготовить образцы для контроля качества дефектоскопических материалов. скачать чертежи (файл zip)
Производственная программа: Разово планируется заказать 100 образцов, далее с такой же периодичностью один раз в квартал.
Материал: поставщика.
Доп. требования: Общее описание образцов содержится здесь http://ntcexpert.ru/cd/cd1 . Варианты изготовления таких образцов содержатся в: Приложении 3 ПНАЭ Г-7-018-89, • В документах из приложения. Эти технологии были написаны достаточно давно. Не обязательно строго им следовать. Знаю что сейчас есть более современные методы в т.ч. электроэрозия и химические методы типа фтор + азот. Используя любой метод изготовления надо соблюсти требования к размеру трещин которые можно найти в разделе 3.1 ПНАЭ Г-7-018-89. Исполнителю планируется поручить весь цикл начиная с заготовок, заканчивая гибкой и паспортизацией. Для последнего этапа желательно иметь микроскоп или иной прибор для измерения трещин размером менее 1 мкм. Здесь образец паспорта. В приложении чертежи заготовок. Размеры заготовок не строгие, от них можно отклоняться если это понадобится по технологии. Более всего нужны образцы 2го класса. 1й класс востребован менее, 3й еще меньше. Разово планируется заказать 100 образцов, далее с такой же периодичностью один раз в квартал. До серийного производства обязательно понадобится опытный образец.
Цену изделия хотелось бы услышать от потенциальных исполнителей

Заказ 2753 (14.09.2017, Рязанская область). Прошу рассмотреть техническую возможность и стоимость изготовления изделий. скачать чертежи (файл zip)
Производственная программа: во вложении.
Материал: поставщика.

Заказ 2752 (14.09.2017, Рязанская область). Прошу рассмотреть техническую возможность и стоимость изготовления изделий. скачать чертежи (файл zip)
Производственная программа: во вложении.
Материал: поставщика.

Заказ 2751 (13.09.2017, Рязанская область). Прошу рассмотреть техническую возможность и стоимость изготовления Стеллажа для хранения 84А1533-9М134.000 СБ. скачать чертежи (файл pdf)
Производственная программа: 2 шт.
Материал: поставщика.

Заказ 2750 (13.09.2017, Московская область). Запрос на изготовление закладных деталей. скачать чертежи (файл zip)
Производственная программа: во вложении.

Заказ 2749 (13.09.2017, Рязанская область). Прошу рассмотреть техническую возможность и стоимость изготовления Станины тиснения. 550-220-100. скачать чертежи (файл jpg)
Производственная программа: 2 шт.
Материал: поставщика.

Заказ 2748 (11.09.2017, Рязанская область). Прошу рассмотреть техническую возможность и стоимость изготовления прибора, черт. № 2к6008-0035. скачать документы (файл zip)
Производственная программа: 1 шт.
Материал: поставщика.

Заказ 2747 (05.09.2017, Рязанская область). Комплект протяжек скачать документы (файл zip)
Производственная программа: во вложенном файле.
Материал: поставщика.

Заказ 2746 (05.09.2017, Рязанская область). Резец дисковый скачать документы (файл zip)
Производственная программа: во вложенном файле.
Материал: поставщика.

Заказ 2745 (04.09.2017, Ростов-на-Дону). Колесо зубчатое скачать документ (файл jpg)
Производственная программа: 200 шт./месяц.
Материал: заказчика.
Оснастка: поставщика.

Заказ 2744 (01.09.2017, Рязанская область). Колесо зубчатое скачать документ (файл gif)
Производственная программа: 3 шт.
Материал: указан в чертеже, поставщика
Дополнительные условия: нет

Заказ 2743 (01.09.2017, Рязанская область). Колесо зубчатое скачать документ (файл gif)
Производственная программа: 3 шт.
Материал: указан в чертеже, поставщика
Дополнительные условия: нет

Заказ 2742 (01.09.2017, Рязанская область). Колесо зубчатое скачать документ (файл gif)
Производственная программа: 3 шт.
Материал: указан в чертеже, поставщика
Дополнительные условия: нет

Заказ 2741 (01.09.2017, Рязанская область). Колесо зубчатое скачать документ (файл gif)
Производственная программа: 3 шт.
Материал: указан в чертеже, поставщика
Дополнительные условия: нет

Заказ 2740 (01.09.2017, Рязанская область). Колесо зубчатое скачать документ (файл gif)
Производственная программа: 3 шт.
Материал: указан в чертеже, поставщика
Дополнительные условия: нет

Заказ 2739 (01.09.2017, Рязанская область). Колесо зубчатое скачать документ (файл gif)
Производственная программа: 3 шт.
Материал: указан в чертеже, поставщика
Дополнительные условия: нет

Заказ 2738 (01.09.2017, Рязанская область). Колесо зубчатое скачать документ (файл gif)
Производственная программа: 6 шт.
Материал: указан в чертеже, поставщика
Дополнительные условия: нет

Заказ 2737 (01.09.2017, Рязанская область). Колесо зубчатое скачать документ (файл gif)
Производственная программа: 6 шт.
Материал: указан в чертеже, поставщика
Дополнительные условия: нет

Заказ 2736 (01.09.2017, Рязанская область). Колесо зубчатое скачать документ (файл gif)
Производственная программа: 3 шт.
Материал: указан в чертеже, поставщика
Дополнительные условия: нет

Заказ 2735 (01.09.2017, Рязанская область). Колесо зубчатое скачать документ (файл gif)
Производственная программа: 3 шт.
Материал: указан в чертеже, поставщика
Дополнительные условия: нет

Заказ 2734 (01.09.2017, Рязанская область). Колесо зубчатое скачать документ (файл gif)
Производственная программа: 3 шт.
Материал: указан в чертеже, поставщика
Дополнительные условия: нет

Заказ 2733 (01.09.2017, Ярославская область). Вал входной скачать документ (файл gif)
Производственная программа: 20 шт./месяц
Материал: указан в чертеже, поставщика
Дополнительные условия: нет

Заказ 2732 (01.09.2017, Ярославская область). Втулка шлицевая скачать документ (файл gif)
Производственная программа: 20 шт./месяц
Материал: указан в чертеже, поставщика
Дополнительные условия: нет

Заказ 2731 (01.09.2017, Ярославская область). Шестерня скачать документ (файл gif)
Производственная программа: 20 шт./месяц
Материал: указан в чертеже, поставщика
Дополнительные условия: нет

Заказ 2730 (01.09.2017, Ярославская область). Шестерня скачать документ (файл gif)
Производственная программа: 20 шт./месяц
Материал: указан в чертеже, поставщика
Дополнительные условия: нет

Заказ 2729 (01.09.2017, Ярославская область). Муфта зубчатая скачать документ (файл gif)
Производственная программа: 20 шт./месяц
Материал: указан в чертеже, поставщика
Дополнительные условия: нет

Заказ 2728 (01.09.2017, Ярославская область). Полумуфта У.152.002-03 скачать документ (файл gif)
Производственная программа: 20 шт./месяц
Материал: указан в чертеже, поставщика
Дополнительные условия: нет

Заказ 2727 (01.09.2017, Ярославская область). Втулка зубчатая У.152.001-01 скачать документ (файл gif)
Производственная программа: 20 шт./месяц
Материал: указан в чертеже, поставщика
Дополнительные условия: нет

Заказ 2726 (01.09.2017, Ярославская область). Плита клапанной коробки скачать документ (файл gif)
Производственная программа: 20 шт./месяц
Материал: указан в чертеже, поставщика
Дополнительные условия: нет

Заказ 2725 (01.09.2017, Ярославская область). Плита вибромотора У.140.001-01 скачать документ (файл gif)
Производственная программа: 20 шт./месяц
Материал: указан в чертеже, поставщика
Дополнительные условия: нет

Заказ 2724 (01.09.2017, Ярославская область). Барабан тормозной скачать документ (файл gif)
Производственная программа: 20 шт./месяц
Материал: указан в чертеже, поставщика
Дополнительные условия: нет

Заказ 2723 (01.09.2017, Ярославская область). Палец скачать документ (файл gif)
Производственная программа: 20 шт./месяц
Материал: указан в чертеже, поставщика
Дополнительные условия: нет

Заказ 2722 (01.09.2017, Ярославская область). Шкив скачать документ (файл gif)
Производственная программа: 20 шт./месяц
Материал: указан в чертеже, поставщика
Дополнительные условия: нет

Заказ 2721 (01.09.2017, Ярославская область). Вал скачать документ (файл gif)
Производственная программа: 20 шт./месяц
Материал: указан в чертеже, поставщика
Дополнительные условия: нет

Заказ 2720 (01.09.2017, Ярославская область). Диск ручного тормоза скачать документ (файл gif)
Производственная программа: 20 шт./месяц
Материал: указан в чертеже, поставщика
Дополнительные условия: нет

Заказ 2719 (01.09.2017, Ярославская область). Адаптер скачать документ (файл gif)
Производственная программа: 20 шт./месяц
Материал: указан в чертеже, поставщика
Дополнительные условия: нет

Заказ 2718 (01.09.2017, Ярославская область). Втулка распорная скачать документ (файл gif)
Производственная программа: 20 шт./месяц
Материал: указан в чертеже, поставщика
Дополнительные условия: нет

Заказ 2717 (01.09.2017, Ярославская область). Шкворень скачать документ (файл gif)
Производственная программа: 20 шт./месяц
Материал: указан в чертеже, поставщика
Дополнительные условия: нет

Заказ 2716 (01.09.2017, Ярославская область). Сухарь скачать документ (файл gif)
Производственная программа: 20 шт./месяц
Материал: указан в чертеже, поставщика
Дополнительные условия: нет

Заказ 2715 (01.09.2017, Ярославская область). Полумуфта скачать документ (файл gif)
Производственная программа: 20 шт./месяц
Материал: указан в чертеже, поставщика
Дополнительные условия: нет

Заказ 2714 (01.09.2017, Ярославская область). Опора сферическая скачать документ (файл gif)
Производственная программа: 20 шт./месяц
Материал: указан в чертеже, поставщика
Дополнительные условия: нет

Заказ 2713 (01.09.2017, Ярославская область). Палец скачать документ (файл gif)
Производственная программа: 20 шт./месяц
Материал: указан в чертеже, поставщика
Дополнительные условия: нет

Заказ 2712 (01.09.2017, Ярославская область). Полумуфта. Вибровал с подшипником SKF скачать документ (файл gif)
Производственная программа: 20 шт./месяц
Материал: указан в чертеже, поставщика
Дополнительные условия: нет

Заказ 2711 (01.09.2017, Ярославская область). Шкив приводной скачать документ (файл gif)
Производственная программа: 20 шт./месяц
Материал: указан в чертеже, поставщика
Дополнительные условия: нет

Заказ 2710 (01.09.2017, Москва). Фрезерование оснований из дюрали согласно КД скачать документ (файл zip)
Производственная программа: 15 оснований.
Материал: дюраль Д16, материал предоставляется Заказчиком: заготовки 600х600х20 мм.
Срок исполнения: 2 недели с момента получения заготовок- оснований Поставщиком услуг.
Оплата: в рублях, безналичный расчет, предоплата/постоплата.
Доставка: силами Заказчика по указанному адресу Поставщика услуг.
Требования к поставщику:
Территориальное расположение Поставщика услуг: Владимирская обл., Московская обл., г.Москва.
Соблюдение сроков исполнения задания.
Качественное выполнение фрезерования в соответствии с КД (Приложение 1).

Заказ 2709 (01.09.2017, Ульяновская область). Изготовление опытных образцов изделия Мебельная опора угловая "хромированная" скачать документ (файл zip)
Производственная программа:
- образец №1: Опора угловая 120x120x52 (см. табл, поз.6) - в количестве 1 шт.
- образец №2:Опора угловая 280x280x36 (см.табл., поз.5) - в количестве 1шт.
будущая потребность мебельной фабрики будет составлять: от 700 до 1000 шт. в месяц.
Материал: лист 08пс, толщиной 1,2 … 1,5 мм (поставщика)
Покрытие "хром", "зеркальное никелирование" либо аналогичное, другое.
Зеркальность и оттенок серебра - согласно фото.
Использование "зеркальной" нержавеющей стали - тоже рассматривается, как замена операции "хромирования".
Дополнительные условия: Допускается изменение конструкции изделия, только без изменения основных параметров, указанных в "Таблице видов всех рассматриваемых опор на фабрике"
Проходная цена серийной продукции: 100 руб. - самая мелкая опора, 170 руб. - самая крупная (см.табл.) Проходная цена опытного образца - по договорённости с изготовителем. Транспортные расходы оплатим сами.
Работаем только с НДС. С Китаем - не работаем.


Заказ 2708 (30.08.2017, Калининградская область). Изготовление талрепа и насадки скачать документ (файл zip)
Производственная программа: Пока 5 штук (как образцы).
Материал: поставщика
Дополнительные условия: в чертеже Пластина ширину сделать 92 мм вместо 70 мм.

Заказ 2707 (25.08.2017, Московская область). Изделия по ГОСТ - винт, шайба, гайка скачать документ (файл pdf)
Производственная программа: во вложении.

Заказ 2706 (24.08.2017, Рязанская область). Изделия по чертежам заказчика скачать чертежи (файл zip)
Производственная программа: во вложении.
Доп. требования: Предоплата 50%.
Материал: поставщика.

Заказ 2705 (24.08.2017,Москва). 3д печать полиамид скачать чертежи (файл zip)
Производственная программа: Необходимо напечатать 5 комплектов изделий согласно чертежам, при положительном результате печати, будет заказ.
Материал: поставщика.

Заказ 2704 (24.08.2017, Рязанская область). Изделия по чертежам заказчика скачать чертежи (файл zip)
Производственная программа: во вложении.
Материал: поставщика.

Заказ 2703 (22.08.2017, Рязанская область). Прошу рассмотреть техническую возможность и стоимость изготовления изделий скачать чертежи (файл zip)
Производственная программа: во вложении.
Материал: поставщика.

Заказ 2702 (22.08.2017, Рязанская область). Прошу рассмотреть техническую возможность и стоимость изготовления изделий скачать чертежи (файл zip)
Производственная программа: во вложении.
Материал: поставщика.

Заказ 2701 (22.08.2017, Рязанская область). Прошу рассмотреть техническую возможность и стоимость изготовления изделий скачать чертежи (файл zip)
Производственная программа: во вложении.
Материал: поставщика.

Заказ 2700 (18.08.2017, Калининградская область). Изделия по чертежам заказчика. скачать чертежи (файл zip)
Производственная программа: предполагаемая серия на 2018 год - 3000 шт./год.
Материал: исполнителя (40Х или 45).
Доп. требования: необходимо изготовить опытные образцы по 2 единицы деталей каждого из чертежей

Заказ 2699 (14.08.2017, Рязанская область). Прошу рассмотреть техническую возможность и стоимость изготовления изделий (ролик резьбонакатной). скачать чертежи (файл zip)
Производственная программа: во вложении.
Материал: поставщика.

Заказ 2698 (10.07.2017, Ярославская область). Изготовление перфорированных обечаек.
Производственная программа: 1 комплект.
Срок изготовления: сентябрь 2017 г.
Доп. требования: Необходимо изготовить перфорированные обечайки в количестве одного комплекта (2шт.) КД и спецификация будут высланы конкретным исполнителям по запросу на эл. почту.

Заказ 2697 (09.08.2017, Рязанская область). Прошу рассмотреть техническую возможность и стоимость изготовления изделий. скачать чертежи (файл zip)
Производственная программа: во вложении.
Материал: поставщика.
Доп. требования: предоплата 50%.

Заказ 2696 (09.08.2017, Вологодская область). Пружины. скачать чертежи (файл zip)
Производственная программа: 1. Пружина Ф20мм 1.09.10-ПТМ 925/15.02.02.007 – 4шт., 2. Пружина Ф3мм 1.09.10-ПТМ 925/15.02.02.008 – 64шт., 3. Пружина Ф11мм ЗП-12,06-08.021 – 4шт.
Доп. требования: Прошу Вас проработать данную заявку и выставить счет в наш адрес.

Заказ 2695 (07.08.2017, Рязанская область). Прошу рассмотреть техническую возможность и стоимость изготовления изделий. скачать чертежи (файл zip)
Производственная программа: во вложении.
Материал: поставщика.

Заказ 2694 (07.08.2017, Рязанская область). Прошу рассмотреть техническую возможность и стоимость изготовления детали «Стакан» для компрессора. скачать чертежи (файл zip)
Производственная программа: 4 шт.
Материал: возможна замена стали 20Х13.

Заказ 2693 (07.08.2017, Ярославская область). Изготовления калибров. скачать чертежи (файл pdf)
Производственная программа: по 1шт. каждого наименования согласно приложенных чертежей.
Доп. требования: в случае положительного решения прошу направить в наш адрес коммерческое предложение.

Заказ 2692 (04.08.2017, Курская область). Изделия по чертежам заказчика. скачать чертежи (файл zip)
Производственная программа: во вложении.
Материал: поставщика.

Заказ 2691 (02.08.2017, Ульяновская область). Изделия по чертежам заказчика. скачать чертеж (файл jpg)
Производственная программа: Минимальные объёмы закупок 3160-1601187 кольцо упорное подшипника выключения сцепления – 800шт./мес.
Цена обговаривается отдельно. Ждём коммерческие предложения.

Заказ 2690 (02.08.2017, Ульяновская область). Изделия по чертежам заказчика. скачать чертеж (файл jpg)
Производственная программа: Минимальные объёмы закупок 3160-1601186 кожух подшипника выключения сцепления– 800шт./мес.
Цена обговаривается отдельно. Ждём коммерческие предложения.

Заказ 2689 (02.08.2017, Томская область). Запрос на поставку - лист стальной коррозионностойкий марок: 06ХН28МДТ и 12Х18Н10Т. скачать чертежи (файл zip)
Производственная программа: во вложении.
Доп. требования: запрос актуален до 04 августа 2017 года.

Заказ 2688 (01.08.2017, Рязанская область). Прошу рассмотреть возможность изготовления и стоимость детали «Дуга» черт. № 109.02.001.018. скачать чертеж (файл jpg)
Производственная программа: 4 шт.

Заказ 2687 (31.07.2017, Москва). Изготовление шайб (Шайба 10,5 - 30 -Ц-ОСТ 1 11497-74, Шайба 13 - 30- Ц-ОСТ 1 11497-74).
Производственная программа: 10-е – 10 000 шт, по цене 12 руб./шт., 13-е – 10 000 шт. по цене 15 руб./шт.

Заказ 2686 (31.07.2017, Ростовская область). Необходимо нанести цинковое покрытие (гальваника или термодиффузия). скачать чертеж (файл gif)
Производственная программа: 200 шт.
Доп. требования: Это готовое изделие. Необходимо нанести цинковое покрытие (гальваника или термодиффузия).

Заказ 2685 (31.07.2017, Ростовская область). Необходимо нанести цинковое покрытие (гальваника или термодиффузия). скачать чертежи (файл zip)
Производственная программа: 3000 шт.
Доп. требования: Это готовое изделие. Необходимо нанести цинковое покрытие (гальваника или термодиффузия).

Заказ 2684 (31.07.2017, Ульяновская область). Отливки. скачать чертежи (файл zip)
Производственная программа: Минимальные объёмы закупок отливок: 1. 31514-1601185 - 2000шт./мес. 2. 3160-1601185 – 800шт./мес. 3. 31604-1601185 – 800шт./мес. 4. 31605-1601185 -1500шт./мес.
Доп. требования: Чертежи даны на готовые изделия, нам необходима только отливка!!! Цена обговаривается отдельно. Ждём коммерческие предложения.

Заказ 2683 (28.07.2017, Москва). Требуется изготовить болванки ключей. Модель по ссылке
Производственная программа: Первая партия 10 шт. Дальнейшая потребность 100 шт.

Заказ 2682 (26.07.2017, Москва). Заказ на изготовление шестерен. скачать чертежи (файл zip)
Производственная программа: 4 вида шестерен по 400 шт. каждого наименования.
Доп. требования: 3D модели будут высланы дополнительно.
Материал: поставщика

Заказ 2681 (26.07.2017, Калининградская область). Изготовление деталей по чертежам заказчика (Зажим контактный). скачать чертежи (файл zip)
Производственная программа: до 200 комплектов в год.
Доп. требования: Вариант 1 – латунное литье с последующей механической обработкой. Вар. 2 – полностью механическая обработка из прутка латуни.

Заказ 2680 (26.07.2017, Москва). Проектирование и изготовление блок-контейнеров.
Производственная программа: 2 шт. по 12 м и 2 шт. по 9 м.
Доп. требования: Проектирование и изготовление блок-контейнеров, включая инженерные системы во взрывозащищенном исполнении, отвечающего следующим требованиям:
Габариты: 12,0 х 3,0 х 3,0
Класс взрывоопасной зоны по ПУЭ: - наружной площадки – В-1г; - внутри блока – В-1а;
Класс взрывоопасной зоны по НПБ 105- 2003 - А
Класс конструктивной пожарной опасности здания (табл. 5 СНиП 21-01-97*) – С0
Тип климатического исполнения блоков УХЛ1
Степень огнестойкости блоков (табл. 5 СНиП 31-03-2001) – I
Климатические условия: Минимальная температура воздуха,°C – минус 54
Максимальная температура воздуха, °C – плюс 36 Температура самой холодной пятидневки обеспеченностью 0,92, °C - минус 35
Нормативное значение ветрового давления, кПа – 0,3
Расчетное значение веса снегового покрова, кПа – 3,2
Расчетная сейсмичность района размещения в баллах шкалы MSK-64 - 5.

Заказ 2679 (26.07.2017, Калининградская область). Необходимо изготовить детали, указанные в приложении. скачать чертежи (файл zip)
Производственная программа: во вложении.
Доп. требования: Просим подготовить коммерческое предложение со следующими данными: 1. Изготовление изделий под ключ, включая расходы Поставщика на материалы; 2. Стоимость самих работ Поставщика, материал будет давальческий.

Заказ 2678 (24.07.2017, Рязанская область). Изделия по чертежам заказчика. скачать чертежи (файл zip)
Производственная программа: 7127 - 8 шт., 2441 - 6 шт.
Материал: исполнителя.

Заказ 2677 (21.07.2017, Рязанская область). Изготовление кулачков. скачать чертежи (файл zip)
Производственная программа: 20 комплектов в квартал.
Материал: исполнителя.

Заказ 2676 (19.07.2017, Московская область). Изготовление шайб (Шайба 10,5 - 30 -Ц-ОСТ 1 11497-74,Шайба 13 - 30- Ц-ОСТ 1 11497-74).
Производственная программа: 10-е – 2000 шт, по цене 12 руб./шт. 13-е – 200 шт. по цене 15 руб./шт.
Доп. информация: перспектива заказа - Шайба 10,5 - 30 -Ц-ОСТ 1 11497-74 – 10 000 шт.Шайба 13 - 30- Ц-ОСТ 1 11497-74 – 10 000 шт.

Заказ 2675 (13.07.2017, Москва). Производство оснастки Скачать чертеж (файл pdf)
Производственная программа: 50 комплектов, комплект из 7 деталей
Материал: 12Х18Н10Т (заказчика)
Доп. информация: единоразовая партия

Заказ 2674 (13.07.2017, Москва). Изготовление комплекта из 2-х деталей Скачать чертеж (файл zip)
Производственная программа:
Изделие 1 -Пробка латунная. Наружный диаметр - 2мм., высота -1мм. 2000 штук
Изделие 2 Шайба латунная. Наружный диаметр - 4,5 мм., высота -2.9мм. отверстие 0.18мм - 2000 штук
Материал: латунь (поставщика)
Доп. информация: единоразовая партия

Заказ 2673 (13.07.2017, Московская область). Изготовление эксцентрика Скачать чертеж (файл zip)
Производственная программа: по 200 штук
Материал: лс59
Доп. информация: уложиться желательно до 24 июля

Заказ 2672 (13.07.2017, Московская область). Изготовление деталей Скачать чертеж (файл zip)
Производственная программа: дана в файле 2672.zip
Материал: исполнителя
Доп. информация: Просьба при расчете учесть, что требуется изготавливать деталь Ребро АМШС.ПР6.02.00.001в двух исполнениях, 8 шт, согласно чертежу и оставшиеся 8 шт. в зеркальном отражении, дело в том что дальнейшей обработке контур детали подвергаться не будет, а эти детали образуют собой колонну, что влечет за собой идентичный контур по обеим сторонам колонны.

Заказ 2671 (13.07.2017, Московская область). Диск колесный Скачать чертеж (файл pdf)
Производственная программа: 800 шт./год
Материал: 09Г2С, диаметр - 359 мм, толщина - 25 мм.
Доп. информация: нет

Заказ 2670 (12.07.2017, Московская область). Клапан дозатора Скачать чертеж (файл png)
Производственная программа: 10 шт., в дальнейшем планируется объём от 100 шт.
Материал: исполнителя.
Доп. информация: в комплекте с заказом 2669.

Заказ 2669 (12.07.2017, Московская область). Корпус седла дозатора Скачать чертеж (файл png)
Производственная программа: 10 шт., в дальнейшем планируется объём от 100 шт.
Материал: исполнителя.
Доп. информация: в комплекте с заказом 2670.

Заказ 2668 (12.07.2017, Московская область). Одноместная форма для производства блистеров из пластика толщиной 500 мкм. Скачать чертежи 3D модели (файл zip, формат 3D модели stl + эскиз)
Производственная программа: 1 шт.
Материал: исполнителя.
Доп. информация: Бюджет 25 000 рублей + стоимость вырубного штампа 4000-4500 рублей.

Заказ 2667 (12.07.2017, Московская область). вакуумная закалка (газ) с последующим отпуском.
Производственная программа: небольшие детали с максимальным размером диаметр 8 на 50 мм., общее количество приблизительно 15 000 шт., общий вес около 150 кг.
Материал: 40Х13,20Х13.
Доп. информация: Предпочтительно Москва и МО.

Заказ 2666 (11.07.2017, Рязанская область). Изготовление деталей. Скачать чертежи (файл zip), скачать программу (файл pdf)
Производственная программа: дана в приложении.
Материал: исполнителя.
Доп. информация: мелкая серия, возможно изготовление только отдельных деталей.

Заказ 2665 (11.07.2017, Рязанская область). Изготовление деталей. Скачать чертежи (файл zip), скачать программу (файл pdf)
Производственная программа: дана в приложении.
Материал: исполнителя.
Доп. информация: мелкая серия, возможно изготовление только отдельных деталей.

Заказ 2664 (10.07.2017, Ярославская область). Изготовление пружин. Скачать чертежи (файл zip), скачать программу (файл pdf)
Производственная программа: дана в приложении.
Материал: исполнителя.
Доп. информация: нужны цены исходя из заказа на месяц, на квартал. Годовой объем был указан. Далее нужны опытные партии пружин, 6 шт. каждого вида для проверки качества, возможно изготовление только некоторых пружин.

Заказ 2663 (06.07.2017, Ярославская область). Изготовление комплектов деталей. Скачать чертежи гребенки (файл zip), Скачать чертежи изделий Л-211 (файл zip), фотография изделия (файл jpg), Скачать 3D модель гребенки (файл zip)
Производственная программа: 20 комплектов каждого вида.
Материал: исполнителя.
Доп. информация:
1-й комплект (состоит из трех секций):
Гребень вх. площадки по черт.Л-21186 (материал 65Г)

2-й комплект (состоит из двух секций):
Гребень площадки входной М-1965А (материал 20ХГС)
Гребень площадки входной М-1966А (материал 20ХГС).

Заказ 2662 (06.07.2017, Рязанская область). Изготовление деталей. Скачать чертежи (файл zip)
Производственная программа: 50-300 шт каждого вида в месяц - квартал.
Материал: исполнителя.
Доп. информация: Возможна только сверловка.

Заказ 2661 (06.07.2017, Московская область). Изготовление втулок. Скачать чертежи (файл zip)
Производственная программа: 5000 шт. в месяц.
Материал: исполнителя.
Доп. информация: Полировать не обязательно. Можно спокойно добиться хорошей чистоты из под резца - нужно чтоб не было рисок.

Заказ 2660 (06.07.2017, Московская область). Комплект деталей. Скачать чертежи (файл zip)
Производственная программа: 5 комплектов
Материал: исполнителя.
Доп. информация: На каждом чертежей указанно количество на комплект.

Заказ 2659 (06.07.2017, Московская область). Изделия из инструментальной стали. Скачать чертежи (файл zip)
Производственная программа: 3 набора
Материал: инструментальная сталь или подобная.
Доп. информация: 3D модели в наличии. При необходимости готовы доработать под конкретного производителя.
Можно все наборы или детали одного из изделий.

Заказ 2658 (06.07.2017, Московская область). Гильза для мотора. Скачать фотографии конечного изделия (файл zip)
Производственная программа: партия гильз для мотора (5-10 шт.) шт.
Материал: поставщика.
Доп. информация: нужны токарная обработка и шлифовка с хонингованием.
Есть возможность передать образец.
Возможно предоставление давальческого материала.
3D модель будет выслана чуть позднее.

Заказ 2657 (05.07.2017, Московская область). Пресс-форма. Скачать изображение конечного изделия (файл zip)
Производственная программа: 1 шт.
Материал: поставщика.
Доп. информация: диаметр 100 мм., высота 80 мм., 3D модель будет выслана по запросу.

Заказ 2656 (03.07.2017, Москва). Изготовление комплектов деталей. Скачать чертежи (файл zip)
Производственная программа 2000 комплектов в год.
Первая поставка 410 комплектов разбита на 3 этапа:
10 комплектов пробная партия
200 комплектов поставка конец июля
200 комплектов поставка конец августа
Материал: поставщика.
Доп. требования: доставка за счет заказчика
Проходные цены по запросу.
Так же есть потребность изготовления большой партии в июле-августе.

Заказ 2655 (26.06.2017, Тамбовская область). Шланг высокого давления. Скачать чертежи (файл zip), описание изделия (файл doc)
Производственная программа: 2000 шт.
Материал: поставщика.
Доп. требования: нет.

Заказ 2654 (23.06.2017, Москва). Фильеры и преформы. Скачать чертежи (файл zip)
Производственная программа: пробная партия 6 комплектов, обсуждение серийной поставки после оценки качества.
Материал: поставщика.
Доп. требования: срочный заказ, весь объем работ должен быть выполнен одним поставщиком.

Заказ 2653 (22.06.2017, Московская область). Заказа на изготовление панели. Скачать чертежи (файл zip)
Производственная программа: опытная 1 шт., далее первая партия 100 шт. После удачного прохождения испытаний партия будет увеличена от 500 шт. и больше.
Материал: пластик, поставщика.
Доп. требования: 3D модель будет предоставлена потенциальному изготовителю.

Заказ 2652 (19.06.2017, Ярославская область). Необходимо - услуги по химическому покрытию деталей. В частности нужна услуга по цинкованию наших изделий. (без чертежа)
Доп. требования: предприятия поставщики преимущественно из Ярославской или ближайших областей

Заказ 2651 (15.06.2017, Ульяновская область). Резино-технические изделия. Скачать чертежи (файл zip)
Производственная программа: во вложении.
Материал: поставщика.
Цена: во вложении

Заказ 2650 (14.06.2017, г.Москва). Заказа на изготовление турников и фланцев. Скачать чертежи (файл zip)
Производственная программа: по 1000 шт. каждого.
Материал: поставщика.

Заказ 2649 (13.06.2017, г. Ульяновск). Изготовление изделий по чертежам заказчика. Скачать чертежи (файл zip)
Производственная программа: во вложении.
Материал: поставщика.
Цена: во вложении.

Заказ 2648 (13.06.2017, Московская область). Рамка 1-37-Ц ГОСТ 18176-79. (без чертежа)
Потребность: 30 шт.
Материал: поставщика

Заказ 2647 (13.06.2017, Московская область). Ремень-штрипка 2К-35х500-Ц ГОСТ 18176-79. (без чертежа)
Потребность: 15 шт.
Материал: поставщика

Заказ 2646 (13.06.2017, Московская область). Напряжник I-2К-35х500-Ц ГОСТ 18176-79. (без чертежа)
Потребность: 15 шт.
Материал: поставщика

Заказ 2645 (13.06.2017, г. Ульяновск). Изготовление изделий по чертежам заказчика. Скачать чертежи (файл zip)
Производственная программа: ориентировочная потребность: Барабан 469-3501070 - 7900 шт. в год.Барабан 3302-3502070 – 1400 шт. в год.
Материал: поставщика.
Цена: Барабан 469-3501070 – 418,50 руб. без НДС за шт.Барабан 3302-3502070 – 688,20 руб. без НДС за шт.

Заказ 2644 (06.06.2017, Ярославская область). Стальное литьё по выплавляемой модели - по чертежу. Скачать чертежи (файл zip)
Производственная программа: Разовая потребность 250-300 шт. либо ежемесячная - 30 шт.
Материал: поставщика.

Заказ 2643 (05.06.2017, Вологодская область). Болт стяжной. Скачать чертежи (файл gif)
Производственная программа: 10 000 шт. в год, пробная партия 50 шт.
Материал: поставщика.

Заказ 2642 (05.06.2017, Москва). Изготовление деталей по чертежам заказчика. Скачать чертежи (файл zip)
Производственная программа: Крючок Б - 50 шт., Флажок - 50 шт.
Материал: Ст 3 черн. Железо.

Заказ 2640 (02.06.2017, Московская область). Для своевременного выполнения Государственного контракта года просим Вас рассмотреть возможность производства изделий изготавливаемых по кооперации (Первый образец) по чертежам заказчика, согласно данным таблицы КОПП, по МЛ (1-образец) (приложени).В случае Вашей заинтересованности чертежи заказчика будут переданы в Ваш адрес после подписания соглашения о конфиденциальности.Изделия должны поставляться под контролем ВП с приёмкой «5», быть текущего года выпуска, в российском исполнении, с документацией на русском языке.При положительном решении просим Вас сообщить ориентировочную стоимость и срок производства. Приложение (файл xlsx)
Дополнительно просим Вас для обоснования стоимости изделий направить в наш адрес Заключение ВП МО РФ и расчетно-калькуляционные материалы на ориентировочные цены, оформленные в соответствии с требованиями Приказа ФСТ России от 24.03.2014г. № 469-а.

Заказ 2639 (02.06.2017, Московская область). Прошу рассмотреть возможность изготовления изделия Крышка (чертеж во вложении). Скачать чертежи (файл gif)
Производственная программа: 4 шт.
Материал: поставщика.

Заказ 2638 (02.06.2017, Ярославская область). Прошу рассмотреть возможность, стоимость и сроки изготовления следующих деталей: Сегмент УМРД.100-014 (200 шт.), Червячный вал УМРД.100-008-01 (200 шт.), Червячный вал УМРД.100-010 (200 шт.) и Шестерня УМРД.100-009 (200 шт.) согласно прилагаемых чертежей. Скачать чертежи (файл zip)
Материал: поставщика.

Заказ 2637 (28.05.2017, Ярославская область). Необходимо выставить коммерческое предложение на изготовление сборочных узлов Патрубок 302661.004-09СБ и Патрубок 302661.008-09СБ. Скачать чертежи (файл zip)
Производственная программа: по 1 шт.

Заказ 2636 (25.04.2017, Московская область). Заказ на закупку редуктора CTD 2100.1 Brevini (Италия). (без чертежа)
Потребность: 6 шт.

Заказ 2635 (18.05.2017, Московская область). Изготовление изделий с военной приемкой. Скачать чертеж (файл pdf)
Доп. требования: для своевременного выполнения Государственного контракта просим Вас рассмотреть возможность производства изделий по чертежам заказчика, согласно данным таблицы № 1 (приложение к письму). В случае Вашей заинтересованности чертежи заказчика будут переданы в Ваш адрес после подписания соглашения о конфиденциальности. Изделия должны поставляться под контролем ВП с приёмкой «5», быть текущего года выпуска, в российском исполнении, с документацией на русском языке. При положительном решении просим Вас сообщить ориентировочную стоимость и срок производства. Дополнительно просим Вас для обоснования стоимости изделий направить в наш адрес Заключение ВП МО РФ и расчетно-калькуляционные материалы на ориентировочные цены, оформленные в соответствии с требованиями Приказа ФСТ России от 24.03.2014г. № 469-а.

Заказ 2634 (18.05.2017, Курганская область). Изготовление втулки. Скачать чертеж (файл jpg)
Производственная программа: 1000 шт.
Материал: поставщика.

Заказ 2633 (16.05.2017, Ярославская область). Стальное литьё по выплавляемой модели- по чертежу. Скачать чертежи (файл zip)
Производственная программа: разовая потребность 250-300 шт. либо ежемесячная - 30 шт.
Материал: поставщика.

Заказ 2632 (15.05.2017, Ярославская область). Изготовление червяка (шнека). Скачать чертеж (файл pdf)
Производственная программа: 10 штук.
Материал: поставщика.

Заказ 2631 (12.05.2017, Ярославская область). Штампы СРОЧНО. Скачать чертежи (файл zip)
Производственная программа: во вложении.
Доп. требования: Требуется изготовить штампы по указанной цене в указанные сроки.
Контрактный срок сдачи штампов: 01.06.2017
Сообщите минимальные сроки поставки 1-го штампа.
Готовы разместить часть заказа (1-2 штампа), чтобы изготавливать их параллельно.
Имеется комплект чертежей в КОМПАС График.

Заказ 2630 (12.05.2017, Владимирская область). Срочно требуются запчасти (ножи) для восстановления производственного оборудования. Скачать чертежи (файл zip)
Производственная программа: Необходимо изготовить ножи в количестве 3 шт.
Доп. требования: срочно требуются запчасти для восстановления производственного оборудования. Необходимо изготовить ножи в количестве 3 шт. согласно чертежам во вложенных файлах (либо рассмотрим имеющиеся в наличии ножи других размеров, которые подойдут по углу заточки (плюс/мину 3 градуса) и по посадочным местам). Возможные марки стали - 9ХС, 6ХС, 6ХВ2С либо по рекомендации изготовителя. Ножи будут использоваться в рубильной установке для рубки сухого пиломатериала. Просим рассчитать стоимость и рассмотреть возможность изготовления ножей в максимально короткие сроки. Заранее признательны Вам за понимание и оперативность!.

Заказ 2629 (12.05.2017, Ярославская область). Необходима: обработка сквозных внутренних поверхностей "эллипсообразной" формы Скачать чертежи (файл zip)
Материал: заказчика
Производственная программа: 30 шт. в месяц
Доп. требования: обработка сквозных внутренних поверхностей "эллипсообразной" формы с max диаметром до 94,3 мм и min диаметром 86,5 мм на длине 36 мм. Технические требования к поверхности: отклонения от формы и расположения - не более 0,02 по всем параметрам. Шероховатость Ra - не более 0,63. И еще, если нужна программа Quick Sales, то можно установить. Тогда с перепиской проблем не будет.

Заказ 2628 (05.05.2017, Ульяновская область). Кольцо сальника скользящей вилки карданного вала внутреннее 420. 3741-2201088 Скачать чертеж (файл gif)
Материал: поставщика
Производственная программа: ориентировочная потребность = 250 000 шт. в год
Цена: 0,91 руб. без НДС за шт.

Заказ 2627 (03.05.2017, Московская область). Изготовление манекена Скачать рисунок и техническое задание (файл doc)
Производственная программа: 1 шт. (разовый заказ).
Требования: Трехмерный посадочный манекен по ГОСТ 20304-90 для определения параметров пассажирского помещения и посадочных мест на натурном образце автотранспортного средства для проверки соответствия их параметров, установленным в конструкторской документации.
Особые условия: Конечное изделие должно быть поверено силами изготовителя или заказчика. В случае, если изделие не сможет пройти поверку, контракт признается не исполненным.

Заказ 2626 (02.05.2017, Ярославская область). Изготовление тормоза 16-4903-05 Скачать чертеж (файл gif)
Производственная программа: 10 шт. (разовый заказ).

Заказ 2625 (02.05.2017, Ярославская область). Изготовление тормоза 16-4903-07 Скачать чертеж (файл gif)
Производственная программа: 40 шт. (разовый заказ).

Заказ 2624 (27.04.2017, Московская область). Заказ на закупку стали 18ХГНМФР разных толщин от 8 мм до 40 мм. (без чертежа)
Доп. требования: Под заказ данная сталь продается от 20 тонн. Наша организация заинтересована в поиске заводов (компаний) у которых данная марка стали есть в наличии в остатках на складах.

Заказ 2623 (25.04.2017, Московская область). Услуги гибки изделия Крышка _ У22.01.СШ1-01.1100.003. Скачать чертежи (файл zip)
Производственная программа: 1 шт. (опытное изделие).
Доп. требования: Прошу Вас рассчитать стоимость оказания услуги гибки изделия Крышка _ У22.01.СШ1-01.1100.003 в количестве 1 шт. (опытное изделие), согласно чертежа. Раскрой детали выполняет заказчик. Необходимо выполнить только гибку. Прошу Вас в КП указать стоимость гибки (+срок) и отдельной строкой прописать стоимость транспортных услуг = забор груза от заказчика и доставка готового изделия.

Заказ 2622 (24.04.2017, Ярославская область). Изделия по чертежам заказчика. Скачать чертежи (файл zip)
Производственная программа: 25 комплектов в месяц.
Материал: поставщика.

Заказ 2621 (24.04.2017, Ярославская область). Ротор. Скачать чертежи (файл zip)
Производственная программа: 60 комплектов в месяц.
Материал: поставщика.

Заказ 2620 (19.04.2017, Калининградская область). Изготовление коленчатого вала. Скачать чертеж (файл pdf)
Производственная программа: опытный образец.
Материал: поставщика.
Доп. требования: это будет опытный образец. Применение в авистроительной промышленности (новая разработка). После проверки и измерений, в случае удовлетворения требований, будут обсуждаться контрактные обязательства с потенциальным поставщиком.

Заказ 2619 (11.04.2017, Орловская область). Изделия по чертежам заказчика. Скачать чертежи (файл zip)
Производственная программа: во вложении.
Материал: материал поставщика.

Заказ 2618 (11.04.2017, Москва). Обечайка ЦПВК.742212.002. Скачать чертежи (файл zip)
Производственная программа: 3 шт.
Доп. требования: Просим вас рассмотреть возможность открытия спецсчёта и изготовления следующих изделий с приёмкой ВП: Обечайка ЦПВК.742212. КД на указанные изделия прилагаю во вложении. Цены должны быть подтверждены заключением ВП МО РФ.

Заказ 2617 (05.04.2017, Татарстан). Прошу рассчитать стоимость изготовления изделия по чертежам: «Труба циркуляции азота на EPL-50» Скачать чертеж (файл gif)
Производственная программа: 1 шт.
Доп. требования: прошу рассмотреть возможность изготовления данного изделия в трёх вариантах:
1. Фланцы воротниковые под сварку, как на чертеже;
2. Фланцы свободно вращающиеся;
3. Фланцы резьбовые.

Заказ 2616 (04.04.2017, Московская область). Пусковая установка неуправляемых ракет (без чертежа)
Производственная программа: 2 шт. опытная партия
Материал: Поставщика
Доп. требования: Наличие закрепленного за поставщиком военного представителя МО РФ, - наличие сертификата СМК ISO 9001, действующего на весь период поставки; наличие лицензии, с соответствующим классом ЕКПС1055, предусмотренной Федеральным законом от 4 мая 2011 г. № 99-ФЗ «О лицензировании отдельных видов деятельности», обоснование стоимости изделий - Заключение ВП МО РФ и расчетно-калькуляционные материалы, оформленные в соответствии с требованиями Приказа ФСТ России от 24.03.2014г. № 469-а.
Оснастка: Поставщика
Объем заказа: свыше 1 миллиона рублей

Заказ 2615 (03.04.2017, Республика Молдова/Приднестровье). Изготовление и поставка металлоконструкций согласно перечню и чертежам Скачать чертежи (файл zip)
Разовый заказ
Доп. требования: просьба рассмотреть до 10 апреля 2017 года с указанием стоимости, сроков поставки и условий оплаты.

Заказ 2614 (03.04.2017, Московская область). Гибка металла.Скачать чертежи (файл gif)
Раскрой детали выполняет заказчик
Необходимо выполнить только гибку.
Разовый заказ - 1 штука
Доп. требования: нет

Заказ 2613 (31.03.2017, Московская область). Изготовление штампов.Заказ закрыт Скачать чертежи (файл zip)
Начальная (максимальная) цена каждой единицы продукции Скачать файл в формате doc
Материал: поставщика.
Доп. требования: нет

Заказ 2612 (29.03.2017, Московская область). Услуги лазерной резки.
Габариты рабочей зоны 1500(2000)х4000 мм
Материал: заказчика.
Доп. требования: Расположение Москва и МО (ближе к Москве).

Заказ 2611 (24.03.2017, Московская область). Заказ на поставку металла с особыми требованиями
Интересуют:
Наличие и цены
Количество от одного листа (2000х6000 мм) до 10 тонн.
Лист 09Г2С толщиной 3 мм холоднокатаный,
- нормальной плоскостности
- улучшенной
- высокой
- особо высокая

Заказ 2610 (23.03.2017, Ленинградская область). Изделия по чертежам заказчика.Скачать чертежи
Производственная программа: во вложении.
Материал: поставщика.
Доп. требования: просьба рассмотреть возможность изготовления и сделать КП.

Заказ 2609 (22.03.2017, Калужская область). Прошу рассмотреть возможность отливки заготовок в землю согласно прилагаемому эскизу.Скачать чертеж
Производственная программа: ежемесячная потребность 160 шт.
Материал: поставщика.
Доп. требования: в ТКП необходимо указать стоимость формы, стоимость заготовки.

Заказ 2608 (21.03.2017, Москва). Передняя закладная (Штамповка).Скачать чертеж
Производственная программа: необходимое количество 10.000 - 20.000 шт.
Материал: поставщика.

Заказ 2607 (17.03.2017, Орловская область). Ротор КМ-4000.Скачать чертежи
Производственная программа: необходимое количество 15 шт.
Доп. требования: материал, сборка - поставщик.

Заказ 2606 (16.03.2017, Орловская область). Изделия по чертежам заказчика.Скачать чертежи
Материал: поставщика
Производственная программа: во вложении.

Заказ 2605 (15.03.2017, Калининградская область). Изделия по чертежам заказчика (вал).Скачать чертежи
Материал: поставщика
Производственная программа: 1. Чертеж 0.01 - 400 шт. в год; 2. Чертеж 0.02 - 350 шт. в год; 3. Чертеж 0.03 - 400 шт. в год; 4. Чертеж 0.04 - 400 шт. в год; 5. Чертеж 0.05 - 300 шт. в год; 6. Чертеж 0.06 - 300 шт. в год.
Доп. требования: данное количество необходимо изготовить в течение года, планомерная загрузка до конца года, срок начала работ - не позднее первой половины августа 2017 года.

Заказ 2604 (14.03.2017, Московская область). Изделия хомут.Скачать чертеж
Материал: поставщика
Производственная программа: во вложении.
Доп. требования: при положительном решении просим Вас сообщить ориентировочную стоимость и срок производства. Продукция должна быть текущего года выпуска, в российском исполнении, с документацией на русском языке
Цена: проходная стоимость от 20 до 50 рублей за штуку.

Заказ 2603 (13.03.2017, Ульяновской области). Изготовление изделий по чертежам заказчика.Скачать чертежи
Материал: поставщика
Производственная программа: ориентировочная потребность = 400 000 шт. в год каждого наименования.
Цена: 420-3414032 - 26,60 руб. без НДС за шт. 451-3414071-70 - 6,40 руб. без НДС за шт. 420.451-3414066-01 - 4,95 руб. без НДС за шт.

Заказ 2602 (10.03.2017, Москва). Изготовление изделий по чертежам заказчика.Скачать чертежи
Материал: от заказчика только керамика, металл желательно от изготовителя изделий
Производственная программа: Регулярный заказ по 100 комплектов в месяц. В каждом комплекте по 11 деталей.

Заказ 2601 (10.03.2017, Воронежская область). Изготовление деталей согласно прилагаемых чертежей.Скачать чертежи
Материал: поставщика
Производственная программа: требуемое количество: по 1 шт. согласно каждого из прилагаемых чертежей
Доп. требования: Срок подачи предложений: до 13.03.2017г. включительно. Коммерческие предложения прошу направлять на фирменном бланке организации на имя Генерального директора по эл. почте, с указанием следующей информации: 1. Организационно- правовая форма и наименование организации. 2. Юридический и фактический адрес организации. 3. Реквизиты организации. 4. Стоимость за единицу изделия без НДС. 5. Стоимость изготовления всей партии без НДС. 6. Условия оплаты. 7. Сроки изготовления. 8. Условия доставки. 9. ФИО и контактные данные исполнителя. 10. Также коммерческое предложение должно быть заверено подписью руководителя организации, или лица имеющего на это право.
Оснастка: поставщика

Заказ 2600 (10.03.2017, Ростовская область). Ножи для гильотины.Скачать чертежи
Материал: поставщика
Производственная программа: во вложении
Доп. требования: поставляемые детали должны сопровождаться картами замеров, сертификатами на металл, а также необходим тех. процесс изготовления.
Оснастка: поставщика

Заказ 2599 (10.03.2017, Калининградская область). Ножи для гильотины.Скачать чертежи
Материал: поставщика
Производственная программа: 1. Чертеж № 001 - 12 шт.; 2. Чертеж № 002 - 6 шт.; 3. Чертеж № 003 - 4 шт.

Заказ 2598 (07.03.2017, Московская область). Изделие по чертежам заказчика.Скачать чертежи
Материал: поставщика
Производственная программа: объём заказа 600 единиц.
Доп. требования: Потребность постоянная-ежегодная! В зависимости от предложенной цены за производство единицы изделия, возможно выполнение и оплата заказа в объеме 3, 6 и 12 месяцев, т.е. в размере 150 шт., 300 шт. или 600 шт. Сейчас подрядчик-изготовитель получает от нас по контракту 400р за комплект. Но, в связи с тем, что мы меняем изготовителя по вопросу качества, мы готовы, в соответствии с ожидаемым улучшением качества изделия, рассмотреть разумное, но небольшое повышение цены и ждем Ваши варианты по оплате. Фото изделия и чертежи прилагаю. Размер трубы 15х0.75мм - сталь. Колеса у нас свои, сборка так же наша. Вам необходимо сделать только все комплектующие изделия по чертежам, произвести порошковую покраску и упаковать каждый комплект в пленку. Если Вы готовы заключить с нами соглашение на производство данного изделия, прошу сообщить Вашу цену за единицу продукции!

Заказ 2597 (01.03.2017, Московская область). Диск поворотный.Скачать чертежи
Материал: поставщика
Производственная программа: На постоянной основе, первоначальный этап по 500-1000 ед. в месяц.
Доп. требования: на просчет: материал- 08Х18Н10, 40Х13 или аналоги недорогие, главное требование - не должна поддаваться коррозии. Нижний чертеж дополняет по недостающим размерам верхний.

Заказ 2596 (21.02.2017, Московская область). Изготовление изделия методом 3D печати.Скачать чертежи
Материал: поставщика
Производственная программа: разовый заказ 1 шт.
Доп. требования: размеры статуи 500х500х800 мм. Необходимо имея 3D модель Тримурти изготовить модель статуи. 3D модель будет представлена по запросу. Фото прилагаю. Срок выполнения работ до 01.03.2017 г. Желаемый материал печати: гибс (с последующей покраской) или пластик.

Заказ 2595 (21.02.2017, Московская область). Изготовление деталей по чертежам заказчика.Скачать чертежи
Материал: поставщика
Производственная программа: 10 комплектов.

Заказ 2594 (17.02.2017, Московская область). Заказа на реинжиниринг - создание 3D модели по фотографии объекта.Скачать чертежи
Материал: поставщика
Производственная программа: разовый заказ.
Доп. требования: заказ от частного лица, не от организации. Срок выполнения работ до 24.02.2017 г. В последующем потребуется изготовление статуэтки методом 3D печати из пластика или гипса

Заказ 2593 (17.02.2017, Н.Новгород). Изделие по чертежам заказчика.Скачать чертеж
Материал: поставщика (подшипниковая сталь)
Производственная программа: 1 шт.

Заказ 2592 (15.02.2017, Калининградская область). Тележка гидравлическая.Скачать чертежи
Материал: заказчика
Производственная программа: 100 шт. в год.
Доп. требования: гидравлический домкрат поставлять не надо

Заказ 2591 (14.02.2017, Воронежская область). Покраска деталей согласно прилагаемого чертежа и технического задания.Скачать чертежи
Материал: Лакокрасочные материалы предоставляет заказчик
Производственная программа: 80 шт.
Доп. требования: Коммерческие предложения прошу направлять на фирменном бланке организации на эл. почту, с указанием следующей информации:
1. Организационно- правовая форма и наименование организации.
2. Юридический и фактический адрес организации.
3. Реквизиты организации.
4. Стоимость за единицу изделия без НДС.
5. Стоимость изготовления всей партии без НДС.
6. Условия оплаты.
7. Сроки изготовления.
8. Условия доставки.
9. ФИО и контактные данные исполнителя.
10. Также коммерческое предложение должно быть заверено подписью руководителя организации, или лица имеющего на это право.


Заказ 2590 (10.02.2017, Ростовская область). Резка металла
Материал: заказчика
Компания ищет предприятие с АПР (агрегат продольной резки) с ППМ (правильно правочная машина) или гильотина 6 м
Предпочтение регионам Свердловск, юг России, Урал.

Заказ 2589 (10.02.2017, Тверская область). Требуется изготовить чехол согласно эскизу.Скачать чертеж
Материал: поставщика
Производственная программа: 10 шт. (разовый заказ)
Варианты изготовления изделия:
1. Изделие изготавливается сваркой из толстой поливинилхлоридной или полиэтиленовой плёнки (марка поливинилхлорида или полиэтилена – любая). Толщина поливинилхлоридной или полиэтиленовой плёнки - 0,2 мм. - 0,5 мм. Расположение сварных швов в изделии – наружное. Размер сварных швов в изделии - 3 мм. - 5 мм. Пропуски в сварных швах не допускаются. Предпочтительный материал для использования – поливинилхлорид. Использование полиэтилена допускается только при отсутствии поливинилхлорида.
2. Изделие изготавливается любым другим методом из любого другого достаточно эластичного, достаточно прозрачного и достаточно механически прочного материала. В этом случае толщина стенки изделия - 0,2 мм. - 2,5 мм. в зависимости от используемого материала.

Описание изделия:
1. Форма изделия: параллелепипед с одной пустой (без материала) любой торцевой плоскостью с размерами 68 (±1) мм. х 44 (±1) мм.
2. Указанные на эскизе размеры – по внутренним поверхностям изделия (без учёта толщин стенок изделия).
3. Условия эксплуатации изделия: температура - от 0 °С до + 40 °С, рабочая среда – керосин, машинное масло и смазки.
4. Назначение изделия: защита пульта управления станка от грязи и рабочей среды.
5. Особенности эксплуатации изделия: не должно препятствовать магнитному креплению пульта к станку.


Заказ 2588 (06.02.2017, Воронежская область). Латунирование(плакирование). Скачать чертеж
Материал: поставщика
Производственная программа: 2 шт.
Доп. требования: Коммерческие предложения прошу направлять на фирменном бланке организации на имя Генерального директора на электроннымй адрес, с указанием следующей информации: 1. Организационно- правовая форма и наименование организации. 2. Юридический и фактический адрес организации. 3. Реквизиты организации. 4. Стоимость за единицу изделия без НДС. 5. Стоимость изготовления всей партии без НДС. 6. Условия оплаты. 7. Сроки изготовления. 8. Условия доставки. 9. ФИО и контактные данные исполнителя. Также коммерческое предложение должно быть заверено подписью руководителя организации, или лица имеющего на это право.
Оснастка: оснастка поставщика

Заказ 2587 (05.02.2017, Калининградская область). Изготовление одинарного поддона для металлических рулонов. Скачать чертежи
Материал: поставщика
Производственная программа: до 800 шт. в год.
Доп. требования: изготовление одинарного поддона для металлических рулонов (как указано на чертеже, использовать чертеж для одинарного поддона). Также имеются фотографии готового изделия для понимания его устройства.

Заказ 2586 (05.02.2017, Ярославская область). Изготовление деталей по чертежам заказчика. Скачать чертежи
Материал: поставщика
Производственная программа: по 2500 шт. в месяц каждого изделия.

Заказ 2585 (05.02.2017, Ярославская область). Изготовление деталей шатун. Скачать чертежи
Материал: поставщика
Производственная программа: по 2500 шт. в месяц каждого изделия.

Заказ 2584 (01.02.2017, Воронежская область). Латунь Л63 ГОСТ 15527-2004. Без чертежа
Материал: поставляет заказчик. Оснастка поставщика
Производственная программа: 2 шт. разовый заказ.
Дополнительные требования: Размеры листа 1000х1000х14 мм.

Заказ 2583 (01.02.2017, Москва). Токарная обработка. Скачать чертеж
Материал: поставщика
Производственная программа: Разовая партия 100 шт.
Дополнительные требования: Доставку заказчику включить в стоимость изделия.
Цена: 6500,00 руб. с НДС рубли
Объем заказа: до 1 миллиона рублей.

Заказ 2582 (01.02.2017, Ярославская область). Изготовление поглотителей. Скачать чертежи
Материал: поставщика
Производственная программа: 36938 штук в год.
Дополнительные требования: Детали выполняются по ОСТ 107.460007.006-92.
Оснастка: Оснастка может быть как заказчика, так и поставщика
Объем заказа: до 300 тыс. рублей.

Заказ 2581 (30.01.2017, Москва). Токарная обработка. Скачать чертеж
Материал: поставщика
Оснастка поставщика
Производственная программа: 100 шт.
Дополнительные требования: Дефектоскопия заказчика.
Объем заказа: до 1 млн. руб.

Заказ 2580 (30.01.2017, Воронежская область). Пескоструйная очистка изделий с последующим нанесением покрытия. Без чертежа
Материал: поставляет заказчик
Оснастка поставщика
Производственная программа: 5 шт. (разовый заказ)
Дополнительные требования: Коммерческие предложения прошу направлять с указанием следующей информации:
1. Организационно- правовая форма и наименование организации.
2. Юридический и фактический адрес организации.
3. Реквизиты организации.
4. Стоимость за единицу изделия без НДС.
5. Стоимость изготовления всей партии без НДС.
6. Условия оплаты.
7. Сроки изготовления.
8. Условия доставки.
9. ФИО и контактные данные исполнителя.

Заказ 2579 (30.01.2017, Воронежская область). Металлизация поверхности. Скачать чертеж
Материал: поставляет заказчик
Оснастка поставщика
Производственная программа: 500 шт. (разовый заказ)
Дополнительные требования:
1. Требование к помещению
2. Требование к подготовке поверхности
3. НТД по проведению процесса.
4. Оценка качества процесса.
5. Проведение пробного процесса на нашем образце

Заказ 2578 (27.01.2017, Рязанская область). Пружина БСТА.753631.016. Скачать чертеж
Материал: поставляет заказчик
Производственная программа: от 20.000 шт. в месяц.

Заказ 2577 (27.01.2017, Рязанская область). Колонка БСТА.715311.096. Скачать чертеж
Материал: поставляет заказчик
Производственная программа: от 20.000 шт. в месяц.

Заказ 2576 (27.01.2017, Калининградская область). Изготовление траверса и гака. Скачать чертежи
Материал: поставляет заказчик
Производственная программа: Заказ разовый (1единица), с возможностью серийного производства.
Доп. требования: Доставка до г. Череповец. Проверка ОТК Исполнителя.

Заказ 2575 (27.01.2017, Московская область). Генератор кавитации. Скачать чертежи
Материал: поставляет заказчик
Производственная программа: Разовый заказ, партия 200 шт.
Доп. требования: Срок изготовления: как можно скорее

Заказ 2574 (25.01.2017, Московская область). Пусковая установка неуправляемых ракет. Без чертежа
Материал: поставщика.
Производственная программа: 2 шт. опытная партия.
Доп. требования: Наличие закрепленного за поставщиком военного представителя МО РФ, - наличие сертификата СМК ISO 9001, действующего на весь период поставки; наличие лицензии, с соответствующим классом ЕКПС1055, предусмотренной Федеральным законом от 4 мая 2011 г. № 99-ФЗ «О лицензировании отдельных видов деятельности», обоснование стоимости изделий - Заключение ВП МО РФ и расчетно-калькуляционные материалы, оформленные в соответствии с требованиями Приказа ФСТ России от 24.03.2014г. № 469-а.
Оснастка: Оснастка поставщика
Объем заказа: свыше 1 миллиона рублей

Заказ 2573 (25.01.2017, Московская область). Изготовление баков с военной приемкой. Без чертежа
Материал: поставщика.
Производственная программа: Баки гидравлические, топливные, масляные по 20 шт.
Доп. требования: Наличие закрепленного за поставщиком военного представителя МО РФ, - наличие сертификата СМК ISO 9001, действующего на весь период поставки; наличие лицензии, с соответствующим классом ЕКПС, предусмотренной Федеральным законом от 4 мая 2011 г. № 99-ФЗ «О лицензировании отдельных видов деятельности», обоснование стоимости изделий - Заключение ВП МО РФ и расчетно-калькуляционные материалы, оформленные в соответствии с требованиями Приказа ФСТ России от 24.03.2014г. № 469-а.
Оснастка: Оснастка поставщика
Объем заказа: свыше 1 миллиона рублей

Заказ 2572 (22.01.2017, Воронежская область). пескоструйная обработка деталей с покраской. Скачать чертеж
Материал: поставляет заказчик
Производственная программа: 4 шт.
Оснастка: Оснастка поставщика

Заказ 2571 (22.01.2017, Воронежская область). пескоструйная обработка деталей с покраской. Скачать чертеж
Материал: Материал поставляет заказчик
Производственная программа: 100 шт.
Оснастка: Оснастка поставщика

Заказ 2570 (22.01.2017, Воронежская область). местная(общая) термообработка методом отпуска. Без чертежа
Материал: Поставляет заказчик.
Производственная программа: 20 шт.
Доп. требования: За подробной информацией просьба обращаться на эл. почту.
Оснастка: Оснастка поставщика

Заказ 2569 (19.01.2017, Кг. Москва). Заготовка распредвала (ПОРОШКОВАЯ МЕТАЛЛУРГИЯ, ЛИТЬЕ). Скачать чертеж
Материал: поставщика
Производственная программа: 500 шт. в месяц. Возможна ежеквартальная поставка по 1500-2000 шт.

Заказ 2568 (19.01.2017, Калининградская область). Шестерня. Скачать чертеж
Материал: поставщика
Производственная программа: разовый заказ 6 шт.
Доп. требования: Регион поставщика Калининградская область, Ленинградская область и Центральный Федеральный округ. Необходимо предложение по срокам и стоимости изготовления указанных деталей.
Объем заказа: до 300 тыс. рублей

Заказ 2567 (18.01.2017, Московская область). Пружины с военной приемкой. Без чертежа
Материал: Сталь 70С3А ГОСТ 14959-79, пруток диаметр 25 мм.
Производственная программа: 132 шт.1 Модуль сдвига G* = 78500 МПа. 2 Напряжение касательное при кручении t3* = 1200 МПа. 3 53...
Доп. требования: 7 Материал заменитель сталь 65С2ВА. 8 Упрочнение дробеструйной обработкой. 9 Остальные технические требования по ГОСТ 16118-70. 10 *Размеры и параметры для справок. 11 Покрытие Ц6, грунтовка АК-070 ГОСТ 25718-83/ эмаль ХВ-518 защитная.IV.УХЛ1 ТУ 2313-034-05015319-2001. 12 Маркировать Ч и клеймить К на бирке.
Оснастка: Оснастка поставщика
Объем заказа: свыше 1 миллиона рублей

Заказ 2566 (18.01.2017, Челябинск). Коробка передач. Скачать чертеж
Материал: Материал поставляет заказчик
Производственная программа: по 7 шт. в квартал на 2017 год.
Доп. требования: За всем комплектом чертежей обращаться на эл. почту

Заказ 2565 (18.01.2017, Московская область). Мультипликатор. Без чертежа
Материал: Поставщика.
Производственная программа: 15 комплектов. Чертежи предоставляются после подписания соглашения о конфиденциальности.
Доп. требования: Наличие закрепленного за поставщиком военного представителя МО РФ, - наличие сертификата СМК ISO 9001, действующего на весь период поставки; наличие лицензии, с соответствующим классом ЕКПС, предусмотренной Федеральным законом от 4 мая 2011 г. № 99-ФЗ «О лицензировании отдельных видов деятельности», обоснование стоимости изделий - Заключение ВП МО РФ и расчетно-калькуляционные материалы, оформленные в соответствии с требованиями Приказа ФСТ России от 24.03.2014г. № 469-а.
Оснастка: Оснастка поставщика
Объем заказа: свыше 1 миллиона рублей

Заказ 2564 (18.01.2017, Московская область). Редуктор. Без чертежа
Материал: Поставщика.
Производственная программа: 15 комплектов. Чертежи предоставляются после подписания соглашения о конфиденциальности.
Доп. требования: Наличие закрепленного за поставщиком военного представителя МО РФ, - наличие сертификата СМК ISO 9001, действующего на весь период поставки; наличие лицензии, с соответствующим классом ЕКПС, предусмотренной Федеральным законом от 4 мая 2011 г. № 99-ФЗ «О лицензировании отдельных видов деятельности», обоснование стоимости изделий - Заключение ВП МО РФ и расчетно-калькуляционные материалы, оформленные в соответствии с требованиями Приказа ФСТ России от 24.03.2014г. № 469-а.
Оснастка: Оснастка поставщика
Объем заказа: свыше 1 миллиона рублей

Заказ 2563 (18.01.2017, Московская область). Гусеничный движитель. Без чертежа
Материал: Поставщика.
Производственная программа: 15 комплектов. Чертежи предоставляются после подписания соглашения о конфиденциальности.
Доп. требования: Наличие закрепленного за поставщиком военного представителя МО РФ, - наличие сертификата СМК ISO 9001, действующего на весь период поставки; наличие лицензии, с соответствующим классом ЕКПС, предусмотренной Федеральным законом от 4 мая 2011 г. № 99-ФЗ «О лицензировании отдельных видов деятельности», обоснование стоимости изделий - Заключение ВП МО РФ и расчетно-калькуляционные материалы, оформленные в соответствии с требованиями Приказа ФСТ России от 24.03.2014г. № 469-а.
Оснастка: Оснастка поставщика
Объем заказа: свыше 1 миллиона рублей

Заказ 2562 (18.01.2017, Московская область). Хомуты по ГОСТ 28191-89. Без чертежа
Материал: Поставщика.
Производственная программа: Хомут 2.1 27х12 ГОСТ 28191-89 – 968 шт. Хомут 2.1 48х12 ГОСТ 28191-89 – 1496 шт.
Доп. требования: Соответствие ГОСТ 28191-89.
Оснастка: Оснастка поставщика
Объем заказа: до 1 миллиона рублей

Заказ 2561 (16.01.2017, Воронежская область). Обработка фланцев из давальческой заготовки. Скачать чертеж
Материал: Материал поставляет заказчик
Производственная программа: 2шт. Разовый заказ.
Доп. требования: Заготовка: поковка 1400?1200?130 09Г2С Отверстия сверлить не нужно
Оснастка: Оснастка поставщика

Заказ 2560 (16.01.2017, Воронежская область). Обработка фланцев из давальческой заготовки. Скачать чертеж
Материал: Материал поставляет заказчик
Производственная программа: 2шт. Разовый заказ.
Доп. требования: Заготовки: поковка 1610?1400?145 09Г2С Отверстия сверлить не нужно
Оснастка: Оснастка поставщика

Заказ 2559 (16.01.2017, Воронежская область). Обработка фланцев из давальческой заготовки. Скачать чертеж
Материал: Материал поставляет заказчик
Производственная программа: 2шт. Разовый заказ.
Доп. требования: Заготовки: поковка 1610?1200?240 09Г2С; Отверстия сверлить не нужно
Оснастка: Оснастка поставщика

Заказ 2558 (16.01.2017, Воронежская область). Обработка фланцев из давальческой заготовки. Скачать чертеж
Материал: Материал поставляет заказчик
Производственная программа: 2шт. Разовый заказ.
Доп. требования: Заготовки: поковка 1400?1200?130 09Г2С. Отверстия сверлить не нужно
Оснастка: Оснастка поставщика

Заказ 2557 (09.01.2017, Москва). Травление деталей из титанового сплава. Без чертежа.
Материал: заказчика.
Производственная программа: 1000-2000 шт. в месяц.

Заказ 2556 (26.12.2016, Челябинск). Коробка передач. Скачать чертеж
Материал: поставщика
Производственная программа: по 7 шт. в квартал на 2017 год.
Доп. требования: За всем комплектом чертежей обращаться на почту.
Цена: 100 000 рубли

Заказ 2555 (26.12.2016, Санкт-Петербург). Корпус соленоидного клапана ДУ-15 из латуни (Горячая штамповка металлических изделий). Скачать чертеж
Материал: Материал заказчика ( в заготовках )
Производственная программа: 500-750 шт. в квартал.
Доп. требования: Опыт по горячей штамповке.
Оснастка: Оснастка заказчика
Цена: 150 руб. за один корпус рубли
Объем заказа: до 300 тыс. рублей

Заказ 2554 (21.12.2016, Ростовская область). Ступица сварная долбежная. Скачать чертеж
Материал: поставщика
Производственная программа: 4 шт.
Оснастка: оснастка поставщика.

Заказ 2553 (23.12.2016, Чувашия). Требуется обработка тел вращения: Lmax=2590 мм, Max O=320 мм.. Без чертежа
Материал: Поставщика.
Производственная программа: Годовая программа.
Доп. требования: Отклонения не допускаются.
Оснастка: Оснастка поставщика

Заказ 2552 (21.12.2016, Волгоградская область). Плита нижняя (Фасонная фрезерная обработка). Скачать чертеж
Материал: поставщика
Производственная программа: разовый заказ.
Цена: сравню предложения.

Заказ 2551 (21.12.2016, Волгоградская область). Плита верхняя (Фасонная фрезерная обработка). Скачать чертеж
Материал: поставщика
Производственная программа: разовый заказ.
Цена: сравню предложения.

Заказ 2550 (17.12.2016, Московская область). Производство Винт подъема платформы L=2460 мм. Скачать чертеж
Материал: поставщика
Производственная программа: 5 шт. Заказ разовый, но возможно будет многоразовым.
Доп. требования: Сталь40Х + Термообработка улучшение + требования к качеству ходового винта(резьба). Резьба ТР48х8
Оснастка: поставщика
Цена: 5000 руб.
Объем заказа: до 300 тыс. рублей

Заказ 2549 (14.12.2016, Московская область). Доска модифицированная 40х90х2680. Скачать чертеж
Материал: поставщика
Производственная программа: разовый 2016 г. - 80 шт. на 2017г. - 2400 шт.
Доп. требования: Заготовка ДМТХ-Ф ГОСТ 24588-81
Объем заказа: до 300 тыс. рублей

Заказ 2548 (28.11.2016, Орловская область). щека прижимная. Скачать чертеж
Материал поставщика
Производственная программа: разовый заказ.
Объем заказа: до 300 тыс. рублей

Заказ 2547 (25.11.2016, Респ. Башкортостан). Точное литье. Скачать чертежи
Материал поставщика
Производственная программа: по каждому чертежу 50 шт.
Доп. требования: необходимо точное литье, Ст35Л, вес 4,4 кг, пробный разовый заказ, доставка до г. Ишимбай, Респ. Башкортостан.
Оснастка: поставщика
Цена: 700 рубли
Объем заказа: до 300 тыс. рублей

Заказ 2546 (22.11.2016, Московская область). Отлить корпус Конического редуктора СЧ15. Скачать чертеж
Материал поставщика, СЧ15
Производственная программа: партия №1 - 10 шт, №2 - 30 шт, №3 - 40 шт. Заказ раз в полгода.
Доп. требования: Отлить в форму в землю, фрезеровка отверстий, поверхностей, сверловка + резьба, покраска. Цена 5000 руб/шт. с НДС. Есть образец, можем выслать. Есть 3Д модель в солидворкс (для изготовления оснастки). Спрос на них постоянный, заказы постоянные. Компании, способной выполнть заказ, можем обещать новые заказы по металлу и пластику.
Оснастка: поставщика
Цена: 5000 рублей
Объем заказа: до 300 тыс. рублей

Заказ 2545 (15.11.2016, Московская область). Изготовление деталей. Скачать чертеж.
Материал: поставщика.
Производственная программа: разовый заказ.

Заказ 2544 (15.11.2016, Ярославская область). Услуги по шлифовке. Скачать чертеж.
Материал: заказчика.
Производственная программа: 30 шт. в месяц каждого наименования.
Доп. требования: Просьба рассмотреть возможность получения внутренней поверхности методом шлифовки. В случае если такая возможность имеется, необходимо указать припуск на обработку. С нашей стороны, в зависимости от способа шлифовки, можем предоставить 2D модель или таблицу с переменными данными дискретностью 0 град.20 мин. Шероховатость получаемой поверхности не ниже Ra 0,63. Способ электроэрозионной обработки неприемлем.
Оснастка поставщика.

Заказ 2543 (15.11.2016, Москва). Изготовление инструмента. Скачать чертежи
Материал: изготовить из стали 95Х18
Производственная программа: требуемое количество 10 - 15 штук в месяц.
Доп. требования: Стоимость комплекта: инструмент 1, инструмент 2, инструмент 3 - 9000 р.

Заказ 2542 (09.11.2016, Ярославская область). Пружины. Скачать чертежи
Материал: поставщика
Производственная программа: от 20 до 2000 шт./мес. от размера.
Оснастка: поставщика
Объем заказа: до 300 тыс. рублей

Заказ 2541 (09.11.2016, Чувашская Республика). Литейная оснастка. Отливка Щит подшипниковый - 305125.020-01 СБ (Литье металла в кокиль). Скачать чертеж
Материал: поставляет поставщик АК7ч, Амг5-Амг4,5.
Производственная программа: 10 шт.
Доп. требования: 1) Технологическую проработку чертежей деталей щитов, замечания и рекомендации отправлять на почту. 2) Перепроектирование отливки, расчет методики заливки, проектирование комплекта литейной оснастки; 3) Изготовление комплекта литейной оснастки. 4) Получить отливку Щита подшипникового.
Оснастка: требуется проектирование

Заказ 2540 (09.11.2016, Орловская область). Корпус (Штамповка металлических изделий). Скачать чертеж
Материал: заказчика.
Производственная программа: 200 шт. в месяц.
Доп. требования: Возможны корректировки размеров для удешевления заготовки.
Объем заказа: до 300 тыс. рублей

Заказ 2539 (07.11.2016, Тверская область). Изготовление резинотехнических изделий и пресс-форм для них.. Скачать чертежи
Материал: Поставщика. Любая самая дешёвая резиновая смесь твёрдостью 50...30 ед. Шор А.
Производственная программа: До 1000 шт./месяц каждой позиции.
Доп. требования: Необходима пробная партия по 50 шт. каждого изделия. При расчёте убедительно прошу Вас указать цену и сроки для изготовления РТИ и пресс-форм отдельно.
Оснастка: Оснастка: Поставщика. Пресс-форм для изготовления данных резинотехнических изделий нет: их необходимо спроектировать и изготовить.
Объем заказа: до 1 миллиона рублей

Заказ 2538 (07.11.2016, Московская область). Изготовление деталей (Горизонтальная фрезерная обработка) . Скачать чертежи
Материал: титан, нержавейка
Производственная программа: разовый заказ.
Доп. требования: стойка 220 шт., фланец 90 шт.
Оснастка: поставщика
Объем заказа: свыше 1 миллиона рублей

Заказ 2537 (02.11.2016, Ярославская область). Литье резиновых деталей. Скачать чертежи
Материал: поставщика
Производственная программа: 200-5000 месяц.
Оснастка: поставщика
Цена: выбирается лучшее ценовое предложение рубли
Объем заказа: до 1 миллиона рублей

Заказ 2536 (02.11.2016, Чувашская Республика). Шлифовка. Скачать чертеж
Материал: Ротор двигателя, заготовка - собранный ротор с припусками по 0,5-0,6 мм.
Производственная программа: 4 шт.
Доп. требования: Ротор с установленными магнитами. Шлифовка поверхностей ф228,8js6 и шеек вала ротора
Объем заказа: до 300 тыс. рублей

Заказ 2535 (28.10.2016, Ярославская область). Серийные детали (втулки, штифты, валики, оси...) производимые на токарных автоматах. Скачать чертежи
Материал: ст 30, 45, 20Х, 40Х, У8А в зависимости от позиции. Возможно давальческое сырье или материал исполнителя.
Производственная программа: от 100 до 2000 штук/месяц в зависимости от позиции всего более 20 позиций.
Доп. требования: некоторые позиции требуют термической обработки
Оснастка: обсуждается при необходимости
Цена: выбирается лучшее предложение по цене и сроку рубли
Объем заказа: до 1 миллиона рублей

Заказ 2534 (28.10.2016, Орловская область). Изделия по чертежам. Скачать чертежи
Материал: поставщика.
Производственная программа: разовый заказ.
Доп. требования: Срок исполнения заказа 14 дней

Заказ 2533 (28.10.2016, Ярославская область). Покраска металлоконструкций, требуется пескоструйка для снятия прежней краски. Скачать чертежи
Материал: поставщика.
Производственная программа: 300 металлоконструкций.
Доп. требования: Необходимо перекрасить 300 металлоконструкций из уголка и трубы общего габаритного размера 1600*450мм в RAL . Чертеж прилагается. Сейчас покрашено в коричневый, нужно перекрасить в белый. Необходима пескоструйка для снятия прежней покраски

Заказ 2532 (26.10.2016, г. Челябинск). Корпус клина. Скачать чертеж
Материал: поставщика.
Производственная программа: 5 шт. для опытной партии. Серийно с 2017 года.
Доп. требования: Литейные пункты из чертежа исключить. Рассчитывать изготовление изделия из поковки или проката

Заказ 2531 (20.10.2016, Московская область). Изготовление труб. Скачать чертеж
Материал: поставщика.
Производственная программа: разовый заказ. 4шт.
Доп. требования: Пока что, разовый заказ в дальнейшем может будет партия. Цена в районе 1000руб/шт.
Оснастка: оснастка заказчика

Заказ 2530 (19.10.2016, Владимирская область). Частичная механическая обработка Днища. Скачать чертежи
Материал: Давальческий.
Производственная программа: от 10 шт.
Доп. требования: Проведение частичной мех. обработки поставляемых изделий и окончательная сборка.

Заказ 2529 (19.10.2016, Владимирская область). Отливка колеса насоса для детали РД-1038.00.000.00. Скачать чертежи
Материал: поставщика.
Производственная программа: от 3 шт.
Доп. требования: Каверны и внутренние полости не допускаются. Окончательная обработка производится заказчиком.

Заказ 2528 (19.10.2016, Владимирская область). Нанесение полиуретанового покрытия на винт РД-1099.01.000. Скачать чертеж
Материал: Винт-давальческий.
Производственная программа: от 20 шт.
Доп. требования: Производители Владимирской области и ЦФО

Заказ 2527 (19.10.2016, Владимирская область). Изготовление пресс-форм для литья восковых моделей по чертежам и ТЗ. Без чертежа
Материал: Поставщика.
Производственная программа: от 1 шт. каждого вида.
Доп. требования: Требуется разработка пресс-форм на основании представленных чертежей и ТЗ заказчика. Производители Владимирской области и ЦФО
Цена: 80 000-150 000 рубли
Объем заказа: до 300 тыс. рублей

Заказ 2526 (19.10.2016, Владимирская область). ТВЧ закалка вала РД.1112.01.002 в указанных плоскостях. Скачать чертеж
Материал: Давальческий.
Производственная программа: от 1 шт.

Заказ 2525 (19.10.2016, Владимирская область). Валок шестерня.00.001. Скачать чертеж
Производственная программа: от 2 шт.
Доп. требования: Предприятия Владимирской области и ЦФО

Заказ 2524 (19.10.2016, Владимирская область). Произвести покрытие Хим.Н18 на деталь Корпус индуктора. Скачать чертежи
Материал: Давальческий.
Производственная программа: от 19 шт.
Доп. требования: Предприятия Владимира и Владимирской области

Заказ 2523 (19.10.2016, Владимирская область). Шпиндель трефовый. Скачать чертежи
Материал: Давальческий.
Производственная программа: от 1 шт. каждого наименования.
Доп. требования: Производители Владимирской области и ЦФО

Заказ 2522 (16.10.2016, Чувашия). БОБЫШКА кв. 22 мм. Скачать чертеж
Материал: поставщика.
Производственная программа: 5000 шт., периодически.
Цена: 21р/с НДС
Объем заказа: до 300 тыс. рублей

Заказ 2521 (16.10.2016, Вологодская область). закладная 2. Скачать чертеж
Материал: поставщика.
Производственная программа: 1000 шт.
Доп. требования: возможно изготовление резьбы на проход
Цена: 20 рубли
Объем заказа: до 300 тыс. рублей

Заказ 2520 (16.10.2016, Вологодская область). Закладная. Скачать чертеж
Материал: поставщика.
Производственная программа: Разовый заказ.
Доп. требования: возможно изготовление резьбы на проход
Цена: 20 рубли
Объем заказа: до 300 тыс. рублей

Заказ 2519 (12.10.2016, Чувашия). Детали на автоматные станки. Скачать чертежи
Материал: поставщика.
Производственная программа: Разовый заказ.

Заказ 2518 (12.10.2016, Ростовская область). Сопло. Скачать чертеж
Материал: поставщика.
Производственная программа: Разовый заказ - 4 шт.
Оснастка: Оснастка поставщика

Заказ 2517 (12.10.2016, Ростовская область). Диффузор. Скачать чертеж
Материал: поставщика.
Производственная программа: Разовый заказ - 4 шт.
Оснастка: Оснастка поставщика

Заказ 2516 (07.10.2016, г. Челябинск). Токарные, фрезерные, литье, изготовление из поковки. Скачать чертежи
Материал: поставщика.
Производственная программа: Произвести расчет за 1 шт.
Доп. требования: Предложения отправлять на эл. почту. Данные изделия идут по программе импортозамещения, при хороших ценах и сроках поставки планируем открыть заказ на опытную партию
Оснастка: оснастка поставщика

Заказ 2515 (07.10.2016, Московская область). Заказ на производство замок траверсы. Скачать чертеж
Материал: поставщика.
Производственная программа: 100 шт. в мес.
Доп. требования: Материал Лист 6мм Сталь30ХГСА. Деталь вырезается на лазерной резки, изгибается в соответствии с чертежом, просверливаются отверстия, производится закалка стали до HRC 43-51, покрывается цинком. Цена 350руб/шт. с НДС
Оснастка: оснастка поставщика
Цена: 350руб./шт. рубли
Объем заказа: до 1 миллиона рублей

Заказ 2514 (05.10.2016, Ярославская область). Локализация производства. Ковши и детали к строительной технике. заказ Закрыт
Материал: Поставщика.
Производственная программа: серийное производство.
Доп. требования: Китайская компания приглашает российские предприятия к сотрудничеству для организации производства изделий указанных в приложении. Ваши предложения о сотрудничестве направлять на E-mail

Заказ 2513 (04.10.2016, Волгоградская область). Изготовление Металлоконструкции.
Скачать чертежи
Материал: Поставщика.
Производственная программа: 2шт., потребность постоянная.
Доп. требования: в тех. задании
Оснастка: Поставщика
Цена: договорная рубли
Объем заказа: до 300 тыс. рублей

Заказ 2512 (04.10.2016, Волгоградская область). Изготовление Бункера с выгрузным шнеком. Скачать чертежи
Материал: Поставщика.
Производственная программа: 2 шт., потребность постоянная.
Доп. требования: в тех. задании
Оснастка: Поставщика
Цена: договорная рубли
Объем заказа: до 300 тыс. рублей

Заказ 2511 (03.10.2016, Ярославская область). Лопатки. Скачать чертеж
Материал: Текстолит ПТК.
Производственная программа: 1000 шт./мес.
Объем заказа: до 300 тыс. рублей

Заказ 2510 (03.10.2016, Вологодская область). Закладные изделия. Скачать чертеж
Материал: поставщика.
Производственная программа: Закладная длиной 96,4мм - 2000 шт., закладная длиной 9 мм – 6000 шт.
Цена: 200 рубли
Объем заказа: до 300 тыс. рублей

Заказ 2509 (30.09.2016, Челябинск). Изготовить корпус редуктора (Литье металла под давлением). Без чертежа
Материал: Силумин, сплавы алюминия. Материал поставщика.
Производственная программа: 2016 г.- 4 шт.
Доп. требования: Необходимо изготовить корпус редуктора по образцу, с разработкой конструкторской документации.
Оснастка: Поставщика
Объем заказа: до 300 тыс. рублей

Заказ 2508 (30.09.2016, Челябинск). Корпус (токарно-карусельная, фрезерная, сверление). Скачать чертежи
Материал: заказчика.
Производственная программа: 4 комплекта в ноябре. Серийно в 2017 году.
Доп. требования: Заказчик предоставляет литейные заготовки. По вопросам и предложениям обращаться на эл. почту.

Заказ 2507 (30.09.2016, Чувашия). Фрезеровка. Скачать чертежи
Материал: заказчика (в заготовках).
Производственная программа: разовый.
Доп. требования: Прошу Вас рассмотреть возможность обработки деталей из наших заготовок по прилагаемым чертежам и определить цену.
Количество: 1. 10 шт. 2. 16 шт. 3. 76 шт.

Заказ 2506 (29.09.2016, Ярославская область). Шестерни для насосов шестеренных Г11-24 и Г11-25. Скачать чертежи
Материал: Материал в зависимости от места положения поставщика.
Производственная программа: 20-50 шт. в месяц.
Доп. требования: По возможности просим дать стоимости шестеренок с материалом и без материала.

Заказ 2505 (28.09.2016, Челябинск). Литье, поковка. Скачать чертежи
Материал: поставщика.
Производственная программа: до конца года 5 комплектов, серия в 2017 году.
Доп. требования: КП и вопросы на эл. почту
Оснастка: Поставщика

Заказ 2504 (28.09.2016, Челябинск). Детали по КД. Без чертежа.
Материал: Поставщика/Заказчика.
Производственная программа: Как разовые, так и серийные и постоянно увеличиваются.
Доп. требования: Наличие квалифицированного ОТК, Наличие СМК, Замкнутый цикл производства. Вы можете зарегистрироваться в базе поставщиков на нашем сайте там же Вы можете скачать и ознакомится с нашим договором.
Оснастка: Поставщика
Цена: Договорная

Заказ 2503 (26.09.2016, Челябинск). Шестерни, валы. Скачать чертежи
Материал: поставщика.
Производственная программа: 10 шт. до конца года, + серия в 2017 году.

Заказ 2502 (26.09.2016, Челябинск). Плита, корпус. Скачать чертежи
Материал: поставщика.
Производственная программа: 5 компл. до конца года.

Заказ 2501 (23.09.2016, Чувашия). Токарно-автоматные работы. Скачать чертеж
Материал: поставщика.
Производственная программа: 10000-20000 шт.
Цена: 10 руб.

Заказ 2500 (21.09.2016, Чувашия). Токарно-фрезерные работы (БОБЫШКА). Скачать чертеж
Материал: поставщика.
Производственная программа: 5000-10000 штук периодически.

Заказ 2499 (21.09.2016, Челябинск). Отливки разные (Литье металла в многоразовые литейные формы). Скачать чертежи
Материал: поставщика.
Производственная программа: от 30 шт. в месяц.

Заказ 2498 (21.09.2016, Челябинск). Штроп. Скачать чертежи
Материал: поставщика.
Производственная программа: 50 шт. один раз в пол года.

Заказ 2497 (21.09.2016, Челябинск). Пластина. Скачать чертежи
Материал: поставщика.
Производственная программа: 10 шт. один раз в год.

Заказ 2496 (21.09.2016, Челябинск). Пластина. Скачать чертежи
Материал: поставщика.
Производственная программа: 10 шт. один раз в год.

Заказ 2495 (21.09.2016, Челябинск). Корпус клина штампованный (Горячая штамповка металлических изделий). Скачать чертеж
Материал: поставщика.
Производственная программа: 80 шт. в месяц.
Оснастка: Оснастка поставщика

Заказ 2494 (21.09.2016, Чувашия). Токарные детали. Скачать чертежи
Материал: поставщика.
Производственная программа: периодически.
Доп. требования: Предлагать цены на 100 шт., 1000 шт., 10000 шт.

Заказ 2493 (21.09.2016, Ярославская область). Втулки. Скачать чертежи
Материал: Керамика ВН-94-1 заказчика.
Производственная программа: Ежемесячная.
Доп. требования: Шлифование наружных и внутренних поверхностей
Объем заказа: до 300 тыс. рублей

Заказ 2492 (16.09.2016, Пермский край). Изготовление челюстей согласно чертежам (Металлобработка с использованием автоматической станочной линии). Скачать чертежи
Материал: Давальческий.
Производственная программа: 50-100 шт. в месяц.
Доп. требования: Материал - штамповка 40Х
Оснастка: поставщика
Цена: 2400 руб. с НДС
Объем заказа: до 300 тыс. рублей

Заказ 2491 (15.09.2016, Москва). з/ч к автомобилю ЗиЛ. Скачать документ
Материал: поставщика.
Производственная программа: во вложенном файле.
Доп. требования: Таблица с наименованием изделий и потребностью во вложении

Заказ 2490 (12.09.2016, Москва). Шлифовка керамических втулок. Скачать чертеж
Материал: заготовки заказчика.
Производственная программа: обработка втулок из заготовки производится методом кругового шлифования.1500 штук в год.
Доп. требования: Материал керамики ВН-94-1. К заявке приложен чертеж заготовки и конечного изделия после обработки.
Оснастка: Оснастка поставщика
Объем заказа: до 1 миллиона рублей

Заказ 2489 (12.09.2016, Москва). Комплектующие для возведения ангаров. Скачать чертежи
Материал: поставщика.
Производственная программа: 6 комплектов.
Доп. требования: требуется произвести комплектующие для возведения 6-ти ангаров, согласно примера на фото.

Заказ 2488 (09.09.2016, Удмуртия). Планка ТО7.120000.001. Скачать чертеж
Материал: изготовителя.
Производственная программа: разовый заказ 2 шт.
Доп. требования: срок поставки до 27.09.2016

Заказ 2487 (09.09.2016, Удмуртия). Пятка ТО7.110000.003. Скачать чертеж
Материал: изготовителя.
Производственная программа: разовый заказ 16 шт.
Доп. требования: срок поставки до 27.09.2016

Заказ 2486 (09.09.2016, Удмуртия). Упор ТО7.110000.002. Скачать чертеж
Материал: изготовителя.
Производственная программа: разовый заказ 16 шт.
Доп. требования: срок поставки до 27.09.2016

Заказ 2485 (09.09.2016, Удмуртия). Крестовина ТО7.110000.001. Скачать чертеж
Материал: изготовителя.
Производственная программа: разовый заказ 2 шт.
Доп. требования: срок поставки до 27.09.2016

Заказ 2484 (09.09.2016, Удмуртия). Планка ТО7.100000.010. Скачать чертеж
Материал: изготовителя.
Производственная программа: разовый заказ 1шт.
Доп. требования: срок поставки до 27.09.2016

Заказ 2483 (09.09.2016, Удмуртия). Планка ТО7.100000.009. Скачать чертеж
Материал: изготовителя.
Производственная программа: разовый заказ 1шт.
Доп. требования: срок поставки до 27.09.2016

Заказ 2482 (09.09.2016, Удмуртия). Уголок ТО7.100000.008. Скачать чертеж
Материал: изготовителя.
Производственная программа: разовый заказ 1шт.
Доп. требования: срок поставки до 27.09.2016

Заказ 2481 (09.09.2016, Удмуртия). Уголок ТО7.100000.007. Скачать чертеж
Материал: изготовителя.
Производственная программа: разовый заказ 1шт.
Доп. требования: срок поставки до 27.09.2016

Заказ 2480 (09.09.2016, Удмуртия). Уголок ТО7.100000.006. Скачать чертеж
Материал: изготовителя.
Производственная программа: разовый заказ 1шт.
Доп. требования: срок поставки до 27.09.2016

Заказ 2479 (09.09.2016, Удмуртия). Уголок ТО7.100000.005. Скачать чертеж
Материал: изготовителя.
Производственная программа: разовый заказ 1шт.
Доп. требования: срок поставки до 27.09.2016

Заказ 2478 (09.09.2016, Удмуртия). Уголок ТО7.100000.004. Скачать чертеж
Материал: изготовителя.
Производственная программа: разовый заказ 1шт.
Доп. требования: срок поставки до 27.09.2016

Заказ 2477 (09.09.2016, Удмуртия). Уголок ТО7.100000.003. Скачать чертеж
Материал: изготовителя.
Производственная программа: разовый заказ 1шт.
Доп. требования: срок поставки до 27.09.2016

Заказ 2476 (09.09.2016, Удмуртия). Уголок ТО7.100000.002. Скачать чертеж
Материал: изготовителя.
Производственная программа: разовый заказ 1шт.
Доп. требования: срок поставки до 27.09.2016

Заказ 2475 (09.09.2016, Удмуртия). Уголок ТО7.100000.001. Скачать чертеж
Материал: изготовителя.
Производственная программа: разовый заказ 1шт.
Доп. требования: срок поставки до 27.09.2016

Заказ 2474 (09.09.2016, Удмуртия). Подкладка ТО7.000000.007. Скачать чертеж
Материал: изготовителя.
Производственная программа: разовый заказ 1шт.
Доп. требования: срок поставки до 23.09.2016

Заказ 2473 (09.09.2016, Удмуртия). Оправка ТО7.000000.005. Скачать чертеж
Материал: изготовителя.
Производственная программа: разовый заказ 1шт.
Доп. требования: срок поставки до 23.09.2016

Заказ 2472 (09.09.2016, Удмуртия). Калибр для контроля обечайки ТО7.000000.002. Скачать чертеж
Материал: изготовителя.
Производственная программа: разовый заказ 1шт.
Доп. требования: срок поставки до 23.09.2016

Заказ 2471 (09.09.2016, Удмуртия). Оправка для сварки ТО7.000000.001. Скачать чертеж
Материал: изготовителя.
Производственная программа: разовый заказ 1шт.
Доп. требования: срок поставки до 23.09.2016

Заказ 2470 (07.09.2016, Калужская область). Изготовление переходников согласно чертежак. Скачать чертеж
Материал: Материал: Сталь Покрытие: Никелирование.
Производственная программа: Необходимо 10 000 шт. постоянная потребность.

Заказ 2469 (02.09.2016, Чувашия). Переходник. Скачать чертеж
Материал: поставщика.
Производственная программа: 10000штук (Параметры: d=4,5 мм, dy=4.6 +0,1 мм, D=6,1 мм).
Цена: 27руб с НДС.

Заказ 2468 (01.09.2016, Москва). Гнездо. Скачать чертеж
Материал: поставщика.
Производственная программа: 5000 штук в месяц.
Объем заказа: до 300 тыс. рублей.

Заказ 2467 (31.08.2016, Санкт-Петербург). Изготовление пресс-форм. Скачать чертежи
Материал: поставщика.
Производственная программа: Периодический, на текущий момент требуется 13 пресс-форм с различными исполнительными размерами.
Оснастка: поставщика
Объем заказа: свыше 1 миллиона рублей.

Заказ 2466 (26.08.2016, Курская область). Изготовление амортизатора из резины. Скачать чертеж
Материал: Смесь резиновая.
Производственная программа: 2000-3000 шт. в год.
Оснастка: поставщика.

Заказ 2465 (26.08.2016, Волгоградская область). Лазер., гиб., сварн., токарные работы. Скачать чертежи
Материал: поставщика.
Производственная программа: в настоящее время необходима 1 единица. Потребность постоянная.
Доп. требования: Коммерческие услович, которые необходимо указать в КП: Цена, Срок изготовления, Условия платежа (желательна оплата после поставки) - Стоимость транспортных расходов до Волгограда (желательно доставка на склад Заказчика за счет Исполнителя).
Оснастка: поставщика
Цена: договорная, рубли
Объем заказа: до 300 тыс. рублей.

Заказ 2464 (26.08.2016, Волгоградская область). лазер., гиб., сварн., токарн. работы. Скачать чертежи
Материал: поставщика.
Производственная программа: В настоящее время необходима 1 единица. Потребность постоянная.
Доп. требования: Коммерч. условия, которые необходимо указать в КП -Цена -Срок изготовления -Условия платежа - Стоимость транспортных расходов до Волгограда (желательно доставка на склад Заказчика за счет Исполнителя).
Оснастка: поставщик
Цена: договорная рубли
Объем заказа: до 300 тыс. рублей

Заказ 2463 (24.08.2016, Удмуртия). Токарная обработка. Без чертежа
Материал: поставщик/заказчик.
Производственная программа: 240 часов в месяц.
Доп. требования: наличие ОТК.
Объем заказа: до 1 миллиона рублей.

Заказ 2462 (24.08.2016, Удмуртия). Холодная штамповка. Без чертежа
Материал: поставщик.
Производственная программа: 10000 шт. в месяц.
Доп. требования: наличие ОТК.
Объем заказа: до 300 тыс. рублей.

Заказ 2461 (24.08.2016, Удмуртия). Нанесение гальванопокрытия хим.Н24. Без чертежа
Материал: алюминий.
Производственная программа: 300 шт. в месяц.
Доп. требования: наличие ОТК.
Объем заказа: до 1 миллиона рублей.

Заказ 2460 (24.08.2016, Удмуртия). Нанесение гальванопокрытия кд9хр. Без чертежа
Материал: сталь 20.
Производственная программа: 150 шт. в месяц.
Доп. требования: наличие ОТК.
Объем заказа: до 1 миллиона рублей.

Заказ 2459 (24.08.2016, Удмуртия). Фрезерная обработка. Без чертежа
Материал: поставщик/заказчик.
Производственная программа: 240 часов в месяц.
Доп. требования: наличие ОТК.
Объем заказа: до 1 миллиона рублей.

Заказ 2458 (22.08.2016, Московская область). Изготовить автомобильные диски. Скачать чертежи
Материал: поставщика.
Производственная программа: Опытная партия 10 комплектов по 5 шт.

Заказ 2457 (22.08.2016, Московская область). Проектирование и производство механизма, движущегося по рельсе. Скачать чертеж
Материал: поставщика.
Производственная программа: Опытная партия 1 изделие. Последующая партия 100 шт.

Заказ 2456 (18.08.2016, Ярославская область). Заявка 705-16. Державки (обновление черт. от 18.08). Скачать чертежи
Материал: 30ХГСА, поставляет поставщик.
Производственная программа: количество указано во вложении.
Доп. требования: Требуется изготовить державки для токарных резцов.

Заказ 2455 (18.08.2016, Московская область). Заказ на производство палец полурессоры. Скачать чертеж
Материал: поставщика.
Производственная программа: 50 шт. в мес.
Доп. требования: Сталь40ГР. объемная закалка HRC 32-39. Гальваника никелирование. варианты хим.окс и цинком.приоритет НИКЕЛЬ. Болт имеет класс прочности 10.9 по ГОСТ Р52624-2006 можно рассмотреть стали 20ХГР, 20ХНР, 27ХГР, 20ХГНР. Они тоже подходят. температура отпуска стали – не менее 425град. 10,9 маркируется на шляпке
Оснастка: Поставщика.
Цена: 350 руб.
Объем заказа: до 1 миллиона рублей.

Заказ 2454 (18.08.2016, Санкт-Петербург). Электрод. Скачать чертеж
Материал: поставщика.
Производственная программа: 200 000 штук в месяц.
Объем заказа: свыше 1 миллиона рублей

Заказ 2453 (16.08.2016, Московская область). Заказ на производство муфта 13 шлицев по DIN5482. Скачать чертеж
Материал: поставщика.
Производственная программа: 100 шт. в мес.
Доп. требования: Сталь 40Х. Термообработки нет. Гальваническое покрытие ХимОкс(чернение металла). Работаем только по НДС.
Оснастка: поставщика
Цена: 500 руб./шт. рубли
Объем заказа: до 1 миллиона рублей

Заказ 2452 (16.08.2016, Москва). Изделия по чертежам заказчика. Скачать чертежи
Материал: Поставщика.
Производственная программа: более 1000 шт. каждой детали в квартал.
Доп. требования: Требуется изготовление оригинальных деталей из алюминия 1561.

Заказ 2451 (16.08.2016, Тверская область). Нужны постоянные поставщики колец резиновых круглого сечения уплотнительных для гидравлических и пневматических устройств ГОСТ 9833-73 / ГОСТ 18829-73 из резиновых смесей различных марок. Скачать чертежи
Материал: Поставщика.
Производственная программа: Согласно перечням (2 шт.). Заказы постоянные, периодические и разовые.
Доп. требования: В обязательном порядке необходимо предоставить: 1). сертификаты (паспорта) на резиновые смеси; 2). сертификаты (паспорта) на соблюдение норм технологического процесса; 3). сертификаты (паспорта) на сами кольца с результатами проверки на соблюдение требований ГОСТ 9833-73 / ГОСТ 18829-73; 4). образцы колец для каждого сечения и каждой резиновой смеси с облоем и без облоя (по 1 - 2 шт.).
Оснастка: Поставщика
Объем заказа: свыше 1 миллиона рублей

Заказ 2450 (15.08.2016, Ярославская область). Заявка 705-16. Державки. Скачать чертежи
Материал: 30ХГСА, поставляет поставщик.
Производственная программа: количество указано во вложении.
Доп. требования: Требуется изготовить державки для токарных резцов.

Заказ 2449 (12.08.2016, Ростовская область). Колесо. Изготовление изделий методом порошковой металлургии. Скачать чертеж
Материал: Материал заказчика.
Производственная программа: 1200 шт./месяц.
Оснастка: Оснастка поставщика.

Заказ 2448 (12.08.2016, Ростовская область). Шестерня. Изготовление изделий методом порошковой металлургии. Скачать чертеж
Материал: Материал заказчика.
Производственная программа: 1200 шт./месяц.
Оснастка: Оснастка поставщика.

Заказ 2447 (08.08.2016, Ростовская область). Карусельная обработка заготовки. Скачать чертежи
Материал: Материал заказчика.
Производственная программа: 70 шт./мес.
Оснастка: Оснастка поставщика.

Заказ 2446 (08.08.2016, Ростовская область). Карусельная обработка заготовки. Скачать чертежи
Материал: Материал заказчика.
Производственная программа: 50 шт./мес.
Оснастка: Оснастка поставщика.

Заказ 2445 (08.08.2016, Владимирская область). Комплект деталей. Скачать чертежи
Материал: Материал - ДАВАЛЬЧЕСКИЙ.
Производственная программа: 2 комплекта из 12 деталей.
Доп. требования: 100% входной контроль представителями ВП МО! Отклонения от чертежа не допускаются!
Объем заказа: до 1 миллиона рублей.

Заказ 2444 (05.08.2016, Владимирская область). Мелкосерийное производство уплотнителя (ФОРМОВАНИЕ И ОБРАБОТКА БЕЗ СНЯТИЯ СТРУЖКИ (ПЛАСТМАССЫ И РЕЗИНА)). Скачать чертеж
Материал: Материал поставщика Смесь резиновая В-14 ТУ 005.1166-87.
Производственная программа: до 50 шт в месяц, регулярный заказ мин. на год.

Заказ 2443 (02.08.2016, Владимирская область). Днище запорное. Изготовление крупногабаритных металлоконструкций. Скачать чертеж
Материал: Возможно давальческое сырье.
Производственная программа: 17 шт. на 2016 года.
Доп. требования: Возможность контроля во время производства. Электронные чертежи ИСКЛЮЧИТЕЛЬНО для оценки возможности производства и расчета цены. Рабочие чертежи предоставляются на бумажном носители только при заключении договора и спецификации.
Оснастка: Оснастка поставщика.
Цена: 200 000 рубли
Объем заказа: свыше 1 миллиона рублей

Заказ 2442 (01.08.2016, Ростовская область). Токарная обработка заготовок. Скачать чертежи
Материал: Заготовки производит предприятие г. Челябинска по заказу контрактора.
Производственная программа: 330 шт./ежеквартально, общий вес - 20 тонн.
Доп. требования: К сотрудничеству приглашаются субконтракторы г. Челябинска и области.
Оснастка: Оснастка поставщика.

Заказ 2441 (29.07.2016, Московская область). Стопор винта предохранительный. Скачать чертеж
Материал: Сталь20Х, материал поставщика
Производственная программа: 50 шт. в месяц.
Доп. требования: Термообработки нет. Сварка. Гальваническое покрытие Блестящий Никель или более дешевый вариант Химическое оксидирование (чернение).
Оснастка: Оснастка поставщика
Цена: 320 руб./шт. рубли.
Объем заказа: до 1 миллиона рублей

Заказ 2440 (27.07.2016, Тверская область). Изготовление различных резинотехнических изделий (стандартных и нестандартных, армированных и неармированных) из различных давальческих резиновых смесей. Без чертежа
Материал: Материал - давальческий (поставляет заказчик): резиновые смеси на основе БНК, гидрированного БНК, ФК, СКЭП, ФСК, СК и другие.
Производственная программа: Разовые и постоянные заказы. Объёмы различные: от 1 шт. и более.
Доп. требования: Паспорт (сертификат) соответствия изделий технической документации заказчика. Документальные гарантии строгого соблюдения технологического процесса и использования именно давальческой резиновой смеси. Образцы изделий.
Оснастка: Поставщика и заказчика (давальческая).
Цена: Договорная. рубли
Объем заказа: до 1 миллиона рублей

Заказ 2439 (26.07.2016, Ростовская область). Закладные, изготовление изделий резанием. Скачать чертеж
Материал: поставщика
Производственная программа: 1000 штук.
Цена: 20 руб.
Объем заказа: до 300 тыс. рублей

Заказ 2438 (26.07.2016, Ростовская область). Закладные, изготовление изделий резанием. Скачать чертеж
Материал: поставщика
Производственная программа: 1000 штук.
Цена: 20 руб.
Объем заказа: до 300 тыс. рублей

Заказ 2437 (26.07.2016, Ростовская область). Закладные, изготовление изделий резанием. Скачать чертеж
Материал: поставщика
Производственная программа: 1000 штук.
Цена: 20 руб.
Объем заказа: до 300 тыс. рублей

Заказ 2436 (26.07.2016, Ростовская область). Закладные, изготовление изделий резанием. Скачать чертеж
Материал: поставщика
Производственная программа: 1000 штук.
Цена: 20 руб.
Объем заказа: до 300 тыс. рублей

Заказ 2435 (25.07.2016, Ростовская область). Втулка. Скачать чертеж (jpg)
Материал и оснастка: поставщика
Производственная программа: 1000 шт./мес.

Заказ 2434 (25.07.2016, Ростовская область). Ось. Скачать чертеж (jpg)
Материал и оснастка: поставщика
Производственная программа: 600 шт./мес.

Заказ 2433 (25.07.2016, Ростовская область). Поршень. Скачать чертеж (jpg)
Материал и оснастка: поставщика
Производственная программа: 40 шт./мес.

Заказ 2432 (25.07.2016, Ростовская область). Втулка ручного привода. Скачать чертеж (файл jpg)
Материал и оснастка: поставщика
Производственная программа: 600 шт./мес.

Заказ 2431 (22.07.2016, Волгоградская область). Изготовление Отсекателя изделия №25. Скачать чертеж (файл zip)
Материал и оснастка: поставщика
Производственная программа: 4 шт. (регулярный заказ)
Доп.требования: Коммерческие условия, которые необходимо указать в предложении и на основании которых принимается решение:
- Цена
- Срок изготовления
- Условия платежа (желательна оплата после поставки)
- Стоимость транспортных расходов до Волгограда (желательно доставка на склад Заказчика за счет Исполнителя).

Заказ 2430 (18.07.2016, Ярославская область). Токарная обработка, Крышка. Скачать чертеж (файл zip)
Материал: сталь Ст3сп2 (поставляет заказчик)
Производственная программа: 16 шт. (разовый заказ)

Заказ 2429 (18.07.2016, Ярославская область). Токарная обработка, Ступица УМ-144.00.001. Скачать чертеж (файл jpg)
Материал: круг 160 (поставляет заказчик)
Производственная программа: 1 шт. (разовый заказ)

Заказ 2428 (18.07.2016, Ярославская область). Токарная обработка, Камера минусовая 711256.001-10. Скачать чертеж (файл jpg)
Материал: Сталь 20-М1 (поставляет заказчик)
Производственная программа: 1 шт. (разовый заказ)
Доп. условия: без проточки канавок

Заказ 2427 (18.07.2016, Ярославская область). Токарная обработка, Камера плюсовая 711256.000-10. Скачать чертеж (файл jpg)
Материал: Сталь 20-М1 (поставляет заказчик)
Производственная программа: 1 шт. (разовый заказ)
Доп. условия: без проточки D3 и канавок

Заказ 2426 (18.07.2016, Ярославская область). Токарная обработка, Фланец 711342.004-10. Скачать чертеж (файл jpg)
Материал: Сталь 20-М1 (поставляет заказчик)
Производственная программа: 2 шт. (разовый заказ)

Заказ 2425 (18.07.2016, Ярославская область). Токарная обработка, Диск 711116.000-01. Скачать чертеж (файл jpg)
Материал: Ст3сп (поставляет заказчик)
Производственная программа: 1 шт. (разовый заказ)

Заказ 2424 (18.07.2016, Ярославская область). Токарная обработка, Заглушка 711121.000-09. Скачать чертеж (файл jpg)
Материал: Ст3сп (поставляет заказчик)
Производственная программа: 1 шт. (разовый заказ)

Заказ 2423 (18.07.2016, Ярославская область). Токарная обработка, Кольцо 711141.051-09. Скачать чертеж (файл jpg)
Материал: Ст3сп (поставляет заказчик)
Производственная программа: 1 шт. (разовый заказ)

Заказ 2422 (15.07.2016, Омская область). Крышка нижняя. Скачать чертежи (файл zip)
Материал: СЧ20, отливки-заготовки поставляет заказчик
Производственная программа: 600 шт.

Заказ 2421 (15.07.2016, Омская область). Крышка верхняя. Скачать чертежи (файл zip)
Материал: СЧ20, отливки-заготовки поставляет заказчик
Производственная программа: 600 шт.

Заказ 2420 (15.07.2016, Омская область). Корпус спиральный. Скачать чертежи (файл zip)
Материал: СЧ20, отливки-заготовки поставляет заказчик
Производственная программа: 420 шт.

Заказ 2419 (15.07.2016, Омская область). Корпус камеры. Скачать чертежи (файл zip)
Материал: СЧ20, отливки-заготовки поставляет заказчик
Производственная программа: 180 шт.

Заказ 2418 (13.07.2016, Московская область). Конические прямозубые шестеренки m=5. Скачать чертеж
Материал: Сталь40Х, поставщика
Производственная программа: 200 шт. в месяц
Оснастка: Оснастка поставщика
Цена: 560 руб/шт.
Доп.условия: Термообработка ТВЧ HRC 30...40

Заказ 2417 (13.07.2016, Московская область). Вал 100. Скачать чертеж
Материал: Сталь40Х, поставщика
Производственная программа: 100 шт. в месяц
Оснастка: Оснастка поставщика
Цена: 380 руб/шт.
Доп.условия: Термообработка ТВЧ HRC 30...40

Заказ 2416 (13.07.2016, Московская область). Вал 190. Скачать чертеж
Материал: Сталь40Х, поставщика
Производственная программа: 100 шт. в месяц
Оснастка: Оснастка поставщика
Цена: 460 руб/шт.
Доп.условия: Термообработка ТВЧ HRC 30...40

Заказ 2415 (12.07.2016, Чувашия). Вал 469-1701105. Скачать чертеж
Материал: Поковка - давальческая, Сталь 20ХГНМ
Производственная программа: 750 шт. в месяц

Заказ 2414 (12.07.2016, Чувашия). Вал 469-1701105. Скачать чертеж
Материал: Поковка - давальческая, Сталь 20ХГНМ
Производственная программа: 1100 шт. в месяц

Заказ 2413 (12.07.2016, Чувашия). Блок 469-1701050. Скачать чертеж
Материал: Поковка - давальческая, Сталь 20ХГНМ
Производственная программа: 700 шт. в месяц

Заказ 2412 (12.07.2016, Чувашия). Вал 469-1701048. Скачать чертеж
Материал: Поковка - давальческая, Сталь 20ХГНМ
Производственная программа: 700 шт. в месяц

Заказ 2411 (12.07.2016, Чувашия). Вал 469-1701030. Скачать чертеж
Материал: Поковка - давальческая, Сталь 20ХГНМ
Производственная программа: 600 шт. в месяц

Заказ 2410 (12.07.2016, Чувашия). Сердечник ГЛЦИ.684456.003. Скачать чертеж
Материал: Поковка - давальческая, Ст.30Л
Производственная программа: 1500 шт. в месяц

Заказ 2409 (12.07.2016, Чувашия). Сердечник ФЭГТ.2000.016. Скачать чертеж
Материал: Поковка - давальческая, Ст.3
Производственная программа: 1000 шт. в месяц

Заказ 2408 (11.07.2016, Московская область). Палец стабилизатора. Скачать чертеж (файл pdf)
Материал: Сталь 40Х. Термообработки нет. Поставщика
Производственная программа: 50 шт./месяц
Оснастка: Оснастка поставщика.
Цена: 750 руб/шт.
Объем заказа: до 1 миллиона рублей
Доп. условия: Если есть возможность гальванического покрытия, указывайте цену.

Заказ 2407 (11.07.2016, Московская область). Муфта под шпонку. Скачать чертеж (файл pdf)
Материал: Сталь 40Х. Термообработки нет. Поставщика
Производственная программа: 100 шт./месяц
Оснастка: Оснастка поставщика.
Цена: 330 руб/шт.
Объем заказа: до 1 миллиона рублей
Доп. условия: Если есть возможность гальванического покрытия, указывайте цену.

Заказ 2406 (11.07.2016, Московская область). Муфта 13-шлицевая с эвольвентным зацеплением. Скачать чертеж (файл pdf)
Материал: Сталь 40Х. Термообработки нет. Поставщика
Производственная программа: 100 шт./месяц
Оснастка: Оснастка поставщика.
Цена: 500 руб/шт.
Объем заказа: до 1 миллиона рублей
Доп. условия: Если есть возможность гальванического покрытия, указывайте цену.

Заказ 2405 (11.07.2016, Московская область). Муфта 6-шлицевая. Скачать чертеж (файл pdf)
Материал: Сталь 40Х. Термообработки нет. Поставщика
Производственная программа: 100 шт./месяц
Оснастка: Оснастка поставщика.
Цена: 450 руб/шт.
Объем заказа: до 1 миллиона рублей
Доп. условия: Если есть возможность гальванического покрытия, указывайте цену.

Заказ 2404 (11.07.2016, Московская область). Муфта грибковая. Скачать чертеж (файл pdf)
Материал: Сталь 40Х. Термообработки нет. Поставщика
Производственная программа: 100 шт./месяц
Оснастка: Оснастка поставщика.
Цена: 380 руб/шт.
Объем заказа: до 1 миллиона рублей
Доп. условия: Если есть возможность гальванического покрытия, указывайте цену.

Заказ 2403 (11.07.2016, Ярославская область). Корпус СТ-256891. Скачать чертеж (файл zip)
Материал: заказчика
Производственная программа: 1 шт., разовый заказ
Доп. требования: Токарная обработка с использованием центрового токарного станка.

Заказ 2402 (11.07.2016, Ярославская область). Валик МТ-256898. Скачать чертеж (файл jpg)
Материал: Ст45, заказчика
Производственная программа: 1 шт., разовый заказ
Доп. требования: Токарная обработка с использованием центрового токарного станка.

Заказ 2401 (11.07.2016, Ярославская область). Роликовая гибка металлических труб и профилей. Скачать чертежи (файл zip)
Материал: Труба _ 09-15-ТИ.05.001, Труба 1 _ 09-15-ТИ.05.002, заказчика
Производственная программа: 16 шт., разовый заказ
Доп. требования: Сварной вариант не допускается. Труба цельнотянутая.

Заказ 2400 (08.07.2016, Татарстан). Ушко передней и задней рессоры с втулкой. Скачать чертежи
Материал: поставщика
Производственная программа: 1000 передней и 1000 задней в месяц
Проходные цены:
ушко передней рессоры - 230 руб. без НДС
ушко и задней рессоры с втулкой - 250 руб. без НДС
Доп. требования: Заявка действительна до 31.08.2016. Просьба выставить коммерческое предложение. С заинтересованными предприятиями на данное предложение заключаем агентское соглашение.

Заказ 2399 (07.07.2016, Татарстан). Гайка сферическая – ГСС ф 040-065-50. Скачать чертеж (файл pdf)
Материал: поставщика
Производственная программа: 5000 шт. в месяц.
Доп. требования: Заявка действительна до 22.07.2016. Просьба выставить коммерческое предложение. С заинтересованными предприятиями на данное предложение заключаем агентское соглашение.

Заказ 2398 (07.07.2016, Татарстан). Муфта стальная МСО 040-057. Скачать чертеж (файл pdf)
Материал: поставщика
Производственная программа: 30000 шт. в месяц.
Доп. требования: Заявка действительна до 22.07.2016. Просьба выставить коммерческое предложение. С заинтересованными предприятиями на данное предложение заключаем агентское соглашение.

Заказ 2397 (06.07.2016, Татарстан). Изготовление деталей согласно чертежей. Скачать чертежи (файл zip)
Материал: поставщика
Производственная программа: Объем поставок составляет от 1000 шт. одного изделия в партии. Периодичность и объем партий будут определяться производственной необходимостью и согласовываться отдельно.
Доп. требования: Заявка действительна до 20.07.2016. Просьба выставить коммерческое. С заинтересованными предприятиями на данное предложение заключаем агентское соглашение.

Заказ 2396 (05.07.2016, Саранск). Изготовление деталей согласно чертежей. Скачать чертежи (файл zip)
Материал: ТВ1-0
Производственная программа: опытная партия

Заказ 2395 (05.07.2016, Чувашия). Токарная обработка. Скачать чертеж
Материал: круг, ст.45, поставщика
Производственная программа: 10000-15000 шт. в месяц

Заказ 2394 (05.07.2016, Чувашия). Литье металла под давлением. Скачать чертеж
Материал: поставщика
Производственная программа: до 10000 шт. в месяц
Оснастка: заказчика

Заказ 2393 (05.07.2016, Татарстан). Заявка №61. Перфорация отверстий d=3 мм в детали поз. 2. Скачать чертеж детали
Материал: труба 57х3.5 12Х18Н10Т
Производственная программа: 30 шт.
Доп. требования: Заявка действительна до 18.07.2016. Просьба выставить коммерческое предложение на перфорацию отверстий. С заинтересованными предприятиями на данное предложение заключаем агентское соглашение

Заказ 2392 (04.07.2016, Татарстан). Заявка №60. Изготовление оснастки. Скачать чертеж
Материал: поставщика
Производственная программа: 10 шт.
Доп. требования: Заявка действительна до 08.07.2016. Организация ищет поставщиков. Просьба выставить коммерческое предложение на изготовление оснастки. С заинтересованными предприятиями на данное предложение заключаем агентское соглашение

Заказ 2391 (04.07.2016, Татарстан). Заявка №59. Изготовление деталей: головка, коллектор выхлопной. Скачать чертежи (файл zip)
Материал: Основной материал отливки – ВЧ-50, поставщика
Производственная программа: Годовая потребность в деталях:
0337-05-001 Головка – 1200 шт.
0330-85-001-10 Коллектор выхлопной – 250 шт.
Доп. требования: Заявка действительна до 18.07.2016. С заинтересованными предприятиями на данное предложение заключаем агентское соглашение

Заказ 2390 (01.07.2016, Татарстан). Заявка №58. Изготовление деталей по чертежам заказчика (в приложении). Скачать документ
Материал: поставщика
Производственная программа: регулярные поставки.
Доп. требования: Заявка действительна до 22.07.2016. Организация ищет поставщиков. С заинтересованными предприятиями на данное предложение заключаем соглашение о конфиденциальности для передачи чертежей и КД.

Заказ 2389 (01.07.2016, Татарстан). Заявка № 57. Отливка из сплава ВЧ50. Скачать чертежи
Материал: поставщика
Производственная программа: 1 шт.
Доп. требования: Заявка действительна до 08.07.2016. Просим рассмотреть возможность изготовления на Вашем предприятии следующих изделий:
• Отливка из сплава ВЧ50 чертеж RO3539 – 1000 штук
• Отливка из сплава ВЧ50 чертеж RO3540 – 1000 штук
• Отливка из сплава ВЧ50 чертеж RO354 – 1000 штук Механическую обработку будем производить своими силами! В случае положительного решения прошу направить счет на оплату и указать сроки изготовления.

Заказ 2388 (01.07.2016, Татарстан). Заявка №56. Противовес квадратный. Скачать чертеж
Материал: сталь 30-35
Производственная программа: 1 шт.
Доп. требования: Заявка действительна до 08.07.2016. Просим рассмотреть возможность изготовления на Вашем предприятии следующих изделий:
• Противовес квадратный с мех. обработкой по чертежу 200*200*500 мм сталь 30-35 Проходная цена 11 000 руб. без НДС В случае положительного решения прошу направить счет на оплату и указать сроки изготовления.

Заказ 2387 (01.07.2016, Владимирская область). Контейнер. Скачать чертежи
Материал: заказчика
Производственная программа: в приложении.
Доп. требования: ТКП должно быть официально оформлено на бланке компании, зарегистрировано, подписано руководителем, поставлена печать и содержать:
- завод-изготовитель
- срок изготовления в раб днях.;
- условия оплаты ;
- срок действия данной цены;
- технические параметры конструкции и используемых материалов;
- КД (общий вид, чертежи).

Заказ 2386 (01.07.2016, Татарстан). Заявка №55. Изделия по чертежам заказчика. Скачать чертежи (22 мбайт)
Материал: поставщика
Производственная программа: постоянная потребность.
Доп. требования: Заявка действительна до 15.07.16. Прошу выставить коммерческое предложение. В коммерческом предложении обязательно должно быть указано следующее:
- условия оплаты;
- срок изготовления;
- входят ли транспортные расходы в стоимость продукции;
- цена за 1 шт. изделия без НДС (в нее включите цену оснастки). Данная информация нам нужна для выбора потенциального и стратегического

Заказ 2385 (01.07.2016, Владимирская область). Механическая обработка плит. Скачать чертеж
Материал: заказчика
Производственная программа: 3 комплекта в месяц.

Заказ 2384 (01.07.2016, Челябинская область). Сверление отверстия в трубе (РАСЧЕТ СТОИМОСТИ). Скачать чертеж
Материал: материал 12х18н10т металл заказчика
Производственная программа: 30 штук.
Объем заказа: до 300 тыс. рублей

Заказ 2383 (30.06.2016, Нижегородская область). Точеные изделия: угольники (отводы), переходы, тройники, бобышки, гайки, кольца, штуцера по ГОСТам, ОСТам, чертежам под обычное и высокое давление. Скачать чертеж
Материал: поставщика
Производственная программа: многоразовая. Работа в основном по проектной документации, спецификациям, чертежам.
Доп. требования: остальные чертежи по требованию
Оснастка: поставщика
Цена: договорная, рубли
Объем заказа: до 1 миллиона рублей

Заказ 2382 (29.06.2016, Татарстан). Заявка №54. Комплект деталей по чертежам заказчика. Скачать чертежи
Материал: поставщика
Производственная программа: Нас интересуют поставщики, которые могут закрыть всю заявку.
Доп. требования: Заявка действительна до 08.07.2016

Заказ 2381 (29.06.2016, Татарстан). Заявка №53. Аэродинамический щиток. Скачать документ
Материал: резиновая смесь на основе EPDM
Производственная программа: годовой объём с 2017-220 – 150 шт., с 2020 – 5000 шт.
Доп. требования: Заявка действительна до 08.07.16. Для получения чертежей нужно заключить соглашение о конфиденциальности.
Оснастка: Оснастку на изделия оплачиваем отдельно

Заказ 2380 (28.06.2016, Татарстан). Заявка №32. Двойной палец жатки комбайна- 379720. Скачать чертежи
Материал: Сталь 50Л ГОСТ 977-88, материал заказчика
Производственная программа: 2920 шт./месяц.
Доп. требования: Заявка действительна до 08.07.2016.
Цена: за механическую обработку 50 руб. с НДС

Заказ 2379 (28.06.2016, Татарстан). Заявка №32. Двойной палец жатки комбайна- 1027. Скачать чертежи
Материал: Сталь 50Л ГОСТ 977-88, материал заказчика
Производственная программа: 2920 шт./месяц.
Доп. требования: Заявка действительна до 08.07.2016.
Цена: за механическую обработку 50 руб. с НДС

Заказ 2378 (28.06.2016, Татарстан). Заявка №31. Производство продукции на конвейер. Скачать чертежи
Доп. требования: Заявка действительна до 08.07.2016.
Кто заинтересован в производстве данной продукции, просим направить презентацию предприятия. После рассмотрения, Вам направят соглашение о конфиденциальности, чертежи и т. д.

Заказ 2377 (28.06.2016, Вологда). Изготовление изделий по чертежам заказчика (Упор). Скачать чертежи
Материал: S235JR (C45), желтая оциинковка (поставляет поставщик).
Производственная программа: 5000 - 7000 штук.
Доп. требования: Изготовление детали – объёмная штамповка ! (не литьё)
Для начала необходимо изготовить опытные образцы для оценки Заказчиком

Заказ 2376 (28.06.2016, Саранск). Поставка изделий из титана (фрезерные и расточные работы).
Материал: ВТ1-0.
Производственная программа: разовый заказ.
Доп. требования: чертежи высылаются по запросу

Заказ 2375 (27.06.2016, Татарстан). Заявка №52. Обечайка форматного барабана. Скачать чертежи
Материал: серый чугун СЧ - 25 ГОСТ 1412-85.
Производственная программа: 1 штука.
Доп. требования: заявка действительна до 04.07.2016.

Заказ 2374 (27.06.2016, Татарстан). Заявка №51. Заказ на изготовление инструмента - протяжка. Скачать чертеж
Материал: поставщика.
Производственная программа: годовая программа 3 шт.
Доп. требования: заявка действительна до 01.07.16.
Цена: проходная цена 110 тыс.

Заказ 2373 (24.06.2016, Татарстан). Заявка №50. Пластины из чугуна марки. Скачать чертеж
Материал: поставщика.
Производственная программа: 1 000 штук согласно чертежа.
Доп. требования: Заявка действительна до 04.07.2016. Просим Вас выставить коммерческое предложение на изготовление пластин из чугуна марки СЧ-25 в количестве 1 000 штук согласно чертежа. Проходная цена 370 руб. с НДС.

Заказ 2372 (24.06.2016, Татарстан). Заявка №49. Изготовления деталей по чертежам заказчика. Скачать чертежи
Материал: поставщика.
Производственная программа: Деталей нужно 400 шт. (ориентировочная ежеквартальная потребность).
Доп. требования: Очень срочная необходимость в детали Корпус, изготовленной по любому из предложенных чертежей: 1. Сборный Корпус ПБЮМ 4.106.757, состоит из стального корпуса ПБЮМ 8.035.363 с запрессованной втулкой из полипропиленовой трубы; 2. Корпус ПБЮМ 8.035.363 из капролона; 3. Корпус ПБЮМ 8.035.363 из бронзы.

Заказ 2371 (24.06.2016, Московская область). Барабан малый. Скачать чертеж
Материал: поставщика.
Производственная программа: 2 шт. Разовый заказ.
Доп. требования: изготавливается на 4-х осевом ЧПУ станке

Заказ 2370 (24.06.2016, Московская область). Направляющая. Скачать чертеж
Материал: поставщика.
Производственная программа: 2 комплекта.
Доп. требования: шероховатость паза 2,5

Заказ 2369 (24.06.2016, Московская область). Держатель ножей. Скачать чертеж
Материал: поставщика.
Производственная программа: 2 шт. Разовый заказ.

Заказ 2368 (24.06.2016, Владимирская область). Изготовление деталей по чертежам заказчика. Скачать чертежи
Материал: поставщика.
Производственная программа: 10-20 комплектов с последующим увеличением.
Цена: проходная цена 35 000 руб.

Заказ 2367 (24.06.2016, Санкт-Петербург). Сухари и полуматрицы (Металлические модели). Скачать чертежи
Материал: изготовителя.
Производственная программа: Сухари - 4 шт. Полуматрицы - 2 шт. Заказ подобных комплектов регулярный.
Цена: договорная рубли.

Заказ 2366 (24.06.2016, Санкт-Петербург). ВРЛМ.295241.191 (Пресс-формы). Скачать чертежи
Материал: Заготовки под износостойкие вставки поставляет заказчик, металл за счет изготовителя.
Производственная программа: Изделия типовые, общий заказ от 5 шт. в месяц.
Доп. требования: Желателен опыт обработки твердых сплавов (ВК8, ВК15).
Цена: договорная рубли.

Заказ 2365 (24.06.2016, Санкт-Петербург). ВРЛМ.295241.523 (Пресс-формы). Скачать чертежи
Материал: Заготовки под износостойкие вставки поставляет заказчик, металл за счет изготовителя.
Производственная программа: Изделия типовые, общий заказ от 5 шт. в месяц.
Доп. требования: Желателен опыт обработки твердых сплавов (ВК8, ВК15).
Цена: договорная рубли.

Заказ 2364 (24.06.2016, Санкт-Петербург). ВРЛМ.295241.462 (Пресс-формы). Скачать чертежи
Материал: Заготовки под износостойкие вставки поставляет заказчик, металл за счет изготовителя.
Производственная программа: Изделия типовые, общий заказ от 5 шт. в месяц.
Доп. требования: Желателен опыт обработки твердых сплавов (ВК8, ВК15).
Цена: договорная рубли.

Заказ 2363 (24.06.2016, Санкт-Петербург). ВРЛМ.295241.141 (Пресс-формы). Скачать чертежи
Материал: Заготовки под износостойкие вставки поставляет заказчик, металл за счет изготовителя.
Производственная программа: Изделия типовые, общий заказ от 5 шт. в месяц.
Доп. требования: Желателен опыт обработки твердых сплавов (ВК8, ВК15).
Цена: договорная рубли.

Заказ 2362 (24.06.2016, Санкт-Петербург). Шлифовка и полировка изделий. Скачать чертеж
Материал: ВК8 и другие твердые сплавы, заготовки поставляет заказчик.
Производственная программа: от 2000 до 50000 шт.
Доп. требования: Требуются обработчики изделий по чертежам заказчика. Номенклатура более 100 изделий.
Оснастка: Поставщика
Цена: договорная рубли
Объем заказа: свыше 1 миллиона рублей

Заказ 2361 (24.06.2016, Санкт-Петербург). Шлифовка и полировка изделий. Скачать чертеж
Материал: ВК8 и другие твердые сплавы, заготовки поставляет заказчик.
Производственная программа: от 2000 до 50000 шт.
Доп. требования: Требуются обработчики изделий по чертежам заказчика. Номенклатура более 100 изделий.
Оснастка: Поставщика
Цена: договорная рубли
Объем заказа: до 1 миллиона рублей

Заказ 2360 (24.06.2016, Санкт-Петербург). Корпус пяты ВРЛМ.711392.003. Скачать чертеж
Материал: Сталь 40Х13 ГОСТ 5632-72 (поставщика).
Производственная программа: 1 000 шт./мес.
Доп. требования: см. чертеж детали.

Заказ 2359 (24.06.2016, Санкт-Петербург). Обойма верхняя ВРЛМ.713343.002. Скачать чертеж
Материал: Сталь 40Х13 ГОСТ 5632-72 (поставщика).
Производственная программа: 1 000 шт./мес.
Доп. требования: см. чертеж детали.

Заказ 2358 (24.06.2016, Санкт-Петербург). Оснастка для ремонта и модернизации оборудования. Скачать чертежи
Материал: согласно чертежу, конструкционные стали.
Производственная программа: аналогичные заказы несколько раз в год.
Доп. требования: Прошу рассмотреть возможность изготовления изделий: ВРЛМ.295241.030.005.002 – 2 шт. ВРЛМ.295241.030.005.005 – 3 шт. ВРЛМ.295241.427.005-01 – 1 шт. ВРЛМ.295241.220.002.002 – 1 шт. Данные изделия требуются для ремонта оборудования. Изготовление различной оснастки и сложных изделий требуются регулярно для обеспечения собственного производства. В долгосрочной перспективе ищем партнера, которому интересны подобные работы.
Оснастка: Интересует полное изготовление.
Цена: договорная рубли
Объем заказа: до 300 тыс. рублей

Заказ 2357 (23.06.2016, Владимирская область). Изготовление изделий по чертежам заказчика (клапанная пара). Скачать чертежи
Материал: поставщика.
Производственная программа: во вложении.
Доп. требования: просим сообщить сроки изготовления, условия по оплате и доставке.

Заказ 2356 (23.06.2016, Удмуртия). Фонарь, гибка профильной трубы 120х60. Скачать чертеж
Материал: поставщика.
Производственная программа: разовый заказ.
Доп. требования: Высота 5 метров.
Объем заказа: до 1 миллиона рублей

Заказ 2355 (23.06.2016, Татарстан). ЗЗаявка №46. Изготовление инструмента - протяжка. Скачать чертеж
Материал: поставщика.
Производственная программа: годовая программа 3 шт.
Доп. требования: заявка действительна до 30.06.16.

Заказ 2354 (23.06.2016, Татарстан). Заявка №45. Втулка. Скачать чертеж
Материал: Сталь 20х13 или 14х17 или 08х12н10т.
Производственная программа: 280 000 шт. в год.
Доп. требования: заявка действительна до 01.07.2016. Выставляйте коммерческое предложение на изделие.

Заказ 2353 (22.06.2016, Татарстан). Заявка №44. "Уголок вверной". Скачать чертежи
Материал: поставщика.
Производственная программа: месячная потребность - 5000 шт.
Доп. требования: Заявка действительна до 30.06.16. Прошу проработать возможность изготовления детали "Уголок вверной". КД в прикрепленном файле.

Заказ 2352 (22.06.2016, Татарстан). Заявка №43. Детали по чертежам заказчика. Скачать чертежи
Материал: поставщика.
Производственная программа: примерная партия поставки 150-200 комплектов в месяц.
Доп. требования: Заявка действительна до 30.06.16. Прошу выставить коммерческое предложение о изготовлении изделий по прилагаемым чертежам.

Заказ 2351 (22.06.2016, Татарстан). Заявка №42. Изготовления и поставки втулки. Без чертежа
Материал: поставщика.
Производственная программа: 30 штук.
Доп. требования: заявка действительна до 30.06.16. Прошу рассмотреть возможность изготовления и поставки втулки с чистовыми размерами: Внешний диаметр 630 мм, внутренний диаметр 480 мм, длина 182 мм – 30 штук. Марка стали: 40Х13 Способ литья: центробежное литьё!

Заказ 2350 (22.06.2016, Татарстан). Заявка №17. Ушко передней и задней рессоры с втулкой. Скачать чертежи
Материал: поставщика.
Производственная программа: объем на данный момент 1000 передней и 1000 задней.
Доп. требования: Заявка действительна до 01.07.16. Рассчитать стоимость готовой продукции ушко передней и задней рессоры с втулкой. Детали пойдут на конвейер. Проходные цены: ушко передней рессоры- 230 руб. без НДС; ушко задней рессоры с втулкой- 250 руб. без НДС.

Заказ 2349 (17.06.2016, Тверская область). Срочно необходимы кольца резиновые круглого сечения стандартные ГОСТ 9833-73 и нестандартные из различных резиновых смесей. Скачать чертежи
Материал: поставщика.
Производственная программа: во вложении.
Доп. требования: обязательно предоставление сертификатов на резиновые смеси и их характеристик и образцов колец с зачисткой (обработкой) облоя и без неё.
Оснастка: поставщика.
Объем заказа: до 1 миллиона рублей.

Заказ 2348 (17.06.2016, Татарстан). Заявка №41. Изготовление деталей по чертежам заказчика. Скачать чертежи
Материал: поставщика.
Производственная программа: во вложении.
Доп. требования: Заявка действительна до 24.06.16. Дать коммерческое предложение деталей, чертежи которых находятся в приложении. Указать стоимость оснастки для программы выпуска.

Заказ 2347 (15.06.2016, Ярославская область). Вал_16.500.00.006. Скачать чертеж
Материал: Поставляет Заказчик/поставляет Поставщик.
Производственная программа: Разовый заказ.
Доп. требования: Рассмотрим Ваши предложения по изготовлению вала согласно прилагаемого чертежа.

Заказ 2346 (15.06.2016, Ярославская область). Ролик верхний П247.01.003. Скачать чертеж
Материал: поставляет поставщик.
Производственная программа: 1 шт.
Доп. требования: Рассмотрим возможность изготовления Ролика верхнего П247.01.003 из Вашего материала.

Заказ 2345 (14.06.2016, Ярославская область). Провод из медной луженой проволоки. Скачать чертежи
Материал: заказчика по давальческой схеме.
Производственная программа: тысяча штук в год.
Доп. требования: Провод из медной луженой проволоки, двух различных сечений, 16 мм2 и 25 мм2. В зависимости от сечения провода (16 мм2 / 25 мм2) размеры следующие: B – 20 / 22 мм; D – 1,8 / 2,5 мм; d – 10 мм; L1 – 400 мм; L2 – 60 мм; L3 – 32 мм. Прошу сделать коммерческое предложение на услуги пайки или задать уточняющие вопросы (по эл почте).

Заказ 2344 (14.06.2016, Московская область). Штамп вытяжной в сборе. Скачать чертежи
Материал: поставляет поставщик/исполнитель.
Производственная программа: разовый заказ.
Объем заказа: до 300 тыс. рублей.

Заказ 2343 (14.06.2016, Чувашия). Корпус, ВАЛ. Скачать чертежи
Материал: материал поставщика.
Производственная программа: 100-1000 штук.
Доп. требования: предложения отправлять по электронной почте.

Заказ 2342 (14.06.2016, Ярославская область). Таблички на оцинкованном железе 0,55 мм. Скачать чертеж
Материал: материал поставщика.
Производственная программа: во вложении.
Доп. требования: Таблички на оцинкованном железе 0,55 мм. Порошковая краска белый глянец.

Заказ 2341 (09.06.2016, Москва). Проушина 55. Скачать чертеж
Материал: материал поставщика.
Производственная программа: разовый заказ, 800 штук.
Оснастка: оснастка поставщика.
Цена: 18 руб./ шт. рубли
Объем заказа: до 300 тыс. рублей

Заказ 2340 (09.06.2016, Москва). Проушина 50. Скачать чертеж
Материал: материал поставщика.
Производственная программа: разовый заказ, 1000 штук.
Оснастка: оснастка поставщика.
Цена: 17 руб./ шт. рубли
Объем заказа: до 300 тыс. рублей

Заказ 2339 (09.06.2016, Москва). Проушина 45. Скачать чертеж
Материал: материал поставщика.
Производственная программа: разовый заказ, 800 штук.
Оснастка: оснастка поставщика.
Цена: 15 руб./ шт. рубли
Объем заказа: до 300 тыс. рублей

Заказ 2338 (09.06.2016, Москва). Язык. Скачать чертеж
Материал: материал поставщика.
Производственная программа: разовый заказ, 1200 штук.
Оснастка: оснастка поставщика.
Цена: 8 руб./ шт. рубли
Объем заказа: до 300 тыс. рублей

Заказ 2337 (09.06.2016, Москва). Деталь 13. Скачать чертеж
Материал: материал поставщика.
Производственная программа: разовый заказ, 1000 штук.
Оснастка: оснастка поставщика.
Цена: 3 руб./ шт. рубли
Объем заказа: до 300 тыс. рублей

Заказ 2336 (09.06.2016, Москва). Деталь 2. Скачать чертеж
Материал: материал поставщика.
Производственная программа: разовый заказ, 1000 штук.
Оснастка: оснастка поставщика.
Цена: 14 руб./ шт. рубли
Объем заказа: до 300 тыс. рублей

Заказ 2335 (09.06.2016, Москва). Планка 240И. Скачать чертеж
Материал: материал поставщика.
Производственная программа: разовый заказ, 1500 штук.
Оснастка: оснастка поставщика.
Цена: 5 руб./ шт. рубли
Объем заказа: до 300 тыс. рублей

Заказ 2334 (09.06.2016, Москва). Планка 46И2. Скачать чертеж
Материал: материал поставщика.
Производственная программа: разовый заказ, 3000 штук.
Оснастка: оснастка поставщика.
Цена: 9 руб./ шт. рубли
Объем заказа: до 300 тыс. рублей

Заказ 2333 (09.06.2016, Москва). 1373120-01 комплект реек. Скачать чертеж
Материал: материал поставщика.
Производственная программа: 1 комплект.
Доп. требования: прошу Вас выставить счёт на нижеуказанные позиции и указать в нём сроки и условия их поставки по электронной почте.

Заказ 2332 (09.06.2016, Москва). Щека. Скачать чертеж
Материал: материал поставщика.
Производственная программа: 100 шт.
Доп. требования: Нужно отковать заготовки и мех. обработать по чертежу или просто отковать заготовку.

Заказ 2331 (09.06.2016, Костромская обл.). Линейка. Скачать чертеж
Материал: материал поставщика.
Производственная программа: 1 шт., разовый заказ.
Объем заказа: до 300 тыс. рублей

Заказ 2330 (08.06.2016, Московская обл.). Заказ на производство заготовок втулок из полиамида (Литье под давлением (пластмассы и резина)). Скачать чертеж
Материал: материал поставщика. Полиамид, капролон ПА6.
Производственная программа: 300 шт. в мес.
Доп. требования: Нужно изготовить пресс-форму под заготовку и начать производство заготовок под втулки, в соответствии с чертежом.
Оснастка: поставщика
Объем заказа: до 1 миллиона рублей

Заказ 2329 (08.06.2016, Москва). Втулка. Скачать чертеж
Материал: материал поставщика (возможно обсуждение возможности материала заказчика).
Производственная программа: 2 шт.
Доп. требования: в полном соответствии с чертежом
Цена: минимальные рубли.
Оснастка: оснастка поставщика

Заказ 2328 (07.06.2016, Московская обл.). Производство конических прямозубых шестеренок m=4.5. Скачать чертеж
Материал: поставщика.
Производственная программа: 200 шт. Кол-во в месяц.
Доп. требования: 1.Материал сталь 40Х. 2.Термообработка нормализация, улучшение, но возможно твч (ориентировка по цене) 3. Степень точности 8-10( так же зависит от цены и возможностей)
Цена: 430 рубли.
Объем заказа: до 300 тыс. рублей

Заказ 2327 (07.06.2016, Московская обл.). Производство коротких валов сталь40Х!!. Скачать чертеж
Материал: поставщика.
Производственная программа: 100 шт. Кол-во в месяц.
Доп. требования: Материал сталь 40Х. 2.Термообработка нормализация, улучшение, но возможно твч (ориентировка по цене) 3. Степень точности 8-10( так же зависит от цены и возможностей)
Цена: 350 рубли.
Объем заказа: до 300 тыс. рублей

Заказ 2326 (07.06.2016, Московская обл.). Производство длинных валов сталь40Х !!. Скачать чертеж
Материал: поставщика.
Производственная программа: 100 шт. Кол-во в месяц.
Доп. требования: 1.Материал сталь 40Х. 2.Термообработка нормализация, улучшение, но возможно твч (ориентировка по цене) 3. Степень точности 8-10( так же зависит от цены и возможностей)
Цена: 430 рубли.
Объем заказа: до 300 тыс. рублей

Заказ 2325 (07.06.2016, Башкортостан). Ролик прямой накатки Э16115-2. Скачать чертеж
Материал: сталь 9ХС ГОСТ5950-73, поставщика.
Производственная программа: 10 шт., разовый.
Доп. требования: Просим оперативно составить калькуляцию и выслать на эл. почту
Оснастка: поставщика.

Заказ 2324 (07.06.2016, Башкортостан). Выталкиватель Э17335-10. Скачать чертеж
Материал: сталь У8А ГОСТ1435-74, поставщика.
Производственная программа: 1шт., разовый.
Доп. требования: Просим оперативно составить калькуляцию и выслать на эл. почту
Оснастка: поставщика.
Объем заказа: до 300 тыс. рублей

Заказ 2323 (07.06.2016, Башкортостан). Приспособление защитное Э17602-01, 02. Скачать чертеж
Материал: стеклотекстолит СТ-ЭТФ 2с-0,8 ГОСТ16652-74, поставщика.
Производственная программа: по 1 изделию, разовый.
Доп. требования: Просим оперативно составить калькуляцию и выслать на эл. почту
Оснастка: поставщика.
Объем заказа: до 300 тыс. рублей

Заказ 2322 (07.06.2016, Башкортостан). Клеймо Э16991-14, 15, 16. Скачать чертеж
Материал: Сталь У8А ГОСТ1435.
Производственная программа: по 1 изделию, разовый.
Доп. требования: Просим оперативно составить калькуляцию и выслать на эл. почту
Оснастка: поставщика.
Объем заказа: до 300 тыс. рублей

Заказ 2321 (07.06.2016, Башкортостан). Шаблон Э17595. Скачать чертеж
Материал: лист Б-ПН-3 ГОСТ19903-74/ ст3сп ГОСТ14637-89.
Производственная программа: 1 шт., разовый.
Доп. требования: Просим оперативно составить калькуляцию и выслать на эл. почту
Оснастка: поставщика.
Объем заказа: до 300 тыс. рублей

Заказ 2320 (06.06.2016, Башкортостан). Кондуктор для сверления Э17601-00 (Сборочные единицы).
Материал: см. документацию, поставщика.
Производственная программа: 1 шт., разовый.
Доп. требования: Просим оперативно составить калькуляцию и выслать на эл. почту
Оснастка: поставщика.
Объем заказа: до 300 тыс. рублей

Заказ 2319 (06.06.2016, Башкортостан). Подставка под вискозиметр В3246 Э17605-00 (Сборочные единицы). Скачать чертеж
Материал: Ст3.
Производственная программа: 1 шт., разовый.
Доп. требования: Просим оперативно составить калькуляцию и выслать на эл. почту
Объем заказа: до 300 тыс. рублей

Заказ 2318 (06.06.2016, Башкортостан). Стойка специальная Э176-00 (Дуговая сварка покрытым электродом ). Скачать чертеж
Материал: согласно спецификации.
Производственная программа: 4 шт., разовый.
Доп. требования: Просим оперативно составить калькуляцию и выслать на эл. почту
Объем заказа: до 300 тыс. рублей

Заказ 2317 (06.06.2016, Башкортостан). Шаблон Э15624 (Контурная фрезерная обработка). Скачать чертеж
Материал: АМг5.1 ГОСТ21631-76, поставщика.
Производственная программа: 1 шт., разовый.
Доп. требования: Просим оперативно составить калькуляцию и выслать на эл. почту
Объем заказа: до 300 тыс. рублей

Заказ 2316 (06.06.2016, Башкортостан). Основание (ТТ по ОСТ4ГО.070.014) (Вертикальная фрезерная обработка). Скачать чертеж
Материал: лист Д16Т ГОСТ21631-76.
Производственная программа: 4 шт., разовый.
Доп. требования: Просим оперативно составить калькуляцию и выслать на эл. почту
Объем заказа: до 300 тыс. рублей

Заказ 2315 (31.05.2016, Татарстан). Барабан тормозной. Литьё из СЧ-25 согласно прилагаемого чертежа. Скачать чертеж
Материал: поставщика.
Производственная программа: 1000 шт./месяц, долгосрочная поставка.
Доп. требования: прошу направить коммерческое предложение с расчетом цены

Заказ 2314 (31.05.2016, Самарская область). Комплект деталей по чертежам заказчика. Скачать чертежи
Материал: материал поставщика (изготовителя).
Производственная программа: 1 раз в два месяца.

Заказ 2313 (31.05.2016, Москва). Планка 46. Скачать чертеж
Материал: материал поставщика (изготовителя).
Производственная программа: 20 000 шт. в месяц.
Оснастка: оснастка поставщика
Цена: 18 руб./шт. рубли
Объем заказа: до 1 миллиона рублей

Заказ 2312 (31.05.2016, Татарстан). Заявка №40. Локализация деталей. Скачать чертежи
Материал: поставщика.
Производственная программа: во вложении.
Доп. требования: заявка действительна до 20.06.16

Заказ 2311 (31.05.2016, Татарстан). Заявка №39. Изготовление шайбы. Без чертежа
Материал: поставщика.
Производственная программа: количество 2000 шт. в месяц.
Доп. требования: Нужно изготовить шайбу из стали 3 толщина 2мм внутренний диаметр16.5 наружный 35мм или 40 мм.
Цена: проходная цена 1 рубль с НДС

Заказ 2310 (31.05.2016, Татарстан). Заявка №38. Изготовления оборудования по чертежам заказчика. Скачать чертежи
Материал: поставщика.
Производственная программа: во вложении.
Доп. требования: заявка действительна до 14.06.16

Заказ 2309 (30.05.2016, Московская область). Барабан ведомый. Скачать чертеж
Материал: поставщика.
Производственная программа: 2 шт.

Заказ 2308 (30.05.2016, Москва). Деталь 10. Скачать чертеж
Материал: поставщика.
Производственная программа: разовый заказ 3 000 шт.
Оснастка: оснастка поставщика.
Цена: 9 рубли.
Объем заказа: до 300 тыс. рублей.

Заказ 2307 (27.05.2016, Татарстан). Заявка №37. Маховик. Скачать чертеж
Материал: поставщика.
Производственная программа: 20 штук (пробная партия).
Доп. требования: Заявка действительна до 17.06.2016. Просим Вас выставить коммерческое предложение с указанием цены и сроков поставки.

Заказ 2306 (27.05.2016, Московская область). Барабан ведущий. Скачать чертеж
Материал: поставщика.
Производственная программа: разовый заказ 2 шт.

Заказ 2305 (24.05.2016, Челябинская область). Шестерня. Скачать чертежи
Материал: поставщика.
Производственная программа: разовый заказ.
Доп. требования: Необходимо изготовить шестерню и комплект фланцев, а так же ось. Подшипники должны поставляется совместно с узлом. Цепь 2НП ( эскиз во вложении)
Объем заказа: до 300 тыс. рублей.

Заказ 2304 (24.05.2016, Челябинская область). Изготовление чугунной плиты (поз.1 на рисунке)! Плита используется в работе гидравлического пресса. Работа очень срочная. Скачать чертеж
Материал: согласуется с заказчиком.
Производственная программа: разовый заказ.
Цена: договорная.

Заказ 2303 (20.05.2016, Татарстан). Заявка №36. Поилки. Скачать чертежи
Материал: поставщика.
Производственная программа: 1000 шт.
Доп. требования: дополнительная информация в 2-х приложениях.
Цена: проходная цена 400 руб./шт.

Заказ 2302 (20.05.2016, Татарстан). Заявка №35. Изготовление 3-шагового штампа на наш пресс-автомат BPA-30. Скачать чертежи
Материал: СТАЛЬ 65Г 0,5 мм твёрдая.
Производственная программа: разовый заказ.
Доп. требования: Требуется коммерческое предложение на изготовление 3-шагового штампа на наш пресс-автомат BPA-30. Ресурс 3 млн. смыканий. Высечка и отгиб фиксирующих язычков – твёрдый сплав. Без шаговых ножей, шаг подачи обеспечивается прессом, ширина детали равна ширине ленты. 4 колонны с роликовыми направляющими. Полноразмерные верхняя и нижние плиты, без хвостовика.
Цена: Таргет 150 т.р.

Заказ 2301 (20.05.2016, Татарстан). Заявка №34. Требуется расковка имеющихся у нас 2-х слитков из стали 08Х12Н6Т на заготовки гребных валов. Скачать чертежи
Материал: заказчика.
Производственная программа: разовый заказ.
Доп. требования: заявка действительна до 17.06.2016. Требуется расковка имеющихся у нас 2-х слитков из стали 08Х12Н6Т на заготовки гребных валов. При этом посылаю фотографии и эскиз слитков.

Заказ 2300 (20.05.2016, Татарстан). Заявка №33. Отливка. Скачать чертежи
Материал: поставщика.
Производственная программа: месячная потребность 1000 шт.
Доп. требования: заявка действительна до 14.06.16. Требуется отливка с допуском под обработку.

Заказ 2299 (20.05.2016, Татарстан). Заявка №32. Двойной палец жатки комбайна- 1027. Двойной палец жатки комбайна- 379720. Скачать чертежи
Материал: материал заказчик.
Производственная программа: 2920 шт. каждого в месяц.
Доп. требования: заявка действительна до 27.05.16.

Заказ 2298 (20.05.2016, Татарстан). Заявка №31/2. Изготовление деталей по чертежам заказчика. Скачать чертежи
Материал: поставщика.
Производственная программа: годовая потребность составляет 25000 штук в год каждого наименования.
Доп. требования: Заинтересованным предприятиям просим предоставить информацию, согласно списка: 1. Презентация, сайт; 2. Описание станочного парка; 3. Контроль качества, сертификаты; 4. Ваши заказчики. В соответствии с потребностями организации на данный момент.

Заказ 2297 (20.05.2016, Татарстан). Заявка №31/1. Изготовление деталей по чертежам заказчика. Скачать чертежи
Материал: поставщика.
Производственная программа: во вложении.
Доп. требования: Заявка действительна до 16.06.16.

Заказ 2296 (20.05.2016, Санкт-Петербург). Необходимо изготовление деталей корпус. Скачать чертеж
Материал: из материала поставщика, с сертификатами.
Производственная программа: 4шт. разовый заказ.
Объем заказа: до 300 тыс. рублей.

Заказ 2295 (20.05.2016, Москва). Фланец. Скачать чертежи
Материал: поставщика.
Производственная программа: 50 шт. год.

Заказ 2294 (20.05.2016, Москва). Запчасти к импортным плунжерным насосам. Скачать чертежи
Материал: поставщика.
Производственная программа: плунжер 5 дюймов - 2000 шт. Гидравлическая часть - 20 шт.
Оснастка: поставщика.
Объем заказа: свыше 1 миллиона рублей.

Заказ 2293 (20.05.2016, Татарстан). Заявка №30. Отливка подставки для печи БН-2847. Скачать чертеж
Материал: поставщика.
Производственная программа: 22 штуки.
Доп. требования: заявка действительна до 15.06.16. При положительном решении просим выставить счет или коммерческое предложение с указанием цены и сроков поставки.

Заказ 2292 (19.05.2016, Татарстан). Заявка №29. Изготовление труб. Скачать чертежи
Материал: поставщика.
Производственная программа: во вложении.
Доп. требования: Заявка действительна до 14.06.2016. При отсутствии технической возможности по мех. обработке вышеуказанных изделий прошу выставить коммерческое предложение на литые заготовки (отливки).

Заказ 2291 (18.05.2016, Курская область). Колпачки на ниппеля и муфты. Скачать чертежи
Материал: поставщика.
Производственная программа: 100 шт. в месяц.
Объем заказа: до 300 тыс. рублей.
Оснастка: поставщика.

Заказ 2290 (18.05.2016, Московская область). Изделия из гнутого стекла. Скачать чертеж
Материал: стекло.
Производственная программа: 20 шт. каждого вида в месяц.
Доп. требования: доставка поставщика.
Оснастка: поставщика.

Заказ 2289 (16.05.2016, Чувашия). Фитинги. Скачать чертежи
Материал: Поставщика.
Производственная программа: 10000 комплектов/месяц.
Доп. требования: предложения отправлять на электронную почту.
Цена: во вложенном письме.
Объем заказа: до 1 миллиона рублей.

Заказ 2288 (16.05.2016, Татарстан). Заявка №27. Локализация деталей. Скачать документ
Материал: в приложении.
Производственная программа: в приложении.
Доп. требования: заявка действительна до 27.05.2016. При заинтересованности поставщиков в сотрудничестве и после подписания соглашения о конфиденциальности мы высылаем чертежи.

Заказ 2287 (16.05.2016, Татарстан). Заявка №26. Заготовка втулки по чертежу 01043. Скачать чертеж
Материал: поставщика.
Производственная программа: 3 штуки.
Доп. требования: при положительном решении просим выставить счет или коммерческое предложение с указанием цены и сроков поставки.

Заказ 2286 (16.05.2016, Татарстан). Заявка №25. Втулки ступицы. Скачать чертежи
Материал: заказчика.
Производственная программа: в приложении.
Доп. требования: заявка действительна до 26.05.2016.

Заказ 2285 (13.05.2016, Татарстан). Заявка №23. Изготовление отливок. Скачать чертежи
Материал: поставщика.
Производственная программа: разовый заказ 4 шт.
Доп. требования: заявка действительна до 26.05.16., для производства отливок использовать сплав ASTM A743 CA-6NM (13% хрома и 4% никеля). Этот сплав походит на типы 410 и 420 SST, тем что содержат столько же хрома, но тут нет никеля, или его аналоги.

Заказ 2284 (12.05.2016, Татарстан). Заказ 052-16 Gear (Зубофрезерная обработкао прямозубых цилиндрических зубчатых колес и звездочек). Скачать чертежи
Материал: в приложении.
Производственная программа: в приложении.
Доп. требования: заявка действует до 24.05.16. Для предоставления чертежей и технических заданий нужно будет предварительно заключить соглашение конфиденциальности с заказчиком. Проходных цен заказчик не предоставляет.

Заказ 2283 (12.05.2016, Татарстан). Заявка №21. Изготовление и поставка заготовки из БрО10Ф1. Без чертежа
Материал: БрО10Ф1
Производственная программа: 1 шт.
Доп. требования: прошу рассмотреть возможность изготовления и поставки заготовки из БрО10Ф1 размером (чистовой) Внешний диаметр 390 мм, внутренний диаметр 258 мм, длина 1200мм в количестве 1шт. При положительном решении просим выставить счет или коммерческое предложение с указанием цены и сроков поставки.

Заказ 2282 (10.05.2016, Татарстан). Заказ 052-16 Gear (Зубофрезерная обработкао прямозубых цилиндрических зубчатых колес и звездочек). Скачать чертежи
Материал: поставляет поставщик.
Производственная программа: ищем постоянных партнеров в России для изготовления высокоточных зубчатых колес.
Доп. требования: требуется возможность зубошлифования.

Заказ 2281 (06.05.2016, Татарстан). Заявка 2/2. Серийное изготовление деталей по чертежам заказчика. заказ Закрыт
Материал: во вложении.
Производственная программа: во вложении.
Доп. требования: отсрочка платежа 30 дней.

Заказ 2280 (29.04.2016, Татарстан). Заявка №19. Изготовление кронштейнов.
Скачать чертежи
Материал: поставщика с мех. обработкой.
Производственная программа: 50 шт. ежемесячно.
Доп. требования: заявка действительна до 13.05.16

Заказ 2279 (29.04.2016, Татарстан). Заявка №18. Грундбукса. Скачать чертеж
Материал: поставщика.
Производственная программа: грундбукса с полной механической обработкой по чертежу 02014 – 1 шт.
Доп. требования: заявка действует до 13.05.16. Просим рассмотреть возможность изготовления на Вашем предприятии изделия, в случае положительного решения прошу направить коммерческое предложение и указать сроки изготовления.

Заказ 2278 (29.04.2016, Татарстан). Заявка №16. Лопатка турбокомпрессора. Скачать чертежи
Материал: поставщика с мех. обработкой.
Производственная программа: месячная потребность 1000 шт.
Доп. требования: заявка действительна до 11.05.16

Заказ 2277 (29.04.2016, Ульяновская область). требуется нарезать 3 шестерни и 3 вала. Скачать чертежи
Материал: поставщика.
Производственная программа: шестерня № 1 м вал №1 - 2000/год шестерня №2 и вал №2 - 600/год шестерня №3 и вал №3 - 500/год
Оснастка: оснастка поставщика.
Объем заказа: свыше 1 миллиона рублей

Заказ 2276 (29.04.2016, Татарстан). Заявка №15. Детали по чертежам заказчика. Скачать чертежи
Материал: поставщика.
Производственная программа: нужно изготовить пробную партию по 10 шт. в дальнейшем по 100 шт. в месяц.
Доп. требования: заявка действительна до 11.05.16
Цена: проходная цена за 1 шт. - 2 200 руб. без НДС

Заказ 2275 (29.04.2016, Москва). Шлифовка керамических втулок. Скачать чертеж
Материал: заготовки заказчика.
Производственная программа: Обработка втулок из заготовки производится методом кругового шлифования. 1500 штук в год.
Доп. требования: Материал керамики ВН-94-1. К заявке приложен чертеж заготовки и конечного изделия после обработки.
Оснастка: оснастка поставщика.
Объем заказа: до 1 миллиона рублей.

Заказ 2274 (28.04.2016, Татарстан). Заявка №14. Окраска металлических изделий. Без чертежа
Материал: поставщика.
Производственная программа: 250 000-300 000 деталей в год.
Доп. требования: Заявка действует до 11.05.16. Услуги по окраске металлических изделий: - покрытие - порошковое эпоксидное покрытие с предварительным цинк фосфатированием - средние объёмы на 15-17 год, выходят около 250 000-300 000 деталей в год - Площадь поверхности (примерно): Передняя пружина - 0,083м2, Задняя пружина - 0,043м2.

Заказ 2273 (28.04.2016, Татарстан). Заявка №13/2. Изготовление деталей по чертежам заказчика. Скачать чертежи
Материал: поставщика.
Производственная программа: во вложении.
Доп. требования: Заявка действительна до 11.05.16. Наша компания ищет производство для размещения заказа на длительную перспективу. Просим вас рассмотреть возможность изготовления и выставить коммерческое предложение на детали (во вложении)

Заказ 2272 (28.04.2016, Татарстан). Заявка №13/1. Изготовление деталей по чертежам заказчика. Скачать чертежи
Материал: поставщика.
Производственная программа: во вложении.
Доп. требования: Заявка действительна до 11.05.16. Наша компания ищет производство для размещения заказа на длительную перспективу. Просим вас рассмотреть возможность изготовления и выставить коммерческое предложение на детали (во вложении)

Заказ 2271 (27.04.2016, Татарстан). Заявка №12. 689011-8500422 ось бокового борта задняя - цементация с закалкой. Скачать чертеж
Материал: заказчика.
Производственная программа: 280-320 шт. в месяц.
Цена: 175,23р. Цены с НДС.

Заказ 2270 (27.04.2016, Татарстан). Заявка №12. 85310В-2801344 опора нижняя задняя - цементация с закалкой. Скачать чертеж
Материал: заказчика.
Производственная программа: 100-160 шт. в месяц.
Цена: 714,25 р. с НДС.

Заказ 2269 (21.04.2016, Санкт-Петербург). Требуется изготовить резцы по металлу по чертежам. Скачать чертежи
Материал: поставщика.
Производственная программа: разовый во вложении.
Доп. требования: объем заказа: до 300 тыс. рублей.

Заказ 2268 (21.04.2016, Татарстан). Изготовление запчастей к цементному оборудованию. Скачать чертежи
Материал: поставщика.
Производственная программа: см. приложение.
Доп. требования: ждём коммерческое предложение на готовое изделие согласно приложенным чертежам. Просим указать стоимость изделия (с мехобработкой), сроки изготовления и условия оплаты.

Заказ 2267 (21.04.2016, Московская область). Изготовление деталей по чертежам заказчика. Скачать чертежи
Материал: поставщика.
Производственная программа: во вложенном файле.
Доп. требования: все предложения направлять только по эл. почте.

Заказ 2266 (20.04.2016, Санкт-Петербург). Шарик с глухим отверстием. Скачать чертеж
Материал: нержавейка или латунь.
Производственная программа: 1000 шт./мес.
Объем заказа: до 300 тыс. рублей

Заказ 2265 (20.04.2016, Санкт-Петербург). Шарик-заглушка. Скачать чертеж
Материал: нержавейка или латунь.
Производственная программа: 1000 шт./мес.
Объем заказа: до 300 тыс. рублей

Заказ 2264 (20.04.2016, Санкт-Петербург). Плашка 73-ф-103. Скачать чертеж
Материал: круг нержавеющий 5мм поставляет поставщик.
Производственная программа: 1000 шт./мес.
Доп. требования: 8 разных заготовок.
Цена: 20 рубли
Объем заказа: до 300 тыс. рублей

Заказ 2263 (18.04.2016, Ярославская область). Заготовка (токарная обработка). Скачать чертежи
Материал: поставщика.
Производственная программа: 5 штук.
Доп. требования: прошу предоставить цены и сроки поставки на этот заказ. Штифт изготавливать не надо, он для общего вида, приложен к чертежу. Прошу рассмотреть заявку до 20.04.16.г. включительно.

Заказ 2262 (15.04.2016, Москва). Обечайки (Ду 3400, 630, 428) и конусы (Ду 3400). Скачать чертежи
Материал: Материал поставщика (рассмотрим иные предложения).
Производственная программа: разовый заказ.
Доп. требования: см. ТЗ
Оснастка: поставщика.
Цена: минимальные рубли.

Заказ 2261 (15.04.2016, Ярославская область). Крышка задняя насоса шестеренного Г11-25. Скачать чертеж
Материал: материал поставщика, масло-бензостойкие пластмассы.
Производственная программа: 20 шт./мес.
Оснастка: поставщика.
Объем заказа: до 300 тыс. рублей.

Заказ 2260 (15.04.2016, Ярославская область). Изготовление крышки передней для насоса шестеренного Г11-25. Скачать чертеж
Материал: материал поставщика, масло-бензостойкие пластмассы.
Производственная программа: 20 шт./мес.
Оснастка: поставщика.
Объем заказа: до 300 тыс. рублей.

Заказ 2259 (15.04.2016, Чувашия). Токарные работы. Скачать чертеж
Материал: поставщика.
Производственная программа: червяки по 50 шт., остальные по 200шт ежемесячно.
Доп. требования: Убедительная просьба, свои вопросы и предложения отправлять по электронной почте.

Заказ 2258 (15.04.2016, Татарстан). Шлифовка резьбы М5. Без чертежа
Материал: детали. Предоставляется заказчиком.
Производственная программа: Разовый заказ, 2 шт.
Доп. требования: поставщик услуги в Татарстане или Казани! Стоимость обсуждается.
Цена: 500 рубли
Объем заказа: до 300 тыс. рублей.

Заказ 2257 (15.04.2016, Татарстан). Электролитно-плазменная полировка. Без чертежа
Материал: поставляется заказчиком. Сталь 03Х11Н10М2Т2 (ЭП-853), титановые сплавы ВТ6, ВТ16.
Производственная программа: опытный образец.
Доп. требования: образец полировки для обоснования закупки установки ЭПО.
Объем заказа: до 300 тыс. рублей.

Заказ 2256 (15.04.2016, Татарстан). Бесцентровая шлифовка прутка 2,0 до 1,05мм. Без чертежа
Материал: ВТ6, поставляется заказчиком.
Производственная программа: разовый заказ. Один раза в квартал.
Доп. требования: шлифовка до размера 1,05мм.
Объем заказа: до 300 тыс. рублей.

Заказ 2255 (14.04.2016, Ярославская область). Изготовление золотников для гидрораспределителей ду6 и ду10. Скачать чертеж
Материал: рассмотрим любые варианты.
Производственная программа: разовый заказ.
Объем заказа: до 300 тыс. рублей

Заказ 2254 (14.04.2016, Костромская область). Гайка М. Скачать чертеж
Материал: поставщика.
Производственная программа: разовый заказ, требуемое количество: 12 шт.

Заказ 2253 (14.04.2016, Костромская область). Гайка Б. Скачать чертеж
Материал: поставщика.
Производственная программа: разовый заказ, требуемое количество: 40 шт.

Заказ 2252 (12.04.2016, Ярославская область). Плашка 73-ф-103. Скачать чертежи
Материал: поставщика.
Производственная программа: 5 штук.
Доп. требования: прошу предоставить цены и сроки поставки на этот заказ. Штифт изготавливать не надо, он для общего вида, приложен к чертежу. Прошу рассмотреть заявку до 13.04.16.г. включительно.

Заказ 2251 (12.04.2016, Татарстан). Комплект колёс зубчатых конических с круговым зубом. Скачать чертеж
Материал: поставщика.
Производственная программа: месячная потребность 12 шт.
Доп. требования: нас интересует станок с валом 4100 мм., т.е. бесшовная деталь в итоге должна получится.

Заказ 2250 (12.04.2016, Владимирская область). Комплект колёс зубчатых конических с круговым зубом. Скачать чертежи
Материал: поставщика. 40Х.
Производственная программа: 30 комплектов в год.
Доп. требования: комплект колёс зубчатых конических с круговым зубом: 49151.014.00.00.005 Колесо зубчатое коническое (Z=34); 49151.014.00.00.026 Колесо зубчатое (Z=36) Степень точности 7-С
Цена: 40 000 руб. за комплект. рубли
Объем заказа: свыше 1 миллиона рублей

Заказ 2249 (12.04.2016, Владимирская область). Комплект колёс зубчатых конических с круговым зубом. Скачать чертежи
Материал: поставщика. 40Х.
Производственная программа: 30 комплектов в год.
Доп. требования: комплект колёс зубчатых конических с круговым зубом: 49075.004.00.00.005 Колесо зубчатое коническое (Z=34); П155-02-011 Колесо зубчатое (Z=36) Степень точности 7-С.
Оснастка: не предоставляется
Цена: 9 000 руб. за комплект. рубли
Объем заказа: до 300 тыс. рублей

Заказ 2248 (08.04.2016, Татарстан). Изготовление деталей по чертежам заказчика. Скачать чертежи
Материал: поставщика.
Производственная программа: в соответствии с потребностями на данный момент требуются поставки по следующим направлениям: годовая потребность составляет 25 000 штук каждого наименования.
Доп. требования: заинтересованным предприятиям просим предоставить информацию, согласно, списка: 1. Презентация, сайт, 2. Описание станочного парка, 3. Контроль качества, сертификаты, 4. Ваши заказчики.

Заказ 2247 (08.04.2016, Чувашия). Держатели. Скачать чертежи
Материал: поставщика.
Производственная программа: количество во вложенном файле.

Заказ 2246 (08.04.2016, Татарстан). Патрубки и отводы. Скачать чертежи
Материал: во вложенном файле
Производственная программа: во вложенном файле.

Заказ 2245 (08.04.2016, Татарстан). Изготовление деталей по чертежам заказчика. Скачать чертеж
Материал: согласно чертежу.
Производственная программа: 300 в месяц.
Доп. требования: на данном этапе мы ведем поиск производственных предприятий, которые обладают собственным парком станков для механической обработки (токарные, фрезерные, сверлильные, шлифовальные и т.д.) и способны и, главное, заинтересованы в производстве как малых прототипных объемов деталей (порядка 10-20 комплектов), так и в перспективе, способны производить серийные объемы деталей в количестве 5-10 тысяч комплектов в год.

Заказ 2244 (08.04.2016, Курская область). Лепесток. Скачать чертеж
Материал: поставщика
Производственная программа: 300 в месяц.
Оснастка: поставщика.
Объем заказа: до 300 тыс. рублей

Заказ 2243 (08.04.2016, Татарстан). Трубка капиллярная (Микроспециальное сверление). Скачать чертеж
Материал: нержавеющая сталь 12Х18, 08Х18 (можем предоставить) или латунь, медь.
Производственная программа: Разовый заказ, 4 шт.
Доп. требования: Выполнить отверстие диам. 0,4 и 0,5мм в прутках диам. 2,5-3,0мм. Точная соосность не требуется
Оснастка: не предоставляется.
Цена: до 2 000 за шт.
Объем заказа: до 300 тыс. рублей

Заказ 2242 (07.04.2016, Татарстан). Комплект деталей по чертежам заказчика. Скачать чертежи
Материал: согласно чертежу
Производственная программа: 1500 шт. в месяц.

Заказ 2241 (07.04.2016, Татарстан). Прижим. Скачать чертежи
Материал: согласно чертежу
Производственная программа: 4800 шт. в месяц.

Заказ 2240 (07.04.2016, Татарстан). Корпус. заказ Закрыт
Материал: АК-7
Производственная программа: потребность 800 шт. в год

Заказ 2239 (07.04.2016, Татарстан). Штуцер.
Скачать чертеж
Материал: материал детали – нержавейка, латунь
Производственная программа: плановые годовые объёмы – 200 000 шт. в год (под заказ автопрома).
Доп. требования: поставки регулярные, ежемесячные

Заказ 2238 (30.03.2016, Москва). Кольцо укрепляющее. Скачать чертеж
Материал: 09Г2С
Производственная программа: разовый. 1 шт.

Заказ 2237 (29.03.2016, FINLAND). Изготовление металлоконструкций. В приложении два чертежа- образца для расчета цены.. Скачать чертежи (файл zip)
Производственная программа: общий объем закупок оценивается в 200-300 тонн металлоконструкций.
Доп. требования: Крупный финский машиностроительный концерн заинтересован в установлении контактов с потенциальными поставщиками промышленных металлоконструкций (в том числе газоходы и дымоходы промышленного котла). Необходимыми условиями является наличие производственных возможностей (заготовительный участок, листогибочное оборудование, плазменная резка, сертифицированные сварщики, дробеструйная обработка, отдельный участок покраски и т.д.) и система менеджмента качества (минимум ISO9001). Заполненную заявку в формате excel (файл в приложении) с описанием производства на английском языке и оценкой стоимости изделий по двум чертежам-образцам типовых изделий направлять по E-mail.

Заказ 2236 (28.03.2016, Великие Луки). РЗ-587-1401060-110 (сетка). Скачать чертеж (файл zip)
Материал: пруток
Производственная программа: ежемесячный объем 7000 штук
Объем заказа: до 1 миллиона рублей.

Заказ 2235 (24.03.2016, Ростов-на-Дону). Горячее цинкование металлопроката (полоса, круг) (Цинкование способом окунания в горячий пропиточный состав). Без чертежа
Материал: полоса горячекатанная Ст3 4х40 (6 м) - 5т. полоса горячекатанная Ст3 5х40 (6 м) - 5т. круг Ст3 ф18 (12 м) - 5т. круг Ст3 ф16 (12 м) - 5т.
Производственная программа: ежемесячный объем 40-60 т.
Объем заказа: до 1 миллиона рублей.

Заказ 2234 (24.03.2016, Московская область). Изготовление деталей. заказ Закрыт
Материал: давальческое сырье.
Производственная программа: ПП до 31 декабря 2016 г.
Оснастка: оснастка исполнителя
Объем заказа: до 1 миллиона рублей.

Заказ 2233 (22.03.2016, Мордовия). Отливка.
Скачать чертежи
Материал: см. чертеж.
Производственная программа: 10 - 20 шт/год.
Цена: 118 000 руб./тн. без НДС.

Заказ 2232 (22.03.2016, Мордовия). Поковка. Скачать чертеж
Материал: см. чертеж.
Производственная программа: 40 - 80 шт./год.
Цена: 69 000 руб./тн. без НДС.

Заказ 2231 (22.03.2016, Ростовская область). Узловой элемент. Скачать чертеж
Материал: Материал поставщика/заказчика по договоренности.
Производственная программа: 5500 шт.
Оснастка: оснастка поставщика.

Заказ 2230 (22.03.2016, Ростовская область). Втулка специальная. заказ Закрыт
Материал: Материал поставщика/заказчика по договоренности.
Производственная программа: 49 000 шт.
Оснастка поставщика.

Заказ 2229 (22.03.2016, Ростовская область). Болт специальный.
заказ Закрыт
Материал: Материал поставщика/заказчика по договоренности.
Производственная программа: 46 000 шт.
Оснастка поставщика.

Заказ 2228 (17.03.2016, Воронежская область). Обечайка.
Скачать чертежи
Материал поставляет поставщик.
Производственная программа: разовый заказ.
Объем заказа: свыше 1 миллиона рублей.

Заказ 2227 (17.03.2016, Воронежская область). Обечайка. Скачать чертежи
Материал поставляет поставщик.
Производственная программа: разовый заказ.
Объем заказа: свыше 1 миллиона рублей.

Заказ 2226 (17.03.2016, Воронежская область). Обечайка. Скачать чертежи
Материал поставляет поставщик.
Производственная программа: разовый заказ.
Объем заказа: свыше 1 миллиона рублей.

Заказ 2225 (16.03.2016, Ярославская область). Плазменная резка толщиной от 20 мм, правка, дробеструй. Без чертежа
Материал: заказчика или исполнителя, в зависимости от цены.
Производственная программа: до 20 тонн в месяц.
Доп. требования: только по Ярославской области. Работа в одном месте.

Заказ 2224 (15.03.2016, Санкт-Петербург). Винт (наконечник) с шарообразной головкой. Скачать чертеж
Материал: нержавейка.
Производственная программа: от 1 до 5 тыс. шт в месяц каждого размера.
Доп. требования: шар 3 мм, ножка 1,6х8 мм; шар 5 мм, ножка 1,6х8 мм; шар 6 мм, ножка 1,6х8 мм; шар 8 мм, ножка 1,6х8 мм; шар 10 мм, ножка 2х10 мм; шар 12 мм, ножка 2х10 мм; шар 15 мм, ножка 2х10 мм; шар 19 мм, ножка 2х10 мм; допуски 0,1.
Цена: 5-15 руб./шт. с НДС.
Объем заказа: до 300 тыс. рублей.

Заказ 2223 (14.03.2016, Нижегородская область). Изготовление кабеля (жгута) на заказ. Без чертежа
материал: МГТФ; 1*0,2ТУ16-505185-71; МГТФЭ; 2*0,12 ТУ16505185-71; ПЛЕТЕНКИ ЭКРАНИРУЮЩИЕ; 3*6-Т ГОР ПОС61; ТРУБКА 305ТВ-60Т; Ф5,0 ГОСТ 19034-82.
Производственная программа: до 600 шт разной длины: от 1,2 метра до 10 метров.
Доп. требования:
1. Нарезать провода и плетенку
2. На провода надеть плетенку, затем трубку.

Заказ 2222 (14.03.2016, Нижегородская область). Изготовление втулки заказ Закрыт
Материал: поставщика.
Производственная программа: втулка К9120817; потребность годовая - 5500 штук - 65 руб. с ндс.
Оснастка поставщика.
Объем заказа: до 300 тыс. рублей.

Заказ 2221 (14.03.2016, Нижегородская область). Изготовление гайки.
Скачать чертеж
Материал: поставщика.
Производственная программа: гайка 6Ш8934046; потребность годовая - 5000 штук - 18,50 руб. с ндс.
Оснастка поставщика.
Объем заказа: до 300 тыс. рублей.

Заказ 2220 (09.03.2016, Ростовская область). Корпус сошника, литье чугуна. Скачать чертеж
Материал: чугун, материал поставщика.
Производственная программа: 1000 шт.
Оснастка: оснастка поставщика.

Заказ 2219 (04.03.2016, Московская область). Вал. заказ Закрыт
Материал: поставщика.
Производственная программа: 7 шт. Разовый заказ.
Доп. требования: сроки подачи предложений до 11 марта до 18.00. Доставка г. Москва. Условия оплаты: 30% предоплата, 70% по изготовлению.

Заказ 2218 (04.03.2016, Башкортостан). Шайба (Плоское шлифование - поперечное перемещение рабочего стола и горизонтальный шпиндель).
Скачать чертеж
Материал: Поставщика. 65Г-II ТУ14-1-4118-86. Возможно аналог.
Производственная программа: 110, разовый.
Доп. требования: срочно. Регион: прилегающий к Башкортостану.
Оснастка: поставщика.
Объем заказа: до 300 тыс. рублей.

Заказ 2217 (04.03.2016, Башкортостан). Сателлит (Зубофрезерная обработка конических зубчатых колес). Скачать чертеж
Материал: 2 варианта: заказчика или поставщика. 20Х ГОСТ4543-71
Производственная программа: 110, разовый.
Доп. требования: срочно. Регион: прилегающий к Башкортостану.
Оснастка: поставщика.
Объем заказа: до 300 тыс. рублей.

Заказ 2216 (04.03.2016, Башкортостан). Шестерня полуоси (Зубофрезерная обработка конических зубчатых колес). Скачать чертеж
Материал: 2 варианта: заказчика или поставщика
Производственная программа: 110, разовый.
Доп. требования: срочно изготовить. Регион: прилегающие к Башкортостану. Предложения по цене и срокам изготовления.
Оснастка: поставщика.
Объем заказа: до 300 тыс. рублей.

Заказ 2215 (04.03.2016, Удмуртия). Комплект (Литье под давлением с многокомпонентным впрыском материала). Скачать чертежи
Материал: поставщика
Производственная программа: 10000 шт./год.
Доп. требования: стоимость оснастки отдельно. Материал: корпус - АБС светло серый, Стекло - полистирол прозрачный (или аналог) с насечкой.
Цена: 10 рубли.
Объем заказа: до 300 тыс. рублей.

Заказ 2214 (04.03.2016, Удмуртия). Комплект кронштейна (Узлы из листового металла). Скачать чертежи
Материал: поставщика
Производственная программа: разовый заказ 5000 комплектов, пробная партия 200 комплектов.
Доп. требования: возможно изменение параметров, для увеличения технологичности. Материал сталь 2мм. Допуски свободные. Отгрузка через транспортную компанию.
Цена: 100 рубли.
Объем заказа: до 1 миллиона рублей.

Заказ 2213 (26.02.2016, Республика Татарстан). Изготовление деталей по чертежам заказчика. Скачать чертежи
Материал: поставщика
Производственная программа:
- Валок SQ1 ф32 НТЗ 001.052.32.17.001 – 2 шт.;
Валок SQ1 ф38 НТЗ 001.052.38.17.001 – 2 шт.;
Валок SQ1 40х40 НТЗ 001.052.40-40.17.001 – 2 шт.;
Валок SQ1 50х25 НТЗ 001.052.50-25.17.001 – 2 шт.;
Втулка на ось для валков F10 НТЗ 001.052.010.001 – 4 шт.;
Втулка на ось для валков F10 НТЗ 001.052.010.001-01 – 4 шт.
Доп. требования: просим рассмотреть заявку и выставить счёт с возможно максимальной скидкой.

Заказ 2212 (26.02.2016, Республика Татарстан). Изготовление деталей по чертежам заказчика. Скачать чертежи
Материал: поставщика
Производственная программа:
- Валок F10 40х40 НТЗ 001.052.40-40.10.001 – 1 шт.;
Валок F10 40х40 НТЗ 001.052.40-40.10.002 – 1 шт.;
Валок F10 20х20 НТЗ 001.052.20-20.10.001 – 1 шт.;
Валок F10 20х20 НТЗ 001.052.20-20.10.001 – 1 шт.
Доп. требования: просим рассмотреть заявку и выставить счёт с возможно максимальной скидкой.

Заказ 2211 (24.02.2016, Московская область). Изготовление конструкции «Контейнер». Скачать документ
Материал: поставщика
Производственная программа: в приложении.
Доп. требования: ТКП должно быть официально оформлено на бланке компании, зарегистрировано, подписано руководителем, поставлена печать и содержать:
- завод-изготовитель;
- срок изготовления;
- условия оплаты;
- срок действия данной цены (включительно июль 2016г);
- технические параметры конструкции и используемых материалов;
- КД (общий вид, чертежи).
Окончательный срок подачи ТКП 15.00 29 февраля 2016 года.

Заказ 2210 (24.02.2016, Москва). Гнутый профиль 60*40*4 (черное железо). Скачать чертеж
Материал: материал изготовителя (поставщика)
Производственная программа: необходимо - примерно 500 пог. метров.

Заказ 2209 (20.02.2016, Москва). КОРПУС (Литье металла в разовые литейные формы машинной формовки). Скачать чертеж
Материал: 35ХГСА.
Производственная программа: 90.

Заказ 2208 (19.02.2016, Псковская область). Механическая обработка деталей на ОЦ с ЧПУ. Скачать чертеж
Материал: по договоренности.
Производственная программа: заказ 400 шт, возможно увеличение количества.
Доп. требования: Полумуфта RTD-15.155.08 Порошковая окраска не требуется, цинкование по договоренности.

Заказ 2207 (18.02.2016, Волгоградская область). Обойма 6. Скачать чертеж
Материал: поставщика.
Производственная программа: от 1000 шт. в месяц.
Доп. требования: Допускается холодная раскатка на оправке после токарной обработки.Труба-заготовка м.б. по любому ГОСТу или ТУ.
Оснастка: поставщика.
Объем заказа: до 300 тыс. рублей.

Заказ 2206 (18.02.2016, Волгоградская область). Обойма 5. Скачать чертеж
Материал: поставщика.
Производственная программа: от 1000 шт. в месяц.
Доп. требования: Допускается холодная раскатка на оправке после токарной обработки.Труба-заготовка м.б. по любому ГОСТу или ТУ.
Оснастка: поставщика.
Объем заказа: до 300 тыс. рублей.

Заказ 2205 (18.02.2016, Волгоградская область). Обойма 4. Скачать чертеж
Материал: поставщика.
Производственная программа: от 1000 шт. в месяц.
Доп. требования: Допускается холодная раскатка на оправке после токарной обработки.Труба-заготовка м.б. по любому ГОСТу или ТУ.
Оснастка: поставщика.
Объем заказа: до 300 тыс. рублей.

Заказ 2204 (18.02.2016, Волгоградская область). Втулка внутренняя 5. Скачать чертеж
Материал: поставщика.
Производственная программа: от 1000 шт. в месяц.
Доп. требования: при наличии галтовки допускается не делать фаски 0,4х45о
Оснастка: поставщика.
Объем заказа: до 300 тыс. рублей.

Заказ 2203 (18.02.2016, Волгоградская область). Втулка внутренняя 4. Скачать чертеж
Материал: поставщика.
Производственная программа: от 1000 шт. в месяц.
Доп. требования: при наличии галтовки допускается не делать фаски 0,4х45о
Оснастка: поставщика.
Объем заказа: до 300 тыс. рублей.

Заказ 2202 (16.02.2016, Волгоградская область). Изготовление Шнекового питателя изделия №9.2. Скачать чертежи
Материал: поставщика (Согласно спецификации).
Производственная программа: 6 шт., годовая потребность 15-30 шт. в год.
Доп. требования: Коммерческие условия, которые необходимо указать в предложении и на основании которых принимаются решения: цена, срок изготовления, условия платежа (желательна оплата после поставки). Дополнительные условия, влияющие на принятие решения: полнота выполнения условий технического задания, возможность доставки изготовленных деталей на склад Заказчика за счет Исполнителя
Оснастка: поставщика.
Цена: договорная рубли.

Заказ 2201 (12.02.2016, Тульская область). Требуется механообработка отливок из 110Г13Л Без чертежа
материал: 110Г13Л.
Производственная программа: 100 в месяц на сумму до 1-1,5 млн рублей.
Доп. требования: Требуется мехобработка крупногабаритного литья из марганцовистой стали 110Г13Л (от 600 до 2000мм) на постоянной основе. Обеспечим регулярную загрузку. Работа заключается в обработке отливок на продольно фрезерных или станках с ЧПУ. Высокая точность не требуется. Чертежи изделий по запросу.
Объем заказа: свыше 1 миллиона рублей

Заказ 2200 (11.02.2016, Челябинская область). лапа стрельчатая (Литье металла по выплавляемым моделям и точное литье - Процесс Шау). Скачать чертеж
Материал: поставщика.
Производственная программа: 1000 шт. в 2 квартала.
Оснастка: оснастка заказчика.
Объем заказа: до 1 миллиона рублей

Заказ 2199 (11.02.2016, Челябинская область). Тыльник (Глубокая вытяжка металла - стандартная). Скачать чертеж
Материал: сырье изготовителя.
Производственная программа: по 500 шт. месяц.
Оснастка: оснастка поставщика.
Объем заказа: до 1 миллиона рублей

Заказ 2198 (11.02.2016, Нижегородская область). 028-16 Gear Wheels - Зубчатые и червячные колеса. Скачать чертежи
Материал: материал поставщика.
Производственная программа: разовый заказ.
Доп. требования: работаем только напрямую с заводами, требуется пройти процедуру квалификации производства зубчатых колес для того, чтобы стать поставщиком Danieli

Заказ 2197 (10.02.2016, Ярославская область). Комплект деталей по чертежам заказчика. Скачать чертежи
Материал: материал поставщика.
Производственная программа: изготовление ежемесячно 20 комплектов.

Заказ 2196 (09.02.2016, Московская область). Петля для духового шкафа левая/правая. Скачать чертеж
Материал: материал поставщика.
Производственная программа: 5000 шт. в год.
Оснастка: поставщика.
Цена: 350 рубли.
Объем заказа: до 1 миллиона рублей.

Заказ 2195 (09.02.2016, Московская область). Навесы. Скачать чертежи
Материал: материал поставщика.
Производственная программа: 60 шт. в месяц левых, 60 шт. в месяц правых.
Оснастка: поставщика
Цена: 350 рубли
Объем заказа: до 1 миллиона рублей.

Заказ 2194 (09.02.2016, Московская область). Ножка резиновая Ф52 Н30 М8. Скачать чертеж
Материал: материал поставщика.
Производственная программа: 350 шт. в месяц, 4200 шт. в год.
Оснастка: поставщика.
Цена: 115 рубли.
Объем заказа: до 300 тыс. рублей.

Заказ 2193 (08.02.2016, Москва). Закладные детали (Резка на ножовочном станке). Скачать чертеж
Материал: Ст3.
Производственная программа: 64 детали. Разовый заказ.
Доп. требования: 2 слоя ГФ уголок можно заменить на полосу 20 10У можно на 10П.
Цена: 55
Объем заказа: до 300 тыс. рублей.

Заказ 2192 (03.02.2016, Саратовская область). Изготовление мелкомодульных шестерён. Скачать чертежи
Материал: материал исполнителя.
Производственная программа: 500 шт. Разовый заказ.
Доп. требования: Требуется просчитать стоимость работ по изготовлению комплекта зубчатых колёс. Состав комплекта указан в приложенном файле. Необходимо указать 2 варианта цены: 1. 1 компл. деталей (пробная партия). 2. 500 компл. деталей (основная партия). Пробная партия оплачивается. Проходных цен нет! Предлагайте Ваши. При написании предложения, пожалуйста, указывайте наличие либо отсутствие НДС в цене, сроки изготовления и порядок работы.
Объем заказа: до 1 миллиона рублей.

Заказ 2191 (03.02.2016, Саратовская область). Навивка пружин растяжения. Скачать чертеж
Материал: материал исполнителя.
Производственная программа: 50000 шт. в месяц.
Доп. требования: Требуется изготовить пружины растяжения по приложенному заданию. Необходимое количество 50000-60000 шт./мес. Поставка каждую неделю равными партиями. Интересует низкая цена. Проходных цен нет! При отправке предложения, пожалуйста, указывайте цена с НДС или без НДС, условия поставки и порядок работы.
Объем заказа: свыше 1 миллиона рублей.

Заказ 2189 (02.02.2016, Москва). Деталь 9. Скачать чертеж
Материал: материал изготовителя (поставщика).
Производственная программа: 1000 шт.
Цена: 7 рубли.

Заказ 2188 (02.02.2016, Москва). Деталь 8. Скачать чертеж
Материал: материал изготовителя (поставщика).
Производственная программа: 1000 шт.
Цена: 11 рубли.

Заказ 2187 (02.02.2016, Москва). Деталь 6. Скачать чертеж
Материал: материал изготовителя (поставщика).
Производственная программа: 1000 шт.
Цена: 7 рубли.

Заказ 2186 (02.02.2016, Москва). Крючок 600. Скачать чертеж
Материал: материал изготовителя (поставщика).
Производственная программа: 700 шт.
Цена: 22 рубли.

Заказ 2185 (02.02.2016, Москва). Деталь 4. Скачать чертеж
Материал: материал изготовителя (поставщика).
Производственная программа: 400 шт.
Цена: 9 рубли.

Заказ 2184 (02.02.2016, Москва). Деталь 3. Скачать чертеж
Материал: материал изготовителя (поставщика).
Производственная программа: 700 шт.
Цена: 8 рубли.

Заказ 2183 (02.02.2016, Ярославская область). Барабан профильный ф 700мм. Скачать чертежи
Материал: материал поставщика Сталь 45 или нержавеющая.
Производственная программа: 2 шт. в год.
Доп. требования: требуется хромирование барабана.

Заказ 2182 (02.02.2016, Тверская область). Требуется изготовить изделия САЛ30.40.003-065 "Сальник" и САЛ20.20.003-065 "Сальник" согласно прилагаемых чертежей методом точения. Скачать чертежи
Материал: Поставляет поставщик. Полиуретан специальный прутковый для точения красного цвета с твёрдостью по Шору 75...85 ед.
Производственная программа: САЛ30.40.003-065 "Сальник" - 400 шт., САЛ20.20.003-065 "Сальник" - 400 шт. Возможно продолжение.
Доп. требования: Заказ актуален до 01.04.2016 г. (срок указан с учётом затрат времени на транспортировку и проверку качества Заказчиком). Обязателен сертификат (паспорт) на материал.
Оснастка: поставщика.
Объем заказа: до 300 тыс. рублей.

Заказ 2181 (02.02.2016, Московская область). Стеллажи. Скачать чертежи
Материал: поставщика.
Производственная программа: разовый заказ.
Доп. требования: Информация по данному заказу востребована до 15 февраля 2016 г.

заказ 2180 (02.02.2016, Татарстан). Ниппель Кв 76. Скачать чертеж
Материал: поставщика.
Производственная программа: потребность 10 шт./мес., постоянная потребность.

заказ 2179 (02.02.2016, Татарстан). K100.d146x10 Ниппель. Скачать чертеж
Материал: поставщика.
Производственная программа: потребность 5 шт./мес., постоянная потребность.

заказ 2178 (01.02.2016, Татарстан). Детали по чертежам заказчика. Скачать чертежи
Материал: поставщика.
Производственная программа: Разовый заказ: -116М2.5.004 колесо зубчатое 1 шт.; -116М2.5.103 колесо зубчатое 2 шт.; -116М2.5.111 вал шестерня 6 шт.; -116М2.5.101 вал шестерня 3 шт.

заказ 2177 (01.02.2016, Мордовия). Комплект крышек. Скачать чертежи
Материал: АМГ.
Производственная программа: 10 комплектов.
Доп. требования: возможна поставка заготовок

заказ 2176 (01.02.2016, Санкт-Петербург). Алюминиевые оконцеватели. Скачать чертеж
Материал: заказчика.
Производственная программа: 10 000 штук в квартал.
Оснастка: заказчика
Объем заказа: свыше 1 миллиона рублей

заказ 2175 (01.02.2016, Мордовия). Кулак (сектор). Скачать чертеж
Материал: Копролон.
Производственная программа: 1 шт. Разовый заказ.

заказ 2174 (01.02.2016, Мордовия). Кулак. Скачать чертеж
Материал: Ст. 45.
Производственная программа: 1 шт. Разовый заказ.
Объем заказа: до 300 тыс. рублей

заказ 2173 (29.01.2016, Татарстан). Изготовление шнека для дозирования сыпучих материалов согласно чертежам. Скачать чертежи
Материал: поставщика.
Производственная программа: 1шт. и ещё 3 в течение года.

заказ 2172 (29.01.2016, Волгоградская область). Техническое задание на изготовление Циклона осадителя. Скачать чертежи
Материал: поставщика.
Производственная программа: 1 шт. Потребность до 10 шт. в год.
Оснастка: поставщика.
Доп. требования: в ТЗ во вложении.
Цена: договорная рубли.

заказ 2171 (28.01.2016, Мордовия). Колесо. Скачать чертеж
Материал: 9 ХВГ.
Производственная программа: 1 шт.(опытный образец).
Оснастка: поставщика.
Объем заказа: до 300 тыс. рублей.

заказ 2170 (27.01.2016, Московская область). Изготовление плиты из пенодиатомита КПД 350 по заявленному чертежу. Скачать чертеж
Материал: пенодиатомит КПД 350 ТУ 5764-001-87745488-2010.
Производственная программа: изготовление опытной партии 10-15 шт. В дальнейшем годовая потребность будет от 800 шт.
Оснастка: Требуется оснастка поставщика.
Объем заказа: до 300 тыс. рублей

заказ 2169 (26.01.2016, Московская область). Матрица. Скачать чертеж
Материал: поставщика.
Производственная программа: 1 шт. Опытный образец. В дальнейшем постоянный заказ.
Доп. требования: Проверка на отсутствие микротрещин. Постоплата! Оплата в течении 20 дней после получения.

заказ 2168 (25.01.2016, Волгоградская область). Предметом заказа является проектирования и изготовления Пресс-формы для Секции 301, по прилагаемому чертежу детали. Скачать чертежи
Материал: поставщика.
Производственная программа: 1 шт.
Доп. требования: Коммерческие условия, которые необходимо указать в предложении и на основании которых принимаются решения: цена, срок изготовления, условия платежа (желательна оплата после поставки). Дополнительные условия, влияющие на принятие решения: полнота выполнения условий технического задания, возможность доставки изготовленных деталей на склад Заказчика за счет Исполнителя.
Цена: Договорная рубли.
Оснастка: Поставщика.

заказ 2167 (21.01.2016, Пермский край). фланец, втулка, кольцо, муфта, ролик, колесо, нипель, патрубок, корпус (Токарная обработка с использованием вертикального токарного станка). Скачать чертеж
Материал: поставщик/заказчик.
Производственная программа: 200 шт./мес.
Цена: 750 руб.
Объем заказа: до 1 миллиона рублей.

заказ 2166 (20.01.2016, Москва). Требуется деталь способом литья. (то что фото на винте деталь 150х50 мм. внутренняя резьба под 36 шпильку. Скачать чертеж
Материал: поставщика.
Производственная программа: разовый 500 шт.
Оснастка: поставщика.
Цена: 50 рубли.
Объем заказа: до 1 миллиона рублей.

заказ 2165 (20.01.2016, Татарстан). Изготовление шнека для дозирования сыпучих материалов. Скачать чертежи
Материал: см. чертеж (изготовителя).
Производственная программа: разовый.

заказ 2164 (15.01.2016, Московская область). Детали для станка. Скачать чертежи
Материал: поставщика.
Производственная программа: ПП на год с мая 2016 года.
Доп. требования: Планируемое кол-во на 2016: корпус - 300 шт; вал - 100 шт; волчок - 600 шт. Данные детали часть заказа, предназначенные для изготовления станка. Остальные детали простые в изготовление и не представляют трудностей. Расчет остальных деталей будет предоставлено той компании, которая даст приемлемые цены по данным узлам. Сборка будет происходить в г. Москва.
Оснастка: поставщик.
Цена: договорная рубли.
Объем заказа: свыше 1 миллиона рублей.

заказ 2163 (14.01.2016, Волгоградская область). Техническое задание на изготовление Шнековых транспортеров Скачать чертеж
Материал: поставщик.
Производственная программа: количество - 5 (пять) шт.
Доп. требования: во вложении.
Оснастка: поставщика.
Цена: договорная рубли

заказ 2162 (14.01.2016, Волгоградская область). Техническое задание на изготовление Бункера объемом 1,5 м3 Скачать чертеж
Материал: поставщик.
Производственная программа: кол-во - 1. Потребность в таких и подобных бункерах постоянная – до 50 шт. в год.
Доп. требования: во вложении.
Оснастка: поставщика.
Цена: договорная рубли

заказ 2161 (12.01.2016, Нижегородская область). Штамповочная оснастка и пресс-формы Скачать чертежи
Материал: поставщик.
Производственная программа: разовый заказ.
Доп. требования: чертежи и список позиций в приложении.

заказ 2160 (11.01.2016, Москва). Крышки, фланцы, полый вал, шестерни - ОМР, раскрой листовой стали t-110 мм. Корпус привода - литьё, координатно - расточные операции!! Скачать чертеж
Материал: поставщик.
Производственная программа: 300-900 шт./год.
Доп. требования: профессиональная компетентность, соблюдение норм Русской речи в предложениях услуг
Оснастка: поставщика
Цена: 6000 рубли
Объем заказа: до 1 миллиона рублей

заказ 2159 (11.01.2016, Москва). Резка, раскрой стального листа для заготовок t-110 мм/ D-450 мм. Ст 40Х/ Ст 45. Скачать чертеж
Материал: варианты.
Производственная программа: 300-900 шт./год.

Заказ 2190 (03.12.2015, Германия). Противовесы (балансиры) для экскаваторов Без чертежа
материал: противовесы должны быть изготовлены из чугуна марки GG 10 –.GG 15 Grey iron.
Производственная программа: вес изделий составляет от 400 до 5000 кг.
Доп. требования: необходимо, чтобы завод-производитель (поставщик продукции) был сертифицирован в системе менеджмента качества международного стандарта ISO 9001; экологический сертификат соответствия требованиям ISO 14001, позволяющий не нарушать экологическое равновесие окружающей среды, приветствуется.

заказ 2158 (25.12.2015, Саратовская область). Головка. Скачать чертеж
Материал: поставщика.
Производственная программа: Если устроит цена, пробная партия 10 шт на предмет качества.
Объем заказа: до 1 миллиона рублей

заказ 2157 (25.12.2015, Саратовская область). Головка. Скачать чертеж
Материал: поставщика.
Производственная программа: интересует расчет стоимости изделия. Если устроит цена, то будет пробная партия 10 шт.
Оснастка: поставщика.
Объем заказа: до 1 миллиона рублей

заказ 2156 (25.12.2015, Нижегородская область). 010-15 Зубчатая муфта со скругленным зубом. Скачать чертежи
Материал: поставляет поставщик.
Производственная программа: разовый заказ.
Доп. требования: только овальный зуб! нужна компенсация углового отклонения осей.

заказ 2155 (25.12.2015, Нижегородская область). Штамповочная оснастка и пресс-формы. Скачать чертежи
Материал: поставщика.
Производственная программа: разовый заказ.

заказ 2154 (24.12.2015, Ярославская область). Требуется отжечь изделие из 12Х18Н10Т, размеры: Ф1660 х 990 Нет чертежа
материал: заказчика.
Производственная программа: разовый заказ 1 шт.

заказ 2153 (23.12.2015, Санкт-Петербург). Стеклянный электрод. Скачать документ
Материал: материал изготовления – стекло, основание – металл.
Производственная программа: минимальная партия каждой конфигурации – 1000 шт. Годовой объем потребления – 10000 шт.
Доп. требования: заполнены инертным газом.
Оснастка: нет
Цена: 100 с НДС за комплект рубли.
Объем заказа: до 300 тыс. рублей.

заказ 2152 (22.12.2015, Нижегородская область). 005-15 Режущий диск. Скачать чертежи
Материал: Сталь 4Х5МФ1С, 5Х2МНФ, Н18К9М5Т.
Производственная программа: указано в приложении.
Доп. требования: размер O242 P3 (241,943; 241,953) допустимо выполнить с допуском P6.
Объем заказа: до 1 миллиона рублей.

заказ 2151 (21.12.2015, Санкт-Петербург). Отверстия в готовых корпусах. Скачать чертеж
Материал: сталь, заказчик.
Производственная программа: разовые заказы, партия по 10 шт.
Доп. требования: нужно сделать отверстия в заводских стальных корпусах с необходимой точностью и качеством обработки и при этом не повредить порошковую окраску корпуса.
Оснастка: поставщика.
Объем заказа: до 300 тыс. рублей.

заказ 2150 (18.12.2015, Московская область). Детали для станка. Скачать чертежи
Материал: поставщика.
Производственная программа: ПП на год с мая 2016 года.
Доп. требования: Планируемое кол-во на 2016: корпус - 300 шт; вал - 100 шт; волчок - 600 шт. Данные детали часть заказа, предназначенные для изготовления станка. Остальные детали простые в изготовление и не представляют трудностей. Расчет остальных деталей будет предоставлено той компании, которая даст приемлемые цены по данным узлам. Сборка будет происходить в г. Москва.
Оснастка: поставщик.
Цена: договорная рубли.
Объем заказа: свыше 1 миллиона рублей.

заказ 2149 (18.12.2015, Татарстан). лопатки разбрасывателя. Скачать чертеж
Материал: поставщика.
Производственная программа: разовый заказ.
Доп. требования: согласно КД.
Объем заказа: до 300 тыс. рублей.

заказ 2148 (15.12.2015, Костромская область). Пластина фасонная (Фасонная фрезерная обработка). Скачать чертеж
Материал: поставщика.
Производственная программа: разовый заказ 20 шт.
Оснастка: поставщика.
Объем заказа: до 300 тыс. рублей.

заказ 2147 (15.12.2015, Калужская область). Корпус 300Л (Литье металла в многоразовые литейные формы). Скачать чертеж
Материал: поставщика.
Производственная программа: от 100 шт./мес.
Оснастка: поставщика.
Объем заказа: до 1 миллиона рублей.

заказ 2146 (10.12.2015, Воронежская область). Узел загрузки. Скачать чертеж
Материал: поставщика.
Производственная программа: разовый заказ.
Объем заказа: до 300 тыс. рублей.

заказ 2145 (07.12.2015, Татарстан). хромирование проволоки рояльной по ГОСТ 9389-75 Нет Чертежа
материал: заказчика.
Производственная программа: Производственная программа: диаметром 0,23 мм до диаметра 0,235 общей длиной 200 метров порезанной на куски по 50 см. и диаметром 0,30 мм до диаметра 0,305 общей длиной 200 метров порезанной на куски по 50 см. Шероховатость - Rа 0,4 мкм.

заказ 2144 (07.12.2015, Московская область). Шестерни. Скачать чертежи
Материал: материал поставщика.
Производственная программа: в приложении.

заказ 2143 (04.12.2015, Санкт-Петербург). Пружина высокоточная. Скачать чертеж
Материал: материал поставщика.
Производственная программа: 100 000 штук в месяц.
Объем заказа: свыше 1 миллиона рублей

заказ 2142 (04.12.2015, Волгоградская область). Предметом заказа является изготовление Приёмной втулки 300 (ПОРОШКОВАЯ МЕТАЛЛУРГИЯ, ЛИТЬЕ) . Скачать чертежи
Материал: материал поставщика.
Производственная программа: опытная партия 10 шт.
Доп. требования: коммерческие условия, которые необходимо указать в предложении и на основании которых принимаются решения: цена, срок изготовления, условия платежа (желательна оплата после поставки). Дополнительные условия, влияющие на принятие решения: полнота выполнения условий технического задания, возможность доставки изготовленных деталей на склад Заказчика за счет поставщика
Оснастка: поставщика
Цена: договорная рубли

заказ 2141 (04.12.2015, Волгоградская область). Предметом заказа является изготовление Секция 301 (Литье металла). Скачать чертежи
Материал: материал поставщика.
Производственная программа: опытная партия 50 шт.
Доп. требования: коммерческие условия, которые необходимо указать в предложении и на основании которых принимаются решения: цена, срок изготовления, условия платежа (желательна оплата после поставки). Дополнительные условия, влияющие на принятие решения: полнота выполнения условий технического задания, возможность доставки изготовленных деталей на склад Заказчика за счет поставщика
Оснастка: поставщика
Цена: договорная рубли

заказ 2140 (30.11.2015, Тамбовская область). Детали насоса НПЦ-32. Скачать чертежи
Материал: материал поставщика.
Производственная программа: регулярная потребность, в среднем в месяц отгружаем 5-10 насосов.
Объем заказа: до 300 тыс. рублей

заказ 2139 (30.11.2015, Тверская область). Срочно требуется изготовить изделие Заглушка. Изделие служит демпфером притвора двери дачной теплицы, чтобы не разрушалось лакокрасочное покрытие деталей теплицы. Скачать чертеж
Материал: Резина поставщика. Допускается использование самого дешёвого материала, удовлетворяющего Дополнительным условиям.
Производственная программа: 20000 шт. Очень вероятны повторные заказы.
Доп. требования: Условия эксплуатации: температура от -30 до +30 гр. С, усиленная влажность, достаточные механические показатели.
Оснастка: Поставщика. Необходимо спроектировать и изготовить.
Объем заказа: до 1 миллиона рублей

заказ 2138 (26.11.2015, Челябинская область). Кулачок. Скачать чертеж
Материал: поставщик.
Производственная программа: 20 штук в месяц.
Оснастка: поставщика.
Объем заказа: до 1 миллиона рублей

заказ 2137 (26.11.2015, Челябинская область). Полумуфта ответная. Скачать чертеж
Материал: поставщик.
Производственная программа: 20 штук в месяц.
Оснастка: поставщика.
Объем заказа: до 1 миллиона рублей

заказ 2136 (25.11.2015, Челябинская область). Полумуфта. Механическая обработка. Скачать чертеж
Материал: поставщик/заказчик.
Производственная программа: 20 штук в месяц.
Доп. требования: опыт выполнения.
Объем заказа: до 1 миллиона рублей

заказ 2135 (23.11.2015, Нижегородская область). Требуются колодки переходные по ОСТ 1 13337-78 Нет Чертежа
материал: Поставщика.
Производственная программа: Производственная программа: Колодка переходная 2-1 ОСТ 1 13337-78 100шт, Колодка переходная 2-2 ОСТ 1 13337-78 100шт, Колодка переходная 2-3 ОСТ 1 13337-78 100шт, Колодка переходная 2-7 ОСТ 1 13337-78 100шт, Колодка переходная 2-10 ОСТ 1 13337-78 100шт, Колодка переходная 2-14 ОСТ 1 13337-78 100шт, Колодка переходная 2-16 ОСТ 1 13337-78 400шт. Ежемесячно (шт.)
Оснастка: Оснастка Поставщика

заказ 2134 (19.11.2015, Московская область). Изготовление изделий из резиновой смеси ИРП-1338 Скачать чертеж
Материал: ИРП-1338 - силиконовая резина термостойкая.
Производственная программа: Разовый заказ. Требуемое количество изделий 4 шт.
Оснастка: Оснастка поставщика

заказ 2133 (19.11.2015, Санкт-Петербург). Срочный заказ на высокоточные изделия Скачать чертеж
Материал: Поставщик.
Производственная программа: Пробная партия на 3 штуки, в дальнейшем увеличение заказа.

заказ 2132 (19.11.2015, Санкт-Петербург). Срочный заказ на высокоточные изделия Скачать чертеж
Материал: Поставщик.
Производственная программа: Пробный заказ на 200 изделий, в дальнейшем увеличение заказа.

заказ 2131 (19.11.2015, Санкт-Петербург). Срочный заказ на изделия высокой точности Скачать чертеж
Материал: Поставщик.
Производственная программа: Пробный заказ на 200 изделий, в дальнейшем увеличение заказа.
Объем заказа: до 300 тыс. рублей

заказ 2130 (19.11.2015, Московская область). Коленвал Скачать чертеж
Материал: Поставщик.
Производственная программа: разовый заказ 3 шт.

заказ 2129 (19.11.2015, Московская область). Корпус УПРД.У9.02.СП01-02.6311.000 Скачать чертежи
Материал: Поставщика.
Производственная программа: 3 штука.

заказ 2128 (12.11.2015, Челябинская область). Теплообменник гибкий Скачать чертеж
Материал: 12х18н10т поставляет поставщик.
Производственная программа: 1 штука.
Оснастка: Поставщика
Доп. требования: Теплообменник состоит из двух соединенных сварными пятнами оболочек (4 мм и 1,5 мм), внешняя более тонкая оболочка формована для образования полостей. Технология изготовления обсуждается. Дополнительные чертежи вышлю по запросу.
Объем заказа: до 1 миллиона рублей.

заказ 2127 (12.11.2015, Нижегородская область). Требуются колодки переходные по ОСТ1 13337-78 Нет Чертежа
материал: Поставщика.
Производственная программа: Колодка переходная 2-1 ОСТ 1 13337-78 100шт, Колодка переходная 2-2 ОСТ 1 13337-78 100шт, Колодка переходная 2-3 ОСТ 1 13337-78 100шт, Колодка переходная 2-7 ОСТ 1 13337-78 100шт, Колодка переходная 2-10 ОСТ 1 13337-78 100шт, Колодка переходная 2-14 ОСТ 1 13337-78 100шт, Колодка переходная 2-16 ОСТ 1 13337-78 400шт. Ежемесячно (шт.)

заказ 2126 (12.11.2015, Волгоградская область). Предметом заказа является изготовление Приёмной втулки 300 (литье) Скачать чертежи
Материал: поставщика.
Производственная программа: 10 шт. или минимально возможное количество. В дальнейшем партиями по 100-200 штук.
Оснастка: Поставщика
Доп. требования: Чертеж предоставляется не литьевой, при отливке необходимо учесть, что результатом выполнения работы по заказу должно быть готовое изделие.
Цена: Договорная рубли.

заказ 2125 (11.11.2015, Татарстан). Изготовление деталей (вал, корпус, корпус передний) Скачать чертежи
Материал: поставщика.
Производственная программа: Вал 5000шт., Корпус 5000шт., Корпус передней 5000шт.

заказ 2124 (10.11.2015, Мордовия). Гидроабразивная резка (сито) Скачать чертеж
Материал: пищевая нержавейка.
Производственная программа: 1 шт. разовый заказ.
Объем заказа: до 300 тыс. рублей

заказ 2123 (09.11.2015, Московская область). Литье 12ДН2ФЛ. Проушина Скачать чертеж
Материал: 12ДН2ФЛ.
Производственная программа: 208 шт.
Доп. требования: Срок производства до 30 рабочих дней.
Оснастка: изготовление оснастки силами Поставщика
Объем заказа: свыше 1 миллиона рублей

заказ 2122 (09.11.2015, Мордовия). Изделие согласно чертежа Скачать чертеж
Материал: поставщика.
Производственная программа: по 1 шт. (пробная партия).
Объем заказа: до 300 тыс. рублей

заказ 2121 (06.11.2015, Ростовская область). Корпус редуктора для сельхозтехники, литье металла Скачать чертеж
Материал: поставщика.
Производственная программа: 1000 шт. в год.

заказ 2120 (06.11.2015, Ростовская область). Корпус редуктора для сельхозтехники, литье металла Скачать чертеж
Материал: поставщика.
Производственная программа: 7000 шт. в год.

заказ 2119 (06.11.2015, Волгоградская область). Предметом заказа является изготовление Секция 101 и Секция 102 Скачать чертеж
Материал: поставщика.
Производственная программа: cекции 101-10 шт. Секции 102-20 шт. В дальнейшем потребность постоянная.
Доп. требования: коммерческие условия, которые необходимо указать в предложении и на основании которых принимаются решения: цена, срок изготовления, условия платежа (желательна оплата после поставки). Дополнительные условия, влияющие на принятие решения: полнота выполнения условий технического задания, возможность доставки изготовленных деталей на склад заказчика за счет исполнителя.
Оснастка: поставщика
Цена: договорная рубли.
Объем заказа: до 300 тыс. рублей.

заказ 2118 (05.11.2015, Москва). Изделия по чертежам заказчика Скачать чертежи
Материал: поставщика.
Производственная программа: более 1000 шт. каждой детали в квартал.
Доп. требования: Требуется изготовление оригинальных деталей из нержавеющей стали и алюминия. Допускаются поставщики из Ярославской и соседних областей.

заказ 2117 (05.11.2015, Волгоградская область). Предметом заказа является изготовление Съёмника изделия №25 Скачать чертеж
Материал: поставщика.
Производственная программа: опытная партия 3 шт., в дальнейшем 15- 30 штук в год.
Доп. требования: коммерческие условия, которые необходимо указать в предложении и на основании которых принимаются решения: цена, срок изготовления, условия платежа (желательна оплата после поставки). Дополнительные условия, влияющие на принятие решения: полнота выполнения условий технического задания, возможность доставки изготовленных деталей на склад заказчика за счет Исполнителя.
Оснастка: поставщика
Цена: договорная рубли.
Объем заказа: до 300 тыс. рублей.

заказ 2116 (05.11.2015, Волгоградская область). Предметом заказа является изготовление Приёмной втулки 100 и Рабочей втулки 100 Скачать чертеж
Материал: поставщика.
Производственная программа: Приёмная втулка 100-10 шт., Рабочая втулка 100-20 штук. в дальнейшем постоянная потребность.
Доп. требования: Коммерческие условия, которые необходимо указать в предложении и на основании которых принимаются решения: цена, срок изготовления, условия платежа (желательна оплата после поставки). Дополнительные условия, влияющие на принятие решения: полнота выполнения условий технического задания, возможность доставки изготовленных деталей на склад Заказчика за счет Исполнителя.
Оснастка: поставщика
Цена: договорная рубли.
Объем заказа: до 300 тыс. рублей.

заказ 2115 (03.11.2015, Воронежская область). Дефлектор Скачать чертеж
Материал: оцинковка толщиной 2 мм (см. чертеж), возможно изготовление из оцинковки толщиной 1,5 мм.
Производственная программа: 500 шт.
Доп. требования: предпочтительно - поставщики из ЦФО.

заказ 2114 (03.11.2015, Татарстан). Детали по чертежам заказчика Скачать чертежи
Материал: поставщика.
Производственная программа: -116М2.5.004 колесо зубчатое 1 шт. -116М2.5.103 колесо зубчатое 2 шт. -116М2.5.111 вал шестерня 6 шт. -116М2.5.101 вал шестерня 3 шт.

заказ 2113 (03.11.2015, г. Санкт-Петербург). Профиль скольжения (изготовление профилей методом экструзии) Скачать чертеж
Материал: поставщика.
Производственная программа: по 1200 шт. каждого профиля.
Доп. Требования: требуется резка по длине, от 800 до 1500 мм
Оснастка: поставщика
Цена: 96 р./м.п. рубли
Объем заказа: до 1 миллиона рублей

Заказ 2112 (02.11.2015, Московская область). Шестерни. Скачать чертежи
Материал: С45.
Производственная Программа: сейчас 10 штук из каждого вида, всего 40 штук. Прогноз: В 2016г: примерно 6.000 штук разных, в 2017г: 20.000 штук, в 2018г: 60.000 штук.
Доп. требования: Допуски 0,05 - 0,20. Закалка BHN мин 200 Бринелль (600Н/мм2).
Оснастка: Поставщика.
Чертежи в 3D формате STEP

Заказ 2111 (02.11.2015, Воронежская область). Вкладыш №9, Вкладыш №12. Скачать чертеж
Материал: поставляет поставщик.
Производственная Программа: 2 шт., разовый заказ.
Объем заказа: до 1 миллиона рублей

Заказ 2110 (02.11.2015, Воронежская область). Рейка. Скачать чертеж
Материал: поставляет поставщик.
Производственная Программа: 3 шт., разовый заказ.
Объем заказа: до 1 миллиона рублей

Заказ 2109 (02.11.2015, Воронежская область). Подпятник. Скачать чертеж
Материал: поставляет поставщик.
Производственная Программа: 2 шт., разовый заказ.
Объем заказа: до 1 миллиона рублей

Заказ 2108 (02.11.2015, Воронежская область). Вал-шестерня. Скачать чертеж
Материал: поставляет поставщик.
Производственная Программа: 2 шт., разовый заказ.
Объем заказа: до 1 миллиона рублей

Заказ 2107 (28.10.2015, Московская область). Коленвал. Скачать чертеж
Материал: поставляет поставщик.
Производственная Программа: 3 шт.

Заказ 2106 (27.10.2015, Воронежская область). Изделия по индивидуальному заказу ножи. Скачать чертеж
Материал: поставляет Поставщик.
Производственная программа: 35 шт, разовый заказ.
Объем Заказа: до 300 тыс. рублей.

Заказ 2105 (27.10.2015, Татарстан). Язычок замка ремня безопасности (блестящий никелированный). Скачать чертеж
Материал: поставщика.
Производственная программа: от 50 до 150 тыс. шт. в месяц.

Заказ 2104 (27.10.2015, Воронежская область). Клещи. Скачать чертеж
Материал: Сталь 3, поставляет поставщик.
Производственная Программа: разовый Заказ.
Объем заказа: До 1 миллиона рублей.

Заказ 2103 (23.10.2015, Ярославская область). Формы Рук Для Перчаток. (литье Металла В Кокиль). Скачать чертежи
материал: Алюминиевый Сплав Ал-2.
Производственная программа: 20 Шт.
Оснастка: Поставщика.
Объем заказа: До 1 Миллиона Рублей.

Заказ 2102 (23.10.2015, Владимирская Область). Подшипник C Игольчатым Роликом (2х13,8 Мм) 704702к2с17. Скачать чертеж
материал: поставщика.
Производственная программа: 150 000 Шт./мес.
Оснастка: Поставщика.
Цена: 20,00 Рубли.
Объем Заказа: Свыше 1 Миллиона Рублей.

Заказ 2101 (23.10.2015, Владимирская область). Труба. Скачать чертеж
Материал: пруток Д16т
Производственная программа: 35

Заказ 2100 (23.10.2015, Владимирская область). Шток. Скачать чертеж
материал: Пруток 8-в-h11-30
Производственная программа: 38
Объем Заказа: До 300 Тыс. Рублей

Заказ 2099 (23.10.2015, Владимирская область). Винт. Скачать чертеж
материал: сталь 45
Производственная программа: 132
Объем заказа: До 300 Тыс. Рублей

Заказ 2098 (23.10.2015, Владимирская область). Гайка. Скачать чертеж
материал: Д16т
Производственная программа: 32
Объем заказа: до 300 тыс. рублей

Заказ 2097 (23.10.2015, Владимирская область). Втулка. Скачать чертеж
материал: Д16т Кр 38
Производственная программа: 30
Объем Заказа: До 300 тыс. рублей

Заказ 2096 (23.10.2015, Владимирская область). Колпачок. Скачать чертеж
материал: Пруток Д16т
Производственная программа: 43
Объем Заказа: До 300 Тыс. Рублей

Заказ 2095 (21.10.2015, Волгоградская область). Изготовление Барабана Приводного. Скачать чертеж
материал: Поставщика.
Производственная программа: 5 Шт., будут повторные заказы.
Доп. Требования: Коммерческие условия, которые необходимо указать в предложении и на основании которых принимаются решения: цена, срок изготовления, условия платежа (желательна жплата после поставки). Дополнительные условия, влияющие на принятие решения: полнота выполнения условий технического задания, возможность доставки изготовленных деталей на склад заказчика за счет исполнителя.
Оснастка: поставщика
Цена: договорная рубли

Заказ 2094 (19.10.2015, Волгоградская область). Мотор-барабан Для Ленточного Транспортера. Скачать Документ
материал: Поставщика.
Производственная Программа: 5 Шт.
Доп. Требования: Коммерческие Условия, Которые Необходимо Указать В Предложении И На Основании Которых Принимаются Решения: Цена, Срок Изготовления, Условия Платежа (желательна Оплата После Поставки). Дополнительные Условия, Влияющие На Принятие Решения: Полнота Выполнения Условий Технического Задания, Возможность Доставки Изготовленных Деталей На Склад Заказчика За Счет Исполнителя. Скорость 0,20–0,22 М/с,диаметр Барабана От 108мм До 150мм,предпочтительно Ближе К 108мм.,момент 200 -260нм,длина – 450мм,питание - 3ф,380в. Приемка Происходит На Складе Заказчика.
Цена: Договорная Рубли

Заказ 2093 (19.10.2015, Тюменская область). Наконечник Чугунный (литьё Металлов (чугун). Скачать Документ
материал: Поставщика.
Производственная Программа: 5 - 6 Тысяч Штук В Год.
Доп. Требования: Требуется Изготавливать Методом Литья Из Чугуна Сч-1836, Рассмотрим Любые Предложения.

Заказ 2092 (14.10.2015, Ульяновская область). Труба Для Карданных Валов 45х2,5 -10. Скачать Документ
материал: Поставщика.
Производственная Программа: Ежемесячный Объём От 15 000 Кг.
Доп. Требования:гост 5005-82 "трубы Карданных Валов".
Оснастка: Поставщика.
Цена: 47.79 Рубли.
Объем Заказа: До 1 Миллиона Рублей.

Заказ 2091 (12.10.2015, Г. Волгоград). Предметом Заказа Является Изготовление Вала Приводного 300, По Прилагаемому Чертежу. Скачать Чертеж
материал: Материалы, Указанные В Чертежах Могут Изменяться Исполнителем В Сторону Улучшения По Согласованию С Заказчиком.
Производственная Программа: Необходимо Изготовить Партию Вала Приводного В Кол-ве 3 Штук. Потребность Постоянная.
Доп. Требования: Коммерческие Условия, Которые Необходимо Указать В Предложении И На Основании Которых Принимаются Решения: Цена, Срок Изготовления, Условия Платежа (желательна Оплата После Поставки). Дополнительные Условия, Влияющие На Принятие Решения: Полнота Выполнения Условий Технического Задания, Возможность Доставки Изготовленных Деталей На Склад Заказчика За Счет Исполнителя.
Оснастка: Поставщика.
Цена: Договорная Рубли.
Объем Заказа: До 300 Тыс. Рублей.

Заказ 2090 (12.10.2015, Нижегородская область). Вакуумная Закалка Деталей: Ролик_1, Ролик_2 Скачать Чертежи
материал: Деталь С Финальной Обработкой Предоставляет Заказчик.
Производственная Программа: Тестовая Партия - 4шт.
Доп. Требования: Цикл Вакуумной Термообработки: - Медленный Прогрев До 750-800 Град. - Аустенитизация При 1000-1030 Град. - Закалка: Охлаждение В Вакууме (без Воды, Без Масла) - Отпуск При 450-500 В Вакууме, Выдержка От 1 До 3 Часов - Твердость После Отпуска 54-56 Hrc.

заказ 2089 (12.10.2015, Литва, Г. Каунас). Матрица К Прессу Иб1430б Скачать Чертеж
материал: Сталь 40х Hb 230..280 H14, H14, +-t2/2
Производственная Программа: Разовый Заказ 1 Шт.

Заказ 2088 (09.10.2015, Москва). Планка 46 Скачать Чертеж
материал: Материал Поставщика (изготовителя).
Производственная Программа: 10 000 Шт. В Месяц.
Цена: 11 Руб./шт.
Объем Заказа: До 300 Тыс. Рублей.

Заказ 2087 (09.10.2015, Свердловская область). Шкив Скачать Чертежи
материал: Материал Поставщика.
Производственная Программа: Разовый Заказ - 1 Шт.

Заказ 2086 (08.10.2015, Башкортостан). Прокладка (компрессионное (прямое) Прессование (пластмассы И Резина) Скачать Чертеж
материал: Материал Поставщика.
Производственная Программа: Разовый Заказ - 100 Шт. Далее Заказы Партиями, Ориентировочно - 500 (+/- 100) Шт. В Год.
Доп. Требования: Без Снятия Облоя.
Оснастка: Оснастка Покупателя (имеется 1 Форма).
Объем Заказа: До 300 Тыс. Рублей.

Заказ 2085 (08.10.2015, Свердловская область). Плита Верхняя Скачать Чертежи
материал: Резиновая Смесь Но-68-1нта. Материал - Поставщика (возможна Поставка Материала Покупателем).
Производственная Программа: Разовый Заказ.

Заказ 2084 (08.10.2015, Свердловская область). Плита Нижняя Скачать Чертежи
материал: Материал Поставщика.
Производственная Программа: Разовый Заказ.

Заказ 2083 (07.10.2015, Мордовия). Изделия По Чертежам Заказчика Скачать Чертежи
материал: Материал Поставщика.
Производственная Программа: Разовый Заказ Пробная Партия.

Заказ 2082 (06.10.2015, Ярославская область). Шкаф Медицинский Для Хранения Эндоскопов заказ Закрыт
материал: Материал Поставщика.
Производственная Программа: Разовый Заказ В Количестве 100 Шт.
Доп. Требования: Изготовление Деталей Без Сборочных Работ. Самовывоз!
Оснастка: Оснастка Поставщика.

Заказ 2081 (06.10.2015, Кировская область). Изготовление Детали "молоток"
Скачать Чертеж
материал: Материал Поставщика.
Производственная Программа: 1000 Шт. В Год.
Доп. Требования: При Необходимости Можем Выслать 3d Модель Изделия
Оснастка: Требуется Изготовление Оснастки.

заказ 2080 (06.10.2015, Москва). Деталь 10 Скачать Чертеж
материал: Из Материала Поставщика.
Производственная Программа: 3000 Шт.

заказ 2079 (06.10.2015, Москва). Деталь 16/2 Скачать Чертеж
материал: Из Материала Поставщика.
Производственная Программа: 1000 Шт.

заказ 2078 (06.10.2015, Москва). Деталь 16/1 Скачать Чертеж
материал: Из Материала Поставщика.
Производственная Программа: 1000 Шт.

заказ 2077 (05.10.2015, Тамбовская Область). Крышка Скачать Чертеж
материал: Материал Поставщика.
Производственная Программа: >50 Шт.
Объем Заказа: До 1 Миллиона Рублей.

заказ 2076 (05.10.2015, Тамбовская Область). Доска Трубная Скачать Чертеж
материал: Материал Поставщика.
Производственная Программа: >50 Шт.
Объем Заказа: До 1 Миллиона Рублей.

заказ 2075 (05.10.2015, Тамбовская Область). Крышка Скачать Чертеж
материал: Материал Поставщика.
Производственная Программа: >50 Шт.
Объем Заказа: До 1 Миллиона Рублей.

заказ 2074 (05.10.2015, Тамбовская Область). Доска Трубная Скачать Чертеж
материал: Материал Поставщика.
Производственная Программа: >50 Шт.
Объем Заказа: До 1 Миллиона Рублей.

заказ 2073 (02.10.2015, Нижегородская Область). Призма Станочная R4.40014.00 Скачать Чертежи
материал: Поставляет Заказчик.
Производственная Программа: 4 Шт.
Доп. Требования: Обработать Предварительно И Окончательно Поверхности Согласно Требованиям Чертежа R4.40014/00. Неуказанные Допуска Согласно Iso 22768-m.k. Описание Заготовки: - Сварная Конструкция В Соответствии С Требованием Чертежа; - Используемый Листовой Материал – Лист Б-пн-о-120 Гост 19903-74. - Припуск На Обрабатываемые Поверхности Не Более 20 Мм На Сторону; - Отверстия Обрабатываются В Сплошном Материале; - Произведено Снятие Напряжений После Сварки (отжиг).

заказ 2072 (02.10.2015, Нижегородская Область). Угольник R 4.40011/00 – Механообработка Скачать Чертежи
материал: Поставляет Заказчик.
Производственная Программа: 1 Шт.
Доп. Требования: Прошу Вас Рассмотреть Возможность Проведения Мех.обработки Согласно Чертежу Во Вложении. Заготовка – Сварная Конструкция. Размеры Листа Для Расчета Припуска Указаны Около Штампа
Цена: 150 000 Руб. Без Ндс Рубли.

заказ 2071 (30.09.2015, Свердловская Область). Изготовления Деталей По Чертежам Заказчика Скачать Чертежи
материал: Заказчика.
Производственная Во Вложенном Файле.

заказ 2070 (30.09.2015, Московская Область). Спираль Для Тестомеса Скачать Чертеж
материал: Нержавеющий Круг 21 Мм , Поставщик.
Производственная Программа: 500 Шт. В Год.
Оснастка: Поставщика.
Цена: 2000 Рублей.
Объем Заказа: До 1 Миллиона Рублей.

заказ 2069 (29.09.2015, Липецкая Область). Требуется Раскатка Трубы С Приваренным Угольником Скачать Чертеж
материал: Заказчика.
Производственная Программа: Разовый Заказ.

заказ 2068 (28.09.2015, Ульяновская Область). Труба Для Карданных Валов 45х2,5 -10(15,20) Скачать Документ
материал: Поставщика.
Производственная Программа: Ежемесячный Объём От 12 000 Кг.
Доп. Требования: Гост 5005-82 "трубы Карданных Валов"
Оснастка: Поставщика
Цена: 55,80 Рубли
Объем Заказа: До 1 Миллиона Рублей.

заказ 2067 (28.09.2015, Ульяновская Область). Труба Стальная Электросварная Для Производства Карданных Валов 51х3 Гост 10704-91/15(20) Скачать Документ
материал: Поставщика.
Производственная Программа: Ежемесячный Объём От 7 000 Кг.
Доп. Требования: Гост 10705-80
Оснастка: Поставщика
Цена: 38,70 Рубли
Объем Заказа: До 300 Тыс. Рублей.

заказ 2066 (28.09.2015, Ульяновская Область). Поставка: Накладка Фрикционная Колодки Заднего Тормоза 3160-3502105-10 Скачать Чертеж
материал: Поставщика.
Производственная Программа: Годовой Объём 18 000 Шт.
Доп. Требования: Безасбестовая Композиция Шифра Фритекс 126 Ту 2571-028-05766936-200
Оснастка: Поставщика
Цена: 41,20 Рубли
Объем Заказа: До 1 Миллиона Рублей.

заказ 2065 (28.09.2015, Мордовия). Полное Изготовление Скачать Чертежи
материал: Поставщика.
Производственная Программа: Разовый Заказ, По 20 Шт.
Объем Заказа: До 300 Тыс. Рублей.

заказ 2064 (28.09.2015, Москва). Изготовление Стекла Скачать Чертеж
материал: Поставщика.
Производственная Программа: Разовый Заказ 110 Шт.
Оснастка: Поставщика

заказ 2063 (28.09.2015, Ульяновская Область). Поставка: Накладка Фрикционная Стояночного Тормоза 69-3507020-10 Скачать Чертеж
материал: Поставщика.
Производственная Программа: Годовой Объём 80 000 Шт.
Доп. Требования: Асбофрикционный Материал Шифра 6кф-59, Ту 38.11480-90
Оснастка: Поставщика
Цена: 31,64 Рубли
Объем Заказа: Свыше 1 Миллиона Рублей.

заказ 2062 (28.09.2015, Ульяновская Область). Поставка: Накладка Фрикционная Задней Колодки Тормоза 20-3501106 Скачать Чертеж
материал: Поставщика.
Производственная Программа: Годовой Объём 50 000 Шт.
Доп. Требования: Асбестовая Композиция Шифра 6кф-59, Ту 38.11471-82
Оснастка: Поставщика
Цена: 18,70 Рубли
Объем Заказа: До 1 Миллиона Рублей.

заказ 2061 (28.09.2015, Ульяновская Область). Поставка: Накладка Фрикционная Передней Колодки Тормоза 20-3501105 Скачать Чертеж
материал: Поставщика.
Производственная Программа: Годовой Объём 330 000 Шт.
Доп. Требования: Асбестовая Композиция Шифра 6кф-59, Ту 38.11471-82
Оснастка: Поставщика
Цена: 23,40 Рубли
Объем Заказа: Свыше 1 Миллиона Рублей.

заказ 2060 (25.09.2015, Мордовия). Колесо Коническое 2 Вида Скачать Чертежи
материал: Поставщика.
Производственная Программа: 35 Шт. Каждого Вида.
Объем Заказа: До 300 Тыс. Рублей.

заказ 2059 (24.09.2015, Псковская Область). Поддоны Размером 800*1200 Мм, 1000*1200 Мм Скачать Чертежи
материал: Поставщика.
Производственная Программа: 300 Шт. В День.
Объем Заказа: Свыше 1 Миллиона Рублей

заказ 2058 (24.09.2015, Московская Область). Вал 500х1900; Вал 360х2000; Уплотнение Малое; Уплотнение Большое; Кольцо Уплотнительное Скачать Чертежи
материал: Согласно Чертежа.
Производственная Программа: На 2016 Год Во Вложенном Файле.

заказ 2057 (23.09.2015, Башкортостан). Деталь "игла" Скачать Чертежи
материал: Поставщика.
Производственная Программа: 3 Вида Детали, Отличия В Длине. Ежеквартально По 30 Штук Каждой.

заказ 2056 (22.09.2015, Ярославская Область). Ножи Скачать Чертежи
материал: Поставщика.
Производственная Программа: 400 Шт./квартал.
Оснастка: Заказчика.
Объем Заказа: До 300 Тыс. Рублей.

заказ 2055 (22.09.2015, Ярославская Область). Ножи Профильные Скачать Чертеж
материал: Сталь.
Производственная Программа: 300 Шт./мес.
Оснастка: Заказчика.
Объем Заказа: До 300 Тыс. Рублей.

заказ 2054 (21.09.2015, Нижегородская Область). Полумуфты С Овальным Зубом Скачать Чертежи
материал: Указан В Чертеже: 38хм И 40х.
Производственная Программа: Разовый Заказ, По 2 Шт. Каждого Наименования.
Доп. Требования: Допустимо Выставить Предложение Только На Зуборезную Операцию. В Этом Случае Заготовку Предоставляет Заказчик. Обязательно Указать Сроки Выполнения Заказа!

заказ 2053 (18.09.2015, Псковская Область). Изделия Из Проволоки Контактная Сварка Скачать Чертежи
материал: Поставщика.
Производственная Программа: 20000 Штук В Месяц.
Доп. Требования: Гальваническое Покрытие "блестящий Цинк".
Оснастка: Поставщика.
Объем Заказа: Свыше 1 Миллиона Рублей.

заказ 2052 (17.09.2015, Москва). Изготовление Вала Скачать Чертеж
материал: Изготовителя.
Производственная Программа: 1 -2 Шт.
Доп. Требования: При Положительных Результатах Изготовления И Использования В Нашем Опытном Образце, В Дальнейшем Предлагается Заказ Примерно По 50 Шт. В Год Или, В Зависимости От Цены, Одновременное Изготовление Партии В 300 Шт.

заказ 2051 (15.09.2015, Татарстан). Фланцы, Порядка 30 Позиций Скачать Документ
материал: Сталь 20; 09г2с ; 13хфа.
Производственная Программа: Ежемесячно 50 Т.
Доп. Требования: Примерный Перечень Во Вложенном Файле.

заказ 2050 (15.09.2015, Свердловская Область). Дц-04.04.00.004 Б Шестерня M=16, Z=27 Скачать Чертеж
материал: Поставщика.
Производственная Программа: Две Штуки На Одной Левый Зуб На Второй Правый.

заказ 2049 (11.09.2015, Марий Эл). Пескоструйная Подготовка И Нанесение Антикоррозионного Покрытия (элакор) Нет Чертежа
материал: Поставщика.
Производственная Программа: Общая Площадь 2700 Кв.м.
Доп. Требования: Требуются Специалисты С Оборудованием (предприятие Или Завод) Для Пескоструйной Подготовки И Нанесению Антикоррозионного Покрытия (элакор) На Металлические Поверхности Общей Площадью 2700м2

заказ 2048 (11.09.2015, Свердловская Область). Ножи Скачать Чертежи
материал: См. Чертеж.
Производственная Программа: Нож 55.03 - 30 Шт.; Нож 55.04. - 8 Шт.

заказ 2047 (10.09.2015, Саратовская Область). Производство Изделия "клиновой Механизм" Скачать Чертежи
материал: Поставщика.
Производственная Программа: Намечено К Серийному Выпуску В 2016 Году В Количестве 1500 Шт. В Месяц.
Доп. Требования: "клиновой Механизм" В Него Входят Детали Из Эластомера: Км.00.017 - Кожух В Количестве 2-х Шт.; Км.01.100 - Пыльник В Количестве 1 Шт. Технические Требования В Приложении.

заказ 2046 (10.09.2015, Псковская Область). Изделия Из Проволоки Скачать Чертеж
материал: Поставщика.
Производственная Программа: От 100 До 500 Штук В Месяц.
Оснастка: Поставщика.
Доп. Требования: Чертежи По Запросу.
Объем Заказа: Свыше 1 Миллиона Рублей.

заказ 2045 (09.09.2015, Ульяновская Область). Шестерня Заднего Хода Ведомая 469-1701140 Скачать Чертеж
материал: Сталь 20хгнм (материал Заказчика).
Производственная Программа: 25000 Шт.
Оснастка: Поставщика.
Цена: 67,50 Рубли.
Объем Заказа: Свыше 1 Миллиона Рублей.

заказ 2044 (09.09.2015, Ульяновская Область). Венец Зубчатый Шестерни 469-1701128 Скачать Чертеж
материал: Сталь 20хгнм (материал Заказчика).
Производственная Программа: 75000 Шт.
Оснастка: Поставщика.
Цена: 54,00 Рубли.
Объем Заказа: Свыше 1 Миллиона Рублей.

заказ 2043 (09.09.2015, Ульяновская Область). Шестерня 2-ой Передачи Вторичного Вала 469-1701127 Скачать Чертеж
материал: Сталь 20хгнм (материал Заказчика).
Производственная Программа: 25000 Шт.
Оснастка: Поставщика.
Цена: 88,20 Рубли.
Объем Заказа: Свыше 1 Миллиона Рублей.

заказ 2042 (09.09.2015, Ульяновская Область). Ступица Муфты Переключения Передач 469-1701119 Скачать Чертеж
материал: Сталь 20хгнм (материал Заказчика).
Производственная Программа: 50000 Шт.
Оснастка: Поставщика.
Цена: 58,50 Рубли.
Объем Заказа: Свыше 1 Миллиона Рублей.

заказ 2041 (09.09.2015, Ульяновская Область). Муфта Переключения 3 И 4 Передач 469-1701118 Скачать Чертеж
материал: Сталь 20хгнм (материал Заказчика).
Производственная Программа: 25000 Шт.
Оснастка: Поставщика.
Цена: 56,70 Рубли.
Объем Заказа: Свыше 1 Миллиона Рублей.

заказ 2040 (09.09.2015, Ульяновская Область). Шестерня Третьей Передачи Вторичного Вала 469-170115 Скачать Чертеж
материал: Сталь 20хгнм (материал Заказчика).
Производственная Программа: 25000 Шт.
Оснастка: Поставщика.
Цена: 59,40 Рубли.
Объем Заказа: Свыше 1 Миллиона Рублей.

заказ 2039 (09.09.2015, Ульяновская Область). Шестерня 1-ой Передачи Вторичного Вала 469-1701112 Скачать Чертеж
материал: Сталь 20хгнм (материал Заказчика).
Производственная Программа: 25000 Шт.
Оснастка: Поставщика.
Цена: 116,10 Рубли.
Объем Заказа: Свыше 1 Миллиона Рублей.

заказ 2038 (09.09.2015, Ульяновская Область). Вал Вторичный 469-1701105 Скачать Чертеж
материал: Сталь 20хгнм (материал Заказчика).
Производственная Программа: 25000 Шт.
Оснастка: Поставщика.
Цена: 154,80 Рубли.
Объем Заказа: Свыше 1 Миллиона Рублей.

заказ 2037 (09.09.2015, Ульяновская Область). Шестерня Заднего Хода 469-1701082 Скачать Чертеж
материал: Сталь 20хгнм (материал Заказчика).
Производственная Программа: 25000 Шт.
Оснастка: Поставщика.
Цена: 60,30 Рубли.
Объем Заказа: Свыше 1 Миллиона Рублей.

заказ 2036 (09.09.2015, Ульяновская Область). Блок Шестерен Промежуточного Вала 469-1701050 Скачать Чертеж
материал: Сталь 20хгнм (материал Заказчика).
Производственная Программа: 25000 Шт.
Оснастка: Поставщика.
Цена: 166,50 Рубли.
Объем Заказа: Свыше 1 Миллиона Рублей.

заказ 2035 (09.09.2015, Ульяновская Область). Вал Промежуточный 469-1701048 Скачать Чертеж
материал: Сталь 20хгнм (материал Заказчика).
Производственная Программа: 25000 Шт.
Оснастка: Поставщика.
Цена: 175,50 Рубли.
Объем Заказа: Свыше 1 Миллиона Рублей.

заказ 2034 (09.09.2015, Ульяновская Область). Вал Первичный 3160-1701030 Скачать Чертеж
материал: Сталь 20хгнм (материал Заказчика).
Производственная Программа: 25000 Шт.
Оснастка: Поставщика.
Цена: 170,10 Рубли.
Объем Заказа: Свыше 1 Миллиона Рублей.

заказ 2033 (09.09.2015, Ульяновская Область). Вал Первичный 469-1701030 Скачать Чертеж
материал: Сталь 20хгнм (материал Заказчика).
Производственная Программа: 25000 Шт.
Оснастка: Поставщика.
Цена: 163,80 Рубли.
Объем Заказа: Свыше 1 Миллиона Рублей.

заказ 2032 (09.09.2015, Ульяновская Область). Венец Зубчатый Первичного Вала 469-1701029 Скачать Чертеж
материал: Сталь 20хгнм (заказчика).
Производственная Программа: 25000 Шт.
Оснастка: Поставщика.
Цена: 33,30 Рубли.
Объем Заказа: До 1 Миллиона Рублей.

заказ 2031 (08.09.2015, Нижегородская Область). Изделия, Полученные В Результате Обработки Резанием. Штепсель - Асдн.2.30.004.000.001-03 заказ Закрыт
материал: Круг Сталь 20.
Производственная Программа: Разовый Заказ, 3000 Шт.
Доп. Требования: Возможно Изготовление Без Покрытия, С Уменьшением Цены.
Цена: 150 Руб. С Ндс Рубли.
Объем Заказа: До 1 Миллиона Рублей.

заказ 2030 (07.09.2015, Марий Эл). Требуется Изготовить Сегменты Сферы Из Стали Скачать Чертеж
материал: Сталь 09г2с.
Производственная Программа: 6 Шт.

заказ 2029 (04.09.2015, Татарстан). Изготовление Запасных Частей Бегунов Литейных 116м2 Нет Чертежа
материал: Поставщика.
Производственная Программа: Разовый Заказ.
Доп. Требования: Изготовление Запасных Частей Бегунов Литейных 116м2: - Зубчатая Пара Колесо (116м2.5.004.)z=92, M=8 Валшестерня(116м2.5.101) Z=18, M=8 - Зубчатая Пара Колесо (116м2.5.103а.) Z=45, M=7,0547 Валшестерня(116м2.5.111a) Z=10, M=7,0547 Либо - Зубчатая Пара Колесо (116м2.5.103.) Z=56, M=8 Валшестерня (116м2.5.111) Z=13, M=8

заказ 2028 (04.09.2015, Татарстан). Наплавка И Шлифование Станин И Кареток Токарных Станков (1м63, 16к20), Рабочих Столов, Кареток Агрегатных Станков (вес До 3 Тонн, Длина До 4 Метров). Нет Чертежа
материал: Поставщика.
Производственная Программа: Разовый Заказ

заказ 2027 (04.09.2015, Г. Волгоград). Предметом Заказа Является Изготовление:
1.1. Корпуса Загрузочного № 25
1.2. Корпуса Удлинительного № 25.
Скачать Чертеж
материал: Поставщика.
Производственная Программа: Опытная Партия: Корпус Загрузочный № 25 В Кол-ве 3 Штук Корпус Удлинительный № 25 В Кол-ве 9 Штук.
доп. Требования: В Том Случае, Если Все Требования И Условия Будут Выполняться – Потребность У Заказчика 120- 150 Штук В Год. Технические Требования. Корпус Загрузочный № 25 И Корпус Удлинительный № 25, Изготавливаются В Соответствии С Требованиями Чертежа. Материал, Указанный В Чертежах Может Изменяться Исполнителем В Сторону Улучшения (твердость, Износостойкость). Предпочтительно Изготавливать Вышеперечисленные Корпуса Способом Литья.
Оснастка: Поставщика
Объем Заказа: До 300 Тыс. Рублей.

заказ 2026 (29.08.2015, Ярославская Область). Ролик Натяжной. Скачать Чертежи (файл В Формате Zip) заказ Закрыт
материал: Сталь 35 Гост 1050-88, Сталь 3 Гост 380-94, Д16т Гост 4784-97
Производственная Программа: 1 Шт., Разовый Заказ
дополнительные Усиления: См. Сборочный Чертеж

заказ 2025 (29.08.2015, Ярославская Область). Приспособление Для Складывания Ленты. Скачать Чертежи (файл В Формате Zip) заказ Закрыт
материал: Сталь 45 Гост 1050-88, Сталь 3 Гост 380-94
Производственная Программа: 1 Шт., Разовый Заказ
дополнительные Усиления: См. Сборочный Чертеж

заказ 2024 (29.08.2015, Ярославская Область). Шпуля. Скачать Чертежи (файл В Формате Zip) заказ Закрыт
материал: Сталь 3
Производственная Программа: 150 Шт., Разовый Заказ
дополнительные Усиления: См. Сборочный Чертеж

заказ 2023 (29.08.2015, Ярославская Область). Барабан. Скачать Чертежи (файл В Формате Zip) заказ Закрыт
материал: Сталь 3
Производственная Программа: 4 Шт., Разовый Заказ
дополнительные Усиления: Изготовление Барабана Согласно Сборочного Чертежа

заказ 2022 (29.08.2015, Ярославская Область). Катушка. Скачать Чертежи (файл В Формате Zip) заказ Закрыт
материал: Сталь 3
Производственная Программа: 150 Шт., Разовый Заказ
дополнительные Усиления: Изготовление Катушек Согласно Чертежа П-10890.00 Сб

заказ 2021 (27.08.2015, Республика Татарстан). Оснастка Для Производства Изделий Из Высокопрочного Чугуна. Модель Крышки Люка Серии Т(с250)-1-60 Из Вч (низ) Скачать Чертеж (файл В Формате Jpg)
материал: Модельный Пластик
Производственная Программа: Разовый Заказ, 3 Комплекта

заказ 2020 (27.08.2015, Республика Татарстан). Оснастка Для Производства Изделий Из Высокопрочного Чугуна. Модель Крышки Люка Серии Т(с250)-1-60 Из Вч (верх) Скачать Чертеж (файл В Формате Jpg)
материал: Модельный Пластик
Производственная Программа: Разовый Заказ, 3 Комплекта

заказ 2019 (27.08.2015, Республика Татарстан). Оснастка Для Производства Изделий Из Высокопрочного Чугуна. Модель Крышки Люка Серии Т(с250)-1-60 Из Вч Скачать Чертеж (файл В Формате Jpg)
материал: Сплав Ак-7 Гост 1583-93
Производственная Программа: Разовый Заказ, 3 Комплекта

заказ 2018 (27.08.2015, Республика Татарстан). Оснастка Для Производства Изделий Из Высокопрочного Чугуна. Модель Корпуса Фильтра Dn100 Левая Скачать Чертеж (файл В Формате Jpg)
материал: Сплав Ак-7 Гост 1583-93
Производственная Программа: Разовый Заказ, 3 Комплекта

заказ 2017 (27.08.2015, Республика Татарстан). Оснастка Для Производства Изделий Из Высокопрочного Чугуна. Модель Корпуса Задвижки Dn200 Скачать Чертеж (файл В Формате Jpg)
материал: Сплав Ак-7 Гост 1583-93
Производственная Программа: Разовый Заказ, 3 Комплекта

заказ 2016 (25.08.2015, Волгоградская Область). Изготовление Подшипникового Узла № 25 Скачать Чертеж (файл В Формате Pdf)
материал: Материалы, Указанные В Чертежах Могут Изменяться Исполнителем В Сторону Улучшения По Согласованию С Заказчиком
Производственная Программа: Для Определения Качества Поставки Надо Изготовить Опытную Партию 3 Штуки, Далее По 20-30 Штук/год.
дополнительная Информация: Требуется Высокая Износостойкость, Твёрдость Hrc - 45-70 Единиц.
коммерческие Условия, Которые Необходимо Указать В Предложении И На Основании Которых Принимается Решение:
- Цена
- Срок Изготовления
- Условия Платежа ( Желательна Оплата После Поставки).
Дополнительные Условия, Влияющие На Принятие Решения:
- Полнота Выполнения Условий Технического Задания
- Возможность Доставки Изделия До Склада Заказчика За Счет Исполнителя.
в Дальнейшем Данные Детали Нужно Будет Производить Серийно, Партиями По 100-200 Штук.
оснастка: Материалы, Указанные В Спецификации Поставляет Заказчик (заготовка Для Корпуса (труба), Подшипники, Манжеты И Т.д.).
объем: До 300 000 Руб.

заказ 2015 (25.08.2015, Волгоградская Область). Изготовление Шнековой Насадки По Прилагаемому Чертежу Скачать Чертеж (файл В Формате Pdf)
материал: Материал Для Отливки Определяются Поставщиком Самостоятельно.
Производственная Программа: Количество Насадок – 12, Или Минимально Возможное Количество. Нужно Будет Ещё 2 Типа Насадок.
дополнительная Информация: Требуется Высокая Износостойкость, Твёрдость Hrc - 45-70 Единиц.
коммерческие Условия, Которые Необходимо Указать В Предложении И На Основании Которых Принимается Решение:
- Цена
- Срок Изготовления
- Условия Платежа ( Желательна Оплата После Поставки).
Дополнительные Условия, Влияющие На Принятие Решения:
- Полнота Выполнения Условий Технического Задания
- Возможность Доставки Изделия До Склада Заказчика За Счет Исполнителя.
в Дальнейшем Данные Детали Нужно Будет Производить Серийно, Партиями По 100-200 Штук.
оснастка: Чертеж Предоставляется Не Литьевой, При Отливке Необходимо Учесть, Что Результатом Выполнения Работы По Заказу Должно Быть Готовое Изделие.
объем: До 300 000 Руб.

заказ 2014 (25.08.2015, Тамбовская Область). Отвод Скачать Чертеж (файл В Архиве Rar)
материал: Труба Г 83х14-12х18н2т Ту 14-3р-55-2001, Поставщика
Производственная Программа: Разовый Заказ, Четыре Позиции Общим Количеством - 78 Шт.
объем: До 300 000 Руб.

заказ 2013 (21.08.2015, Тамбовская Область). Тройник Т-384и.001 Скачать Чертеж
материал: Сталь 12х18н10т Гост 5632-72, Поставщика
Производственная Программа: Разовый Заказ, Является Частью Общего Большого Заказа Из 11 Позиций
объем: Общий Заказ Свыше 1 Млн. Руб.

заказ 2012 (21.08.2015, Тамбовская Область). Тройник Т-375.001 Скачать Чертеж
материал: Сталь 12х18н10т Гост 5632-72, Поставщика
Производственная Программа: Разовый Заказ, Является Частью Общего Большого Заказа Из 11 Позиций
объем: Общий Заказ Свыше 1 Млн. Руб.

заказ 2011 (21.08.2015, Тамбовская Область). Узел Врезки В Трубу Т-369т Сб Скачать Чертеж
материал: Сталь 12х18н10т Гост 5632-72, Поставщика
Производственная Программа: Разовый Заказ, Является Частью Общего Большого Заказа Из 11 Позиций
объем: Общий Заказ Свыше 1 Млн. Руб.

заказ 2010 (21.08.2015, Тамбовская Область). Угольник Т-337.001 Скачать Чертеж
материал: Сталь 12х18н10т Гост 5632-72, Поставщика
Производственная Программа: Разовый Заказ, Является Частью Общего Большого Заказа Из 11 Позиций
объем: Общий Заказ Свыше 1 Млн. Руб.

заказ 2009 (21.08.2015, Тамбовская Область). Тройник Т-333.001 Скачать Чертеж
материал: Сталь 12х18н10т Гост 5632-72, Поставщика
Производственная Программа: Разовый Заказ, Является Частью Общего Большого Заказа Из 11 Позиций
объем: Общий Заказ Свыше 1 Млн. Руб.

заказ 2008 (21.08.2015, Тамбовская Область). Узел Врезки В Трубу Т-324 Сб Скачать Чертеж
материал: Сталь 12х18н10т Гост 5632-72, Поставщика
Производственная Программа: Разовый Заказ, Является Частью Общего Большого Заказа Из 11 Позиций
объем: Общий Заказ Свыше 1 Млн. Руб.

заказ 2007 (21.08.2015, Тамбовская Область). Тройник Т-329.001 Скачать Чертеж
материал: Сталь 12х18н10т Гост 5632-72, Поставщика
Производственная Программа: Разовый Заказ, Является Частью Общего Большого Заказа Из 11 Позиций
объем: Общий Заказ Свыше 1 Млн. Руб.

заказ 2006 (21.08.2015, Тамбовская Область). Тройник Т-326.001 Скачать Чертеж
материал: Сталь 12х18н10т Гост 5632-72, Поставщика
Производственная Программа: Разовый Заказ, Является Частью Общего Большого Заказа Из 11 Позиций
объем: Общий Заказ Свыше 1 Млн. Руб.

заказ 2005 (21.08.2015, Тамбовская Область). Тройник Т-322и.001 Скачать Чертеж
материал: Сталь 12х18н10т Гост 5632-72, Поставщика
Производственная Программа: Разовый Заказ, Является Частью Общего Большого Заказа Из 11 Позиций
объем: Общий Заказ Свыше 1 Млн. Руб.

заказ 2004 (21.08.2015, Тамбовская Область). Тройник Т-330и.001 Скачать Чертеж
материал: Сталь 12х18н10т Гост 5632-72, Поставщика
Производственная Программа: Разовый Заказ, Является Частью Общего Большого Заказа Из 11 Позиций
объем: Общий Заказ Свыше 1 Млн. Руб.

заказ 2003 (21.08.2015, Тамбовская Область). Тройник Т-390.001. Скачать Чертеж
материал: Сталь 12х18н10т Гост 5632-72, Поставщика
Производственная Программа: Разовый Заказ, Является Частью Общего Большого Заказа Из 11 Позиций
объем: Общий Заказ Свыше 1 Млн. Руб.

заказ 2002 (21.08.2015, Ярославская Область). Гибка Металлического Листа. Скачать Чертеж
материал: Заказчика
Производственная Программа: Периодически По 80 Шт.

заказ 2001 (21.08.2015, Республика Татарстан). Изготовление Шестерней, Матриц И Пуансонов. Скачать Чертежи
материал: Исполнителя, Сталь 40х, 38хн3ма
Производственная Программа:
1) Шестерни По Чертежам В Количестве 1шт. - Каждой Позиции.
2) Матрицы И Пуансоны По Чертежам, Количество И Виды В Чертежах.

заказ 2000 (20.08.2015, Республика Мордовия). Изготовление Однослойных Печатных Плат. Скачать Чертеж
материал: Исполнителя
Производственная Программа: 2 Штуки, Разовый Заказ.
дополнительные Требования:
1) Изготовление Основы Платы
2) Нанесение Маркировки
3) Монтаж Радиокомпонентов
4) Электротестирование Платы

заказ 1999 (19.08.2015, Санкт-петербург). Стойка Поворотная Скачать Чертеж
материал: Исполнителя, 12х18н10т Или Аналоги
Производственная Программа: 2 Штуки, Разовый Заказ.

заказ 1998 (10.08.2015, Свердловская Область). Ниппель Жгиц 714551.004 Скачать Чертеж
материал: Согласно Таблице Материалов, Поставщика.
Производственная Программа: 500 Штук, Разовый Заказ.

заказ 1997 (10.08.2015, Свердловская Область). Стержень Жгиц 715613.003 Скачать Чертеж
материал: Согласно Таблице Материалов, Поставщика.
Производственная Программа: 900 Штук, Разовый Заказ.

заказ 1996 (10.08.2015, Свердловская Область). Штуцер Жгиц 715574.001 Скачать Чертеж
материал: Согласно Таблице Материалов, Поставщика.
Производственная Программа: 200 Штук, Разовый Заказ.

заказ 1995 (10.08.2015, Свердловская Область). Цанга Жгиц 711354.006 Скачать Чертеж
материал: Сталь 14x17h2 Гост 5632-72, Поставщика.
Производственная Программа: 900 Штук, Разовый Заказ.

заказ 1994 (10.08.2015, Свердловская Область). Цанга Жгиц 713293.001 Скачать Чертеж
материал: Сталь 14x17h2 Гост 5632-72, Поставщика.
Производственная Программа: 900 Штук, Разовый Заказ.

заказ 1993 (04.08.2015, Тюменская Область). Подставка Для Гильотины, Большая Подставка Для Гильотины Скачать Чертежи
материал: Поставщика.
Производственная Программа: Подставка Для Гильотины - 5 Штук. Большая Подставка Для Гильотины - 5 Штук.

заказ 1992 (30.07.2015, Марий Эл). Изготовление Запчастей Для Трехвалкового Станка, Чертежи Деталей Прилагаем Скачать Чертежи
материал: 40х,бронза,чугун.
Производственная Программа: Разовый Заказ.
Оснастка: Поставщика.

заказ 1991 (30.07.2015, Татарстан). Ведомая Звезда Скачать Чертеж
материал: Поставщика.
Производственная Программа: 10 Шт. - Разовый Заказ, С Перспективой По 3 Шт./мес.

заказ 1990 (29.07.2015, Рязанская Область). Втулка 1 Скачать Чертеж
материал: Поставщика.
Производственная Программа: 500-700 Шт./мес.
Доп. Требования: Совместно С Корпусом Заказ 1988
Цена: 60 Руб. За Комплект.

заказ 1989 (29.07.2015, Рязанская Область). Детали Пневматики Скачать Чертежи
материал: Заказчика.
Производственная Программа: 20 Компл.
Доп. Требования: Есть Отработанная Технология, Фрезеровку И Электроэррозию Готовы Сделать Сами.
Объем Заказа: До 1 Миллиона Рублей.

заказ 1988 (29.07.2015, Рязанская Область). Корпус Скачать Чертеж
материал: Поставщика.
Производственная Программа: 500-700 Шт./мес.
Объем Заказа: До 300 Тыс. Рублей.

заказ 1987 (29.07.2015, Свердловская Область). Сектор Скачать Чертеж
материал: Поставщика.
Производственная Программа: 140 Штук.

заказ 1986 (22.07.2015, Челябинская Область). Изготовление Заготовки Способом Молотовой Штамповки Скачать Чертеж
материал: Согласно Чертежа.
Производственная Программа: Минимальная Партия Со Стороны Поставщика, Но Не Менее 20шт.
Доп. Требования: Чертеж Прикреплен Конечной Детали, Необходим Чертеж На Согласование От Поставщика.

заказ 1985 (22.07.2015, Костромская Область). Шток-втулка Скачать Чертеж
материал: Поставщика.
Производственная Программа: 25 Шт., Разовый Заказ
Объем Заказа: До 300 Тыс. Рублей.

заказ 1984 (22.07.2015, Чувашия). Стержень Скачать Чертеж
материал: Поставщика
Производственная Программа: 130 Штук.

заказ 1983 (21.07.2015, Чувашия). Накатка Резьбы М6*0,75мм. Нет Чертежа
материал: Давальческий. Необходимо Перекатать Резьбу М6*0,75мм По Существующей Не Соответствующей Гост (заниженная).
Производственная Программа: 9000 Шт.

заказ 1982 (20.07.2015, Москва). Буксы Фланца Скачать Чертеж
материал: Ст20.
Производственная Программа: 100 Шт. Разовый.
Оснастка: Исполнителя.
Цена: 6956,65 Рубли.

заказ 1981 (15.07.2015, Чувашия). Червяк Скачать Чертеж
материал: Поставщика.
Производственная Программа: 500 Штук Периодически.
Доп. Требования: Предложения Направлять На Электронную Почту.

заказ 1980 (11.07.2015, Чувашия). Бобышка Скачать Чертеж
материал: Поставщика.
Производственная Программа: 1000 Шт.; Цена: 35 Руб.

заказ 1979 (07.07.2015, Свердловская Область). Шток Скачать Чертеж
материал: 40х.
Производственная Программа: Необходимо 100 Штук

заказ 1978 (25.06.2015, Воронежская Область). Изготовление Вала На Оборудование Скачать Чертеж
материал: Поставщика.
Производственная Программа: 1 Штука, Разовый Заказ
Дополнительные Требования: Согласно Чертежа

заказ 1977 (24.06.2015, Нижний Новгород). Изготовление Пластиковых Контейнеров. Нет Чертежа
материал: Поставщика.
Оснастка: Поставщика
производственная Программа: 800 Штук, Разовый Заказ
Дополнительные Требования: Пластмассовый Контейнер Длиной 1000 Мм, Ширина 500 Мм, Высота 100 Мм, Толщина Стенок Не Менее 3 Мм.

заказ 1976 (24.06.2015, Костромская Область). Изготовление Оси. Скачать Чертеж
материал: Поставщика.
Производственная Программа: 2 Штуки, Разовый Заказ
Дополнительные Требования: Нет

заказ 1975 (22.06.2015, Ярославская Область). Изготовление Комплектов. Скачать Комплект Чертежей
материал: Заказчика.
Производственная Программа: 30 Комплектов Деталей, Разовый Заказ
Дополнительные Требования: Требуется Изготовить Детали В Двухнедельный Срок!!

заказ 1974 (20.06.2015, Башкортостан). Проектирование И Изготовление Литьевой Формы. Скачать Чертеж
материал: Поставщика.
Производственная Программа: 1 Единица. В Перспективе До 15 Единиц; Доп. Требования: Ждем Предложения От Специализированных Компаний На Проектирование И Изготовление Литьевых Форм Для Литья Алюминия Под Давлением Общая Потребность Порядка 15 Форм. Для Примера Во Вложении Чертеж Одной Из Деталей.

заказ 1973 (20.06.2015, Башкортостан). Тара Для Транспортировки Валов. Скачать Чертеж
материал: Поставщика.
Производственная Программа: Разовый Заказ На Изготовление 12 Шт.

заказ 1972 (15.06.2015, Москва). Изготовление Изделия Согласно Чертежа . Скачать Чертеж
материал: Поставщика.
Производственная Программа: 50000 В Год; Оснастка: Поставщика.

заказ 1971 (11.06.2015, Ярославская Область). Фланец Дарц.711342.002-09; -13. Скачать Чертеж
материал: Заказчика.
Производственная Программа: 30; Доп. Требования: Обработка В Сжатые Сроки.

заказ 1970 (11.06.2015, Ярославская Область). Кольцо Дарц.711141.051-09; -013. Скачать Чертеж
материал: Заказчика.
Производственная Программа: 15; Доп. Требования: Обработка В Сжатые Сроки.

заказ 1969 (11.06.2015, Ярославская Область). Заглушка Дарц.711121.000-09; -013 Скачать Чертеж
материал: Заказчика.
Производственная Программа: 15; Доп. Требования: Обработка В Сжатые Сроки.

заказ 1968 (06.06.2015, Московская Область). Венец Зубчатый Скачать Чертеж
материал: Поставщика.
Производственная Программа: 2 Шт. Разовый Заказ.

заказ 1967 (06.06.2015, Московская Область). Стенд Рекламный. Гнутая Труба С Креплениями Для Плоских Досок. Скачать Чертеж
материал: Поставщика.
Производственная Программа: 1шт. Разовый Заказ.; Доп. Требования: Максимальные Линейные Размеры Конструкции Стенда 4000 Мм (длинна) И 2500 Мм (ширина). Высота 2600 Мм, Стенд Предназначен Для Закрепления На Нем Плоских Досок. Размер Одной Доски 960х250 Мм., Вес 2 Кг.

заказ 1966 (05.06.2015, Москва). Стандартные Образцы. Меры Твердости. Контрольные Образцы. Образцы Шероховатости Скачать Чертежи
материал: В Приложении.
Производственная Программа: Стандартные Образцы 50 Шт. Меры Твердости 200 Шт. Контрольные Образцы 100 Шт. Образцы Шероховатости 300 Шт.

заказ 1965 (02.06.2015, Москва). Серийное Изготовление Деталей Скачать Чертежи
материал: Согласно Чертежа.
Производственная Программа: 2000 Комплектов Ежемесячно.

заказ 1963 (30.05.2015, Ярославская Область). Детали По Чертежам Заказчика (скоба, Крюк, Вилка, Блок, Кронштейн) Скачать Чертежи
материал: Поставщика.
Производственная Программа: В Приложении; Оснастка: По Скобам Будет Передаваться Поставщику Оснастка (штамп).

заказ 1962 (30.05.2015, Москва). Стальной Уголок (холодная Штамповка Металлических Изделий) Скачать Чертеж
материал: Cталь 08кп Материал Поставщика.
Производственная Программа: Разовый, 1500шт.; Цена: 22 Рубли; Объем Заказа: До 300 Тыс. Рублей.

заказ 1961 (28.05.2015, Москва). Изготовление (механическая Обработка) Корпусных Деталей Из Заготовок Заказчика. К Рассмотрению Возможность Полного Цикла Изготовления (с Литьем) Скачать Чертежи
материал: Сч 20, Вч 50, Замена.
Производственная Программа: От 30 Штук Каждой Детали В Месяц; Доп. Требования: Выдерживают Давление 20 Мпа, Пористость Не Допускается; Оснастка: При Изготовлении Отливок Оснастка Поставщика.

заказ 1960 (28.05.2015, Тюменская Область). Контейнер С-315 (изделия Из Металла, Металлообработка ( Гибка, Сварка, Вальцовка, Резка, Сборка) Скачать Чертежи
материал: Поставщика.
Производственная Программа: Рама - 30 Штук; Щека - 40 Штук; Ручка Ребро - 40 Штук; Доп. Требования: Требуется Изготовить Детали Контейнера С-315 В Необходимом Количестве.

заказ 1959 (26.05.2015, Московская Область). Анодирование Плит Материал Д16чт Скачать Чертеж
материал: Д16чт Ту 1-92-161-90.
Производственная Программа: 24 Шт.; Доп. Требования: Максимальные Линейные Размеры 1500х1500 Мм.оснастка: Поставщика.

заказ 1958 (26.05.2015, Московская Область). Бак Стеклопластиковый. Без Чертежей.
материал: Стеклонаполнитель, Смола Эпоксивинилэфирная.
производственная Программа: 1 Шт. В Дальнейшем; Доп. Требования: Бак Стеклопластиковый Прямоугольный С Перегородками (ребрами Жесткости). Размеры 2060х1424х1800 Мм. Чертеж Изделия Будет Предоставлен По Требованию; Оснастка: Поставщика.

заказ 1957 (26.05.2015, Тверская Область). срочно Требуется Изготовить Полный Комплект Шевронных Уплотнений 14х24 Гост 22704-77 (кольцо Нажимное Кн 14х24-2 , Кольцо Опорное Ко 14х24-2 , Манжета Шевронная М 14х24-2) Из Давальческого Материала. Без Чертежей
материал: Материал Поставляет Заказчик. Материал: Либо Сырая Резиновая Смесь (вулканизация - Двухстадийная), Либо Цилиндрическая Отпрессованная Заготовка.
производственная Программа: Разовый Заказ (кн 14х24-2 - 10 Шт, Ко 14х24-2 - 10 Шт., М 14х24-2 - 15 Шт.). Возможно Продолжение; Доп. Требования: Метод Изготовления (прессование На Прессе В Пресс-форме Или Точение Из Цилиндрической Отпрессованной Заготовки) Значения Не Имеет; Оснастка: Оснастка Поставщика; Объем Заказа: До 1 Миллиона Рублей.

заказ 1956 (26.05.2015, Москва). резка На Гильотине. Гибка. Лазерная (плазм) Резка. Аргонная Сварка. Сверление Отверстий. Сборочные Операции. Без Чертежей
материал: Нерж. Сталь До 2мм(резка, Гибка) 4мм-лаз. Резка.
производственная Программа: Постоянное Сотрудничество. Контрактное Производство; Доп. Требования: Только Москва И Ближ. Мо; Объем Заказа: До 1 Миллиона Рублей.

заказ 1955 (26.05.2015, Москва). изделия По Индивидуальному Заказу. Без Чертежей
материал: Нерж. Сталь. Чер. Сталь.
производственная Программа: Постоянное Сотрудничество; Оснастка: Необходимые Процессы: Гильотина, Гибка, Лаз. Резка, Сверление, Сварка Аргон., (токарная И Фрез. Обработка Желательно, Но Не Критично.); Объем Заказа: До 1 Миллиона Рублей.

заказ 1954 (21.05.2015, Владимирская Область). стопорные Кольца И Нормализованные Детали Гост: 13940-96, 13941-86, 13942-86, 13943-86, 10450-78, 11371-78, 11648-75, 13463-77, 18678-73, 22002-82, 22375-77, 22376-77. Без Чертежей
материал: Поставщика.
производственная Программа: От 1000 Шт. Каждого Наименования; Объем Заказа: До 1 Миллиона Рублей.

заказ 1953 (19.05.2015, Московская Область). Механическая Обработка Изделий Из Давальческого Материала Марки 18хгнмфр Скачать Комплект Документов
материал: Давальческий, Марки 18хгнмфр. Ту На Сталь Марки 18хгнмфр В Приложении.
Производственная Программа: В Приложении; Доп. Требования: Детали Представляют Собой Раскрой Корпуса Бронетранспортера, Дальнейшая Сварка Которого Происходит На Мощностях Заказчика.

заказ 1952 (19.05.2015, Ярославская Область). Корпус Скачать Чертеж
материал: Поставщик.
Производственная Программа: 20 Шт./мес.; Оснастка: Поставщика; Объем Заказа: До 1 Миллиона Рублей.

заказ 1951 (19.05.2015, Ярославская Область). Нож Сапожный Скачать Чертеж
материал: Поставщик.
Производственная Программа: 50 Шт./квартал.; Доп. Требования: Допускается Заготовка Из Б/у Машинных Полотен; Оснастка: Поставщика; Объем Заказа: До 300 Тыс. Рублей.

заказ 1950 (19.05.2015, Ярославская Область). Нож Дисковый Ф100 мм Скачать Чертеж
материал: Поставщик.
Производственная Программа: 20 Шт./мес.; Оснастка: Поставщика; Объем Заказа: До 300 Тыс. Рублей.

заказ 1949 (19.05.2015, Ярославская Область). Нож Дисковый. Скачать Чертеж
материал: Поставщик.
Производственная Программа: 20 Шт./мес.; Оснастка: Поставщика; Объем Заказа: До 300 Тыс. Рублей.

заказ 1948 (19.05.2015, Ярославская Область). Нож Фасонный. Скачать Чертеж
материал: Поставщик.
Производственная Программа: 200 Шт./мес.; Доп. Требования: Требуется Заточка Ножа; Оснастка: Поставщика; Объем Заказа: До 1 Миллиона Рублей.

заказ 1947 (18.05.2015, Литва). Вал По Чертежу Скачать Чертеж
материал: Сталь 40х По Гост 1050-88.
Производственная Программа: Разовый Заказ 1 Шт.

заказ 1946 (14.05.2015, Ярославская Область). Изготовление "корпуса Для Электронной Платы" Скачать Чертежи
материал: Поставщика.
Производственная Программа: 1) Корпус-1 – 10 Шт. Опытная Партия. Серийный Заказ От 500 Шт. 2) Корпус-2 – 20 Шт. Опытная Партия. Серийный Заказ От 2000 Шт.; Доп. Требования: Требования К Материалу Деталей: - Диэлектрик, Сопротивление Не Менее 108 Ом•м, - Предельная Прочность На Разрыв Не Менее 40 Мпа, - Предельная Прочность На Изгиб Не Менее 40 Мпа, - Твердость По Шору 70-90 D, - Температура Плавления Не Ниже 150 С, - Температура Размягчения Не Ниже 140 С, - Маслобензостойкость.

заказ 1945 (13.05.2015, Владимирская Область). Пружина Скачать Чертеж
материал: Поставщика.
Производственная Программа: От 500 Шт. В Месяц.; Доп. Требования: 100% Входной Контроль. Вп Мо.

заказ 1944 (13.05.2015, Владимирская Область). Корпус Скачать Чертеж
материал: Заказчика.
Производственная Программа: 36 Штук.; Доп. Требования: +нанесение Гп Хром Твердый; Объем Заказа: До 300 Тыс. Рублей.

заказ 1943 (13.05.2015, Владимирская Область). Рамка Скачать Чертеж
материал: Отливка, Поставляется Заказчиком.
Производственная Программа: От 50 Шт. В Месяц.; Доп. Требования: 100% Входной Контроль, Отступления От Кд Не Допускаются. Вп Мо; Цена: 2 400 Без Ндс За 1 Шт. Рубли; Объем Заказа: До 300 Тыс. Рублей.

заказ 1942 (12.05.2015, Ярославская Область). Ролик Игольчатый Скачать Чертежи
материал: Поставщика.
Производственная Программа: Разовый Заказ; Оснастка: Поставщика; Объем Заказа: До 300 Тыс. Рублей.

заказ 1941 (12.05.2015, Ярославская Область). Вулканизационные Плиты Скачать Чертежи
материал: Поставщика.
Производственная Программа: 6 Шт/год; Оснастка: Поставщика; Объем Заказа: До 1 Миллиона Рублей.

заказ 1940 (12.05.2015, Воронежская Область). Ролик Полностью Или Только Наружные Шипы Скачать Чертеж
материал: Поставщик.
Производственная Программа: 200 Шт./мес.; Объем Заказа: До 1 Миллиона Рублей.

заказ 1939 (11.05.2015, Самарская Область). Гильза, Кольцо, Форсунка Скачать Чертежи
материал: Латунь Л63(л68), Латунь Лс 59.
Производственная Программа: 20-25 000 Шт. В Год, Помесячно В Пропорции; Доп. Требования: Полное Изготовление В Строгом Соответствии С Требованием Чертежей. Обязательное Изготовления Образцов.

заказ 1938 (11.05.2015, Самарская Область). Корпус - Изготовление Деталей Из Материала Заказчика Скачать Чертежи
материал: Труба 127х17 Гост 8732-78/в 10 Гост 8731-74
Производственная Программа: Первая Партия 10 Шт., Около 50-и Шт. В Месяц.; Доп. Требования: Требуется Только Металлообработка, В Четком Соотв. С Требованиями Чертежа, Без Покрытия. Обязательное Изготовления Образцов.

заказ 1937 (08.05.2015, Башкортостан). Манжета Скачать Чертеж
материал: Возможна Поставка Резины, Кольца (арматуры) И Пружины.
Производственная Программа: 15 000 Штук В Месяц; Доп. Требования: Применяемая Резина 3825нта; Оснастка: Возможно Предоставление Оснастки Заказчика.

заказ 1936 (06.05.2015, Москва Изготовление Штуцеров Сталь 09г2с Труба 57х9 Без Чертежа
материал: Договор
Производственная Программа: Нерегулярный Заказ; Доп. Требования: Перпендикулярное Сопряжение; Объем Заказа: До 300 Тыс. Рублей

заказ 1935 (06.05.2015, Ивановская Область). Зубья Ковша скачать Чертежи
материал: Сталь.
Производственная Программа: По 2000 Штук В Месяц; Доп. Требования: Требуется Изготовление Литых Заготовок Используя Технологию Лгм, Лвм; Оснастка: Поставщика; Объем Заказа: Свыше 1 Миллиона Рублей.

заказ 1934 (06.05.2015, Башкортостан). Изготовление Детали "вал" скачать Чертеж
материал: Поставщика, Но Должен Раскрыть Цену Материала. При Высокой Цене На Материал Работа По Давальческой Схеме.
Производственная Программа: До 8000 Штук В Месяц; Доп. Требования: Изготовление Вала Из Стали 20х13 Операции Термообработки И Шлифования Осуществляются Заказчиком На Этапе Сборки Изделия.

заказ 1933 (04.05.2015, Калужская Область). Хомут 03.00.00.001 скачать Чертеж
материал: Поставщика.
Производственная Программа: 40 Шт.

заказ 1932 (04.05.2015, Калужская Область). Шток, Шайба, Крышка, Втулка (демпфер) скачать Чертежи
материал: Поставщика.
Производственная Программа: По 40 Шт.; Доп. Требования: Вопросы Принимаются В Письменном Виде.

заказ 1931 (04.05.2015, Калужская Область). Корпус Твм03.05.01.000сб скачать Чертежи
материал: Поставщика.
Производственная Программа: 35 Шт.

заказ 1930 (29.04.2015, Башкортостан). Деталь Игла. скачать Чертеж
материал: Поставщика.
Производственная Программа: Разовый Заказ 100 Шт. Плюс Есть Подобная, Но Длиннее Немного.

заказ 1929 (29.04.2015, Башкортостан). Изготовление Литьевых Алюминиевых Деталей (литье Под Давлением) И Литьевой Оснастки. скачать Чертежи
материал: Возможно Работать По Давальческой Схеме
Производственная Программа: 6 Видов Деталей По 7000 Штук В Месяц Каждой; Доп. Требования: Интересует Цена Изготовления Деталей И Оснастки. Интересует Предложение По Включению Стоимости Оснастки В Стоимость Деталей В Течение Трех Лет.

заказ 1928 (27.04.2015, Ярославская Область). Изготовление Отливок Из Чугуна Ре6 И Ре10. скачать Чертежи
материал: Чугун Марки Чвг 35, Вч 40 Или Аналогичных (с Зерникулярным (шаровидным) Графитом)
Производственная Программа: Серийное Производство; Доп. Требования: Требование По Гидроплотности - До 32 Мпа.

заказ 1927 (27.04.2015, Чувашия). Металлообработка Со Снятием Стружки. скачать Чертежи
материал: Поставщика
Производственная Программа: Во Вложенном Файле; Доп. Требования: Коммерческие Предложения Высылать (с Указанием Цен И Сроков Изготовления).

заказ 1926 (25.04.2015, Тюменская Область). Наконечник. скачать Чертеж
материал: Поставщика
Производственная Программа: 500 Штук.; Доп. Требования: Требуется Отлить Деталь Наконечник Материал Чугун Сч-18-36 , Путём Литья По Нашим Чертежам В Количестве 500 Шт., В Дальнейшем Заказ Будет Повторяться На Постоянной Основе.

заказ 1925 (22.04.2015, Ярославская Область). П/ф Колец 9в.684.199 1шт. скачать Чертежи
материал: Поставщика
Производственная Программа: 1 Шт.; Объем Заказа: До 300 Тыс. Рублей.

заказ 1924 (22.04.2015, Ярославская Область). П/ф Пластина Профильная скачать Чертежи
материал: Поставщика
Производственная Программа: 1 Шт.; Объем Заказа: До 1 Миллиона Рублей.

заказ 1923 (22.04.2015, Ярославская Область). Нож П-6300 скачать Чертеж
материал: Согласно Чертежа
Производственная Программа: 2400 Шт.

заказ 1922 (18.04.2015, Татарстан). Стальные Бесшовные Трубы скачать Комплект Документов
материал: Согласно Приложению
Производственная Программа: 200 Тон/год.; Доп. Требования: Техническое Задание В Приложении.

заказ 1921 (18.04.2015, Самарская Область). Палец Резьбовой, Втулка скачать Чертежи
материал: Cогласно Чертежа
Производственная Программа: 1. Палец Резьбовой - 72шт.; 2. Втулка - 72шт.

заказ 1920 (17.04.2015, Челябинская Область). Лента Упаковочная Стальная Без Чертежа
материал: Сталь
Производственная Программа: 10 Тн. В Месяц; Доп. Требования: Технические Данные Высокопрочная Стальная Лента 19 Х 0.5 Размер, Мм: 19 Х 0.5 Предел Прочности: 750 N/мм2, Мин. Удлинение %, Мин.: 2 Длина, М/кг: 13.4; Стандартная Намотка: Многорядная, Однорядная; Цена: 40 000 Руб./ Тонна Рубли; Объем Заказа: Свыше 1 Миллиона Рублей

заказ 1919 (11.04.2015, Псковская Область). Швеллер Э.рз-16-1202660-101 скачать Чертеж
материал: Поставщика
Производственная Программа: Разовый Заказ 800 Шт.; Доп. Требования: Изделие Согласно Чертежа.

заказ 1917 (09.04.2015, Калужская Область). Зм-01 скачать Чертеж
материал: Поставляет Поставщик
Производственная Программа: 50 Комплектов/мес.

заказ 1916 (08.04.2015, Нижегородская Область). Изделия, Полученные В Результате Обработки Резанием заказ Закрыт
материал: Поставляет Поставщик, Аналог Указан В Таблице (приложение)
Производственная Программа: Разовый Заказ; Доп. Требования: Дополнительные Стандарты Предприятия Высылаются По Требованию. Заявка Актуальна До 01.05.2015
Объем Заказа: Свыше 1 Миллиона Рублей

заказ 1915 (08.04.2015, Псковская Область). Проволока По Гост 3282-74 D=10,0мм; 8,0мм; 6,0мм; 5,0мм; 4,0мм; 3,0мм; 2,5мм. Без Чертежа
материал: Сталь 1-3пс.
Производственная Программа: 60,0тн В Месяц Всего (все Типоразмеры); Доп. Требования: Изготовление Согласно Тех. Требований Заказчика Не Допускается Ржавчина.

заказ 1914 (08.04.2015, Псковская Область). Труба Профильная 60х30х2,5х5550. Без Чертежа
материал: Ст1-3пс.
Производственная Программа: 60,0 Тон В Месяц; Доп. Требования: Не Допускается Ржавчина Даже Рыжий Налет; Объем Заказа: Свыше 1 Миллиона Рублей.

заказ 1913 (08.04.2015, Псковская Область). Винт М8х35 Гост 28963-91. Без Чертежа
материал: Класс Прочности 5,8.
Производственная Программа: 50000 шт/мес. Доп. Требования: Цинк; Объем Заказа: До 300 Тыс. Рублей.

заказ 1912 (04.04.2015, Ульяновская Область). Болт Фундаментный. Без Чертежа
материал: Ст 09г2с. Материал Поставщика/заказчика По Договоренности.
Производственная Программа: Болт Фундаментный М24х600 Гост 24379.1-80 09г2с Тип 1.1 В Комплекте Гайка 2шт,шайба 1 Шт. 120 Компл.; Оснастка: Поставщика; Объем Заказа: До 300 Тыс. Рублей.

заказ 1911 (03.04.2015, Москва). Требуется Изготовление Пресс-форм Для Литья Под Давлением!!! скачать Чертежи
материал: Поставщика
Производственная Программа: Разовый Заказ
Доп. Требования: Требуется Изготовление Пресс-форм Под Изделия, Приведенные В Присоединенном Файле. Предполагается Размещение В Дальнейшем Данных Пресс-форм У Изготовителя Пресс-форм. Пресс-формы Должны Обеспечить Поставку Более 2000000 Каждого Изделия В Год. Пресс-формы Должны Быть Рассчитаны Более Чем На 1000000 Смыканий...
Объем Заказа: Свыше 1 Миллиона Рублей.

заказ 1910 (27.03.2015, Вологодская Область). Изготовление Комплекта Деталей (штамповка, Горячая Штамповка скачать Чертеж
материал: Поставщика
Производственная Программа На Квартал:
- Упор 1000 Шт. (пробная Партия 10 Шт.)
- Анкерная Пластина №1 1000 Шт. (пробная Партия 10 Шт.)
- Анкерная Пластина №2 1000 Шт. (пробная Партия 10 Шт.)
Оснастка: Поставщика
комментарий По Упору: Он Должен Быть Кованный (горячая Штамповка)

заказ 1909 (25.03.2015, Псковская Область). Изготовление Заготовок Изделия Из Дерева (хлебница) скачать Чертеж
материал: Поставщика
Производственная Программа: 3000 Штук В Месяц
Оснастка: Поставщика

заказ 1908 (23.03.2015, Республика Мордовия). Комплект Деталей скачать Чертеж
материал: Поставщика
Производственная Программа: 1 Комплект В Месяц
Оснастка: Поставщика
Объем Заказа: Менее 300 000 Рублей.

заказ 1907 (18.03.2015, Псковская Область). Изделия Из Проволоки, Контактная Сварка скачать Чертеж
материал: Поставщика
Производственная Программа: 10000-20000 Штук В Месяц; Оснастка: Поставщика; Объем Заказа: Свыше 1 Миллиона Рублей.

заказ 1906 (18.03.2015, Псковская Область). Изготовление Изделий Из Проволоки, Контактная Сварка скачать Чертеж
материал: Поставщика
Производственная Программа: 10000-20000 Штук В Месяц; Оснастка: Первое Время Оснастка Заказчика; Объем Заказа: Свыше 1 Миллиона Рублей.

заказ 1905 (17.03.2015, Ростовская Область). Ствол 60.1. скачать Чертеж
материал: Поставщика
Производственная Программа: 10 Шт; Оснастка: Поставщика; Объем Заказа: До 300 Тыс. Рублей.

заказ 1904 (14.03.2015, Томская Область). Поставка Метизной Продукции По Гост. скачать Чертеж
материал: Поставщика
Производственная Программа: Разовый Заказ. Поставка Апрель-сентябрь 2015, Согласно Графика Поставки (смотри В Приложении); Доп. Требования: Строгое Соответствие Требованиям Гост. Доставка В Г. Томск - Обсуждается; Объем Заказа: Свыше 1 Миллиона Рублей.

заказ 1903 (14.03.2015, Томская Область). Нарезка Конического Зуба Парного Зацепления. скачать Чертеж
материал: Предварительно Обработанная Деталь - Заказчика (поставка Поставщику - Март 2015). Возможна Полная Обработка Из Материала Заказчика Или Поставщика.
Производственная Программа: Разовый Заказ С Перспективой Дальнейшего Размещения. Поставка Апрель 2015; Доп. Требования: Поставка Деталей В Адрес Поставщика И Доставка В Г. Томск - Обсуждается.

заказ 1902 (13.03.2015, Воронежская Область). Клапан Для Наноса Из Фторопласта. скачать Чертеж
материал: Поставщика.
Производственная Программа: 5 Шт.

заказ 1901 (12.03.2015, Мордовия). Шестерни С Круговым Зубом 2 Шт. скачать Чертеж
материал: Поставщика.
Производственная Программа: Разовый Заказ.

заказ 1900 (12.03.2015, Ярославская Область). Крышка Тк600.03.02.002, Литье В Пгс. скачать Чертеж
материал: Поставщика.
Производственная Программа: 140шт (600шт По Году); Доп. Требования: Стальное Литье (25л/35л, 40хл). Годовая Программа - 100-150т.; Номенклатура Изделий: 10-14шт. Развес Отливок: 3 - 600кг; Оснастка: Требуется Модельная Оснастка; Объем Заказа: Свыше 1 Миллиона Рублей.

заказ 1899 (07.03.2015, Ярославская Область). Труба 723116.000-02, Труба 723131.002-02. скачать Чертежи
материал: Поставщика.
Производственная Программа: 72+72, Разовый Заказ; Объем Заказа: До 300 Тыс. Рублей.

заказ 1898 (03.03.2015, Тюменская Область). Хомут (захвата). скачать Чертежи
материал: Поставщика.
Производственная Программа: 30 Штук; Доп. Требования: Требуется Изготовить Деталь Хомут (захвата) Материал Алюминии, Путём Литья Либо Лазерной Резки По Нашим Чертежам В Количестве 30 Шт, Для Экономии Материала Деталь Была Поделена На Две Части. (чертежи В Приложении).

заказ 1897 (01.03.2015, Московская Область). Литье Из Чугуна Решетки Водосточного Трапа 150 Х 150 Мм. скачать Чертеж
материал: Поставщика.
Производственная Программа: 500 - 2000 Шт В Месяц И Более. Новый Вид Комплектующей Используемый В Производимой Продукции; Доп. Требования: Большой Опыт В Литье Чугуна В Металлическую Форму С Хорошим Качеством. Близость К Москве; Оснастка: Заказчика; Цена: 120 Рублей; Объем Заказа: До 300 Тыс. Рублей.

заказ 1896 (24.02.2015, Самарская Область). Изготовление Калибрующего Приспособления . скачать Чертежи
материал: Из Материала Поставщика.
Производственная Программа: Разовый Заказ.; Доп. Требования: Требования К Поставщику Приложенном Файле; Объем Заказа: До 1 Миллиона Рублей.

заказ 1895 (21.02.2015, Ярославская Область). Изготовление Детали: Пластина Тк41.696б. скачать Чертежи
материал: Согласно Чертежу.
Производственная Программа: 4000 Шт. В Месяц.; Доп. Требования: Есть Возможность Предоставления Давальческих Заготовок (см. Приложение - Фото), Также Можем Своими Силами Провести Термообработку Изделия.

заказ 1894 (20.02.2015, Республика Татарстан). Штамповка Решетки Для Водосточного Трапа 97х97х3. скачать Чертежи
материал: Заказчика.
Производственная Программа: 10-30 Тысяч Штук В Месяц И Более На 1 Модель. (планируется 3 Модели).; Доп. Требования: Близость К Москве И Московской Области, Наличие Прессов От 60 До 100 Тонн, Желательно Автоматическая Подача Материала; Оснастка: Заказчика; Цена: 8 Рублей; Объем Заказа: До 1 Миллиона Рублей.

заказ 1893 (18.02.2015, Республика Татарстан). Пластины Балансировочные - 6 Видов. скачать Чертежи
материал: Лист Сталь10 Поставщика.
Производственная Программа: По 1 000шт. В Месяц. 72 000 Шт. В Год.; Доп. Требования: По Чертежам Заказчика, Возможно Подборка Аналогов; Оснастка: Поставщика.

заказ 1892 (18.02.2015, Воронежская Область). Литьевые Заготовки Согласно Прилагаемого Списка Деталей. скачать Чертежи
материал: Сч-20, Сч-30.
Производственная Программа: По 4 Шт. Каждой Позиции.; Доп. Требования: Список Деталей: 1.рд-600а.00.001 Барабан, 2.рд-600а.00.002 Головка, 3.рд-600а.00.003 Колонна, 4.рд-600а.00.004 Основание, 5.рд-600а.00.006 Стакан, 6.рд-600а.01.001 Фланец, 7.рд-600а.04.001 Фланец; Оснастка: Поставщика.

заказ 1891 (13.02.2015, Липецкая Обл.). Пробка. скачать Чертеж
материал: Материал Поставщика Полиэтилен 107-03 Гост 16337-77.
Производственная Программа: 3000 Шт. В Месяц.; Доп. Требования: Изготовление Согласно Чертежа; Оснастка: Поставщика; Объем Заказа: До 300 Тыс. Рублей.

заказ 1890 (13.02.2015, Ульяновская Область). Втулка. скачать Чертеж
материал: Ст35г2 Материал Поставщика.
Производственная Программа: Втулка 18 - 500 Штук Втулка 23 - 500 Штук Опытные Партии Далее Ежемесячно С Увеличением Объема.; Оснастка: Поставщика; Объем Заказа: До 300 Тыс. Рублей.

заказ 1889 (10.02.2015, Москва). Фланцы. скачать Чертеж заказ Закрыт
материал: Поставщика.
Производственная Программа: Разовый Заказ, 60 Шт.; Оснастка: Поставщика; Объем Заказа: До 300 Тыс. Рублей.

заказ 1888 (10.02.2015, Иркутская Область). Втулка. скачать Чертеж
материал: Поставщика.
Производственная Программа: 200 Шт.

заказ 1887 (10.02.2015, Иркутская Область). Втулка. скачать Чертеж
материал: Поставщика.
Производственная Программа: 200 Шт.

заказ 1886 (10.02.2015, Иркутская Область). Втулка Резьбовая. скачать Чертеж
материал: Поставщика.
Производственная Программа: 200 Шт. Периодически; Доп. Требования: Возможна Замена Материала Со Схожими Характеристиками.

заказ 1885 (10.02.2015, Иркутская Область). Винт. скачать Чертеж
материал: Поставщика.
Производственная Программа: 200 Шт. Периодически.

заказ 1884 (06.02.2015, Марий Эл). Комплектующие К Корпусам Высокотемпературных Установок. скачать Чертеж
материал: Медь.
Производственная Программа: Разовый Заказ; Цена: До 300 000 Рубли; Объем Заказа: До 300 Тыс. Рублей.

заказ 1883 (06.02.2015, Марий Эл). Комплектующие К Корпусам Высокотемпературных Установок. скачать Чертеж
материал: Медь.
Производственная Программа: Разовый Заказ; Цена: До 300 000 Рубли; Объем Заказа: До 300 Тыс. Рублей.

заказ 1882 (06.02.2015, Марий Эл). Комплектующие К Корпусам Высокотемпературных Установок. скачать Чертеж
материал: Медь.
Производственная Программа: Разовый Заказ; Цена: До 300 000 Рубли; Объем Заказа: До 300 Тыс. Рублей.

заказ 1881 (06.02.2015, Марий Эл). Комплектующие К Корпусам Высокотемпературных Установок. скачать Чертеж
материал: Медь.
Производственная Программа: Разовый Заказ; Цена: До 300 000 Рубли; Объем Заказа: До 300 Тыс. Рублей.

заказ 1880 (06.02.2015, Марий Эл). Комплектующие К Корпусам Высокотемпературных Установок. скачать Чертеж
материал: Медь.
Производственная Программа: Разовый Заказ; Цена: До 300 000 Рубли; Объем Заказа: До 300 Тыс. Рублей.

заказ 1879 (06.02.2015, Марий Эл). Комплектующие К Корпусам Высокотемпературных Установок. скачать Чертеж
материал: Медь.
Производственная Программа: Разовый Заказ; Цена: До 300 000 Рубли; Объем Заказа: До 300 Тыс. Рублей.

заказ 1878 (06.02.2015, Марий Эл). Комплектующие К Корпусам Высокотемпературных Установок. скачать Чертеж
материал: Медь.
Производственная Программа: Разовый Заказ; Цена: До 300 000 Рубли; Объем Заказа: До 300 Тыс. Рублей.

заказ 1877 (06.02.2015, Ульяновская Область). Изготовление Деталей: Корпус Крышка. скачать Чертежи
материал: Согласно Чертежу.
Производственная Программа: 20 Шт. В Год.

заказ 1876 (05.02.2015, Иркутская Область). Фланец 2. скачать Чертеж
материал: Поставщика.
Производственная Программа: 300шт. В Квартал; Доп. Требования: Доп. Требования: Цена С Доставкой В Иркутск

заказ 1875 (05.02.2015, Иркутская Область). Фланец 1. скачать Чертеж
материал: Поставщика.
Производственная Программа: 500шт. В Квартал; Доп. Требования: Доп. Требования: Цена С Доставкой В Иркутск

заказ 1874 (03.02.2015, Иркутская Область). Фланец. скачать Чертеж
материал: Поставщика.
Производственная Программа: 1000 В Квартал.

заказ 1873 (03.02.2015, Ульяновская Область). Втулка М6 Нержавеющая. Без Чертежа
материал: Поставщика/заказчика.
Производственная Программа: 1000 Штук В Месяц; Доп. Требования: Свариваемость С Горячекатаным Стальным Листом Чертежи Предоставим; Оснастка: Поставщика; Объем Заказа: До 300 Тыс. Рублей.

заказ 1872 (02.02.2015, Белгородская Область). Толкатель Вытяжки 100_39_02_03_022. скачать Чертеж
материал: Х12мф Гост 5950-2000, Поставляется Поставщиком.
Производственная Программа: 100 Штук В Год; Доп. Требования: Полное Соответствие Требованиям Чертежа.

заказ 1871 (02.02.2015, Белгородская Область). Рыгчаг 100_39_02_02_023. скачать Чертеж
материал: Сталь 45 Гост 1050-81, Поставляется Поставщиком.
Производственная Программа: 100 Штук В Год; Доп. Требования: Полное Соответствие Требованиям Чертежа.

заказ 1870 (02.02.2015, Белгородская Область). Схват Жесткий 100_39_05_02_004. скачать Чертеж
материал: Сталь 95х18, Поставляет Поставщик.
Производственная Программа: 100 Штук В Год; Доп. Требования: Полное Соответствие Требованиям Чертежа.

заказ 1869 (02.02.2015, Белгородская Область). Губка 100_39_01_01_029_02. скачать Чертеж
материал: Сталь 95х18, Поставляет Поставщик.
Производственная Программа: 1000 Штук В Год; Доп. Требования: Полное Соответствие Требованиям Чертежа.

заказ 1868 (30.01.2015, Белгородская Область). Корпус Схвата. 100_39_05_02_003. скачать Чертеж
материал: Сталь 12х18н10т Гост 5632-72.
Производственная Программа: 100 Штук В Год; Доп. Требования: Полное Соответствие Требованиям Чертежа.

заказ 1867 (30.01.2015, Белгородская Область). Копир Верх 100_39_02_02_01. скачать Чертеж
материал: Сталь Х12мф Гост 5950-2000, Поставляет Поставщик.
Производственная Программа: 100 Штук В Год; Доп. Требования: Полное Соответствие Требованиям Чертежа.

заказ 1866 (30.01.2015, Республика Башкортостан). Шпилька. скачать Чертеж
материал: Поставщика.
Производственная Программа: 1150 Шт Разовый; Объем Заказа: До 300 Тыс. Рублей.

заказ 1865 (29.01.2015, Калужская Область). Зг Упор. скачать Чертеж
материал: Поставщика.
Производственная Программа: 20 Шт.

заказ 1864 (29.01.2015, Калужская Область). Зг Прижим. скачать Чертеж
материал: Поставщика.
Производственная Программа: 20 Шт.

заказ 1863 (29.01.2015, Калужская Область). Зг Плита 220. скачать Чертеж
материал: Поставщика.
Производственная Программа: 20 Шт.

заказ 1862 (29.01.2015, Калужская Область). Зг Плита 180. скачать Чертеж
материал: Поставщика.
Производственная Программа: 20 Шт.

заказ 1861 (29.01.2015, Калужская Область). Зг Ось. скачать Чертеж
материал: Поставщика.
Производственная Программа: 20 Шт.

заказ 1860 (29.01.2015, Калужская Область). Зг Вставка. скачать Чертеж
материал: Поставщика.
Производственная Программа: 40 Шт.

заказ 1859 (27.01.2015, Калужская Область). Винт Литой. скачать Чертежи
материал: Поставщика.
Производственная Программа: От 500 Шт. В Месяц; Оснастка: Поставщика.

заказ 1858 (26.01.2015, Вологодская Область). Изготовление Комплектующих По Чертежам Заказчика. скачать Чертежи
материал: Согласно Чертежа.
Производственная Программа: Рамка 2х2 - 500 Шт.; Рамка 4х3 - 1200 Шт.; Рамка 4х5 - 300 Шт.

заказ 1857 (23.01.2015, Калужская Область). Изделие Из Металла, Согласно Чертежу. скачать Чертеж
материал: Материал Поставляет Поставщик.
Производственная Программа: Несколько Раз В Год По 9600 Шт.; Доп. Требования: Чертеж Изделия Во Вложении. Срок Поставки - Март 2015. Все Вопросы По Электронной Почте.

заказ 1856 (23.01.2015, Калужская Область). Стойка, Токарные Услуги. скачать Чертеж
материал: Материал Поставляет Поставщик.
Производственная Программа: Несколько Раз В Год По 2400 Шт.; Доп. Требования: Чертеж Изделия Во Вложении. Дополнительная Информация По Электронной Почте.

заказ 1855 (23.01.2015, Кнр, Пров. Аньхой, Г. Хэфэй). Импульсные (ключевые) Источники Питания - Иип (smps), Электронные Трансформаторы, Индукторы, Фильтры, Дроссельной Катушки. Без Чертежа
материал: Импульсные (ключевые) Источники Питания - Иип (smps), Электронные Трансформаторы, Индукторы, Фильтры, Дроссельной Катушки.
Производственная Программа: 6 Миллионов Шт.

заказ 1854 (23.01.2015, Челябинская Область). Комплектующие Для Трактора. Блок Картера: 51-01-8; Головка Блока: 51-02-40;кожух Маховика: 16-01-97;кожух Шестерен: 16-01-100;стенка Бортфрикциона: 64-11-312; Стенка Бортфрикциона: 64-11-313. скачать Чертежи
материал: Поставщика.
Производственная Программа: 1-2 Шт. Комплектующие; 100-150 Тракторов В Месяц; Доп. Требования: Поставка Вперед, Отсрочка Оплаты 30 Дней; Объем Заказа: До 1 Миллиона Рублей.

заказ 1853 (21.01.2015, Нижегородская Область). Изготовление По Чертежам Заказчика скачать Чертежи
материал: Поставляет Поставщик.
Производственная Программа: Разовый Заказ, 78 Позиций, Общее Кол-во 402 Шт.

заказ 1852 (21.01.2015, Нижегородская Область). Охлаждающий Коллектор 8.329962.h скачать Чертежи
материал: Поставляет Поставщик, Заказчик Предоставляет Поз. 102, 103 Спецификации - Комплектующие "lechler".
Производственная Программа: Разовый Заказ, 1 Шт.; Доп.требования: Срочный Заказ, Требуется Провести Гидравлические Испытания С Водой Под Давлением 15 Бар, Согласно Чертежу.

заказ 1851 (21.01.2015, Нижегородская Область). Гибка На Прессе Толстолистового Металла скачать Чертежи
материал: 09г2с, Заготовку Предоставляет Заказчик.
Производственная Программа: Разовый Заказ, 112 Шт.; Оснастка: Поставщика

заказ 1850 (21.01.2015, Донецкая Область). Изготовление Исполнительных Органов Для Очистных Угледобывающих Комбайнов скачать Чертеж
материал: Поставщика.
Производственная Программа: 2 Шт. В Месяц; Доп. Требования: Чистовой Токарно-карусельный Станок С Диаметром Не Менее 3500 Мм, Продольно-фрезерный, Радиально-сверлильный Станок; Оснастка: Поставщика; Объем Заказа: Свыше 1 Миллиона Рублей.

заказ 1849 (16.01.2015, Чувашия). Корпус скачать Чертежи
материал: Поставщика.
Производственная Программа: Пробная Партия 200 Шт. В Последствии Около 800-1000 Шт Год; Оснастка: Поставщика

заказ 1848 (14.01.2015, Нижегородская Область). Закалка Твч Плоской Поверхности Стола С Т-образными Пазами скачать Чертеж
материал: Готовую Под Закалку Твч Деталь Предоставляет Заказчик.
Производственная Программа: 4 Шт., Разовый Заказ; Оснастка: Поставщика

заказ 1847 (13.01.2015, Приморский Край). Изготовление Деталей Методом Штамповки Скачать Чертежи
материал: Поставщика.
Производственная Программа: Рассчитана На 1 Год И Более; Доп. Требования: Необходимо Методом Штамповки Изготовить Детали Для Последующего Применения В Автомобилестроении. После Изготовления Необходима Химическая Обработка Всех Деталей. Местонахождение Поставщика Не Имеет Значения. Необходимо Указать Цену За Каждую Деталь. Все Чертежи Во Вложенном Архиве. Планируется Долгосрочный Контракт; Оснастка: Поставщика; Объем Заказа: Свыше 1 Миллиона Рублей

заказ 1846 (30.12.2014, Г. Псков). Нанесение Цинкового Гпальванического Покрытия В Ванне Или В Барабане Без Чертежа
материал: Поставляет Заказчик.
Производственная Программа: Большие Объемы, Регулярные Заказы, Номенклатура Более 300 Наименований; Доп. Требования: Высокие Требования К Качеству Покрытия. Местоположение Заказчика - Г. Псков. Поставщик Должен Находиться На Расстоянии Не Более 50 Км Или В Санкт-петербурге Или В В. Новгороде; Объем Заказа: Свыше 1 Миллиона Рублей

заказ 1845 (30.12.2014, Свердловская Область). Изделия Из Нержавейки Скачать Чертежи
материал: Поставщика.
Производственная Программа: Опытные Образцы - 3 Шт, Далее После Испытаний По 36 Изделий В Месяц; Доп. Требования: При Заключении Договора; Оснастка: Поставщика; Объем Заказа: До 1 Миллиона Рублей

заказ 1844 (23.12.2014, Санкт-петербург). Литье Из Стали Скачать Чертеж
материал: Поставщика.
Производственная Программа: 20000-30000 Штук В Год.

заказ 1843 (23.12.2014, Санкт-петербург). Литье Из Алюминия Скачать Чертеж
материал: Поставщика.
Производственная Программа: 5000-10000 Штук В Год.

заказ 1842 (23.12.2014, Санкт-петербург). Литье Из Стали Скачать Чертеж
материал: Поставщика.
Производственная Программа: 5000 В Год.

заказ 1841 (23.12.2014, Санкт-петербург). Литье Из Стали, Чугуна Вч Скачать Чертеж
материал: Поставщика.
Производственная Программа: 500-1000 Шт. В Месяц; Объем Заказа: До 300 Тыс. Рублей

заказ 1840 (23.12.2014, Санкт-петербург). Литье Из Стали, Чугуна Вч, Поковка Скачать Чертеж
материал: Поставщика.
Производственная Программа: 1000-2000 В Месяц; Объем Заказа: До 300 Тыс. Рублей

заказ 1839 (23.12.2014, Санкт-петербург). Литье Из Стали, Поковка Скачать Чертеж
материал: Поставщика.
Производственная Программа: 1000-5000 Шт. В Месяц; Объем Заказа: До 300 Тыс. Рублей

заказ 1838 (23.12.2014, Чувашия). Требуется Изготовление Конических Зубчатых Колес Скачать Чертеж
материал: Сталь 40х.
Производственная Программа: Четыре Наименования По 30 Шт. Каждого Ежемесячно; Доп.требования: Колеса Работают В Паре; Оснастка: Поставщика; Объем Заказа: До 300 Тыс. Рублей

заказ 1837 (23.12.2014, Чувашия). Нарезание Зубьев На Конических Колесах Скачать Чертеж
материал: Сталь 40х.
Производственная Программа: Четыре Наименования По 30 Шт.; Доп.требования: Полное Изготовление; Оснастка: Поставщика; Объем Заказа: До 300 Тыс. Рублей

заказ 1836 (16.12.2014, Белгородская Область). Зажим Скачать Чертеж
материал: Сталь 9хс Гост 5950-79, Поставляет Поставщик.
Производственная Программа: 2500 Штук В Год; Доп.требования: Полное Соответствие Требованиям Чертежа.

заказ 1835 (12.12.2014, Вологодская Область). Упор Скачать Чертеж
материал: Ст. 3.
Производственная Программа: Ориентировочная Потребность, Шт. В Год - 60 000; Доп.требования: Покрытие Защитное - Антикоррозийное, Износоустойчивое. Способ Изготовления - Стальное Литье Или Другое.

заказ 1834 (12.12.2014, Самарская Область). Изготовление Металлоизделий Скачать Комплект Чертежей
материал: Поставщика.
Производственная Программа: Разовый Заказ.

заказ 1833 (12.12.2014, Удмуртия). Болт Скачать Чертеж
материал: Поставщика.
Производственная Программа: Квартальная Партия 200000 Шт. Январь 2015-65000 Шт., Февраль -65000 Шт., Март 2015-65000 Шт. Доп. Требования: Проводим Тендер На Поставку Деталей "болт". Начало Поставки 20.01.15г. Возможна Поставка Партиями По 100000-20000 Шт. Тара, Упаковка, Доставка До Места Г. Ижевск За Счет Поставщика. Опытная Партия 10 Шт. Обязательное Условие Маркировка (клеймения) Товарного Знака. Договор Подписывается После Проверки Заказчиком Производственных Возможностей Предприятия. Условия Оплаты: А) При Согласовании Цены 38-00 Руб. С Ндс - Предоплата 70%, Б) При Цене 40-00 Руб. С Ндс - Предоплата 50%.

заказ 1832 (11.12.2014, Владимирская Область). Редуктор Скачать Комплект Чертежей
материал: Материал Поставщика, Согласно Кд.
Производственная Программа: Единичный Экземпляр; Объем Заказа: До 1 Миллиона Рублей.

заказ 1831 (10.12.2014, Удмуртия) втулка - заказ Закрыт.

заказ 1830 (10.12.2014, Удмуртия). вкладыш - заказ Закрыт.

заказ 1829 (05.12.2014, Москва). Литье Чугунное Скачать Чертеж
материал: Материал Предоставляем Свой (давальческий): Сплав Алюминия.
Производственная Программа: Экспериментальный Заказ, Партия 10 Шт.; Доп.требования: Требуется Подрядчик Из Уральского Региона: Челябинская Область, Свердловская Область.

заказ 1828 (04.12.2014, Свердловская Область). Литье Чугунное Скачать Чертеж
материал: Поставщика.
Производственная Программа: 2 Шт. В Год.; Оснастка: Поставщика; Доп.требования: Предварительная Обдирка Для Выявления Дефектов Литья.; Объем Заказа: До 1 Миллиона Рублей.

заказ 1827 (02.12.2014, Тверская Область). Срочно Необходимы Кольца Резиновые Круглого Сечения Стандартные Гост 9833-73 Из Различных Резиновых Смесей Скачать Комплект Документов
материал: Согласно Приложению.
Производственная Программа: Согласно Приложения. Общее Количество - 21285 Шт.; Оснастка: Поставщика; Доп.требования: Проработать Необходимо Быстро. В Обязательном Порядке Нужны Сертификаты На Резиновую Смесь И На Сами Кольца И Образцы Колец С Обработкой И Без Обработки. Заказ Реален На 80 - 90%. Все Зависит От Качества, Цены И Сроков.; Цена: Договорная, Рубли.; Объем Заказа: До 1 Миллиона Рублей.

заказ 1826 (20.11.2014, Москва). Планка 463 Амра1014.00.60 Скачать Чертеж
материал: Поставщика.
Производственная Программа: 9 000 Шт./мес.; Оснастка: Поставщика; Цена: 12 Руб./шт. С Ндс, С Доставкой В Москву Рубли; Объем Заказа: До 300 Тыс. Рублей

заказ 1825 (18.11.2014, Тверская Область). срочно Требуются Кольца Резиновые Круглого Сечения Гост 9833-73 Типоразмеров 005-008-19-2-6, 007-010-19-2-6 И 029-035-36-2-6 Из Различных Резиновых Смесей 6-й Группы. Без Чертежа
материал: Поставщика.
Производственная Программа: От 100 Шт. Каждого Типоразмера В Месяц. Заказ Постоянный
Доп.требования: Требуются Постоянные Поставщики. Интересуют Кольца Из Резиновых Смесей 6-й Группы. Например, Марок Сб-26, Ва-13д Или Аналогичных (на Основе Фторкаучука) И/или Тер-10, Т-75ф, Иэ-05-04 К3 (на Основе Гидрированного Нитрильного Каучука). Обязательны: Сертификаты На Кольца И Резиновую Смесь, 100% Выходной И Входной Контроль, Предоставление Образцов С Обработкой (зачисткой) Облоя И Без Нее. Разъем Пресс-форм Не Важен. Регион Не Важен. Возможны Срочные Заказы; Оснастка: Поставщика; Цена: Договорная, Рубли; Объем Заказа: До 300 Тыс. Рублей

заказ 1824 (18.11.2014, Санкт-петербург). Изготовление Сложных И Точных Деталей Скачать Чертеж
материал: Поставщика.
Производственная Программа: Постоянная Потребность
Доп.требования: Для Примера Приложен Чертеж Одной Из Деталей Для Пресс-форм, Потребность Постоянная, Подобных Деталей В Работу Много!; Оснастка Поставщика; Объем Заказа: До 1 Миллиона Рублей.

заказ 1823 (18.11.2014, Санкт-петербург). Литьё Из Латуни Скачать Чертеж
материал: Поставщика.
Производственная Программа: 10 000 Шт.
Оснастка: Поставщика; Объем Заказа: До 1 Миллиона Рублей

заказ 1822 (18.11.2014, Тверская Область). Требуются Поставщики Плоских Протяжных (тянущих) Многослойных Резиновых Ремней Для Кабельной Промышленности Скачать Чертежи
материал: Поставщика.
Производственная Программа: Заказ Периодический; Один - Два Раза В Год По Два - Четыре Ремня
доп.требования: Подробное Техническое Описание Всех Слоев Ремня (собственно Ремня И Накладки). Сертификаты. Гарантия Не Менее Шести Месяцев. Требуются Поставщики На Постоянной Основе. Регион Значения Не Имеет; Оснастка: Поставщика; Цена: Договорная, Рубли; Объем Заказа: До 300 Тыс. Рублей

Заказ 1821 (18.11.2014, Тверская Область). Требуются Поставщики Зубчатых Протяжных (тянущих) Многослойных Резиновых Ремней Для Кабельной Промышленности Скачать Чертежи
материал: Поставщика.
Производственная Программа: Заказ Периодический; Один - Два Раза В Год По Два - Четыре Ремня
доп.требования: Подробное Техническое Описание Всех Слоев Ремня (собственно Ремня И Накладки). Сертификаты. Гарантия Не Менее Шести Месяцев. Требуются Поставщики На Постоянной Основе. Регион Значения Не Имеет; Оснастка: Поставщика; Цена: Договорная, Рубли; Объем Заказа: До 300 Тыс. Рублей

Заказ 1820 (14.11.2014, Москва). Комплект Деталей Из Листового Металла Скачать Чертежи
материал: Поставщика.
Производственная Программа: Пилотная Партия Деталей
доп.требования: Это Пилотная Партия Деталей. После Сборки И Корректировки Кд Будет Следующая Партия. Срок Отгрузки Не Позже 27-28 Ноября 2014 Г.!!! Партия Деталей: 1. Основание Теца.711352.013 2 Шт. 2. Кольцо Уплотнения Теца.711442.001 2 Шт. 3. Обечайка Теца.711452.001 2 Шт. 4. Кольцо Теца.711452.002 2 Шт. 5. Стакан Теца.711452.003 2 Шт.

Заказ 1819 (06.11.2014, Томская Область). Фрезеровка Пластика (текаформ 10) Скачать Чертеж
материал: Поставщика.
Производственная Программа: 2 Шт. (пробная Партия). В Случае Успешного Выполнения, В 2015 Году Будет Серия Не Менее 3 000 Шт.

Заказ 1818 (31.10.2014, Свердловская Область). Цинкование Деталей Гальванич. Методом Ц6 Скачать Комплект Чертежей
материал: Поставщика.
Производственная Программа: 30 000 Штук Месяц.
Доп.требования: Толщина Покрытия Не Менее 6 Мкм.
Оснастка: Не Требуется; Цена: Предложить Свою Рубли.

Заказ 1817 (31.10.2014, Свердловская Область). Полоса Из Оцинкованной Стали
материал: 08кп Материал Поставщика
Производственная Программа: 2,5*24-2,0*3000 - 150 Шт. 1,4*340-2,0*300 - 100 Шт.
Доп.требования: Возможна Поставка Полосы Без Отделки.
Цена: Предложить Свою, Рубли; Объем Заказа: До 300 Тыс. Рублей.

Заказ 1816 (27.10.2014, Москва). Комплект Деталей (работа Для Фрезерного Чпу) Скачать Комплект Чертежей
материал: Полиамид Па6, Ст3сп, Предоставляет Поставщик
Производственная Программа: Разовый Заказ, 240 Шт.
Доп.требования: Добрый День, Коллеги! Прошу Вас Внимательно Изучить Чертежи И Выдать Предложение На Изготовление Изделий. Внимание! Просчитывать Только То, На Что Есть Чертежи, Т. Е. Раму (коробку) Не Учитывать. Нужно Изготовить 240 Шт Комплектов. Сроки Очень Сжатые, Начинать Изготовление Можно Сейчас, Поэтому Прошу Вас С Первого Раза Выдавать Адекватную Цену, Без Последующих Торгов.
Объем Заказа: До 1 Миллиона Рублей.

Заказ 1815 (24.10.2014, Московская Область). Вал Коленчатый Скачать Чертеж
материал: Поставщика
Производственная Программа: 3 Шт.; Доп.требования: Оплата В Течении 5 Дней По Факту Доставки.

Заказ 1814 (24.10.2014, Ярославская Область). Ролик Верхний 247.01.003 Скачать Чертеж
материал: Поставщика
Производственная Программа: 10 Шт., Разовый Заказ.

Заказ 1813 (24.10.2014, Ярославская Область). Вал 16.500.01.001 Скачать Чертеж
материал: Поставщика
Производственная Программа: 20 Шт., Разовый Заказ.

Заказ 1812 (24.10.2014, Ярославская Область). Вал 750.01.00.001-01 Скачать Чертеж
материал: Поставщика
Производственная Программа: 20 Шт., Разовый Заказ.

Заказ 1811 (24.10.2014, Ярославская Область). Вал 750.01.00.001 Скачать Чертеж
материал: Поставщика
Производственная Программа: 20 Шт., Разовый Заказ.

Заказ 1810 (08.10.2014, Курганская Область). Ствол (глубокое Сверление) Скачать Чертеж
материал: Поставщика
Производственная Программа: 20 Шт. - Опытная Партия; Объем Заказа: До 300 Тыс. Рублей

Заказ 1809 (02.10.2014, Мордовия). Шестерни И Зубчатые Колеса Скачать Чертежи
материал: Поставщика
Производственная Программа: Разовый

Заказ 1808 (29.09.2014, Курганская Область). Ствол (глубокое Сверление) Скачать Чертеж
материал: Сталь 40х, Поставщика
Производственная Программа: 20 Шт. - Опытная Партия.
Объем Заказа: До 300 Тыс. Рублей

Заказ 1807 (25.09.2014, Московская Область). Деталь - Арматура, Токарно – Фрезерная Скачать Чертеж
материал: Сталь 40х13
Производственная Программа: 500 Шт. В Квартал
Объем Заказа: До 1 Миллиона Рублей

Заказ 1806 (25.09.2014, Московская Область). Изделие Оправа, Работа Токарно-фрезерная. Скачать Чертеж
материал: Д116т
Производственная Программа: 250 Шт. В Квартал
Объем Заказа: До 1 Миллиона Рублей

Заказ 1805 (25.09.2014, Московская Область). Изделие Камера, Работа Токарно-фрезерная Скачать Чертеж
материал: Д116т, Поставляет Поставщик.
Производственная Программа: 250 Шт В Квартал. Заказ 1200 Шт.
Объем Заказа: До 1 Миллиона Рублей

Заказ 1804 (25.09.2014, Москва). Планка 46/3 Амра 1014.00.17/3 Скачать Чертеж
материал: Поставщика.
Производственная Программа: 9 000 Шт./мес.
Оснастка: Поставщика; Цена: 12 Руб./шт, С Ндс, С Доставкой В Г. Москва; Объем Заказа: До 300 Тыс. Рублей.

Заказ 1803 (25.09.2014, Свердловская Область). Угольно-графитовая Вставка Токосъёмной Головки Троллейбуса (типа Вт, Втп По Ту 16-538.034-75)
материал: Графит.
Производственная Программа: 250 000 Шт. В Год.
Оснастка: Поставщика; Объем Заказа: Свыше 1 Миллиона Рублей.

Заказ 1802 (24.09.2014, Московская Область). Уголок №02 Скачать Чертеж
материал: Поставщика.
Производственная Программа: 100 000 Шт. В Месяц.
Доп.требования: Изделие Уголок №02 Покрытие Цинк, Винт Din 551, Размер 4х4. Изделия Желательно Поставлять С Вкрученными Винтами, Рассматривается Поставка Отдельно Винтов И Уголков; Оснастка: Заказчика; Цена: 2,25 С Ндс ( С 2мя Винтами 4х4).

Заказ 1801 (24.09.2014, Курская Область). Серьга (покрытие Цинк) Скачать Чертеж
материал: Поставщика.
Производственная Программа: 50 000 Шт. В Месяц.
Оснастка: Заказчика; Цена: 1,98 С Ндс ( С Винтом 4х4).

заказ 1800 (24.09.2014, Курская Область). Шип Скачать Чертеж
материал: Cогласно Чертежу.
Производственная Программа: Потребность 250 000 В Месяц.
1,60 С Ндс С Доставкой В Г Курск.

заказ 1799 (23.09.2014, Московская Область). Шаблон Скачать Чертеж
материал: Поставщика.
Производственная Программа: 24 Шт. Разовый Заказ.
Доп.требования: Оплата По Факту Поставки Деталей В Течении 5 Дней.

заказ 1798 (23.09.2014, Удмуртская Республика). Отливка Груз (литье Металла В Разовые Литейные Оболочковые Формы) Скачать Чертеж
материал: Материал Изготовителя Сталь 45
Производственная Программа: 1000 Шт.
Оснастка: Возможен Вариант Изготовление Оснастки За Счет Заказчика; Доп.требования: Отливка 3-й Группы.

заказ 1797 (23.09.2014, Удмуртская Республика). Отливка Груз (литье Металла По Выплавляемым Моделям И Точное Литье - Процесс Шау) Скачать Чертеж
материал: Материал Изготовителя Сталь 45
Производственная Программа: 1000 Шт.
Оснастка: Возможен Вариант Изготовление Оснастки За Счет Заказчика; Доп.требования: Отливка 3-й Группы, Твердость Не Более 200нв.

заказ 1796 (23.09.2014, Удмуртская Республика). Заготовка Отливка Груза Скачать Чертеж
материал: Сталь 45
Производственная Программа: 1000 Шт. В Месяц.
Оснастка: Рассмотрим Вариант Оплаты Оснастки; Доп.требования: Поковка Грiv Кп 195 Гост 8479-70, Степень Сложности Поковки С4 Припуски На Механическую Обработку По Ii Классу Точности Гост 7505-89.

заказ 1795 (23.09.2014, Удмуртская Республика). Колодка (закалка) Скачать Чертеж
материал: Заготовка Заказчика . Сталь 45 (40х;40хн)
Производственная Программа: 2000 Шт. В Месяц.
Доп.требования: Твердость На Всей Рабочей Поверхности Во Всех Точках Должна Быть В Пределах Допуска.

заказ 1794 (23.09.2014, Удмуртская Республика). Клин (закалка) Скачать Чертеж
материал: Заготовка Заказчика Сталь 45 (40х;40хн)
Производственная Программа: 2000 Шт. В Месяц.
Доп.требования: Твердость На Всей Рабочей Поверхности Во Всех Точках Должна Быть В Пределах Допуска.

заказ 1793 (23.09.2014, Калужская Область). Поковка, Свободная Ковка, Горячая Штамповка, Вытяжка Скачать Чертеж
материал: Поставщика 20х13.
Производственная Программа: Разовый Заказ 20 Шт.
Оснастка: Поставщика; Объем Заказа: До 300 Тыс. Рублей.

заказ 1792 (18.09.2014, Ярославская Область). Шайбы (токарная,координатная,расточная Обработка) скачать Комплект Чертежей
материал: Поставляет Заказчик.
Производственная Программа: 711448.005-1 Шт., 711442.000-4 Шт., 711448.007-23 Шт.
Объем Заказа: До 300 Тыс. Рублей.

заказ 1791 (18.09.2014, Тюменская Область). Позиционер (рама)( Сварка, Фрезеровка, Резка, Сборка) скачать Комплект Чертежей
материал: Согласно Чертежа.
Производственная Программа: 3 Шт.
Доп.требования: Требуется Изготовить Раму Для Позиционера По Нашим Чертежам В Количестве 3 Шт.

заказ 1790 (16.09.2014, Тверская Область). Проектирование И Изготовление Пресс-форм Для Резинотехнических Изделий скачать Комплект Чертежей
материал: Поставляет Поставщик.
Производственная Программа: От 1000 До 10000 Шт./месяц Каждого Наименования. Наименований Всего Три.
Оснастка: Поставляет Поставщик; Доп.требования: Смотри Прилагаемые Документы; Объем Заказа: Свыше 1 Миллиона Рублей.

заказ 1789 (16.09.2014, Удмуртия). Гайка Специальная скачать Чертеж
материал: Шестигранник 36 Сталь 45.
Производственная Программа: 10000 Шт. В Месяц.
Доп.требования: Испытания На Прочность.

заказ 1788 (16.09.2014, Удмуртия). Втулка скачать Чертеж
материал: Материал Ф60 Сталь 3.
Производственная Программа: 10000 Шт. В Месяц.

заказ 1787 (16.09.2014, Удмуртия). Болт. Высадка Головки Болта. Токарная, Резьбонакатная, Сверлильная Обработка скачать Чертеж
материал: Сталь 40х "селект" Материал Поставщика.
Производственная Программа: 10000 Шт. В Месяц.
Оснастка: Поставщика; Доп.требования: Испытания На Прочность На Разрывной Машине.

заказ 1786 (16.09.2014, Удмуртия). Труба скачать Чертеж
материал: Труба Холоднотянутая Сталь 3.
Производственная Программа: 5000 Шт.

заказ 1785 (16.09.2014, Удмуртия). Узел. Обработка На Агрегатных Станках, Фрезерная, Сверлильная, Резьбонарезная Обработка скачать Чертеж
материал: Поставщика. Круг 100 Сталь 45.
Производственная Программа: 1000 Шт.
Оснастка: Поставщика.

заказ 1784 (16.09.2014, Удмуртия). Проволока скачать Чертеж
материал: Поставщика.
Производственная Программа: 10000 Шт.

заказ 1783 (16.09.2014, Удмуртия). Труба скачать Чертеж
материал: Поставщика.
Производственная Программа: 5000 Шт. В Месяц.

заказ 1782 (16.09.2014, Удмуртия). Гайка Специальная скачать Чертеж
материал: Поставщика.
Производственная Программа: 10000 Шт. В Месяц.
Оснастка: Поставщика; Доп.требования: Испытания На Прочность.

заказ 1781 (16.09.2014, Удмуртия). Втулка скачать Чертеж
материал: Поставщика.
Производственная Программа: 10000 Шт. В Месяц.

заказ 1780 (16.09.2014, Удмуртия). Болт. Высадка. Токарная, Резьбонакатная, Сверлильная Обработка скачать Чертеж
материал: Поставщика. Согласно Конструкторской Документации-40х "селект", Замене Не Подлежит.
Производственная Программа: 10000шт.
Оснастка: Поставщика; Доп.требования: Испытания На Прочность.

заказ 1779 (16.09.2014, Удмуртия). Автоматическая Или Полуавтоматическая Сварка скачать Чертеж
материал: Поставщика.
производственная Программа: 5000 Шт. В Месяц.
Оснастка: Поставщика; Доп.требования: Контроль Качества Сварного Шва. Испытания На Прочность Разрывная Машина.

заказ 1778 (16.09.2014, Ярославская Область). Заготовки Для Фланцев скачать Чертеж
материал: Поставляет Заказчик.
производственная Программа: 50-100 Шт. В Месяц.
Объем Заказа: До 300 Тыс. Рублей.

заказ 1777 (10.09.2014, Донецкая Область). Гидроблоки, Гидрораспределители скачать Чертеж
материал: Поставщика.
производственная Программа: 10 Шт. В Месяц.
Оснастка: Поставщика; Объем Заказа: До 1 Миллиона Рублей.

заказ 1776 (10.09.2014, Нижегородская Область). Линейка Направляющая Для Шара скачать Комплект Чертежей
материал: Сталь 45, Наплавка Электродом Э-90х4 М4 Вф-ози-3.
производственная Программа: Разовый Заказ 90шт.

заказ 1775 (06.09.2014, Тверская Область). Изготовление Колец Резиновых Круглого Сечения Стандартных (гост 9833-73) И Нестандартных Из Различных Резиновых Смесей. Без Чертежей
материал: Поставляет Поставщик, Смеси Резиновые На Основе Нитрильного Каучука, Фторкаучука, Гидрированного Нитрильного Каучука И Другие.
производственная Программа: От 100 Шт/мес.
Доп.требования: Обязательны Образцы Продукции, Проверка Качества Продукции. Остальное - При Переговорах; Объем Заказа: До 300 Тыс. Рублей; Оснастка: Поставщика

заказ 1774 (06.09.2014, Воронежская Область). Неподвижная Плита И Кронштейны Для Пайки Усиления Ручки Пакетов На Пакетоделательной Машине скачать Чертеж
материал: Поставщика.
производственная Программа: Разовый Заказ.
доп.требования: Согласно Чертежу; Оснастка: Поставщика.

заказ 1773 (04.09.2014, Самарская Область). Силоса (прецизионные Изделия Из Листового Металла). Без Чертежей
материал: Поставщика.
производственная Программа: Разовый Заказ.
Объем Заказа: До 300 Тыс. Рублей

заказ 1772 (04.09.2014, Тверская Область). Срочно Требуются Кольца Резиновые Гост 9833-73 Типоразмеров 054-058-25-2-2=1000 Шт. И 075-080-25-2-2=300 Шт. Без Чертежей
материал: Смесь Резиновая Мбс, Поставляет Поставщик.
производственная Программа: Разовый Заказ.
Оснастка: Поставщика;объем Заказа: До 300 Тыс. Рублей

заказ 1771 (04.09.2014, Новосибирская Область). Комплекс Высокоточных Токарных И Слесарных Работ В Г.новосибирск Без Чертежей
материал: Заготовки Поставляет Заказчик.
производственная Программа: Постоянное Сотрудничество.
Оснастка: Поставщиканужен Полный Комплекс Услуг По Высокоточной Обработке Металла, Включающий В Себя Токарные, Фрезеровочные, Шлифовальные Работы, Лазерную Резку Металла, Точечная Сварка, Слесарные Работы; Объем Заказа: До 300 Тыс. Рублей

заказ 1770 (01.09.2014, Владимирская Область). Изделия По Указанным Гостам Всех Типоразмеров. скачать Чертеж
материал: Поставщика, В Соответствии С Гост.
производственная Программа: Как Указано В Заявке (приложение), Потребность Ежемесячная Постоянная, Закупка 1 Раз В 3 Месяца..
Доп.требования: Чертежей Нет, Т.к. Все Описывается В Соответствующих Гостах; Не Допускается Отступление От Гост; Остнастка: Поставщика.

заказ 1769 (25.08.2014, Ярославская Область). Кольца Бортовые, Ацитилен-кислородная Резка Стальных Колец. скачать Чертежи (архив Zip)
материал: Cталь 45;сталь 3.поставляемая Поставщиком.
производственная Программа: 400 Тон В Год, Постоянный Заказ.
Доп.требования: Отсрочка Платежа 60 Дней; Остнастка: Поставщика; Объем Заказа: Свыше 1 Миллиона Рублей.

заказ 1768 (22.08.2014, Ярославская Область). Листы Стальные (кислородно-флюсовая Резка) скачать Чертежи (архив Zip)
материал: Сталь 45.
производственная Программа: 200 Тонн В Год.
Оснастка: Поставщика; Объем Заказа: Свыше 1 Миллиона Рублей.

заказ 1767 (21.08.2014, Тюменская Область). Нож №4 И Звёздочка Ведущая скачать Чертежи (архив Zip)
материал: Согласно Чертежа.
производственная Программа: 50шт, Разовый Заказ.
Доп.требования: Требуется Изготовить Изделия Из Металла Нож №4 И Звёздочка Ведущая, По Нашим Чертежам В Количестве 50шт. И 50 Шт.

заказ 1766 (16.08.2014, Нижегородская Область). Изделия По Чертежам Danieli, 206 Позиций скачать Чертежи (архив Zip)
материал: Поставляет Поставщик.
производственная Программа: Разовый Заказ.
доп.требования: Допускается Выполнение Части Заказа. Предпочтение Будет Отдано Компаниям, Взявшим Больший Объем Позиций.

заказ 1765 (14.08.2014, Свердловская Область). Ось Навеса скачать Чертеж
материал: Согласно Чертежа.
производственная Программа: 60000 Шт/месяц.
доп.требования: Необходимо Изготовление Изделия Методом Холодной Высадки, Чертёж Не Является Окончательным И Требуется Обсуждение Для Внесения Изменений С Конечным Производителем.

заказ 1764 (14.08.2014, Воронежская Область). Фланцы, Механическая Обработка скачать Чертеж
материал: Поставляет Заказчик.
производственная Программа: 100 Шт.
доп.требования: Изготовление Согласно Чертежа; Оснастка: Поставщика; Объем Заказа: До 300 Тыс. Рублей

заказ 1763 (14.08.2014, Воронежская Область). Фланцы, Механическая Обработка скачать Чертеж
материал: Поставляет Заказчик.
производственная Программа: 100 Шт. Разовый Заказ.
доп.требования: Изготовление Согласно Чертежа; Оснастка: Поставщика; Объем Заказа: До 300 Тыс. Рублей

заказ 1762 (13.08.2014, Тюменская Область). Механизм Телескопических Направляющих скачать Чертежи (архив Zip)
материал: Cм. Чертеж.
производственная Программа: 30 Шт.
доп.требования: Требуется Изготовить Механизм Телескопических Направляющих (без Роликов) В Количестве 30 Шт

заказ 1761 (12.08.2014, Московская Область). Коленвал скачать Чертеж
материал: Поставщика.
производственная Программа: 1 Шт.
доп.требования: Оплата В Течении 7 Дней После Получения Детали

заказ 1760 (12.08.2014, Ярославская Область). Лазерная Резка Прокладок Из Паронита скачать Чертеж
материал: Поставляет Поставщик.
производственная Программа: 220 Шт. Разовый Заказ.
объем Заказа: До 300 Тыс. Рублей

заказ 1759 (12.08.2014, Московская Область). Шаблон скачать Чертеж
материал: Поставщика.
производственная Программа: Разовый Заказ 24 Шт.
доп. Требования: Оплата В Течении 7 Дней После Получения И Проверки На Соответствие Чертежу

заказ 1758 (05.08.2014, Владимирская Область). Обечайка Левая скачать Чертеж
материал: Лист 4 Гост 19903-74 / 12х2нвфа Гост11269-76.
производственная Программа: Серия.
оснастка: Оснастка Поставщика С Выкупом

заказ 1757 (05.08.2014, Владимирская Область). Кронштейн скачать Чертеж
материал: Лист Бт-3 Гост19904-90 / 12х2нвфа Гост11268-76.
производственная Программа: Серия.
оснастка: Оснастка Поставщика С Выкупом

заказ 1756 (01.08.2014, Москва). Производство Полиуретановых Вакуумных Рамок скачать Чертежи (архив Zip)
материал: Материал Поставщика.
производственная Программа: 10-15 Шт В Месяц.
доп. Условия: Тз В Приложении; Оснастка: Оснастка Поставщика; Цена: 3500; Объем Заказа: До 300 Тыс. Рублей

заказ 1755 (01.08.2014, Нижегородская Область). Изготовление Эксцентриковых Фланцев Из Давальческих Заготовок скачать Чертежи (архив Zip)
материал: Давальческие Заготовки, Поставляет Заказчик.
производственная Программа: Разовый Заказ, 20 Шт.
доп. Условия: Требуется Произвести Шлифование Конических Поверхностей Под Последующие Покрытие Твердым Хромом; Оснастка Поставщика; Цена: По Согласованию Рубли; Объем Заказа: До 300 Тыс. Рублей

заказ 1754 (01.08.2014, Нижегородская Область). Направляющая Dvg-20.0094, Резка, Гибка Листа T=50 Мм скачать Чертеж
материал: 09г2с-345-1 Гост 19281-89, Поставляет Поставщик
производственная Программа: Разовый Заказ, 420 Шт.
Оснастка Поставщика, Входит В Цену Изделия; Цена: Целевая Цена 50 Руб./кг.рубли.

заказ 1753 (01.08.2014, Нижегородская Область). Изготовление Изделий По Чертежам Danieli скачать Чертежи (архив Zip)
материал: Поставляет Поставщик, Российские Аналоги Определяются По Прилагаемым Документам.
производственная Программа: Разовый Заказ, 172 Позиции
доп. Условия: Допустимо Выставить Коммерческое Предложение На Часть Позиций. Для Ответа Используйте Вложенную Таблицу "заявка На Изготовление 31.07.2014"; Оснастка Поставщика (если Необходима), Входит В Стоимость Изделия; Цена: По Согласованию Рубли; Объем Заказа: До 1 Миллиона Рублей.

заказ 1752 (25.07.2014, Ярославская Область). Мехобработка Детали Вал 2361308047 скачать Чертежи (архив Zip)
материал: Заказчика
производственная Программа: Минимум 500 Шт./мес., Заготовки
доп. Условия: 100% Входной Контроль, Отклонения От Кд Не Допускаются. Электронные Чертежи Только Для Проработки Стоимости И Оценки Возможности Предприятий. Работать Только По Бумажным Чертежам, Которые Предоставим После Заключения Договора.

заказ 1751 (23.07.2014, Г. Санкт-петербург). Галтовка Или Виброгатловка Изделий скачать Чертежи
материал: Заказчика
производственная Программа: 200 000 Шт./мес.
доп. Условия: Необходимо Зашлифовать (округлить) Края Пружины.

заказ 1750 (11.07.2014, Владимирская Область). Конические Передачи скачать Чертежи (файл Zip, Формат Чертежей Dwg)
материал: Давальческий
производственная Программа: Серийная Продукция
доп. Условия: 100% Входной Контроль, Отколения От Кд Не Допускаются. Электронные Чертежи Только Для Проработки Стоимости И Оценки Возможности Предприятий. Работать Только По Бумажным Чертежам, Преоставляемых К Каждой Спецификации.

заказ 1749 (11.07.2014, Рязанская Область). Изготовление Крепежа скачать Чертежи (файл Zip)
материал: Сталь 45 Гост 1050-88 Поставщика
производственная Программа:
шпилька 1 Метр 1/4”-20unс - 4 Шт.
гайка Крыльчатая 1/4”-20unс - 30 Шт.
болт 1/2”-12tpi (bsw) L=123 - 10 Шт.

доп. Условия: Стоимость Заказа До 300 000 Руб.

заказ 1748 (10.07.2014, Воронежская Область). Латунирование Заготовок скачать Чертеж
материал: Заказчика
производственная Программа: Разовый Заказ
доп. Условия: Стоимость Заказа До 1 Млн. Руб.

заказ 1747 (08.07.2014, Чувашия). Рейка Нижней Плиты Кш402.03.51.001 скачать Чертеж
материал: Поставщика
производственная Программа: 6 Шт., Разовый Заказ

заказ 1746 (08.07.2014, Чувашия). Рейка-вставка Кш402.03.52.002 скачать Чертеж
материал: Поставщика
производственная Программа: 6 Шт., Разовый Заказ

заказ 1745 (08.07.2014, Чувашия). Рейка Верхней Плиты Кш402.03.53.002 скачать Чертеж
материал: Поставщика
производственная Программа: 6 Шт., Разовый Заказ

заказ 1744 (08.07.2014, Чувашия). Рама 2кш503.01.01.000сб скачать Чертеж
материал: Поставщика
производственная Программа: 2 Шт., Разовый Заказ

заказ 1743 (08.07.2014, Чувашия). Корпус Кш211.01.01.000сб скачать Чертеж
материал: Поставщика
производственная Программа: 2 Шт., Разовый Заказ

заказ 1742 (08.07.2014, Чувашия). Корпус Кш402.01.01.000сб скачать Чертеж
материал: Поставщика
производственная Программа: 3 Шт., Разовый Заказ

заказ 1741 (07.07.2014, Брянская Область). Переходник скачать Чертеж
материал: Д16т, Материал Поставщика
производственная Программа: 600 Шт. , Партиями По 100 Шт.
доп. Требования: Изготовление И Приемка Опытных Образцов

заказ 1740 (03.07.2014, Тюменская Область). Сборка Изделия: Контейнер 315. скачать Чертеж
материал: Поставляет Поставщик
производственная Программа: 1 Шт. Пробный Разовый Заказ
доп. Требования: Требуется Изготовить Контейнер (переносной) По Нашим Чертежам В Количестве 1 Шт.

заказ 1739 (03.07.2014, Ульяновская Область). Штамповка Металлических Изделий Без Чертежей
материал: Поставляет Поставщик
производственная Программа: Порядка 100 Позиций
Доп. Требования: Чертежи И Программа По Каждому Изделию Предоставляются После Заключения Договора О Конфиденциальности Предоставляемой Информации

заказ 1738 (03.07.2014, Ульяновская Область). Литье Под Давлением (пластмассы И Резина) Без Чертежей
материал: Поставляет Поставщик
производственная Программа: Порядка 100 Позиций
Доп. Требования: Чертежи И Программа По Каждому Изделию Предоставляются После Заключения Договора О Конфиденциальности Предоставляемой Информации

заказ 1737 (03.07.2014, Ульяновская Область). Литье Металла В Многоразовые Литейные Формы Без Чертежей
материал: Поставляет Поставщик
производственная Программа: Порядка 100 Позиций
Доп. Требования: Чертежи И Программа По Каждому Изделию Предоставляются После Заключения Договора О Конфиденциальности Предоставляемой Информации

заказ 1736 (02.07.2014, Чувашия). Корпус С Кантом скачать Чертеж
материал: Поставляет Поставщик
производственная Программа: 10 000 Шт. (разовый Заказ)

заказ 1735 (02.07.2014, Ярославская Область). Одноступенчатое Цветное Анодирование (al) Пластины скачать Чертеж
материал: Поставляет Поставщик
производственная Программа: 700 Шт. (разовый Заказ)

заказ 1734 (27.06.2014, Челябинская Область). Втулка скачать Чертеж
материал: Согласно Чертежу
производственная Программа: От 200 Шт. До 300 Шт. В Месяц
Доп. Требования: Втулка Для Насоса Унб-600 От 120 До 200 Диаметра

заказ 1733 (26.06.2014, Московская Область). Прижим скачать Чертеж
материал: Поставщика
производственная Программа: 30 Шт. Разовый Заказ
Доп. Требования: Оплата По Факту Получения Деталей В Течении 5 Дней

заказ 1732 (25.06.2014, Нижегородская Область). Торосферическое Днище скачать Чертеж
материал: 09г2с-265-1 Гост 19281
производственная Программа: Разовый Заказ
Оснастка: Поставщика; Объем Заказа: До 300 Тыс. Рублей

заказ 1731 (25.06.2014, Нижегородская Область). Mr 14000795 Азотирование скачать Комплект Чертежей
материал: 38хм Поставляет Заказчик
производственная Программа: Разовый Заказ; Кол-во Указано В Тех. Задании
Объем Заказа: До 300 Тыс. Рублей

заказ 1730 (25.06.2014, Нижегородская Область). Mr 14000798; 14000804 (нанесение Твердого Хромового Гальванического Покрытия) скачать Комплект Чертежей
материал: 09г2с Поставляет Заказчик
производственная Программа: Твердое Хромирование Требуется Постоянно, Кол-во Указано В Тех. Задании
Доп.требования: Покрыть Хромом Х.тв. 50-70 Мкм Одну Поверхность, Остальные Защитить; Оснастка: Поставщика; Объем Заказа: До 300 Тыс. Рублей

заказ 1729 (25.06.2014, Нижегородская Область). Mr 14000791; 14000793; 14000796; 14000797 (нанесение Блестящего Никелевого Гальванического Покрытия В Гальванической Ванне) скачать Комплект Чертежей
материал: 40хн2ма, 09г2с
производственная Программа: Никелирование Требуется Эпизодически; Кол-во Указано В Тех. Задании
Объем Заказа: До 300 Тыс. Рублей

заказ 1728 (25.06.2014, Нижегородская Область). Mr 14000828-14000836 Закалка+отпуск скачать Комплект Чертежей
материал: 30хгса, 45, 40х Поставляет Заказчик
производственная Программа: Закалка+отпуск Требуется Постоянно; Количество Указано В Тех. Требовании
Доп.требования: Нужен Документ, Подтверждающий Качество (контроль Твердости), Режимы Термообработки, Закалочные Диаграммы; Объем Заказа: До 300 Тыс. Рублей

заказ 1727 (25.06.2014, Нижегородская Область). Mr 14000790; 14000792; 14000794 Закалка+отпуск скачать Комплект Чертежей
материал: Поставляет Заказчик 09г2с; 45; 40х; 38хм
производственная Программа: Закалка+отпуск Требуется Постоянно Кол-во Указано В Тех. Задании
Объем Заказа: До 300 Тыс. Рублей

заказ 1726 (25.06.2014, Нижегородская Область). Mr 14000748 Регулировочные Прокладки скачать Комплект Чертежей
материал: 40хн2ма, 38хм Поставляет Заказчик
производственная Программа: Разовый Заказ, Кол-во в техзадании
Доп.требования: Толщина Прокладок В Комплекте От 0,05мм, До 10мм Только Поставка Всех Изделий В Заказе; Цена: По Согласованию Рубли

заказ 1725 (25.06.2014, Нижегородская Область). Mr 14000594-14000596 (механические Изделия Общего Применения) скачать Комплект Чертежей
материал: Поставляет Заказчик 09г2с; 45; 40х; 38хм
производственная Программа: Разовый Заказ, Кол-во Указано В Техзадании
Объем Заказа: До 300 Тыс. Рублей

заказ 1724 (25.06.2014, Нижегородская Область). Mr 14000562 (механические Изделия Общего Применения) скачать Комплект Чертежей
материал: Сталь 40х, 45 Поставляет Поставщик
производственная Программа: Разовый Заказ 5.940394.f Пластина - 2 Шт. 5.940393.e Пластина - 2 Шт.
объем Заказа: До 300 Тыс. Рублей

заказ 1723 (24.06.2014, Г. Магнитогорск).Механическая Обработка Металла Скачать Чертеж
материал: Поставщик/заказчик
производственная Программа: Разовый Заказ
доп. Требования: Опыт Выполнения; Оснастка: Поставщика/заказчика ;объем Заказа: Свыше 1 Миллиона Рублей

заказ 1722 (23.06.2014, Г. Саранск).Изделия По Индивидуальному Заказу Швп Гайка Скачать Чертеж
материал: Согласно Чертежа
производственная Программа: 1 Шт. Разовый Заказ
объем Заказа: До 300 Тыс. Рублей

заказ 1721 (23.06.2014, Г. Саранск).Изделия По Индивидуальному Заказу Швп Скачать Чертеж
материал: Согласно Чертежа
производственная Программа: 1 Шт. Разовый Заказ
объем Заказа: До 300 Тыс. Рублей

заказ 1720 (13.06.2014, Г. Казань). Держатель Зубьев (литье) скачать Комплект Чертежей
материал: Поставщика, Высокопрочная Лит. Сталь (состав Мат. Габариты Детали См. В Прикреплённых Файлах)
производственная Программа: Ориентировочная Потребность 600 Шт./год (партия 100шт./2 Мес.)
доп. Требования: Масса Детали: 600-650 Гр. ; Оснастка: Поставщика

заказ 1719 (23.06.2014, Г. Уфа).Труба (обработка На Обрабатывающем Центре) Скачать Чертеж
материал: 38хн2ма (поставщик)
производственная Программа: 2 Шт. Разовый Заказ
доп. Требования: 32-38 Hrc, Фосфатирование Всей Поверхности; Оснастка: Поставщика; Объем Заказа: До 1 Миллиона Рублей

заказ 1718 (21.06.2014, Г. Санкт-петербург).Шлифовка И Полировка Изделий Скачать Чертеж
материал: Вк8 И Другие Твердые Сплавы, Заготовки Поставляет Заказчик
производственная Программа: От 2000 До 50000 Шт. Ежемесячно;
доп. Требования: Требуются Обработчики Изделий По Чертежам Заказчика, Номенклатура Более 100 Изделий; Оснастка: Поставщика; Объем Заказа: Свыше 1 Миллиона Рублей

заказ 1717 (21.06.2014, Г. Санкт-петербург).Шлифовка И Полировка Изделий Скачать Чертеж
материал: Вк8 И Другие Твердые Сплавы, Заготовки Поставляет Заказчик
производственная Программа: От 2000 До 50000 Шт. Ежемесячно;
доп. Требования: Требуются Обработчики Изделий По Чертежам Заказчика, Номенклатура Более 100 Изделий; Оснастка: Поставщика; Объем Заказа: Свыше 1 Миллиона Рублей

заказ 1716 (19.06.2014, Г.чебоксары). Комплект Деталей скачать Комплект Чертежей
материал: Поставщика.
производственная Программа: Разовый Заказ

заказ 1715 (19.06.2014, Г. Санкт-петербург). Изготовление Деталей (металлообработка Со Снятием Стружки) скачать Комплект Чертежей
материал, Производственная Программа: См. Чертеж

заказ 1714 (19.06.2014, Г. Екатеринбург). Прессформа Из Алюминия
материал: Алюминий.
производственная Программа: 1
доп. Требования: Фрезеровка На Станке С Чпу; Оснастка: Фрезы, Управляющая Программа Для Чпу; Объем Заказа: До 300 Тыс. Рублей

заказ 1713 (19.06.2014, Самарская Область). Подовые Решетки (литье) скачать Комплект Чертежей
материал: Сталь Хн65вмтю (эи 893)
производственная Программа: Подовая Решетка-1 - 40 Шт., Подовая Решетка-2 - 25шт.

заказ 1712 (17.06.2014, Г. Саранск). Поковка 0909-0977, Поковка 0909-0975 скачать Комплект Чертежей
материал: Поставщика.
производственная Программа: По 1 Шт. С Последующим Увеличением До 20 Шт. В Год Каждого Вида
доп. Требования: Согласно Чертежа; Оснастка Поставщика.

заказ 1711 (14.06.2014, Г. Челябинск). Шсл скачать Комплект Чертежей
материал: Поставщика.
производственная Программа: Более 300 Штук В Месяц
объем Заказа: До 1 Миллиона Рублей

заказ 1710 (14.06.2014, Г. Челябинск). Механизм Опрокидывания Кабины скачать Комплект Чертежей
материал: Поставщика.
производственная Программа: До 100 Штук В Месяц
объем Заказа: До 1 Миллиона Рублей

заказ 1709 (14.06.2014, Г. Челябинск). Жпу скачать Чертеж
материал: Поставщика.
производственная Программа: 10 Штук В Месяц
объем Заказа: До 300 Тыс. Рублей; Доп. Требования: Требуется Отечественный Изготовитель, Готовы Совместно Проработать Технологию Изготовления

заказ 1708 (14.06.2014, Г. Челябинск). Жпу скачать Комплект Чертежей
материал: Поставщика.
производственная Программа: До 100 Шт/месяц
объем Заказа: Свыше 1 Миллиона Рублей; Доп. Требования: Возможно Изготовление Из Сварных Деталей, Взамен Литых

заказ 1707 (14.06.2014, Г. Челябинск). Механизм Натяжения скачать Комплект Чертежей
материал: Поставщика.
производственная Программа: 300 Комплектов В Месяц
объем Заказа: Свыше 1 Миллиона Рублей.

заказ 1706 (07.06.2014, Республика Татарстан). вилы На Минипогрузчик, Ковка скачать Комплект Чертежей
материал: Поставщика. Высокопрочный Ковкий Чугун Или Сталь
производственная Программа: До 25 Комплектов В Год В Перспективе (2 Шт = 1 Комплект), После Пробного Образца
оснастка: Поставщика; Объем Заказа: До 1 Миллиона Рублей; Доп. Требования: Вила Должна Выдерживать Нагрузку Min 1500 Кг И Выше. То Есть Пара Вил Должна Выдерживать 3 Тонны. Размеры В Месте Сгиба Вилы Можно Не Соблюдать Точно По Чертежу, Допускаются Отклонения. Просьба Звонить Или Писать По Всем Вопросам На Имя Контактного Лица, А Также Высылать Коммерческие Предложения

заказ 1705 (05.06.2014, Курская Область).Декоративная Рейка Для Садово-парковой Мебели
материал: Сосна. Отсутствие Сучков, Дефектов. Допускается Одно Место Сращивания Заготовок На Одну Рейку.
доп. Требования: Размер 1500*70*25 Мм. Кромки С Лицевой Стороны Закруглены Радиусом 10 Мм. Рейка Сухая С Влажностью 7-9%. Лицевая Поверхность Отшлифована, Покрыта В 3 Слоя Полиуретановым "яхтным" Лаком С Промежуточными Межслойными Полировками (поверхность Гладкая Блестящая). Внутренняя Сторона Струганная, Покрыта 2 Слоями Лака. Желаемая Стоимость - 65 Руб. За Рейку (25.000 Руб. За М3) С Доставкой В Г. Курск.

заказ 1704 (30.05.2014, Московская Область).Механическая Обработка Литых Заготовок (съемные Поддоны) Скачать Комплект Чертежей
материал: Cм. Чертеж
производственная Программа: Заказ Разовый. В981 - 8шт., Ю557 - 9шт., В936 - 5шт., Е-015.к2043.01я.00сб - 12шт., Ю-568 - 12шт.

заказ 1703 (30.05.2014, Тюменская Область).Механизм Телескопических Направляющих Скачать Комплект Чертежей
материал: Cм. Чертеж
производственная Программа: 30 Шт.
доп. Требования: Требуется Изготовить Механизм Телескопических Направляющих (без Роликов)

заказ 1702 (28.05.2014, Санкт-петербург).Требуется Организация По Проектированию Форм Для Литья Резинотехнических Изделий Сложной Конструкции
материал: Заказчика
производственная Программа: Несколько Форм В Месяц.
доп. Требования: Организация-исполнитель Желательно Из Санкт-петербурга

заказ 1701 (27.05.2014, Санкт-петербург).Удаление Металлических Покрытий
материал: Заказчика
производственная Программа: 200 000 Штук В Месяц.
доп. Требования: Требуется Организация, Занимающаяся Виброгалтовкой Изделий

заказ 1700 (27.05.2014, Ярославская Область).Изготовление Поковок, Либо Отливок Чаши Куттеров Скачать Чертеж
материал: Материал Чаши 40х13, 08х18н10, Aisi 304
производственная Программа: 2-3 В Год

заказ 1699 (27.05.2014, Татарстан).Вилы На Минипогрузчик Скачать Чертеж
материал: Высокопрочный Ковкий Чугун Или Сталь См. Чертеж
производственная Программа: 25 Комплектов В Перспективе (1 Комплект - 2шт.), После Пробного Образца.

заказ 1698 (23.05.2014, Москва).Вертикальное Протягивание Скачать Чертеж
материал: Заготовки Поставляет Заказчик
оснастка: Оборудование, Инструмент Исполнителя
производственная Программа: 5-10 Дисков В Год. Возможно Увеличение Годового Объёма
Доп. Требования: Необходимо Выполнение Протяжной Операции В Заготовках Дисков Компрессорной Турбины Агрегата Гтк-10-4 Инструментом И На Оборудовании Исполнителя. Количество Пазов: 90 Шт. На Один Диск. В Приложении: Эскиз Диска, Профиль Паза, Чертеж Образца (многостраничный Pdf)

заказ 1697 (23.05.2014, Москва).Горизонтальное Протягивание Скачать Чертеж
материал: Заготовки Поставляет Заказчик
оснастка: Оборудование, Инструмент Исполнителя
производственная Программа: 5-10 Дисков В Год. Возможно Увеличение Годового Объёма
Доп. Требования: Необходимо Выполнение Протяжной Операции В Заготовках Дисков Компрессорной Турбины Агрегата Гтк-10-4 Инструментом И На Оборудовании Исполнителя. Количество Пазов: 90 Шт. На Один Диск. В Приложении: Эскиз Диска, Профиль Паза, Чертеж Образца (многостраничный Pdf)

заказ 1696 (22.05.2014, Московская Область).Ремонт Штампа Скачать Комплект Чертежей
материал: Cогласно Чертежа
производственная Программа: Разовый Заказ
доп. Требования: Заказчик Высылает В Адрес Изготовителя Штамп. Необходимо Изготовить Пуансон (деталь №6 Согласно Спецификации). Установить В Штампе. Изготовить Опытную Партию Изделий, Согласно Требования Чертежа. Предоставить Карту Обмера Готового Изделия

заказ 1695 (22.05.2014, Чувашия).Бобышка Скачать Тех.задание И Чертежи
материал: Поставщика
производственная Программа: 10000 Шт
доп. Требования: 33руб/шт

заказ 1694 (22.05.2014, Московская Область).Крупногабаритное Чугунное Литье (составные Части Кокиля В-978а) Скачать Комплект Чертежей
материал: Согласно Чертежа
производственная Программа: Разовый Заказ. По 1шт. Каждого Наименования.
доп. Требования: С Последующей Механической Обработкой; Цена: Объем Заказа Порядка 3 Млн. Рублей

заказ 1693 (21.05.2014, Московская Область).Матрица Вытяжная №5 Скачать Чертеж
материал: Поставщика (возможна Замена На Хвг)
производственная Программа: 1 Шт (постоянный Заказ)
доп. Требования: Оплата По Факту Поставки (после Проверки Размеров)

заказ 1692 (21.05.2014, Московская Область).Матрица Вытяжная №8 Скачать Чертеж
материал: Поставщика (возможна Замена На Хвг)
производственная Программа: 1 Шт (постоянный Заказ)
доп. Требования: Оплата По Факту Поставки (после Проверки Размеров)

заказ 1691 (20.05.2014, Ярославская Область).Фланец 03.002 Скачать Чертеж
материал: Поставщика
производственная Программа: 40 Шт (разовый Заказ)

заказ 1690 (20.05.2014, Ярославская Область).Фланец 03.001 Скачать Чертеж
материал: Поставщика
производственная Программа: 40 Шт (разовый Заказ)

заказ 1689 (20.05.2014, Ярославская Область).Фланец 011 Скачать Чертеж
материал: Поставщика
производственная Программа: 40 Шт (разовый Заказ)

заказ 1688 (20.05.2014, Ярославская Область).Фланец 02.002 Скачать Чертеж
материал: Поставщика
производственная Программа: 40 Шт (разовый Заказ)
доп. Требования: До 300 000 Руб

заказ 1687 (20.05.2014, Ярославская Область).Дно 004 Скачать Чертеж
материал: Поставщика
производственная Программа: 40 Шт (разовый Заказ)
доп. Требования: До 300 000 Руб

заказ 1686 (20.05.2014, Ярославская Область).Фланец 01.001 Скачать Чертеж
материал: Поставщика
производственная Программа: 40 Шт (разовый Заказ)
доп. Требования: До 300 000 Руб

заказ 1685 (19.05.2014, Чувашия).Бобышка. Скачать Чертеж
материал: Поставщика (согласно Чертежа)
производственная Программа: 10 000 Шт
доп. Требования: Цена 33 Руб/шт

заказ 1684 (16.05.2014, Москва).Протяжки Скачать Чертеж
материал: Поставщика (допускается Материал Заказчика)
производственная Программа: 1 Комплект
доп. Требования: Требуется Изготовить Комплект Протяжек; Комплект Состоит Из 29 Шт; В Дальнейшем Потребуется Перезаточка Этого Комплекта; В Приложении Чертеж Одной Протяжки Из Комплекта

заказ 1683 (16.05.2014, Тюменская Область, Г. Тюмень).Позиционер Скачать Чертеж
материал: Согласно Чертежа
производственная Программа: 30 Шт (за Раз)
доп. Требования: Требуется Изготовить Данную Деталь Методом Вырезания Из Алюминиевого Листа Марки Д-15 Либо Его Аналогов На Плазморезе Или Лазерной Резкой

заказ 1682 (16.05.2014, Марий Эл, Г. Йошкар-ола).Штифт Скачать Чертеж
материал: Сталь 20х13 Гост 5949-75
производственная Программа: 1 000 Шт/мес
доп. Требования: Отжиг В Вакууме Hrs 40-50; Цена 3 500 Р

заказ 1681 (16.05.2014, Марий Эл, Г. Йошкар-ола).Заклёпка Скачать Чертеж
материал: Проволока Гост 1066-58
производственная Программа: 3 000 Шт/мес
цена: 10 000 Руб

заказ 1680 (16.05.2014, Республика Башкортостан, Г. Уфа).Корпус Шарошки Скачать Чертеж
материал: Поставщик (по Согласованию)
производственная Программа: 5-10 Шт Ежемесячно
доп. Требования: Оперативность Выполнения Заказа С Момента Его Размещения; Оснастка По Согласованию; Цена По Согласованию

заказ 1679 (15.05.2014, Московская Область).Штамповка Скачать Комплект Чертежей
материал: Поставщика (согласно Чертежа)
производственная Программа: Заказ Не Разовый, Количество Изготовления Деталей Указанно На Месяц
доп. Требования: Полный Цикл Изготовления

заказ 1678 (13.05.2014, Тверская Область).Изготовление Колец Резиновых Круглого Сечения Стандартных (гост 9833-73) И Нестандартных Из Различных Резиновых Смесей
материал: Поставщика (смеси Резиновые На Основе Нитрильного Каучука, Фторкаучука, Гидрированного Нитрильного Каучука И Другие)
производственная Программа: От 100 Шт/мес
доп. Требования: Обязательны Образцы Продукции; Проверка Качества Продукции (остальное - При Переговорах); Оснастка Поставщика; Цена Договорная (рубли); Объем Заказа До 300 000 Руб

заказ 1677 (13.05.2014, Воронежская Область).Изготовление Тефлоновых Ограничителей Для Ламинаторов Скачать Чертеж
материал: Поставщика
производственная Программа: 4-6 Шт 1 Раз В Месяц
доп. Требования: Изготовление Согласно Чертежу

заказ 1676 (12.05.2014, Г. Челябинск).Изготовление Изделий Из Арматурной Стали Скачать Тех.задание И Чертеж
материал: Поставщика (см. Тех. Задание И Чертеж)
производственная Программа:
1. Штанга Железобетонная, Диаметр 18мм Из Арматурной Стали Гост 5781-82 – 29 000 Шт
2. Шайба Из Арматурной Стали Диаметр 18мм – 17 322 Шт
3. Клин Размером 200х100 Из Стали Толщиной 5 Мм Гост 19903-74 – 17 322 Шт
доп. Требования: Оснастка Поставщика

заказ 1675 (05.05.2014, Республика Марий Эл).Штифт Скачать Чертеж
материал: Сталь 20х13 Гост 5949-75
производственная Программа: 1 000 Шт (разовый Заказ)
доп. Требования: Отжиг В Вакууме; Покрытие: Хим.пас; Цена: Цена Заказа 2 500 Руб

заказ 1674 (05.05.2014, Волгоградская Область).Комплект Деталей Скачать Программу
материал: Лист Б-пн-5 Гост 19903-74 /20х23н18-м3а Гост 7350-77
производственная Программа: 5-7 Комплектов В Год
Доп. Требования: В Комплекте 7 Наименований, Всего 47 Деталей; Штамповая Оснастка Заказчика, Штампы Проектируются Под Оборудование Поставщика

заказ 1673 (05.05.2014, Г. Ярославль).Изготовление Шкивов Скачать Чертежи
материал: Поставщика
производственная Программа: 1 000 Шт/год Каждой Детали (программа На 3 Года)
доп. Требования: Оснастка Поставщика

заказ 1672 (28.04.2014, Самарская Область).Детали К Станку (шестерни, Колесо Ведомое) Скачать Чертежи
материал: Сталь 19хгнм, Исполнителя
производственная Программа: По 3 Шт Каждой Детали (разовый Заказ)

заказ 1671 (25.04.2014, Республика Марий Эл).Заклепка Скачать Чертежи
материал: Проволока Гост 1066-58, Исполнителя
производственная Программа: 3300 Шт. (разовый Заказ)
доп. Требования: Химическая Пассивация
цена: 10 000 Руб.

заказ 1670 (24.04.2014, Республика Марий Эл).Пробка Амив Скачать Чертежи
материал: Сталь 9 Xc, Круг А12 , Ф 10, Исполнителя
оснастка: Калибры Резьбовые М 8 05 6 H - Исполнителя
производственная Программа: 50 000 Шт./год
доп. Требования: Покрытие - Цинк
цена: 5-8 Руб./шт.

заказ 1669 (24.04.2014, Архангельская Обл.).Стакан Скачать Чертежи
материал: Исполнителя
оснастка: Исполнителя
производственная Программа: 10 Шт/год (разовый Заказ)
доп. Требования: См. Чертеж

заказ 1668 (24.04.2014, Ростовская Обл.).Поршень Скачать Чертежи
материал: Отливка Поставляется Поставщиком
оснастка: Частично Поставщика
производственная Программа: 10 000 Шт/год
доп. Требования: Помощь В Технологии И С Оснасткой
цена: 60 Руб./ш

заказ 1667 (10.04.2014, Ярославская Обл.).Патрубок Скачать Чертежи
материал: Поставщика
производственная Программа: 10 Шт (разовый Заказ)
доп. Требования: Объем Заказа До 300 000 Руб

заказ 1666 (09.04.2014, Г. Рязань).Штифт И Стержень Скачать Чертежи
материал: См. Чертежи
производственная Программа:
• Бста 713 111.004 -25 000 Шт Среднемесячная Потребность
• Бста 713 111.016 - 10 000 Шт Среднемесячная Потребность

заказ 1665 (07.04.2014, Московская Область).Литье (алюминий) Скачать Комплект Чертежей
материал: Согласно Чертежа (ак12м2), Поставщика
производственная Программа:
• Теплообменник (вес Заготовки 1.16 Кг) – 1 000 Шт/мес
• Корпус (вес Заготовки 0.9 Кг) - 1 000 Шт/мес
доп. Требования: Изготовление Отливок Методом Литья Под Высоким Давлением; Оснастка Поставщика

заказ 1664 (04.04.2014, Московская Область).Изготовление Пружин Скачать Комплект Чертежей
материал: По Чертежу
производственная Программа: Производственная Программа И Проходные Цены В Файле Заказа

заказ 1663 (04.04.2014, Республика Татарстан, Г. Казань).Изготовление Отливок (диаметр От 250 Мм До 1000 Мм)
материал: Бронза
производственная Программа: Производственная Программа Будет Предоставлена После Подтверждения Возможности Изготовления
Доп. Требования: Многолетний Опыт Работы, Сертифицированное Производство

заказ 1662 (04.04.2014, Республика Татарстан, Г. Казань).Изготовление Поковок (вес До 5 Т)
материал: Сталь Марок 40х, 35хгса, 40хгнм, 5хн, Х12мф
производственная Программа: Производственная Программа Будет Предоставлена После Подтверждения Возможности Изготовления
Доп. Требования: Многолетний Опыт Работы, Сертифицированное Производство

заказ 1661 (03.04.2014, Г. Иркутск).Фланец Скачать Чертеж
материал: Поставщика
производственная Программа: 600 - 1 000 Шт/квартал

заказ 1660 (02.04.2014, Московская Область). Литье (чугун) Скачать Комплект Чертежей
материал: Поставщика
производственная Программа: По 1 000 Шт/мес
доп. Требования: Без Механической Обработки; Оснастка Поставщика

заказ 1659 (28.03.2014, Г. Санкт-петербург).Инструментальная Обработка Скачать Чертеж
материал: Поставщика
производственная Программа: Заказ В Районе 150 000 Руб/мес
доп. Требования: Наличие Всех Видов Шлифовок, Токарно-фрезерных Работ, Эррозии И Термичка

заказ 1658 (28.03.2014, Г. Санкт-петербург).Электрод Скачать Чертеж
материал: Поставщика
производственная Программа: 3 000 - 5 000 Шт/мес

заказ 1657 (25.03.2014, Московская Область).Комплект Деталей Скачать Комплект Чертежей (файл Zip)
материал: Резина, Силикон
производственная Программа: 21 000 Шт/год
доп. Требования: Высокая Точность Изготовления, Высокое Качество Поверхности; Оснастка Поставщика

заказ 1656 (24.03.2014, Московская Область).Пружины Скачать Комплект Чертежей (файл Zip)
материал: Согласно Чертежа
производственная Программа:
1) Пружина Кт142.062 - 2 100 Шт
2) Пружина Н8у 188-3 - 3 720 Шт
3) Пружина Кт142.061 - 2 100 Шт
4) Пружина Кт106-311 - 2 100 Шт
5) Пружина Н8у.188-7 - 1 700 Шт
доп. Требования: Объем Заказа Свыше 1 000 000 Руб

заказ 1655 (21.03.2014, Самарская Область).Ленинградка Скачать Чертеж
материал: А12, А20
производственная Программа: 5 000 Шт/месяц
доп. Требования: Точность По Размерам 0,01-0,03 Мм Очень Важна Повторяемость

заказ Снят, Исполнитель Найден Заказ 1654 (20.03.2014, Г. Новочеркасск).Изготовления Узла Станка Скачать Комплект Чертежей (файл Zip)
материал: Исполнителя
производственная Программа: 1 Шт (перспектива - 24 Шт)
доп. Требования: Согласно Комплекта Чертежей

заказ 1653 (18.03.2014, Г. Челябинск).Термообработка Вала Скачать Чертеж
материал: Ст 40х (заказчика)
производственная Программа: 20 Шт (разовый Заказ)
доп. Требования: Обработка Только На Установке Твч; Исполнитель Из Челябинского Региона; Оснастка Поставщика; Цена Договорная; Объем Заказа До 300 000 Руб

заказ 1652 (17.03.2014, Г. Санкт-петербург).Крепёж Дугообразный Скачать Чертеж
материал: Ст3
производственная Программа: 3 600 Шт/2-3 Мес
доп. Требования: Исполнитель Желательно Поближе К Сп-б

заказ 1651 (17.03.2014, Г. Санкт-петербург).Вал 304 Скачать Чертеж
материал: См. Чертеж
производственная Программа: 1 Шт (постоянный Заказ, Долгосрочное Сотрудничество)
доп. Требования: Исполнитель Желательно Поближе К Сп-б

заказ 1650 (17.03.2014, Г. Санкт-петербург).Вал Скачать Чертеж
материал: См. Чертеж
производственная Программа: 1 Шт (постоянный Заказ, Долгосрочное Сотрудничество)
доп. Требования: Исполнитель Желательно Поближе К Сп-б

заказ 1649 (13.03.2014, Ярославская Область).Литье Заготовки № 20 (разовые Литейные Оболочковые Формы) Скачать Чертеж
материал: Поставщика
производственная Программа: 500 Шт (разовый Заказ)
доп. Требования: До 300 000 Руб

заказ 1648 (13.03.2014, Ярославская Область).Литье Заготовки №15 (разовые Литейные Оболочковые Формы) Скачать Чертеж
материал: Поставщика
производственная Программа: 500 Шт (разовый Заказ)
доп. Требования: До 300 000 Руб

заказ 1647 (12.03.2014, Ярославская Область).Комплект Деталей Скачать Комплект Чертежей
материал: См. Чертежи
производственная Программа: Изготовление Опытных Образцов (штучное Изготовление)
доп. Требования: Срок Изготовления 4-7 Дней; Предоплата 100 %

заказ 1646 (04.03.2014, Г. Тольятти).Колеса Зубчатые Скачать Комплект Чертежей
материал: См. Чертежи
производственная Программа: 600 Шт
доп. Требования: Обязательным Условием Является Изготовление Опытной Партии

заказ 1645 (28.02.2014, Г. Воронеж).Шайба Скачать Чертеж
материал: Поставщика
производственная Программа: 20 000 Шт (программа На Март)
доп. Требования: Дальнейшая Потребность По Согласованию С Заказчиком

заказ 1644 (26.02.2014, Московская Область).Направляющие Скачать Комплект Чертежей
материал: Согласно Чертежа
производственная Программа:
• 344-нд-6-35-40-88 - 4 560 Шт/6 Мес;
• Кт-166-082 - 1 024 Шт/6 Мес;
• Кт-81-313а - 2 376 Шт/6 Мес
доп. Требования: Контроль Размеров Производится Шаблонами, Калибрами, Чертежи На Которые Будут Предоставлены Позже; Перспектива Заказа: Кт-106-332 - 4 824 Шт/6 Мес; Кт-160а-062 - 688 Шт/6 Мес; Кт-163-022 - 320 Шт/6 Мес; Кт-166-017 - 700 Шт/6 Мес; Кт-191-014 - 640 Шт/6 Мес; Организация Военной Приемки Изделий На Территории Поставщика; Оснастка Поставщика

заказ 1643 (24.02.2014, Московская Область).Матрица Вытяжная Б8 Скачать Чертеж
материал: Поставщика
производственная Программа: 1 Шт
доп. Требования: Оплата По Факту Поставки (после Проверки Размеров)

заказ 1642 (24.02.2014, Московская Область).Матрица Вытяжная Б5 Скачать Чертеж
материал: Поставщика
производственная Программа: 1 Шт
доп. Требования: Оплата По Факту Поставки (после Проверки Размеров)

заказ 1641 (24.02.2014, Г. Санкт-петербург).Электрод Скачать Комплект Чертежей
материал: Заказчика
производственная Программа: Около 3 000 Шт/мес
доп. Требования: Объем Заказа До 1 000 000 Руб

заказ 1640 (24.02.2014, Г. Санкт-петербург).Бандажное Кольцо Скачать Чертеж
материал: Заказчика
производственная Программа: Разовый Заказ На 15 000 Шт (затем По 3 000 Шт/мес)
доп. Требования: Объем Заказа До 1 000 000 Руб

заказ 1639 (21.02.2014, Московская Область).Втулки Металлокерамические Скачать Комплект Чертежей
материал: Согласно Чертежу
производственная Программа: Перспектива Передачи Производственной Программы На 1 Год (возможно, На 3 Года)
Доп.требования: Количество Согласуется После Подтверждения Принципиальной Возможности И Предоставления Сроков И Стоимости Производства; Оснастка Поставщика; Объем Заказа Свыше 1 000 000 Руб

заказ 1638 (19.02.2014, Московская Область).Вал Скачать Чертеж И Фотографии (формат Zip)
материал: Д16т, Поставляет Поставщик
производственная Программа: Партия 600 Шт.
доп. Требования: См. Чертеж

заказ 1637 (17.02.2014, Г. Уфа).Вал Скачать Чертеж
материал: Сталь 40х Гост 4534-71, Поставляет Поставщик (предпочтительно)
оснастка: Поставщика
производственная Программа: 10 Шт./месяц
доп. Требования: См. Чертеж

заказ 1636 (14.02.2014, Московская Область).Штамповка Скачать Архив Чертежей (zip)
материал: Согласно Чертежа
оснастка: Поставщика
производственная Программа: 1000 Шт./год Каждого Наименования
доп. Требования: См. Чертеж

заказ 1635 (14.02.2014, Московская Область).Отливки Скачать Архив Чертежей (zip)
материал: Согласно Чертежа
оснастка: Поставщика
производственная Программа: 1000 Шт./год Каждого Наименования
дополнительные Требования: См. Чертеж

заказ 1634 (14.02.2014, Московская Область).Поковки Скачать Архив Чертежей (zip)
материал: Согласно Чертежа
оснастка: Поставщика
производственная Программа: 1000 Шт./год Каждого Наименования
допо. Требования: См. Чертеж

заказ 1633 (14.02.2014, Г. Ижевск).Корпус Скачать Чертеж
материал: Поставщика
оснастка: Поставщика
производственная Программа: 50 Шт./месяц
доп.требования: См. Чертеж

заказ 1632 (14.02.2014, Г. Ижевск).Крышка Скачать Чертеж
материал: Поставщика
оснастка: Поставщика
производственная Программа: 50 Шт./месяц
доп. Требования: См. Чертеж

заказ 1631 (12.02.2014, Г. Луганск).Изготовление Деталей Крупной Штамповки Скачать Чертеж
материал: По Договоренности
производственная Программа: 200-280 Комплектов
дополнительные Требования: См. Чертеж

заказ 1630 (12.02.2014, Г. Екатеринбург).ПланкаСкачать Чертеж
материал: Поставщика
производственная Программа: 2 Штуки, Разовый Заказ
дополнительные Требования: Точное Соответствие Чертежа

заказ 1629 (12.02.2014, Г. Чебоксары).Планка Скачать Чертеж
материал: Поставщика
производственная Программа: 100 Шт., Разовый Заказ
дополнительные Требования: Предложения С Указанием Цены И Сроков Направлять На E-mail Контактного Лица

заказ 1628 (12.02.2014, Г. Чебоксары).Планка Скачать Чертеж
материал: Поставщика
производственная Программа: 100 Шт., Разовый Заказ
дополнительные Требования: Предложения С Указанием Цены И Сроков Направлять На E-mail Контактного Лица

заказ 1627 (12.02.2014, Г. Чебоксары).Планка Скачать Чертеж
материал: Поставщика
производственная Программа: 100 Шт., Разовый Заказ
дополнительные Требования: Предложения С Указанием Цены И Сроков Направлять На E-mail Контактного Лица

заказ 1626 (12.02.2014, Г. Чебоксары).Планка Скачать Чертеж
поставщика
производственная Программа: 100 Шт., Разовый Заказ
дополнительные Требования: Предложения С Указанием Цены И Сроков Направлять На E-mail Контактного Лица

заказ 1625 (12.02.2014, Г. Чебоксары).Цанга Скачать Чертеж
поставщика
производственная Программа: 100 Шт., Разовый Заказ
дополнительные Требования: Предложения С Указанием Цены И Сроков Направлять На E-mail Контактного Лица

заказ 1624 (12.02.2014, Г. Чебоксары).Плита Скачать Комплект Чертежей
материал: Д16т, Поставщика
производственная Программа: В Спецификации, Разовый Заказ
дополнительные Требования: Предложения С Указанием Цены И Сроков Направлять На E-mail Контактного Лица

заказ 1623 (11.02.2014, Г. Пенза).Литье Металла, Отливка Крышки Скачать Комплект Чертежей
материал: Сталь 10 Гост1050-74, Материал Поставщика
производственная Программа: 300-400 Отливок В 1,5-2 Месяца

заказ 1622 (05.02.2014, Москва).Комплект Деталей (пластмасса) Скачать Комплект Чертежей
материал: Пластик Абс (поставщика)
производственная Программа: 500 Комплектов/мес
Дополнительные Требования: Спроектировать И Изготовить Прессформы, Дать Предложения По Ценам И Срокам Проектирования И Изготовления Прессформ, А Также По Стоимости И Срокам Изготовления Серийных Изделий; Чертежи И Образцы Деталей Могут Быть Представлены; Желательно Выполнение Заказа В Московском Регионе; Оснастка Заказчика, Спроектирована И Изготовлена Поставщиком

заказ 1621 (04.02.2014, Ярославская Обл., Г. Рыбинск).Комплект Деталей (16 Позиций) Скачать Комплект Чертежей
материал: См. Чертежи
производственная Программа: См. Названия Чертежей
Дополнительные Требования: Интересует Срок Изготовления Февраль-март.

заказ 1620 (04.02.2014, Ярославская Обл., Г. Углич).Стенка 745261.003 Скачать Чертеж
материал: Поставщика
производственная Программа: 24 Шт (разовый Заказ)
Дополнительные Требования: Объем Заказа До 300 000 Руб

заказ 1619 (04.02.2014, Ярославская Обл., Г. Углич).Конус 725163.001-01 Скачать Чертеж
материал: Поставщика
производственная Программа: 24 Шт (разовый Заказ)
Дополнительные Требования: Объем Заказа До 300 000 Руб

заказ 1618 (04.02.2014, Ярославская Обл., Г. Углич).Конус 725163.001 Скачать Чертеж
материал: Поставщика
производственная Программа: 24 Шт (разовый Заказ)
Дополнительные Требования: Объем Заказа До 300 000 Руб

заказ 1617 (04.02.2014, Ярославская Обл., Г. Углич).Обечайка 725142.008 Скачать Чертеж
материал: Поставщика
производственная Программа: 24 Шт (разовый Заказ)
Дополнительные Требования: Объем Заказа До 300 000 Руб

заказ 1616 (04.02.2014, Ярославская Обл., Г. Углич).Обечайка 725142.007 Скачать Чертеж
материал: Поставщика
производственная Программа: 24 Шт (разовый Заказ)
Дополнительные Требования: Объем Заказа До 300 000 Руб

заказ 1615 (04.02.2014, Ярославская Обл., Г. Углич).Обечайка 725142.004-04 Скачать Чертеж
материал: Поставщика
производственная Программа: 24 Шт (разовый Заказ)
Дополнительные Требования: Объем Заказа До 300 000 Руб

заказ 1614 (04.02.2014, Ярославская Обл., Г. Углич).Обечайка 725142.011 Скачать Чертеж
материал: Поставщика
производственная Программа: 24 Шт (разовый Заказ)
Дополнительные Требования: Объем Заказа До 300 000 Руб

заказ 1613 (04.02.2014, Ярославская Обл., Г. Углич).Обечайка 725142.010 Скачать Чертеж
материал: Поставщика
производственная Программа: 24 Шт (разовый Заказ)
Дополнительные Требования: Объем Заказа До 300 000 Руб

заказ 1612 (04.02.2014, Ярославская Обл., Г. Углич).Стенка 745261.004 Скачать Чертеж
материал: Поставщика
производственная Программа: 24 Шт (разовый Заказ)
Дополнительные Требования: Объем Заказа До 300 000 Руб

заказ 1611 (04.02.2014, Ярославская Обл., Г. Углич).Броня 741124.066 Скачать Чертеж
материал: Поставщика
производственная Программа: 48 Шт (разовый Заказ)
Дополнительные Требования: Объем Заказа До 300 000 Руб

заказ 1610 (04.02.2014, Ярославская Обл., Г. Углич).Броня 725163.003 Скачать Чертеж
материал: Поставщика
производственная Программа: 24 Шт (разовый Заказ)
Дополнительные Требования: Объем Заказа До 300 000 Руб

заказ 1609 (04.02.2014, Ярославская Обл., Г. Углич).Конус 725163.002 Скачать Чертеж
материал: Поставщика
производственная Программа: 24 Шт (разовый Заказ)
Дополнительные Требования: Объем Заказа До 300 000 Руб

заказ 1608 (04.02.2014, Ярославская Обл., Г. Углич).Обечайка 725142.009 Скачать Чертеж
материал: Поставщика
производственная Программа: 24 Шт (разовый Заказ)
Дополнительные Требования: Объем Заказа До 300 000 Руб

заказ 1607 (04.02.2014, Ярославская Обл., Г. Углич).Обечайка 725142.008-01 Скачать Чертеж
материал: Поставщика
производственная Программа: 24 Шт (разовый Заказ)
Дополнительные Требования: Объем Заказа До 300 000 Руб

заказ 1606 (04.02.2014, Ярославская Обл., Г. Углич).Обечайка 725142.007-01 Скачать Чертеж
материал: Поставщика
производственная Программа: 24 Шт (разовый Заказ)
Дополнительные Требования: Объем Заказа До 300 000 Руб

заказ 1605 (04.02.2014, Ярославская Обл., Г. Углич).Стенка 745261.002 Скачать Чертеж
материал: Поставщика
производственная Программа: 24 Шт (разовый Заказ)
Дополнительные Требования: Объем Заказа До 300 000 Руб

заказ 1604 (04.02.2014, Ярославская Обл., Г. Углич).Конус 725162.004 Скачать Чертеж
материал: Поставщика
производственная Программа: 24 Шт (разовый Заказ)
Дополнительные Требования: Объем Заказа До 300 000 Руб

заказ 1603 (04.02.2014, Ярославская Обл., Г. Углич).Обечайка 725142.006 Скачать Чертеж
материал: Поставщика
производственная Программа: 24 Шт (разовый Заказ)
Дополнительные Требования: Объем Заказа До 300 000 Руб

заказ 1602 (03.02.2014, Ярославская Обл., Г. Углич).Труба 747152.008 Скачать Чертеж
материал: Поставщика
производственная Программа: 320 Шт (разовый Заказ)
Дополнительные Требования: Объем Заказа До 300 000 Руб

заказ 1601 (03.02.2014, Ярославская Обл., Г. Углич).Труба 747152.005 Скачать Чертеж
материал: Поставщика
производственная Программа: 440 Шт (разовый Заказ)
Дополнительные Требования: Объем Заказа До 300 000 Руб

заказ 1600 (03.02.2014, Ярославская Обл., Г. Углич).Насадка 747111.004-01 Скачать Чертеж
материал: Поставщика
производственная Программа: 160 Шт (разовый Заказ)
Дополнительные Требования: Объем Заказа До 300 000 Руб

заказ 1599 (03.02.2014, Ярославская Обл., Г. Углич).Насадка 747111.004 Скачать Чертеж
материал: Поставщика
производственная Программа: 220 Шт (разовый Заказ)
Дополнительные Требования: Объем Заказа До 300 000 Руб

заказ 1598 (03.02.2014, Ярославская Обл., Г. Углич).Насадка 747111.003-01 Скачать Чертеж
материал: Поставщика
производственная Программа: 160 Шт (разовый Заказ)
Дополнительные Требования: Объем Заказа До 300 000 Руб

заказ 1597 (03.02.2014, Ярославская Обл., Г. Углич).Насадка 747111.003 Скачать Чертеж
материал: Поставщика
производственная Программа: 220 Шт (разовый Заказ)
Дополнительные Требования: Объем Заказа До 300 000 Руб

заказ 1596 (03.02.2014, Владимирская Область).Комплект Деталей (29 Позиций) Скачать Комплект Чертежей
материал: Поставщика
производственная Программа: 50 000 Шт/мес (всего Деталей)
Дополнительные Требования: Поставщик Владимирская Обл.; Объем Заказа До 300 000 Руб

заказ 1595 (31.01.2014, Московская Область).Штамповка Шестерней Скачать Комплект Чертежей
материал: 18х2н4ма
производственная Программа: Нш 39-004, Нш 39-003 По 50 Шт/мес Каждой Позиции
Дополнительные Требования: С Механической Обработкой

заказ 1594 (31.01.2014, Ярославская Обл., Г. Углич).Обечайка 725142.013 Скачать Чертеж
материал: Поставщика
производственная Программа: 40 Шт (разовый Заказ)
Дополнительные Требования: Объем Заказа До 300 000 Руб

заказ 1593 (31.01.2014, Ярославская Обл., Г. Углич).Обечайка 725142.014 Скачать Чертеж
материал: Поставщика
производственная Программа: 40 Шт (разовый Заказ)
Дополнительные Требования: Объем Заказа До 300 000 Руб

заказ 1592 (31.01.2014, Ярославская Обл., Г. Углич).Обечайка 725142.004-06 Скачать Чертеж
материал: Поставщика
производственная Программа: 40 Шт (разовый Заказ)
Дополнительные Требования: Объем Заказа До 300 000 Руб

заказ 1591 (31.01.2014, Ярославская Обл., Г. Углич).Обечайка 725142.004-05 Скачать Чертеж
материал: Поставщика
производственная Программа: 40 Шт (разовый Заказ)
Дополнительные Требования: Объем Заказа До 300 000 Руб

заказ 1590 (31.01.2014, Ярославская Обл., Г. Углич).Конус 725162.005 Скачать Чертеж
материал: Поставщика
производственная Программа: 40 Шт (разовый Заказ)
Дополнительные Требования: Объем Заказа До 300 000 Руб

заказ 1589 (31.01.2014, Ярославская Обл., Г. Углич).Конус 725162.006 Скачать Чертеж
материал: Поставщика
производственная Программа: 40 Шт (разовый Заказ)
Дополнительные Требования: Объем Заказа До 300 000 Руб

заказ 1588 (31.01.2014, Ярославская Обл., Г. Углич).Обечайка 725142.012-04 Скачать Чертеж
материал: Поставщика
производственная Программа: 40 Шт (разовый Заказ)
Дополнительные Требования: Объем Заказа До 300 000 Руб

заказ 1587 (31.01.2014, Ярославская Обл., Г. Углич).Обечайка 725142.012-01 Скачать Чертеж
материал: Поставщика
производственная Программа: 40 Шт (разовый Заказ)
Дополнительные Требования: Объем Заказа До 300 000 Руб

заказ 1586 (31.01.2014, Ярославская Обл., Г. Углич).Обечайка 725142.012 Скачать Чертеж
материал: Поставщика
производственная Программа: 40 Шт (разовый Заказ)
Дополнительные Требования: Объем Заказа До 300 000 Руб

заказ 1585 (30.01.2014, Удмуртия, Г. Ижевск).Винт М4х28-61 Ост92-0760-72
материал: Поставщика
Оснастка: Поставщика
производственная Программа: 6 Шт

заказ 1584 (30.01.2014, Удмуртия, Г. Ижевск).Винт М4х18-61 Ост92-0760-72
материал: Поставщика
Оснастка: Поставщика
производственная Программа: 126 Шт

заказ 1583 (30.01.2014, Удмуртия, Г. Ижевск).Винт М4х14-61 Ост92-0760-72
материал: Поставщика
Оснастка: Поставщика
производственная Программа: 12 Шт

заказ 1582 (30.01.2014, Удмуртия, Г. Ижевск).Винт М4х12-61 Ост92-0760-72
материал: Поставщика
Оснастка: Поставщика
производственная Программа: 261 Шт

заказ 1581 (30.01.2014, Удмуртия, Г. Ижевск).Винт М4х10-61 Ост92-0760-72
материал: Поставщика
Оснастка: Поставщика
производственная Программа: 18 Шт

заказ 1580 (30.01.2014, Удмуртия, Г. Ижевск).Винт М4х8-61 Ост92-0760-72
материал: Поставщика
Оснастка: Поставщика
производственная Программа: 20 Шт

заказ 1579 (30.01.2014, Удмуртия, Г. Ижевск).Винт М4х8-61 Ост92-0755-72
материал: Поставщика
Оснастка: Поставщика
производственная Программа: 36 Шт

заказ 1578 (29.01.2014, Тульская Область).Изложница
материал: Сталь 3, Материал Круг 90 Поставляет По Согласованию Либо Заказчик, Либо Поставщик
Производственная Программа: 200 Шт., Разовый Заказ
дополнительные Требования: Конусная Выборка На Станках С Чпу

заказ 1577 (29.01.2014, Г.волжский).Пресс-форма Для Компрессионной Вулканизации. Скачать Чертеж
материал: Сталь 40х, Поставщика
Оснастка: Поставщика
производственная Программа: 1 Шт., Разовый Заказ
дополнительные Требования: Состоит Из Матрицы И Пуансона.
дополнительные Условия: Оплата Только После Приёмки Изделия
цена: Комплект - Не Более 16000 Рублей

заказ 1576 (29.01.2014, Г.волжский).Пресс-форма Для Компрессионной Вулканизации. Скачать Чертеж
материал: Сталь 40х, Поставщика
Оснастка: Поставщика
производственная Программа: 1 Шт., Разовый Заказ
дополнительные Требования: Состоит Из Матрицы И Пуансона.
дополнительные Условия: Оплата Только После Приёмки Изделия
цена: Комплект - Не Более 16000 Рублей

заказ 1575 (29.01.2014, Г. Тула).Холодная Штамповка Металлических Изделий - Стакан
материал: Сталь 12x18h10t, Заказчика
Оснастка: Заказчика
производственная Программа: 720 Шт., Разовый Заказ

заказ 1574 (28.01.2014, Г. Рыбинск).Литье Металла По Выплавляемым Моделям - Патрубок Скачать Чертеж
материал: Сталь 45л, Поставщика
Оснастка: Поставщика
производственная Программа: 100 Шт./месяц
дополнительные Требования: Масса Изделия 0,4 Кг

заказ 1573 (28.01.2014, Г. Рыбинск).Литье Металла По Выплавляемым Моделям - Планка Скачать Чертеж
материал: Сталь 45л, Поставщика
Оснастка: Поставщика
производственная Программа: 500 Шт./месяц
дополнительные Требования: Масса Изделия 0,14 Кг

заказ 1572 (28.01.2014, Г. Рыбинск).Литье Металла По Выплавляемым Моделям - Крышка Скачать Чертеж
материал: Сталь 45л, Поставщика
Оснастка: Поставщика
производственная Программа: 900 Шт./месяц
дополнительные Требования: Масса Изделия 0,23 Кг

заказ 1571 (28.01.2014, Г. Рыбинск).Литье Металла По Выплавляемым Моделям - Корпус Скачать Чертеж
материал: Сталь 45л, Поставщика
Оснастка: Поставщика
производственная Программа: 900 Шт./месяц
дополнительные Требования: Масса Изделия 0,26 Кг

заказ 1570 (27.01.2014, Г. Балашиха).Изготовление Изделий Согласно Производственной Программы Скачать Чертеж
материал: Поставщика
Оснастка: Поставщика
производственная Программа:
вкладыш 1.7602.7610.015.003 - 20 Шт.
вкладыш 1.7602.7610.015.006 - 20 Шт.
вкладыш 1.7602.7610.015.007 - 20 Шт.
вкладыш 1.7602.7610.015.015 - 20 Шт.
дополнительные Требования: Чертеж

заказ 1569 (27.01.2014, Г. Балашиха).Плиты Титановые
материал: Пт-3в
Оснастка: Поставщика
производственная Программа: Плита 30x1000x2000 (m=500 Кг) - 1 Шт.
плита 60x1000x2000 (m=500 Кг) - 1 Шт.
плита 90x1000x2000 (m=1500 Кг) - 1 Шт.

заказ 1568 (21.01.2014, Г. Челябинск).Сварная Станина Электродвигателя И Подшипниковые Щиты Скачать Чертеж
материал: Поставщика
Оснастка: Поставщика
производственная Программа: 3 Шт. (производственная Программа До 20 Шт./год)
дополнительные Требования: Чертеж

заказ 1567 (20.01.2014, Г. Свердловск).Изготовление Упора Скачать Чертеж
материал: Поставщика
Оснастка: Не Требуется
производственная Программа: Разовый Заказ
дополнительные Требования: Чертеж

заказ 1566 (20.01.2014, Г. Свердловск).Изготовление Хвостовика Скачать Чертеж
материал: Поставщика
Оснастка: Не Требуется
производственная Программа: Разовый Заказ
дополнительные Требования: Чертеж

заказ 1565 (20.01.2014, Г. Свердловск).Изготовление Пуонсона Скачать Чертеж
материал: Поставщика
Оснастка: Не Требуется
производственная Программа: Разовый Заказ
дополнительные Требования: Чертеж

заказ 1564 (20.01.2014, Г. Свердловск).Изготовление Изделий По Гост
материал: Поставщика
Оснастка: Не Требуется
производственная Программа:
штифт 8х40 Гост 3128-70 - 20 Шт.
штифт 10х60 Гост 3128-70 -20 Шт.
штифт 12х60 Гост 3128-70 - 20 Шт.
штифт 12х80 Гост 3128-70 - 20 Шт.
дополнительные Требования: Нет

заказ 1563 (20.01.2014, Г. Свердловск).Изготовление Изделий По Гост
материал: Поставщика
Оснастка: Не Требуется
производственная Программа:
хвостовик 1034-0623 Гост 16715-71 - 20 Шт.
дополнительные Требования: Нет

заказ 1562 (20.01.2014, Г. Свердловск).Изготовление Изделий По Гост
материал: Поставщика
Оснастка: Не Требуется
производственная Программа:
узел Шариковый 1030-6305 Гост 14676-83 - 10 Шт.,
1030-6390 Гост 14676-83 - 10 Шт.
1030-6391 Гост 14676-83 -10 Шт.
дополнительные Требования: Нет

заказ 1561 (20.01.2014, Г. Свердловск).Изготовление Изделий По Гост
материал: Поставщика
Оснастка: Не Требуется
производственная Программа:
пробка 7009-0241 Гост 12202-66, Количество - 20 Шт.
толкатель 1041-1842/126 Гост 18780, Количество - 10 Шт.
толкатель 1041-1842/71, Количество - 40 Шт.
дополнительные Требования: Нет

заказ 1560 (20.01.2014, Г. Ижевск).Изготовление Фиксатора Скачать Чертеж
материал: Поставщика/заказчика
производственная Программа: Разовый Заказ
дополнительные Требования: Ту1595-008-00188162-96

заказ 1559 (20.01.2014, Г. Ижевск).Изготовление Тигеля Скачать Чертеж
материал: Поставщика/заказчика
производственная Программа: Разовый Заказ
дополнительные Требования: Керамика Квпт Ту1595-008-001881162-96


Рассылка
производственных
заказов



Архив производственных заказов за 2019 - 2020 годы.


Ярославский центр субконтрактации
150000, Ярославль, ул. Свободы, 62
Телефоны: (4852) 21-85-24, 45-80-57 | subcontr@yartpp.ru

© ЯрТПП, 2005 — 2026