Ярославский центр производственной кооперации и субконтрактации

яртпп

Производственные заказы

— Как получить контактную информацию по данным заказам?

Контактная информация заказчиков доступна только подписчикам.
Подписка на рассылку производственных заказов — платная услуга, 1000 руб. в месяц (с 1 мая 2017 года.) Все заказы в день поступления высылаются на эл. почту подписчика. Рассылается сам заказ, контактная информация и чертежи.

Телефон: (4852) 21-85-24, 45-80-57, E-mail: subcontr@yartpp.ru

 

— Как разместить свой производственный заказ на изготовление деталей, узлов, запчастей и комплектующих?

Воспользоваться бланком размещения заказа.


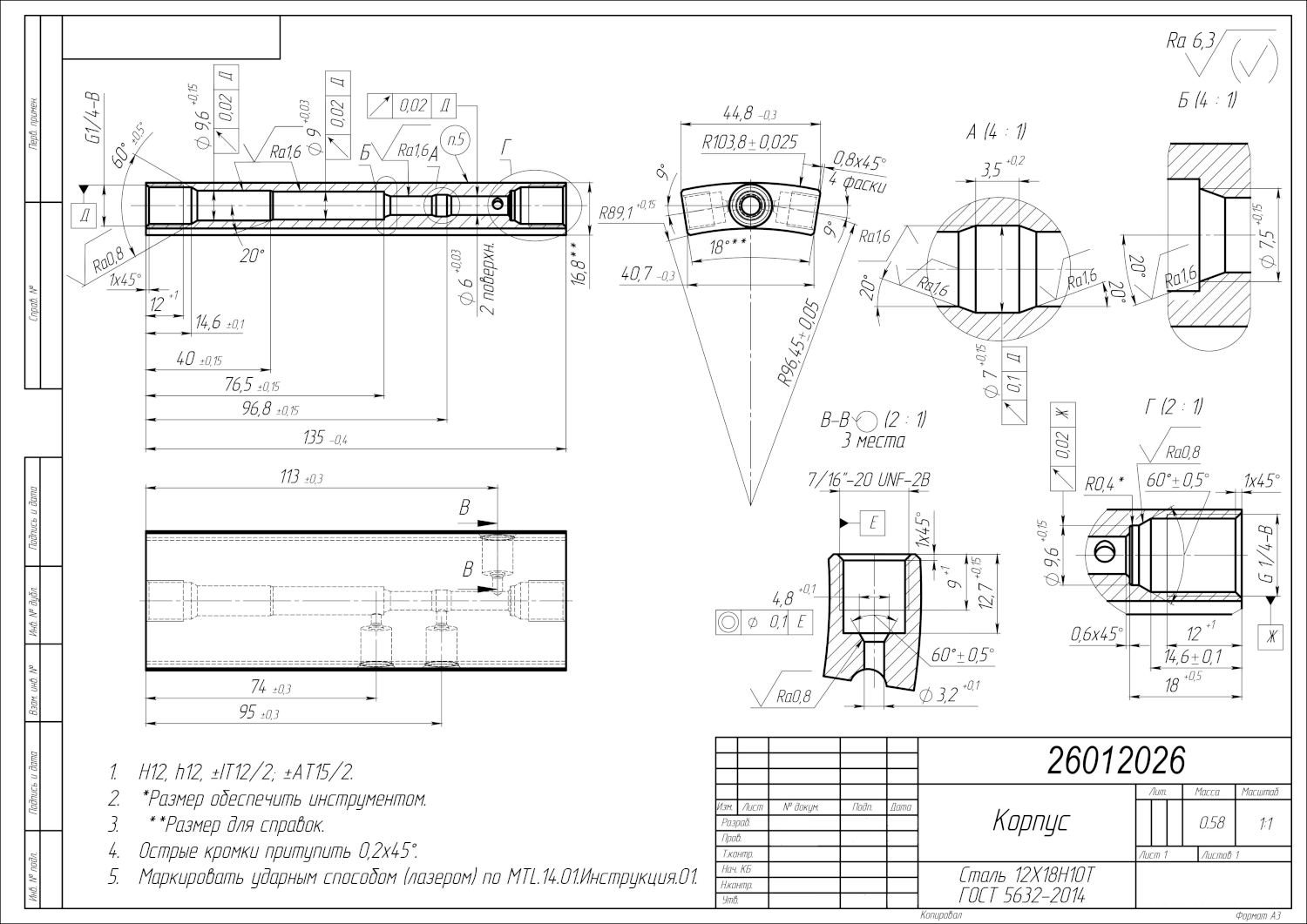
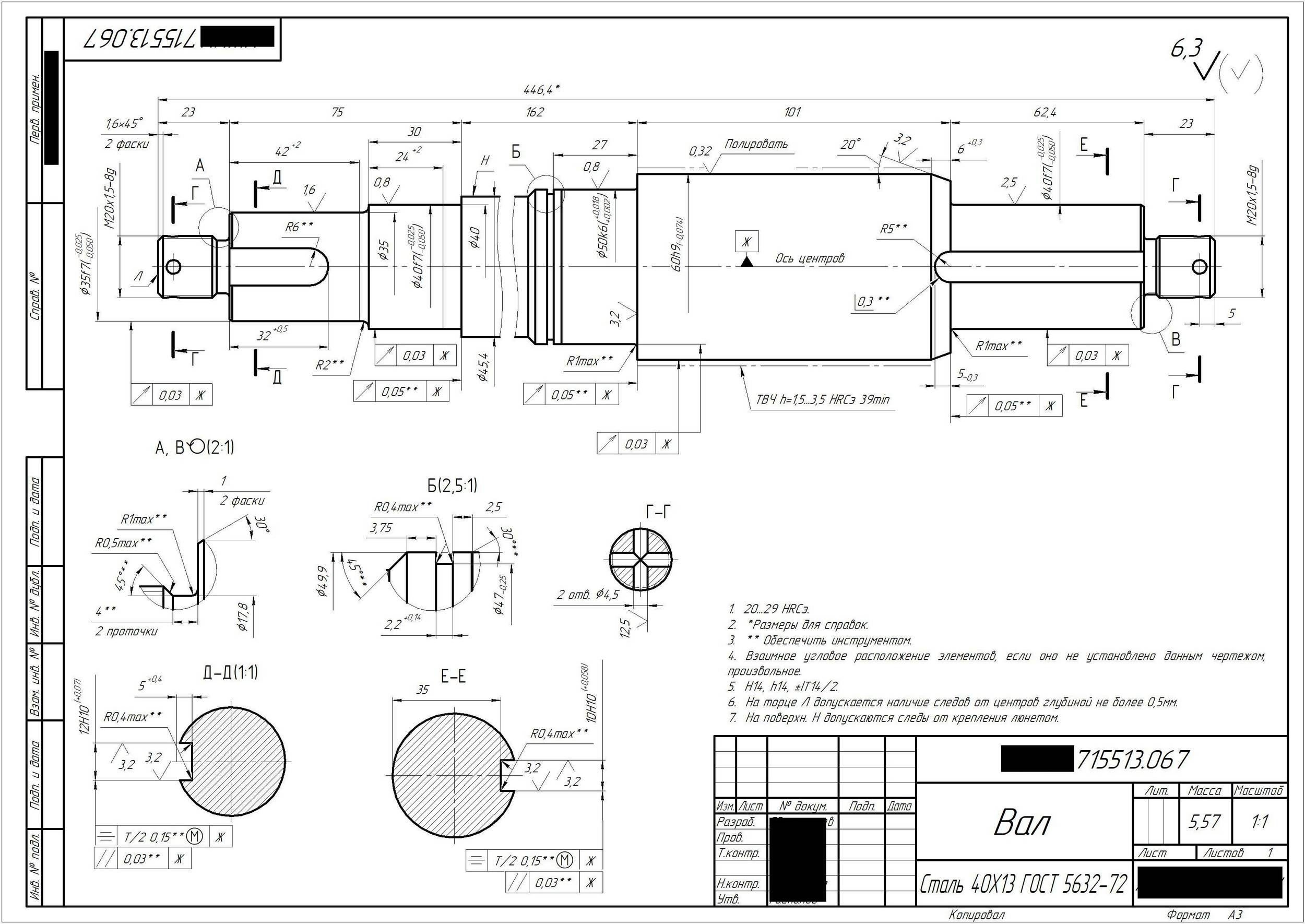
Заказ 3706 (5.12.2025, Санкт-Петербург). Вал для пакетоделательной машины. Скачать чертежи (файл pdf).
Производственная программа: 1 шт.
Доп.требования: Вал стальной, согласно чертежа. сталь 45. При необходимости предоставлю фото, доп. информацию. связь желательно через почту. Способ доставки - Самостоятельно. Адрес доставки - г Санкт-Петербург, Калининский р-н, ул Чугунная, д 2 литера Т

Заказ 3705 (3.12.2025, Москва.). Диск клапана. Скачать чертежи (файл pdf).
Производственная программа: 200 шт. раз в месяц
Доп.требования: полное изготовление по КД. Способ доставки - Транспортной компанией. Адрес доставки - Московская обл, г Дубна, ул Дружбы, д 13

Заказ 3704 (3.12.2025, Свердловская обл.). Изготовление деталей по чертежам. Скачать чертежи (файл pdf).
Производственная программа: 100 шт. раз в квартал
Доп.требования: 100 комплектов. Способ доставки - Самостоятельно. Адрес доставки - Россия, Свердловская обл, г Екатеринбург, Орджоникидзевский р-н, ул Фронтовых бригад, д 22

Заказ 3703 (2.12.2025, Удмуртская Республика). Венец поворота ПК Альбатрос. Скачать чертежи (файл jpg).
Производственная программа: 1 шт. раз в год.
Доп.требования: Изготовление зубчатого венца. Способ доставки - Транспортной компанией. Адрес доставки - Респ Башкортостан, г Нефтекамск

Заказ 3702 (2.12.2025, Свердловская обл.). Изготовление деталей по чертежам (шайба и кольцо). Скачать чертежи (файл pdf).
Производственная программа: 200 шт. раз в квартал
Доп.требования: Потребность квартальная до 200 комплектов. Способ доставки - Самостоятельно. Адрес доставки - Россия, Свердловская обл, г Екатеринбург, Орджоникидзевский р-н, ул Фронтовых бригад, д 22

Заказ 3701 (2.12.2025, Свердловская обл.). Изготовление деталей по чертежам (набор осей). Скачать чертежи (файл pdf).
Производственная программа: 600 шт. раз в квартал
Доп.требования: Потребность квартальная. Набор осей до 600 комплектов. Способ доставки - Самостоятельно. Адрес доставки - Россия, Свердловская обл, г Екатеринбург, Орджоникидзевский р-н, ул Фронтовых бригад, д 22

Заказ 3700 (2.12.2025, Ивановская область). Фланец. Скачать чертежи (файл jpeg).
Производственная программа: 1 шт.
Доп.требования: Полное изготовление. Способ доставки - Транспортной компанией. Адрес доставки - Ивановская обл, г Иваново, пр-кт Строителей, д 4.

Заказ 3699 (20.11.2025, Москва). Пресс-форма 6573-069. Скачать чертежи (файл zip).
Производственная программа: 20 шт.
Доп.требования: Способ доставки - Транспортной компанией. Адрес доставки - г Москва, р-н Соколиная Гора, проезд Энтузиастов, д 15 к 67.

Заказ 3698 (20.11.2025, Москва). Плита верхней обшивки. Скачать чертежи (файл zip).
Производственная программа: 1 шт.
Доп.требования: Способ доставки - Транспортной компанией. Адрес доставки - г Москва, р-н Соколиная Гора, проезд Энтузиастов, д 15 к 67.

Заказ 3697 (20.11.2025, Москва). Крышка. Скачать чертежи (файл pdf).
Производственная программа: 100 шт.
Доп.требования: Способ доставки - Транспортной компанией. Адрес доставки - г Москва, р-н Соколиная Гора, проезд Энтузиастов, д 15 к 67.

Заказ 3696 (17.11.2025, Воронежская область). Металлический контейнер для кухни самолета. Скачать чертежи (файл zip).
Доп.требования: нужно изготовить Металлический Контейнер (будет установлен в кухне самолета). Кол-во - 1 шт. Материалы ваши. Срок ориентировочно 1 месяц. Проходной цены нет. Сбор КП до: 22.11.25.

Заказ 3695 (14.11.2025, Воронежская область). Изготовление пружин из ленты. Скачать чертежи (файл pdf).
Доп.требования: Нужно изготовить Пружины ВА20.01.0152.02 - 100 шт. Чертеж во вложении. Материалы Ваши. Срок 1 месяц. Проходной цены нет. Сбор КП до: 20.11.25.

Заказ 3694 (14.11.2025, Республика Татарстан). Сопло. Скачать чертежи (файл pdf).
Производственная программа: 100 in.
Доп.требования: Способ доставки - Транспортной компанией. Адрес доставки - Респ Татарстан, Альметьевский р-н, г Альметьевск.

Заказ 3693 (14.11.2025, г Санкт-Петербург). Узел ввода вала оснастки ВРЛМ.681321.014. Скачать чертежи (файл zip).
Материалы: 14Х17Н2/БрАЖ9-4 /Фторопласт-4 ПН.
Доп.требования: Предлагаем рассмотреть возможность изготовления: Узел ввода вала оснастки ВРЛМ.681321.014 Количество: 3 штуки. Габариты: 283х112. Желаемый срок поставки: 30.01.2026. Подробнее с чертежами и 3D-моделями можно ознакомится по ссылке: https://drive.google.com/drive/folders/1JTYWvAxz3ogdcNGBQ2H28WM8Sc7gzpdL?usp=drive_link. Способ доставки - Транспортной компанией. Адрес доставки - Россия, г Санкт-Петербург, Выборгский р-н, пр-кт Энгельса, д 27 литера Р, помещ 1-Н.

Заказ 3692 (11.11.2025, Кемеровская область). Изготовить Торсионные валы с упором в сборе. Скачать чертежи (файл zip).
Производственная программа: 10 шт. раз в квартал.
Доп.требования: Просим Вас дать предложение на изготовление деталей по чертежам: Вал торсионный БЛЗ-202 в сборе с Упором сферическим БЛЗ-202 в количестве 10шт. Условия: Работаем по договору поставки с НДС. Поставки в г.Кемерово ТК ЖДЭ. Поставщик упаковывает, доставляет до ТК за свой счёт. Покупатель оплачивает услуги ТК. 50% предоплата, остальные 50% в течении 3 рабочих дней, после приёмки в ТК и проверки по качеству на складе Покупателя.

Заказ 3691 (06.11.2025, г. Москва). Нанесение твердого анодного покрытия на детали Рамы силовой. Скачать чертежи (файл zip).
Доп.требования: Нанесение твердого анодного покрытия на детали Рамы силовой ВШАЕ.301568.023. Детали рамы предоставим. Чертежи во вложении. Сбор КП до: 10.11.25.

Заказ 3690 (06.11.2025, г. Москва). Заказ на изготовление деталей ВШАЕ на Барокамеру по чертежам. Скачать чертежи (файл xlx).
Заказ детали ВШАЕ на Барокамеру. Чертежи по ссылке: https://disk.yandex.ru/d/iJq1hNaiJHyC5g. Срок выполнения заказа - ноябрь 2025г. Сбор КП до: 13.11.25.

Заказ 3689 (06.11.2025, Нижегородская область). Изготовление деталей по чертежам. Скачать чертежи (файл png).
Производственная программа: 1 шт.
Доп.требования: Конус под цангу. Способ доставки - Транспортной компанией. Адрес доставки - Нижегородская обл, г Арзамас.

Заказ 3688 (31.10.2025, г Москва). Услуги по нанесению гальванического покрытия. Скачать чертежи (файл zip).
Доп.требования: Прошу Вас рассмотреть возможность произвести анодирование алюминиевых корпусов уличной урны в количестве 2шт. (с последующим заключением договора до 3000шт. в 2026г.), Цвет - бронза С32 (согласно палитре анодирования EURAS). Однако возможно согласование оттенка. Примерные размеры корпуса: Высота: 820 мм; Ширина: 480 мм; Толщина: 230 мм.

Заказ 3687 (30.10.2025, Воронежская область). Изготовление труб из АМг2 40х1, Труба 6х1-АМг2, гибка. Скачать чертежи (файл zip).
Производственная программа: 15 шт.
Доп.требования: Изготовление труб из АМг2 40х1, Труба 6х1-АМг2, гибка. Способ доставки - Транспортной компанией. Адрес доставки - Россия, г Санкт-Петербург, г Кронштадт, Кронштадтский р-н, ул Макаровская, д 2 литера М.

Заказ 3686 (29.10.2025, Воронежская область). Возможность изготовления Поддона в сб. СРОЧНАЯ. Скачать чертежи (файл zip).
Доп.требования: Надо изготовить Поддон в сборе BA74.46.7582.300.130СБ - 1 шт. (во вложении). Позиция горит. Мы готовы предоставить материалы для изготовления. Рассмотрите, пожалуйста в кротчайшие сроки. Мы готовы заплатить хорошую цену за срочное изготовление. Сбор КП до: 01.11.25.

Заказ 3685 (27.10.2025, Нижегородская область). Изготовление комплекта деталей. Скачать чертежи (файл zip).
Производственная программа: 2 шт.
Доп.требования: изготовить комплект деталей. Способ доставки - Самостоятельно. Адрес доставки - Россия, Нижегородская обл, г Нижний Новгород.

Заказ 3684 (27.10.2025, Воронежская область). Изготовление деталей по чертежам. Скачать чертежи (файл pdf).
Производственная программа: 100 шт. раз в квартал.
Доп.требования: Изготовление партии деталей 100 штук раз в квартал. (Отступление от КД прошу уточнять у заказчика). Способ доставки - Самостоятельно. Адрес доставки - Россия, Свердловская обл, г Екатеринбург, Орджоникидзевский р-н, ул Фронтовых бригад, д 22.

Заказ 3683 (27.10.2025, Республика Татарстан). Гидромотор. Скачать чертежи (файл zip).
Производственная программа: 2 шт. раз в месяц.
Доп.требования: Требуется изготовление 2-х образцов с дальнейшим серийным производством, Рассматривается китайское изготовление. По вопросам писать в ватсап. Способ доставки - Самостоятельно. Адрес доставки - Респ Татарстан, Альметьевский р-н, г Альметьевск.

Заказ 3682 (27.10.2025, г Москва). 3Д ПЕЧАТЬ. Скачать чертежи (файл docx).
Материал: Poliamid 2200
Доп.требования: изготовление пробного комплекта деталей согласно приложению. В приложении краткое ТЗ, (вышлю дополнительно фото продукта, КД и модели). В ТЗ изложена технология, которая применяется сейчас. Готовы рассмотреть другие более технологичные варианты изготовления.

Заказ 3681 (23.10.2025, г Санкт-Петербург). Нож. Скачать чертежи (файл zip).
Производственная программа: 2 шт.
Доп.требования: Предлагаем рассмотреть возможность изготовления позиции Нож ВРЛМ.614264.001 в количестве 2 шт. Желаемый срок поставки: 15.12.2025.Подробнее с чертежами и 3D-моделями можно ознакомиться по ссылке: https://drive.google.com/drive/folders/1oPdXF8a5dMXnhfRX66q-unO5-TeplYF7?usp=sharing. Способ оплаты: Постоплата – оплата по факту исполнения обязательств по заказу. Сбор КП до: 01.12.25

Заказ 3680 (14.10.2025, Саратовская обл.). Окрасочно-сушильная камера. Скачать чертежи (файл zip).
Производственная программа: 1 шт.
Доп.требования: Требуется цена на изготовление и монтаж окрасочно-сушильной камеры для окраски металлических изделий. Просьба предложения направлять на почту. Способ доставки - Самостоятельно. Адрес доставки - Саратовская обл, г Энгельс, пр-кт Химиков, д 1.

Заказ 3679 (24.09.2025, Московская обл.). Кронштейн крепления секции. Скачать чертежи (файл zip).
Производственная программа:300 шт. раз в квартал.
Доп.требования: Кронштейн крепления секции состоит из 2х деталей материал оцинкованная сталь 1мм. кол-во 300шт/в квартал, проходная цена 70,20руб с НДС 20%/комплект (планка1 и планка 2). Способ доставки - Транспортной компанией. Адрес доставки - Московская обл., г Истра, пгт Снегири, ул Станционная, зд 1А.

Заказ 3678 (24.09.2025, Московская обл.). Стартовый профиль ММЧ. Скачать чертежи (файл zip).
Производственная программа:300 шт. раз в месяц.
Доп.требования: Стартовый профиль ММЧ. материал оцинкованная сталь 1,5мм, допуски на размер +- 0.1 мм.. По длинне 1.0 мм. проходная цена 440руб с НДС 20%/шт. требуется 2 образца. Способ доставки - Транспортной компанией. Адрес доставки - Московская обл., г Истра, пгт Снегири, ул Станционная, зд 1А.

Заказ 3677 (24.09.2025, Московская обл.). Кронштейн для вентпланки. Скачать чертежи (файл pdf).
Производственная программа: 200 шт. раз в квартал.
Доп.требования: Кронштейн для вентпланки оцинковка 2мм, проходная цена 14,9руб с НДС 20%/шт. условия оплаты 20% – авансовый платеж после заключения договора; • 20% – платеж перед отгрузкой; • 60% – равными долями в течение трех недель после отгрузки и подписания акта приема-передачи (по 20% еженедельно предложения высылать на эл почту). Способ доставки - Транспортной компанией. Адрес доставки - Московская обл, г Истра, пгт Снегири, ул Станционная, зд 1А.

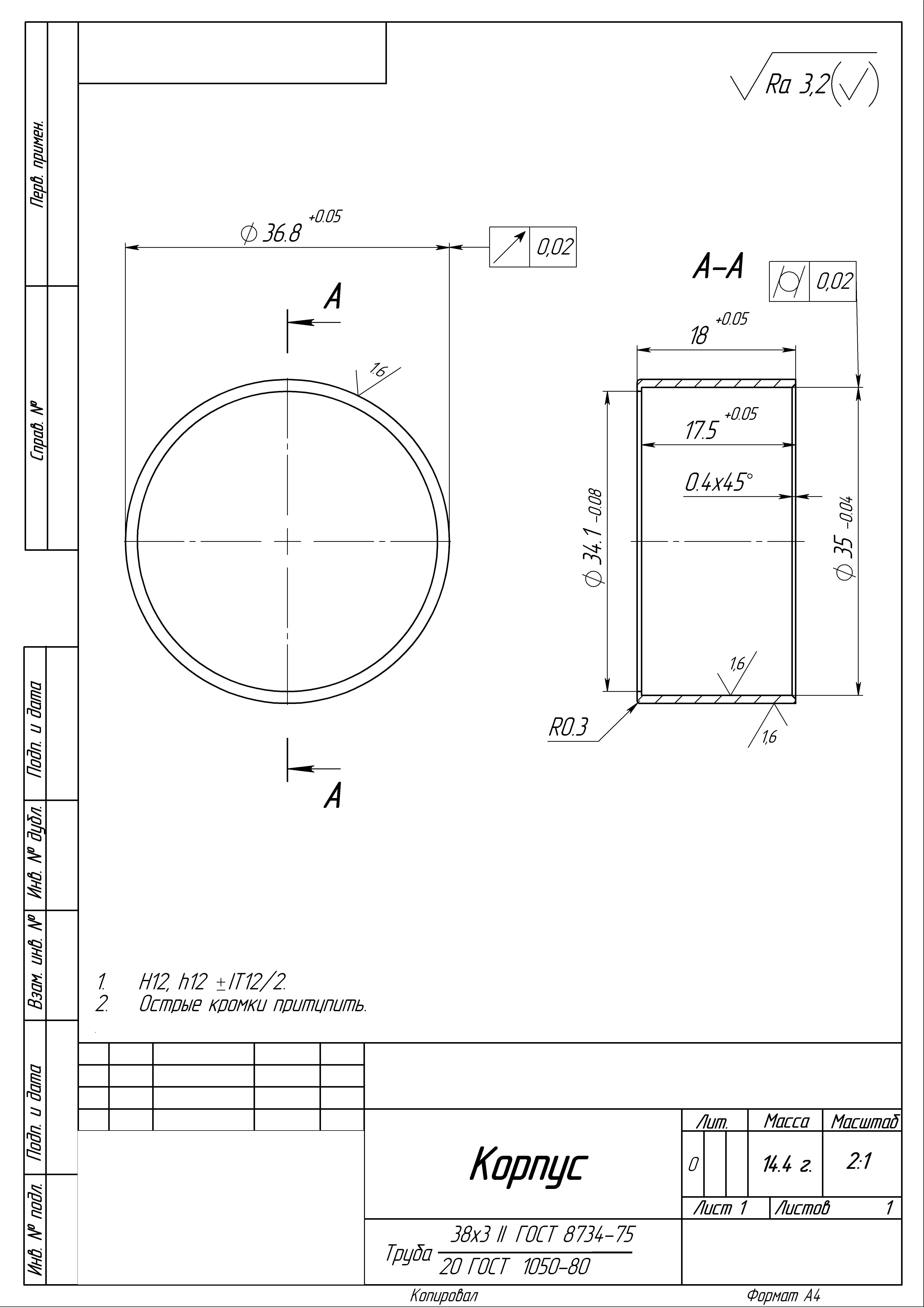
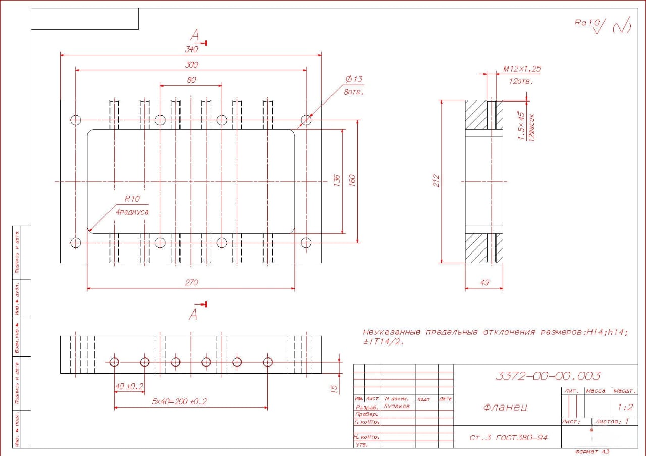
Заказ 3676 (24.09.2025, Ивановская обл.). Корпус. Скачать чертежи (файл zip).
Производственная программа: 160 шт.
Доп.требования: Добрый день нужно полное изготовление деталей "Корпус" и "Фланец". Способ доставки - Транспортной компанией. Адрес доставки - Ивановская обл., г Иваново, пр-кт Строителей, д 4.

Заказ 3675 (24.09.2025, Нижегородская обл.). Изготовление шестерен по чертежам. Скачать чертежи (файл zip).
Доп.требования: Добрый день. Интересует изготовление шестерен по чертежам во вложении: - шестерня m=10 Z=17 (Р-8639-1-19) - 2 шт. - шестерня m=10 Z=38 (Р-8639-1-9) - 2 шт. - шестерня составная m=10 z=86 (Р-8639-1-12 СБ - Ступица + Р-8639-1-13 - Венец) - 2 шт. Все, кроме Венца, из стали 12Х18Н10Т. Венец из бронзы БрАЖ9-4. Способ доставки - Транспортной компанией. Адрес доставки - Нижегородская обл, г Дзержинск, Речное шоссе, д 3.

Заказ 3674 (24.09.2025, Респ. Татарстан). Клеть в сборе. Скачать чертежи (файл png).
Производственная программа: 2 шт. раз в год.
Доп.требования: Интересует изготовление данного изделия (литье). Ждем предложений, пишите только Ватсап! Чертежи направлю. Способ доставки - Транспортной компанией. Адрес доставки - Респ Татарстан, Альметьевский р-н, г Альметьевск.

Заказ 3673 (23.09.2025, Воронежская область). Центрифуга. Скачать чертежи (файл zip).
Производственная программа: 300 шт.
Доп.требования: Предлагаем рассмотреть возможность изготовления центрифуги. Способ доставки - Транспортной компанией. Адрес доставки - Воронежская обл., г Воронеж.

Заказ 3672 (23.09.2025, г Санкт-Петербург). Панели. Скачать чертежи (файл zip).
Материал: Д16.
Доп.требования: Предлагаем рассмотреть возможность изготовления: Панель корпуса боковая ВРЛМ.442352.025.001 (2 шт.); Панель корпуса задняя ВРЛМ.442352.025.002 (1 шт.); Панель корпуса передняя ВРЛМ.442352.025.003 (1 шт.); Панель корпуса нижняя ВРЛМ.442352.025.004 (1 шт.); Панель защитная ВРЛМ.442352.025.007 (1 шт.); Панель защитная верхняя ВРЛМ.442352.025.010 (1 шт.). Желаемый срок поставки: 03.10.2025. Подробнее с чертежами, можно ознакомится по ссылке: https://drive.google.com/drive/folders/1i0wTquY_m7fL9ILAj27MH7A_AbBnqPWn?usp=sharing. Способ оплаты: Постоплата – оплата по факту исполнения обязательств по заказу. Сбор КП до: 01.10.25.

Заказ 3671 (18.09.2025, Нижегородская область). Изготовление фланцев по чертежам. Скачать чертежи (файл zip).
Производственная программа: каждого вида по 2 штуке. ( всего 6 фланцев).
Доп.требования: Интересует изготовление фланцев по чертежам. Каждого вида по 2 штуке. ( всего 6 фланцев). Интересует стоимость и сроки изготовления. Хочется побыстрее. Способ доставки - Транспортной компанией. Адрес доставки - Нижегородская обл, г Дзержинск, Речное шоссе, д 3.

Заказ 3670 (18.09.2025, Нижегородская область). Пресс-форма для прессования порошков железа. Скачать чертежи (файл zip).
Производственная программа: 6 шт. раз в квартал.
Доп.требования: Необходимо изготовить пресс-форму для прессования порошков железа, согласно прилагаемого эскиза. Способ доставки - Транспортной компанией. Адрес доставки - Нижегородская обл, г Дзержинск, Восточное шоссе, д 119Ж.

Заказ 3669 (16.09.2025, г Санкт-Петербург). Нейтрализатор. Скачать чертежи (файл zip).
Производственная программа: 2 шт.
Доп.требования: Предлагаем рассмотреть возможность изготовления Нейтрализатор ВРЛМ.681321.017. Количество: 2 шт. Материал: 08Х18Н10Т/12Х18Н10Т/aisi 304. В данных установках нам важно, чтобы были соблюдены требования к швам и проведены испытания на герметичность, указанные в КД. Подробнее с чертежами можно ознакомится по ссылке: https://drive.google.com/drive/folders/1_pZb2c-VRSiRgFjEghBNfuHYuPtslrqK?usp=sharing. Сбор КП до: 07.11.25.

Заказ 3668 (10.09.2025, Оренбургская область). Изготовление конуса. Скачать чертежи (файл pdf).
Производственная программа: 8500 шт.
Доп.требования: Прошу рассмотреть возможность изготовления детали(8500 шт) и дать КП с указанием сроков. Сбор КП до: 17.09.25.

Заказ 3667 (10.09.2025, г Санкт-Петербург). Кассеты. Скачать чертежи (файл zip).
Производственная программа: 77 шт.
Доп.требования: Предлагаем рассмотреть возможность фрезерования (доработки) имеющихся кассет ВРЛМ.296225.034. Материал: давальческий графит ЭГО. Количество: 77 шт. Чертеж итогового изделия: ВРЛМ.296225.034. Эскиз имеющихся кассет представлен в документах к заявке. Сбор КП до: 15.09.25.

Заказ 3666 (08.09.2025, Московская область). Ищем партнера для изготовления деталей для ремонта оборудования. Заказы единичные или малосерийные. Скачать чертежи (файл zip).
Доп.требования: Чертежи и оригиналы деталей имеем, для идентификации. Некоторые чертежи деталей выкладываем для ознакомления. Сбор КП до: 12.09.25.

Заказ 3665 (04.09.2025, Воронежская область). Зубодолбежная обработка Скачать чертежи (файл pdf).
Производственная программа: Предполагаемое количество первой партии в районе 10 штук.
Доп.требования: Прошу рассмотреть возможность обработки зуба согласно прилагаемому чертежу, твердость заготовки под обработку 28...34 HRc. Предполагаемое количество первой партии в районе 10 штук. Зеленым выделил места на которые необходимо обратить внимание. Ответной части для проверки посадочных размеров у нас нет. Сбор КП до: 11.09.25.

Заказ 3664 (29.08.2025, Саратовская область). Корпус МБГР Скачать чертежи (файл pdf).
Производственная программа: 1000 шт. раз в месяц.
Доп.требования: Услуги по литью чугуна, с пролитыми каналами из чугуна ВЧ60, точность отливки не обсуждается. Способ доставки - Транспортной компанией. Адрес доставки - Саратовская обл., г Саратов, Октябрьский р-н, ул. им Чернышевского Н.Г., д 109.

Заказ 3663 (27.08.2025, Самарская область). Требуется изготовление 4х экземпляров Скачать чертежи (файл png).
Производственная программа: 10 шт.
Доп.требования: Предлагаем рассмотреть возможность изготовления позиции "Рычаг 1702613-10". Количество: 10 шт. Материал: ВЧ 60 ГОСТ 7293-85. Желаемый срок поставки: 30.09.2025. Подробнее с чертежами можно ознакомится по ссылке: https://disk.yandex.ru/i/E5ULEZpV_JcEYw В случае заинтересованности просим отправлять вопросы и КП на почту, указанную в реквизитах организации (danilmurzin@super-avto.ru). Просьба в КП сразу указывать цену (с НДС и/ил без НДС), сроки изготовления и условия поставки.. Способ доставки - Транспортной компанией. Адрес доставки - Самарская обл, г Тольятти, Автозаводский р-н, ул Транспортная, влд 9.

Заказ 3662 (27.08.2025, Республика Татарстан). Требуется изготовление 4х экземпляров Скачать чертежи (файл zip).
Производственная программа: 4 шт.
Доп.требования: Необходимо изготовление 4х валов для маслопресса. Способ доставки - Транспортной компанией. Адрес доставки - Респ Татарстан, Альметьевский р-н, г Альметьевск.

Заказ 3661 (26.08.2025, Воронежская область). Изготовить звено В.9626.7522.810.051. Скачать чертежи (файл zip).
Доп.требования: Нужно изготовить звено В.9626.7522.810.051 по нашим чертежам, из ваших материалов. Реквизиты, Чертеж и STEP.file во вложении. В.9626.7522.810.051 Звено - 4 шт.; В.9626.7522.810.051-01 Звено 4 шт.; В.9626.7522.810.051-02 Звено 4 шт.; В.9626.7522.810.051-03 Звено 4 шт.; В.9626.7522.810.051-04 Звено 4 шт.; В.9626.7522.810.051-05 Звено 4 шт.; В.9626.7522.810.051-06 Звено 4 шт. Сбор КП до: 01.09.25

Заказ 3660 (26.08.2025, Воронежская область). Изготовление деталей по чертежам Скачать чертежи (файл pdf).
Производственная программа: 100 шт. раз в квартал.
Доп.требования: Изготовление деталей по кооперации. Способ доставки - Самостоятельно. Адрес доставки - Россия, Свердловская обл, г Екатеринбург, Орджоникидзевский р-н, ул Фронтовых бригад, д 22.

Заказ 3659 (21.08.2025, Воронежская область). Изготовить поддон ВА74.46.7581.250.200. Скачать чертежи (файл zip).
Доп.требования: Изготовить поддон (ВА74.46.7581.250.200) в сборе по нашим чертежам (во вложении). Материалы ваши. Пришлите, пожалуйста счет и сроки изготовления (реквизиты во вложении). Сбор КП до: 28.08.25.

Заказ 3658 (21.08.2025, Воронежская область). Возможность изготовления Стойки и уголков Скачать чертежи (файл zip).
Доп.требования: Изготовить стойки и уголки по нашим чертежам (во вложении). Материалы ваши. Пришлите, пожалуйста счет и сроки изготовления (реквизиты во вложении). Сбор КП до: 28.08.25.

Заказ 3657 (21.08.2025, Воронежская область). Изготовить поддон ВА74.46.7581.350.200. Скачать чертежи (файл zip).
Доп.требования: Изготовить поддон (ВА74.46.7581.350.200) в сборе по нашим чертежам (во вложении). Материалы ваши. Пришлите, пожалуйста счет и сроки изготовления (реквизиты во вложении). Сбор КП до: 28.08.25.

Заказ 3656 (20.08.2025, г Санкт-Петербург). Крышка виброплиты Скачать чертежи (файл pdf).
Производственная программа: 1 шт.
Материал: Поликарбонат монолитный
Доп.требования: Предлагаем рассмотреть возможность изготовления позиции Крышка виброплиты ВРЛМ.067400.004. Описание детали: Закруглённый лист с четырьмя сквозными отверстиями d10. Желаемый срок: 15.10.2025.

Заказ 3655 (20.08.2025, Московская обл.). Корпус загрузочный Скачать чертежи (файл zip).
Производственная программа: 2 шт.
Доп.требования: Требуется мехобработка по чертежу заготовки из СЧ20. Способ доставки - Самостоятельно. Адрес доставки - Московская обл, г Красногорск.

Заказ 3654 (19.08.2025, Московская обл.). Зубчатая рейка Скачать чертежи (файл zip).
Доп.требования: Изготовить зубчатую рейку и шестерню m=4. Сбор КП до 25.08.25

Заказ 3653 (19.08.2025, г Москва). Щупы Скачать чертежи (файл zip).
Производственная программа: Щупы 6018-031 - 4 шт.; 6018-063 - 2 шт.
Доп.требования: Способ доставки - Самостоятельно. Адрес доставки - г Москва, р-н Соколиная Гора, проезд Энтузиастов, д 15 к 67

Заказ 3652 (19.08.2025, г Санкт-Петербург). Ось 216мм длиной Скачать чертежи (файл pdf).
Производственная программа: 3 шт.
Доп.требования: Требуется стальная ось длиной 216мм диаметром 10мм. Данное изделие будет использоваться не в ответственном агрегате, т. о. повышенная точность (до "соток") не требуется. Так же как и не предъявляются требования к шероховатости. Способ доставки - Транспортной компанией. Адрес доставки - г Санкт-Петербург, Кировский р-н, Ленинский пр-кт, д 110 к 1 литера Б.

Заказ 3651 (15.08.2025, Московская область). Изготовление штампов для резки заглушек Скачать чертежи (файл zip).
Производственная программа: 1 шт.
Доп.требования: Необходимо изготовить штамп для вырубка заглушек из рулонного/листового металла. Все условия прописаны в ТЗ Способ доставки - Транспортной компанией. Адрес доставки - Московская обл., г Истра, дп Снегири, ул Мира, д 3.

Заказ 3650 (15.08.2025, г Санкт-Петербург). Изготовление штампованных деталей Скачать чертежи (файл zip).
Производственная программа: 500 шт. раз в год.
Доп.требования: Площадка для монитора. Есть .stp файл (модель). Изготовление любым способом. В идеале необходим полный цикл (сборка и покраска). Способ доставки - Транспортной компанией. Адрес доставки - г Санкт-Петербург.

Заказ 3649 (15.08.2025, г Санкт-Петербург). Обечайка в сборе Скачать чертежи (файл pdf).
Производственная программа: 1 шт.
Доп.требования: Предлагаем рассмотреть возможность изготовления позиции "Обечайка в сборе ВРЛМ.681119.055 СБ" Количество: 1 штука Желаемый срок поставки: 29.08.2025. Материал: 08Х18Н10Т Лист 2 перфорированный Rv 8-11. Обращаем внимание, что на чертеже перфорация указана схематично! По факту кол-во отверстий на Rv 8-11 намного больше. Предполагаемые операции изготовления: резка, вальцовка, сварка. Подробнее ознакомится с чертежами можно: 1. По ссылке на гугл диск: https://drive.google.com/drive/folders/1v2oXSkw1QIsgPxdpxvS__VCIioSsp2rU?usp=sharing 2. Отправить запрос на почту. Способ доставки - Транспортной компанией. Адрес доставки - г Санкт-Петербург, Выборгский р-н, пр-кт Энгельса, д 27 литера Р, помещ 1-Н.

Заказ 3648 (14.08.2025, г Санкт-Петербург). Поддон Скачать чертежи (файл pdf).
Производственная программа: 8 шт.
Доп.требования: Предлагаем рассмотреть возможность изготовления Поддон ВРЛМ.323434.001. Количество: 8 штук Желаемая дата поставки: 29.08.2025. Материал: предоставляем свои Листы AISI430 2x1040x690 - 8 шт. Предполагаемые операции изготовления: Лазерная резка, гибка и сварка. Способ доставки - Транспортной компанией. Адрес доставки - г Санкт-Петербург, Выборгский р-н, пр-кт Энгельса, д 27 литера Р, помещ 1-Н

Заказ 3647 (14.08.2025, г Санкт-Петербург). Барабан Скачать чертежи (файл zip).
Производственная программа: 1 шт.
Доп.требования: Предлагаем рассмотреть возможность изготовления: Барабан в сборе ВРЛМ.613216.011 СБ - 1 шт. Крышка ВРЛМ.613216.014 СБ - 1 шт. (дополнительно к сборке, запас на ремонт). Фланец ВРЛМ.613216.013.001 - 1 шт. (дополнительно к сборке, запас на ремонт). Полный комплект чертежей можете запросить по почте или посмотреть в папке: https://drive.google.com/drive/folders/1m1VrZXuauCI5D0uelzRsFy5TRw6zE8rj?usp=sharing. Способ доставки - Транспортной компанией. Адрес доставки - г Санкт-Петербург, Выборгский р-н, пр-кт Энгельса, д 27 литера Р, помещ 1-Н

Заказ 3646 (14.08.2025, г Санкт-Петербург). Электроизолятор Скачать чертежи (файл pdf).
Производственная программа: 4 шт.
Доп.требования: Предлагаем рассмотреть возможность изготовления огнеупорных изоляторов по приложенному чертежу из оксида алюминия (Al?O?, с пористостью 15–20%): Электроизолятор ВРЛМ.681321.003.002 – требуется 4 шт. Рассматриваем изготовление как трубы (без отверстий и пазов, для нас даже предпочтительнее), так и изготовление по чертежу. В случае изготовления трубы, требуется подтверждение возможности обработки лезвийным методом для подгонки изолятора по месту. Способ доставки - Транспортной компанией. Адрес доставки - г Санкт-Петербург, Выборгский р-н, пр-кт Энгельса, д 27 литера Р, помещ 1-Н

Заказ 3645 (14.08.2025, г Санкт-Петербург). Холодильник Скачать чертежи (файл zip).
Производственная программа: 2 шт.
Доп.требования: Предлагаем рассмотреть возможность изготовления: Холодильник ВРЛМ.681119.027 СБ - 2 шт. Полный комплект чертежей можете запросить по почте или посмотреть в папке: https://drive.google.com/drive/folders/1PYv2DIdwvYXsgj3hgYjV258BYKx2THUO?usp=sharing. Способ доставки - Самостоятельно. Адрес доставки - г Санкт-Петербург, Выборгский р-н, пр-кт Энгельса, д 27 литера Р, помещ 1-Н

Заказ 3644 (14.08.2025, г Санкт-Петербург). Детали Скачать чертежи (файл zip).
Доп.требования: Предлагаем рассмотреть возможность изготовления: Корпус ВРЛМ.442352.035.001 - 1 шт. Втулка неподвижная ВРЛМ.442352.026.003 - 1 шт. Втулка отрезная ВРЛМ.442352.026.004 - 1 шт. Нагревательный блок ВРЛМ.442352.035.002 - 2 шт. Подробнее с чертежами и документацией можно ознакомиться, отправив письмо на почту и/или запросив доступ к документам: https://drive.google.com/drive/folders/18kvyag_v1N4zocg3pX-EGzlQ1G2WfLWB https://drive.google.com/drive/folders/18mIldkUW69pMD2S07BJ4G8YOo1YXldDD https://drive.google.com/drive/folders/1nCAbaD77fUaL1ktqasMIabm9ZGwlmPmu. Способ доставки - Самостоятельно. Адрес доставки - г Санкт-Петербург, Выборгский р-н, пр-кт Энгельса, д 27 литера Р, помещ 1-Н

Заказ 3643 (14.08.2025, г Санкт-Петербург). Наружное кольцо Скачать чертежи (файл pdf).
Производственная программа: 50 шт.
Доп.требования: Предлагаем рассмотреть возможность изготовления: Наружное кольцо 296231.001.003.01. Полный комплект чертежей можете запросить по почте или посмотреть в папке: https://drive.google.com/drive/folders/1V5OSUVi4wE3Do6_t3s3aUpRBxV6hvxkc?usp=drive_link Обращаем ваше внимание, что замена материала 35ХГСА на другие не допускается. Способ доставки - Транспортной компанией. Адрес доставки - г Санкт-Петербург, Выборгский р-н, пр-кт Энгельса, д 27 литера Р, помещ 1-Н

Заказ 3642 (13.08.2025, Нижегородская область). Гальваническое покрытие и дробеструйке Скачать чертежи (файл jpeg).
Производственная программа: 500. Периодичность - еженедельно.
Доп.требования: Ищем поставщика услуг. ООО «Нижегородские Автокомпоненты» в рамках новых проектов по развитию сотрудничества в области сельскохозяйственной и железнодорожной техники ищет поставщика услуг по различным видам гальванических покрытий и дробеструйной обработке деталей. Срок оказания услуг с октября 2025г и на постоянной основе долговременно. В случае Вашей заинтересованности в сотрудничестве прошу откликнуться по электронной почте, после чего в ваш адрес будет направлено подробное ТЗ для подготовки КП. В случае положительного решения прошу направить Ваше КП.Надеемся на дальнейшее взаимовыгодное сотрудничество. В ожидании Вашего скорейшего ответа. Способ доставки - Самостоятельно. Адрес доставки - Нижегородская обл, г Нижний Новгород

Заказ 3641 (12.08.2025, г Санкт-Петербург). Плита стола Скачать чертежи (файл pdf).
Производственная программа: 1 шт.
Доп.требования: Предлагаем возможность изготовления позиции Плита стола по чертежу ВРЛМ.295241.848.005 Материал: Сталь ХВГ. Количество: 1 шт. Желаемый срок поставки: 25.09.2025. Способ доставки - Транспортной компанией. Адрес доставки - г Санкт-Петербург, Выборгский р-н, пр-кт Энгельса, д 27 литера Р, помещ 1-Н

Заказ 3640 (12.08.2025, Омская область). Форсунка и другие детали Скачать чертежи (файл jpg).
Производственная программа: 20 шт. раз в месяц.
Доп.требования: Здравствуйте. Наша компания ищет подрядчика на выполнение работ по производству деталей (свыше 70-ти наименований) и комплектующих для пищевого оборудования. Для ознакомления с уровнем вашего ценообразования мы прикрепляем рабочий чертеж "Форсунка внутренняя усиленная для вареников". Просим Вас указать: - стоимость* изготовления детали из вашего материала; - стоимость* работ без учета стоимости материала. Просим Вас уточнить: - технологию изготовления радиальных пазов на данной детали (метод резания либо ЭЭО); - техническую возможность электрохимической полировки ЭП. Стоимость изготовления просим Вас указать из расчета 20 шт. в партии. Благодарим за оперативный ответ. * Мы работаем по УСН (без НДС). Способ доставки - Транспортной компанией. Адрес доставки - Омская обл, г Омск, Центральный округ, ул 10 лет Октября, д 219, офис 209.

Заказ 3639 (11.08.2025, Омская область). Спаргер Скачать чертежи (файл zip).
Производственная программа: 100 шт. раз в квартал.
Доп.требования: Способ доставки - Транспортной компанией. Адрес доставки - Омская обл.

Заказ 3638 (04.08.2025, Московская область). Изготовление опор (оснований) под столбы оцинкованные для систем модульного ограждения Скачать чертежи (файл zip).
Производственная программа: 100 шт. раз в месяц.
Доп.требования: -Основание для столба 80х80 оцинкованное (см.чертеж),количество 50 шт. -Основание для столба 60х40 оцинкованное (см.чертеж),количество 50 шт поверхность должна быть гладкой или шероховатой, покрытие должно быть сплошным. Отсутствие вздутия, наплывов, раковин, включений, пористых участков, ржавчины/окиси, трещин, вмятин, глубоких царапин(до основного металла). Поверхность должна быть с равномерным нанесением оцинковки. Толщина цинкового покрытия, должна быть примерно одинаковой по всей площади, не должно быть утолщений (наплывов) и голого металла. Равномерность рисунка оцинковки по всей площади. Геометрические размеры и толщина должны совпадать с заказом. Способ доставки - Транспортной компанией. Адрес доставки - Московская обл., г Истра, дп Снегири, ул Мира, д 3.

Заказ 3637 (04.08.2025, Московская область). Стеллажное оборудование для хранения оцинкованных рулонов Скачать чертежи (файл zip).
Производственная программа: 1 шт.
Доп.требования: Стеллаж на 11 секций для хранения рулонов металла массой 6000 кг. Подробное описание в техническом задании. В КП прошу указывать марку стали, ГОСТ, отдельно стоимость работ по монтажу. Стоимость доставки. Адрес доставки - Московская обл., г Истра, дп Снегири, ул Мира, д 3.

Заказ 3636 (01.08.2025, г Санкт-Петербург). Изготовление шпангоутов Скачать чертежи (файл zip).
Производственная программа: 30 шт.
Доп.требования: Необходим подрядчик, способный изготовить данный заказ. Требуется изготовление 30 шпангоутов. На предоставленных эскизах отсутствует часть размеров. Полный комплект документов отправим после подтверждения возможности изготовления. Допуски на неуказанные размеры — по ОСТ 1 00022-80. Способ доставки: транспортной компанией. Адрес доставки - г Санкт-Петербург, г Кронштадт, Кронштадтский р-н, ул Макаровская, д 2 литера М

Заказ 3635 (31.07.2025, Москва). Фланец для испытаний Скачать чертежи (файл zip).
Доп.требования: Фланец для Оснастка на ФСД136 = 1 шт. Кольцо = 1 шт. Всё изготавливается согласно КД. Оплата: безналичный расчёт. Сбор КП до: 06.08.25.

Заказ 3634 (30.07.2025, Челябинская обл). Требуется лазерная резка Скачать чертежи (файл zip).
Доп.требования: Требуется изготовление металлических пластин из Ст10 в двух типоразмерах. 180451 - 10шт. 183198-1(1) - 6шт. Способ оплаты: Предоплата (аванс) – частичная или полная предварительная оплата по заказу. Сбор КП до: 06.08.25.

Заказ 3633 (29.07.2025, г Санкт-Петербург). Изготовление панелей Скачать чертежи (файл zip).
Производственная программа: 1 шт.
Доп.требования: Добрый день! Необходимо изготовить детали, указанные во вложении, срок до 15.09.2025. Способ доставки: транспортной компанией. Адрес доставки - г Санкт-Петербург, г Кронштадт, Кронштадтский р-н, ул Макаровская, д 2 литера М

Заказ 3632 (29.07.2025, г Санкт-Петербург). Изготовить стаканы по чертежам Скачать чертежи (файл pdf).
Производственная программа: 50 шт.
Доп. требования: Предлагаем рассмотреть возможность изготовления: Наружное кольцо 296231.001.003.01. Полный комплект чертежей можете запросить по почте или посмотреть в папке: https://drive.google.com/drive/folders/1V5OSUVi4wE3Do6_t3s3aUpRBxV6hvxkc?usp=drive_link. Обращаем ваше внимание, что замена материала 35ХГСА на другие не допускается.

Заказ 3631 (28.07.2025, Ростовская обл.). Изготовить стаканы по чертежам Скачать чертежи (файл zip).
Производственная программа: 432 шт.
Доп. требования: Прошу рассмотреть возможность изготовления. Каждой позиции по 144 шт. Припуск на заготовке 5 мм. Способ доставки - Самостоятельно. Адрес доставки: Ростовская обл., г Ростов-на-Дону, Театральный пр-кт, зд 89

Заказ 3630 (25.07.2025, Санкт-Петербург). Калибры-пробки Скачать чертежи (файл zip).
Предлагаем рассмотреть возможность изготовления калибров-пробок гладких (валиков) маленьких размеров:
1. диа. 1,57 (0,07) ВРЛМ.401421.229 2 к-та;
2. диа. 2,91 (0,12) ВРЛМ.401421.233 2 к-та;
3. диа. 3H11 (0,06) ВРЛМ.401421.234 2 к-та;
4. диа. 3H12 (0,1) ВРЛМ.401421.235 1 к-т;
5. диа. 1,88 0,08 ВРЛМ.401421.230 1 к-т;
6. диа. 1,9 (-0,14; 0,03) ВРЛМ.401421.231 1 к-т;
7. диа. 1,95 0,05 ВРЛМ.401421.232 1 к-т.
Полный комплект чертежей можете запросить по почте или посмотреть в папке.
Способ оплаты: Постоплата – оплата по факту исполнения обязательств по заказу. Сбор КП до: 08.08.25

Заказ 3629 (25.07.2025, Санкт-Петербург). Барабан Скачать чертежи (файл pdf).
Предлагаем рассмотреть возможность изготовления:
Барабан в сборе ВРЛМ.613216.011 СБ - 1 шт.
Крышка ВРЛМ.613216.014 СБ - 1 шт. (дополнительно к сборке, запас на ремонт)
Фланец ВРЛМ.613216.013.001 - 1 шт. (дополнительно к сборке, запас на ремонт).
Полный комплект чертежей можете запросить по почте или посмотреть в папке.
Способ оплаты: Постоплата – оплата по факту исполнения обязательств по заказу. Сбор КП до: 08.08.25

Заказ 3628 (25.07.2025, Московская обл.). Изготовление детали по КД Скачать чертежи (файл zip).
Ищем подрядчика, который сможет изготовить чертеж для дальнейшего изготовления детали. Описание: шестерня из текстолита, всего 52 зуба. 8 зубьев отколоты. Необходим чертеж для изготовления новой шестерни.
Прошу сообщить о возможности изготовления чертежа, сроках и стоимости. Сбор КП до: 01.08.25.

Заказ 3627 (25.07.2025, Москва). Изготовление детали по КД Скачать чертежи (файл pdf).
Производственная программа: 50 шт.
Доп.требования: Изготовление деталей по чертежам заказчика, Выточить деталь из металла, Изготовление деталей из алюминия. Изготовить 50 шт. деталей по чертежу.
Способ оплаты: Предоплата (аванс) – частичная или полная предварительная оплата по заказу. Сбор КП до: 31.07.25.

Заказ 3626 (25.07.2025, Москва). Изготовление деталей Скачать чертежи (файл zip).
Производственная программа: по 30 шт.
Доп.требования: Изготовление деталей по чертежам заказчика, Выточить деталь из металла, Изготовление деталей из алюминия. Изготовить по 30 шт. деталей по модели и чертежам с АнОкс и порошковой покраской.
Способ оплаты: Предоплата (аванс) – частичная или полная предварительная оплата по заказу. Сбор КП до: 31.07.25.

Заказ 3625 (25.07.2025, Московская обл.). Компрессионные кольца Скачать чертежи (файл zip).
Производственная программа: 6 шт. Периодичность - единоразовая.
Доп.требования: Просим рассмотреть возможность изготовления компрессионных колец по нашим чертежам. Способ доставки - Транспортной компанией. Адрес доставки: Россия, Московская обл, г Наро-Фоминск.

Заказ 3624 (24.07.2025, Москва). Изготовление матрицы Скачать чертежи (файл pdf).
Производственная программа: 1 шт.
Доп.требования: Просьба прислать КП на 1 шт.
Сбор КП до: 31.07.25. Способ оплаты: Предоплата (аванс) – частичная или полная предварительная оплата по заказу.

Заказ 3623 (24.07.2025, г Москва). Резец фасонный Скачать чертежи (файл pdf).
Производственная программа: 5 шт.
Доп.требования: Просьба прислать КП на 5 шт. Сбор КП до: 31.07.25. Способ оплаты: Предоплата (аванс) – частичная или полная предварительная оплата по заказу.

Заказ 3622 (22.07.2025, г Санкт-Петербург). Электроизолятор Скачать чертежи (файл pdf).
Производственная программа: 4 шт.
Доп.требования: Предлагаем рассмотреть возможность изготовления огнеупорных изоляторов по приложенному чертежу из оксида алюминия (Al?O?, с пористостью 15–20%): Электроизолятор ВРЛМ.681321.003.002 – требуется 4 шт. Рассматриваем изготовление как трубы (без отверстий и пазов, для нас даже предпочтительнее), так и изготовление по чертежу. В случае изготовления трубы, требуется подтверждение возможности обработки лезвийным методом для подгонки изолятора по месту. Потребность разовая.

Заказ 3621 (02.06.2025, Свердловская область). Изготовление деталей по чертежам ДОПОЛИТЕЛЬНЫЙ ЗАКАЗ. Скачать чертежи (файл pdf).
Производственная программа: 100 шт. Периодичность - раз в квартал.
Доп.требования: Способ доставки - Самостоятельно. Адрес доставки - Россия, Свердловская обл, г Екатеринбург.

Заказ 3620 (30.05.2025, Ярославская область). Изготовление фасонных резцов по чертежам Скачать чертежи (файл gif).
Производственная программа: 5 шт.

Заказ 3619 (29.05.2025, Республика Татарстан). Детали зонда Скачать чертежи (файл pdf).
Производственная программа: 100 шт. Периодичность - единоразовая.
Доп.требования: необходимо обработать детали с соблюдением всех указанных размеров. После обработки детали должны иметь товарный вид, без заусенцев и острых кромок. Особое внимание следует уделить детали РТЛП.711161.002 — заготовке в виде трубы, где обрабатывается наружная поверхность, гравировку делать не нужно. Количество деталей: РТЛП.711161.002 — 20 шт. РТЛП.711151.001 — 20 шт. РТЛП.711764.001 — 20 шт. РТЛП.7116117.001 — 20 шт. Способ доставки - Транспортной компанией. Адрес доставки - Респ. Татарстан, г Казань, Кировский р-н, ул Горьковское Шоссе, д 28Р.

Заказ 3618 (06.05.2025, Москва). Плиты монтажные Скачать чертежи (файл zip).
Производственная программа: 6 шт.
Доп.требования: Плита монтажная гидравлическая. Способ доставки - Транспортной компанией. Адрес доставки - г Москва.

Заказ 3617 (05.05.2025, Томская область). Изготовление деталей из сырья изготовителя по чертежам заказчика Скачать чертежи (файл zip).
Доп.требования: Наш завод интересуется возможностями по внешней кооперации в целях развития производства своей новой гражданской продукции – вентильных электродвигателей, в связи с чем просим предоставить технико-коммерческое предложение на изготовление деталей (можно без покрытий) из сырья изготовителя по чертежам заказчика, прикреплённым во вложении. Коммерческое предложение на изготовление каждой позиции до 100 шт и до 1000 шт.

Заказ 3616 (28.04.2025, Санкт-Петербург). Изготовление деталей по чертежам Скачать чертежи (файл zip).
Производственная программа: 27 шт.
Требуется изготовление деталей согласно приложенной документации. ТЗ, чертежи, эскизы, карты замеров приложены. Окончание приема предложений: 19 Май 2025.

Заказ 3615 (28.04.2025, Тверская область). Кронштейн 11.81725.32.71.03.005 Скачать чертежи (файл pdf).
Производственная программа: 140 шт. Периодичность - раз в месяц.
Прошу рассмотреть возможность изготовления деталей по приложенным чертежам. Это реальный текущий запрос. КП прошу направлять на электронную почту. В заявке не полный комплект чертежей, остальные позиции направляю на почту. Способ доставки - Транспортной компанией. Адрес доставки - Тверская обл, г Тверь.

Заказ 3614 (23.04.2025, Санкт-Петербург). Изготовление узла по чертежам Скачать чертежи (файл zip).
Производственная программа: 100 шт.
Доставка транспортной компанией. Адрес доставки: Санкт-Петербург, Фрунзенский р-н, Лиговский пр-кт, д 228 литера А.

Заказ 3613 (18.04.2025, Свердловская область). Изготовление деталей по чертежам Скачать чертежи (файл pdf).
Производственная программа: 100 шт. Периодичность - раз в квартал.
Способ доставки - Транспортной компанией. Адрес доставки - Россия, Свердловская обл, г Екатеринбург.

Заказ 3612 (16.04.2025, Московская область). Изготовление цанги Скачать чертежи (файл pdf).
Производственная программа: 6 шт.
Необходима оснастка, изготовленная по нашему КД: Цанга подающая ДЭЦ 7010-4080-017 в количестве 6шт. чертеж приложен. Окончание приема предложений: 09 Май 2025

Заказ 3611 (11.04.2025, Московская область). Зубчатое колесо Скачать чертежи (файл jpg).
Производственная программа: 4 шт.
сертификат на материал и акт ОТК проверки твердости венца обязательны
Материал: Исполнителя
Оснастка: Исполнителя

Заказ 3610 (08.04.2025, Ярославская область). Резцы Скачать чертежи (файл jpg).
Производственная программа: 20 шт.
Кто сможет изготовить - пишите в личку....цена сроки. Способ доставки - Транспортной компанией. Адрес доставки - Ярославская обл, г Ярославль

Заказ 3609 (03.04.2025, Смоленская область). Привод колес Скачать чертежи (файл zip).
Производственная программа: Партия: Интересует изготовление под ключ. Количество – 3 шт.

Заказ 3608 (02.04.2025, Ростов-на-Дону). Горячее фосфатирование деталей (без чертежа).
Производственная программа: 30 штук.
Доп.требования: Габариты: 0,5 м х 0,5 м, Высота: 15 см, Вес: до 20 кг.

Заказ 3607 (02.04.2025, Ростов-на-Дону). Пескоструйная обработка деталей (без чертежа).
Производственная программа: 30 штук.
Доп.требования: Габариты: 4 м х 1,5 м, Высота: 20 - 40 см, Вес: 450 кг.

Заказ 3606 (02.04.2025, Москва). Обоймы Скачать чертежи (файл zip).
Производственная программа: 700 шт. раз в год.
Доп.требования: 6С8.212.172 (КР) обойма - 100 шт. ВД8.212.015 (КР) обойма - 300 шт. ВД8.212.020 (КР) обойма - 300шт. Способ доставки - Самостоятельно. Адрес доставки - г Москва, р-н Соколиная Гора, проезд Энтузиастов, д 15.

Заказ 3605 (27.03.2025, Москва). Зубчатое колесо Скачать чертежи (файл zip).
Производственная программа: 1шт.
Доп.требования: СП-1501.02.07 Червяк - 1 шт. СП-1501.02.08 Червячное колесо - 1 шт. Способ доставки - Транспортной компанией. Адрес доставки - г Москва, р-н Соколиная Гора, проезд Энтузиастов, д 15.

Заказ 3604 (27.03.2025, Москва). Цанги Скачать чертежи (файл zip).
Производственная программа: 120 шт каждой.
Доп.требования: Ц3-126-01 Цанга - 120 шт. Ц3-126-02 Цанга зажимная - 120шт. Ц3-127-01 Цанга разжимная - 120шт. Ц3-127-02 Цанга разжимная - 120шт.Ц3-147 Цанга зажимная - 120шт. Ц3-148 Цанга разжимная - 120шт. Ц3-149 Цанга разжимная - 120шт. Ц3-160 Цанга зажимная - 120шт. Способ доставки - Транспортной компанией. Адрес доставки - Москва, р-н Соколиная Гора, проезд Энтузиастов, д 15.

Заказ 3603 (26.03.2025, Челябинская область). Трубка боросиликатная 13+-0,2х2,2+-0,15х1500 Скачать чертежи (файл png).
Производственная программа: 50 шт. Периодичность - раз в месяц.
Доп.требования: Трубка боросиликатная 13+-0,2х2,2+-0,15х1500, Трубка должна выдерживать 2,4 МПа внутреннее давление. Расчетное внутреннее давление без учета коэффициентов запаса не менее 4 МПа. Способ доставки - Транспортной компанией. Адрес доставки - Челябинская обл, г Челябинск, Ленинский р-н, ул Гагарина, д 5, офис 203.

Заказ 3602 (26.03.2025, Владимирская область). Стакан (токарные работы) Скачать чертежи (файл pdf).
Производственная программа: 1100 шт. Периодичность - раз в квартал.
Доп.требования: Необходимо изготовить 1100шт. Заказ периодически повторяется. Целевая стоимость 70р за 1шт. Способ доставки - Транспортной компанией. Адрес доставки - Россия, Владимирская обл, г Ковров.

Заказ 3601 (25.03.2025, Челябинская область). Изготовление деталей по чертежам Скачать чертежи (файл jpg).
Производственная программа: 10 шт.
Доп.требования: азотирование, хромирование, полировка.
Материал: 40Х, 38Х2МЮА

Заказ 3600 (20.03.2025, Нижегородская область). Изготовление фланца по чертежу Скачать чертежи (файл pdf).
Производственная программа: 1. Периодичность - раз в квартал.
Доп.требования: Изготовление фланца по чертежу Т2352.11.00.08. Способ доставки - Самостоятельно. Адрес доставки - Россия, Нижегородская обл, Шатковский р-н, рп Лесогорск, ул Электриков, д 9.

Заказ 3599 (20.03.2025, Омская область). Жало Скачать чертежи (файл pdf).
Производственная программа: 1000 шт. Периодичность - раз в месяц.
Доп.требования: Требуется изготовление методом штамповки. Способ доставки - транспортной компанией. Адрес доставки - Россия, Омская обл, г Омск, Октябрьский округ, ул Кирова, д 22.

Заказ 3598 (13.03.2025, Белгородская область). Корпус экструдера Скачать чертежи (файл pdf).
Производственная программа: 33 шт. Периодичность - единоразовая.
Доп.требования: Изготовить корпус экструдера по чертежам. Определить сроки изготовления и стоимость для 1 шт., 5 шт., 10 шт., 33 шт. Общая потребность 33 шт. Способ доставки - транспортной компанией. Адрес доставки - Россия, Белгородская обл, г Белгород.

Заказ 3597 (11.03.2025, Ленинградская обл.). Изготовление деталей по чертежам Скачать чертежи (файл zip).
Производственная программа: 307 шт. Периодичность - единоразовая.
Доп.требования: Добрый день! Прошу рассмотреть возможность изготовления деталей по приложенным чертежам. Это реальный текущий запрос, запуск в работу в течение 10 дней. Принципиальный момент - сроки изготовления, в приоритете минимальный срок. КП прошу направлять сразу на ПОЧТУ elena.firsina@railmatik.com В заявке не полный комплект чертежей, остальные позиции направляю на почту. Способ доставки - транспортной компанией. Адрес доставки - Россия, Ленинградская обл, Всеволожский р-н, гп имени Свердлова, ул Петрова Дача, д 19А стр 5.

Заказ 3596 (03.03.2025, Нижегородская обл.). Детали гидромотора Скачать чертежи (файл zip).
Производственная программа: 72 шт. Периодичность - раз в месяц.
Доп.требования: Необходимо изготовить комплект деталей для партии гидроагрегатов согласно чертежам. Количество каждой детали для изготовления указано в названии чертежа. Способ доставки - транспортной компанией. Адрес доставки - Россия, Нижегородская обл, г Нижний Новгород, Московский р-н, ул Чебоксарская, д 9.

Заказ 3595 (03.03.2025, Нижегородская обл.). Комплект деталей гидравлического поворотного узла Скачать чертежи (файл zip).
Производственная программа: 7 шт. Периодичность - раз в месяц.
Доп.требования: Требуется изготовление комплекта деталей из стали, алюминия и фторопласта. Часть деталей проходят термообработку и покрытие. Способ доставки - транспортной компанией. Адрес доставки - Россия, Нижегородская обл, г Нижний Новгород, Московский р-н, ул Чебоксарская, д 9.

Заказ 3594 (03.03.2025, Нижегородская обл.). Комплект шестерен, муфт и валов для коробки передач Скачать чертежи (файл zip).
Производственная программа: 38 шт. Периодичность - раз в месяц.
Доп.требования: Необходимо изготовить комплект шестерен, муфт кулачковых и валов с применением термической обработки, цементации, азотирования поверхностей и шлифования. Способ доставки - транспортной компанией. Адрес доставки - Россия, Нижегородская обл, г Нижний Новгород, Московский р-н, ул Чебоксарская, д 9.

Заказ 3593 (03.03.2025, Ивановская обл.). Направляющая Скачать чертежи (файл pdf).
Производственная программа: 1 шт.
Доп.требования: Добрый день, нужно полное изготовление. Способ доставки - транспортной компанией. Адрес доставки - Россия, Ивановская обл, г Иваново, пр-кт Строителей, д 4.

Заказ 3592 (25.02.2025, г Москва). Изготовление деталей по чертежам Скачать чертежи (файл zip).
Производственная программа: 10 шт.
Доп.требования: Необходимо изготовление следующих деталей: 1) YR01.02.15.001-01 Ось ПШ - 2 шт. 2) YR01.02.00.051 Блок подшипников - 4 шт. 3) YR01.02.00.005-01 Полуось приводная - 4 шт. Чертежи и модели приложены. Окончание приема предложений: 20 Март 2025.

Заказ 3591 (21.02.2025, Ярославская область). Зенкер ВУ 2339-4142-01 Скачать чертежи (файл zip).
Производственная программа: 20 шт.
Доп.требования: изготовление зенкера ВУ 2339-4142-01 в количестве 20 штук.

Заказ 3590 (20.02.2025, Рязанская обл.). Штуцер Скачать чертежи (файл jpg).
Производственная программа: 1 шт.
Доп.требования: срочное изготовление детали. Способ доставки - Транспортной компанией. Адрес доставки - Рязанская обл, г Рязань, ул Связи, д 21.

Заказ 3589 (20.02.2025, Рязанская обл.). Фланец Скачать чертежи (файл pdf).
Производственная программа: 32 шт.
Доп.требования: изготовление фланца. Способ доставки - Транспортной компанией. Адрес доставки - Рязанская обл, г Рязань, ул Связи, д 21.

Заказ 3588 (18.02.2025, Санкт-Петербург). Изготовление ковочной матрицы Скачать чертежи (файл zip).
Производственная программа: 1.
Доп.требования: Добрый день, Прошу все вопросы по запросу направлять на почту. d.prohorov@rus-matic.ru. Способ доставки - Транспортной компанией. Адрес доставки - г Санкт-Петербург, Московский р-н, ул Предпортовая, д 6 литера АВ, офис 3.

Заказ 3587 (18.02.2025, Владимирская обл.). Лазерная резка профильной трубы Скачать чертежи (файл gif).
Производственная программа: 6000. Периодичность - раз в месяц.
Доп.требования: Внимание! Мы производим бюджетную продукцию, поэтому основными критериями в этом проекте являются цена и близкое расположение к нашему производству в г.Ковров. Целевая стоимость резки одной детали 12р с ндс. Способ доставки - Транспортной компанией. Адрес доставки - Владимирская обл, г Ковров, ул Клязьменская, д 16.

Заказ 3586 (18.02.2025, г. Екатеринбург). Механическая обработка, нарезка зуба и шли Скачать чертежи (файл zip).
Производственная программа: 19 шт.
Доп.требования: Прошу Вас рассмотреть возможность проведения механической обработки следующих деталей (в правом столбце указан объем механической обработки). Номер чертежа Наименование Объем механический обработки Кол-во, 45.01.168 обойма зубчатая Полное изготовление 2, 45.01.511 ступица без затыловки зуба 2, 45.01.653 ступица без затыловки зуба 2, 45.01.699 обойма зубчатая Полное изготовление 1, 45.01.712 вал Полное изготовление 1, 45.01.716 шестерня Полное изготовление 1, 45.01.717 Колесо зубчатое Полное изготовление 1, 45.01.719 Ступица Полное изготовление 2, 45.01.731 колесо зубчатое Нарезка зуба 2, 45.01.746 вал-шестерня Полное изготовление 2, 45.01.747 шестерня Полное изготовление 2, 45.01.772 шестерня Нарезка зуба 1. В ответ прошу сообщить стоимость и срок обработки (по позиционно). Заготовки мы предоставим. Окончание приема предложений: 21 Февраль 2025.

Заказ 3585 (17.02.2025, Нижегородская область). Изготовление деталей по чертежам Заказчика Скачать чертежи (файл zip).
Производственная программа: 500. Периодичность - раз в квартал.
Доп.требования: Необходимо изготовить комплект деталей согласно перечня и РКД во вложении. Прошу предоставить ТКП с указанием цен на каждую позицию и сроки выполнения всего заказа. Способ доставки - Транспортной компанией. Адрес доставки - Нижегородская обл, г Нижний Новгород, Московский р-н, ул Чебоксарская, д 9, помещ 9.

Заказ 3584 (17.02.2025, г Москва). Изготовление деталей по чертежам Скачать чертежи (файл zip).
Производственная программа: 38 шт.
Доп.требования: Требуется изготовление следующих деталей:1) YR0021-1031101-00ЧД Основание упора - 2 шт. 2) YR0021-1031201-00ЧД Упор- 2 шт. 3) YR0021-1031301-00ЧД Основание магнита - 4 шт. 4) YR0021-1031302-00ЧД Крепление якоря 4 шт. 5) YR0021-1032100-00СБ Кронштейн подшипника (Сборочный чертеж) - 2 шт. 6) YR0021-1032100-01СБ Кронштейн ОПУ (Сборочный чертеж) - 2 шт. 7) YR0021-1033100-00СБ Перекладина (Сборочный чертеж) - 2 шт. 8) YR0021-1035100-00СБ Крепления мачты (Сборочный чертеж) - 2 шт. 9) YR0021-1034100-00СБ Крепления мачты (Сборочный чертеж) - 2 шт. 10) YR0021-1031101-01ЧД Основание упора - 2 шт. 11) YR0021-1031201-01ЧД Упор - 2 шт. 12) YR03.31.00.003-01 Пластина - 4 шт. 13) YR03.30.00.007-01 Крепление мотора - 4 шт. 14) YR03.30.00.007-02 Крепление мотора - 4 шт. Чертежи приложены. Окончание приема предложений: 20 Март 2025.

Заказ 3583 (14.02.2025, Санкт-Петербург). Изготовление опоры Скачать чертежи (файл zip).
Производственная программа: 1
Доп.требования: Просим предоставить КМ на основании чертежей и спецификации. Способ доставки - Транспортной компанией. Адрес доставки - г Санкт-Петербург.

Заказ 3582 (13.02.2025, Тульская область). Амбушюр кожанный Скачать чертежи (файл pdf).
Производственная программа: 5000. Периодичность - раз в месяц
Доп.требования: Амбушюр для наушников кожанный. Способ доставки - Транспортной компанией. Адрес доставки - Тульская обл, Ленинский р-н, поселок Иншинский, тер Технопарк Иншинский, зд 1 стр 1.

Заказ 3581 (13.02.2025, Тульская область). Контакт (металообработка) Скачать чертежи (файл pdf).
Производственная программа: 10000. Периодичность - раз в квартал
Доп.требования: согласно чертежа. Способ доставки - Транспортной компанией. Адрес доставки - Тульская обл, Ленинский р-н, поселок Иншинский, тер Технопарк Иншинский, зд 1 стр 1.

Заказ 3580 (13.02.2025, Тульская область). Вилка НТБР Скачать чертежи (файл pdf).
Производственная программа: 10000. Периодичность - раз в квартал
Доп.требования: Вилка - материал и характеристики в чертеже. Способ доставки - Транспортной компанией. Адрес доставки - Тульская обл, Ленинский р-н, поселок Иншинский, тер Технопарк Иншинский, зд 1 стр 1.

Заказ 3579 (13.02.2025, Тульская область). Кнопка Скачать чертежи (файл pdf).
Производственная программа: 10000. Периодичность - раз в квартал
Доп.требования: Кнопка металл - данные по характеристикам в чертеже. Способ доставки - Транспортной компанией. Адрес доставки - Тульская обл, Ленинский р-н, поселок Иншинский, тер Технопарк Иншинский, зд 1 стр 1.

Заказ 3578 (12.02.2025, Московская область). Втулка крепления перегибателя пачек Скачать чертежи (файл zip).
Производственная программа: 10. Периодичность - раз в год
Доп.требования: Требуется изготовить втулку крепления перегибателя пачек. Количество - 10 штук. Марка стали неизвестна. Готовы отправить образец. Адрес доставки - Московская обл, г Истра, ул Московская, д 50.

Заказ 3577 (12.02.2025, Московская область). Формовочные штифты (Фторопласт, Полиэтилен HD1000) Скачать чертежи (файл zip).
Производственная программа: 65. Периодичность - раз в месяц
Доп.требования: Требуется периодическое изготовление формовочных штифтов согласно чертежей. Материал: Фторопласт, Полиэтилен HD1000. Номенклатура и количество: 1.G032-01 - 65 шт., 2.C032-04 - 65 шт., 3.8YW - 55 шт., 4.5XA - 55 шт. Особое требование: Предоставление сертификата на материалы, контактирующие с продуктом (пищевое, фармацевтическое производство). Адрес доставки - Московская обл, г Истра, ул Московская, д 50 .

Заказ 3576 (12.02.2025, Московская область). Направляющая под камеру Скачать чертежи (файл jpg).
Производственная программа: 1.
Доп.требования: Требуется изготовить направляющую под камеру. Чертежа нет, готовы предоставить образец. Количество - 1 штука, Материал - алюминий, Длина 520мм, Ширина 260мм (с ручкой 320мм), Ширина в узкой части 190мм, Толщина 9,8мм. Адрес доставки - Московская обл, г Истра, ул Московская, д 50.

Заказ 3575 (10.02.2025, Владимирская область). Вставка резьбовая Скачать чертежи (файл jpg).
Производственная программа: 2000, Периодичность - раз в месяц.
Доп.требования: Токарные работы. Изготовление деталей по чертежу. Для оптимизации стоимости деталь можем упростить. Ориентировочная стоимость 10р. Способ доставки- транспортной компанией. Адрес доставки - Владимирская обл, г Ковров, ул Волго-Донская.

Заказ 3574 (06.02.2025, Ярославская область). Формующий инструмент (Т8) Скачать чертежи (файл zip).
Производственная программа: 1 шт.
Материал: сталь
Доп.требования: Добрый день! Просьба прислать КП на изготовление формующего инструмента.

Заказ 3573 (31.01.2025, Республика Татарстан). Отвод медный SRL CU 12,00х0,5х35 H30SA (арт.QCSC12535)/либо аналог Скачать чертежи (файл jpg).
Производственная программа: 6000 шт.
Доп.требования: Отвод медный SRL CU 12,00х0,5х35 H30SA (арт.QCSC12535)/либо аналог. необходимое количество 6000 шт. Прошу направить информацию по стоимости изготовления и срокам поставки, необходимые размеры выделены желтым цветом на чертеже. Способ доставки транспортной компанией. Адрес доставки: Россия, Респ Татарстан, Альметьевский р-н, г Альметьевск.

Заказ 3572 (30.01.2025, г Санкт-Петербург). Основания на станке-автомате Скачать чертежи (файл pdf).
Производственная программа: 1000 шт.
Доп.требования: Предлагаем рассмотреть возможность изготовления: Основание ВРЛМ.293634.017.001 - 1000 шт. Желаемый срок 31.03.2025 (обсуждаемо) Потребность годовая, возможен повтор заказа через год. Важно выдержать требования плоскостности на торцах. Предполагаем, что данные изделия - задача для станка-автомата. Окончание приема предложений 28 Февраль 2025.

Заказ 3571 (29.01.2025, Ярославская область). Дорны Е2. Скачать чертежи (файл pdf).
Производственная программа: 5 шт.
Материал: Сталь 40*13
Доп.требования: Добрый день! Просьба прислать КП на поставку дорнов с PCD вставками: диаметры: OD=6,15мм OD=7,20мм OD=8,40мм OD=9,60мм OD=10,00мм. Общий чертеж во вложении, PCD вставка должна находится внутри дорна.

Заказ 3570 (29.01.2025, Ярославская область). Изготовление металлического пандуса. Скачать чертежи (файл zip).
Производственная программа: 1 шт.
Доп.требования: Добрый день! Просьба прислать КП на изготовление металлического пандуса.

Заказ 3569 (28.01.2025, Москва). Штампы для тонколистовой штамповки. Скачать чертежи (файл zip).
Производственная программа: Потребность в продукции 3, Периодичность единоразовая.
Способ доставки: самостоятельно, Адрес доставки: Россия, Московская обл, г Бронницы
Доп.требования: Необходимо разработать в соответствии с ТЗ штампы для тонколистовой штамповки по имеющимся в наличии штампам и изготовить штампы и подштамповую плиту. Изделия штампуются из электротехнической стали толщиной 0,5 мм. Для разработки предоставляется доступ к существующему оборудованию и штампам, чертежи деталей изготавливаемых штамповкой и общие виды штампов. Приложения к техническому заданию готов направить отдельно на электронную почту ответным письмом.

Заказ 3568 (27.01.2025, Удмуртская Республика). Заявка на изготовление делатей. Скачать чертежи .
Производственная программа: во вложении.
Доп.требования: Прошу рассмотреть возможность изготовления и поставки в наш адрес деталей в соответствии с приложениями. Комплект конструкторской документации для проработки расположен по ссылке: https://www.kupol.ru/advertka/AE58EYPnER4sco6O1E1vuNvgMpxdtDhbgvtN2SG0el7jJXzaKx/zayavka.zip

Заказ 3567 (21.01.2025, Москва). Изготовление «Штифтов» по чертежам. Скачать чертежи (файл zip).
Производственная программа: Общее количество - 1070 шт.
Доп.требования: Просим рассмотреть возможность изготовить "Штифты" по чертежам из материала заказчика. Окончание приема предложений: 10 Февраль 2025.

Заказ 3566 (21.01.2025, Москва). Изготовление деталей по чертежам. Скачать чертежи (файл docx).
Производственная программа: 3 шт.
Доп.требования: Прошу рассмотреть изготовление следующих деталей: 1. Колесо червячное 513.03.00.002 черт.№ 513.03.00.002 - 2 шт. 2. Винт 513.03.00.003 чертеж № 513.03.00.003 - 1 шт. Чертежи приложены. Окончание приема предложений: 07 Февраль 2025.

Заказ 3565 (16.01.2025, Санкт-Петербург). Тройники и штуцера. Скачать чертежи (файл zip).
Производственная программа: отребность в продукции 500, периодичность - единоразовая
Доп.требования: Необходимо изготовить штуцера и тройники: Тройник РЕХ0016Т - 500 шт.Тройник РЕХ0020Т - 500 шт.Штуцер 20 - 500 шт.Штуцер 16 - 500 шт. Доставка транспортной компанией. Адрес доставки: Ленинградская обл, Всеволожский р-н, гп имени Свердлова, ул Петрова Дача, д 19А стр 5.

Заказ 3564 (14.01.2025, Москва). Цементация, 114; 158-159 проект. Скачать чертежи (файл zip).
Производственная программа: Просим проработать возможность проведения цементации указанных ниже позиций.158-159 проект: Колесо зубчатое СК6П300CNCисп.4/1,5/У1 041.420 -4шт. Колесо зубчатое СК6П300CNCисп.4/1,5/У1 041.426- 2шт.; 114 заказ: Колесо зубчатое СК6П1300.023 Эск№41 4шт. Шестерня СК6П1300.022.404 2шт. Шпонка СК6П1300.022.405 4шт.Колесо зубчатое СК6П1300.022 Эск№38 4шт.Опора СК6П1300.072.401 1шт. Опора СК6П1300.072.402 4шт. Штифт СК6П1300.072.407 1шт. Штифт СК6П1300.072.408 1шт. Штифт СК6П1300.072.409 1шт. Штифт СК6П1300.072.410 1шт.
Доп.требования: Окончание приема предложений: 24 Январь 2025.

Заказ 3563 (14.01.2025, Челябинская обл.). Необходимо изготовить детали по чертежам Заказчика. Скачать чертежи (файл xlsx).
Производственная программа: Потребность в продукции 50, Периодичность раз в квартал.
Доп.требования: Детали по чертежам Заказчика - 1. Хвостовик 002-03.02, 2. Наконечник 008-03, 3. Наконечник 002-04.02, 4. Грузило, 5. Удлинитель 002-01.02, доставка транспортной компанией. Адрес доставки: Россия, Челябинская обл, г Челябинск.

Заказ 3562 (14.01.2025, Свердловская обл.). Полумуфта. Скачать чертежи (файл jpg).
Производственная программа: 30 шт. в месяц.
Доп.требования: Полумуфта для вала двигателя, доставка транспортной компанией.


Рассылка
производственных
заказов



Архив производственных заказов за 2019 — 2024 годы.


Ярославский центр субконтрактации
150000, Ярославль, ул. Свободы, 62
Телефоны: (4852) 21-85-24, 45-80-57 | subcontr@yartpp.ru

© ЯрТПП, 2005 — 2025