Ярославский центр производственной кооперации и субконтрактации

ЯрТПП

Биржа субконтрактов-2012. Производственный заказ N504

Перечень заказываемых деталей:

  1. Полупетля 249.00.091
  2. Полупетля 249.00.092
  3. Втулка крепления 265.40.002
  4. Втулка дистанционная 265.40.004
  5. Полумуфта 265.40.006
  6. Звездочка 265.40.007
  7. Штуцер выпускной 1070.21.001
  8. Ось 1070.45.102
  9. Переходник 1070.00.010
  10. Штуцер 1070.20.002
  11. Штуцер 1070.24.002
  12. Штуцер для электрода 1070.22.005
  13. Пробка 632.00.022
  14. Привод вентилятора 646.00.000
  15. Вал 646.00.003
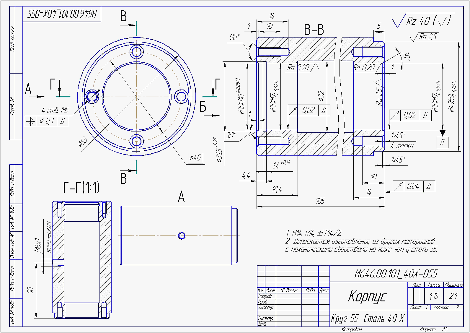
  16. Корпус 646.00.101
  17. 646.00.101 Б
  18. Втулка распорная 646.00.102
  19. Штырь установочный 800.00.002

Программа выпуска

Скачать полный комплект одним архивом.




На переговоры допускаются только предприятия, подавшие заявку на участие!
Для этого необходимо заполнить квалификационную карту и отправить её по электронной почте.

Заказчик проводит переговоры с представителями предприятий, которые прислали заполненные квалификационные карты.
Заказчик вправе отказаться от переговоров c потенциальным поставщиком в "Бирже субконтрактов", если "квалификационная карта" подана не в полном объёме и/или в ненадлежащем качестве.

Целью переговоров является:

  1. получение поставщиками технических и иных требований к предприятию-Поставщику в процессе прямых переговоров с Заказчиком;
  2. обсуждение специфики заказа;
  3. ознакомление Заказчика с технико-экономическими возможностями предприятий-поставщиков;
  4. заключение предварительных соглашений между Заказчиками и Поставщиками.

Всю необходимую информацию можно получить по телефону (4852) 45-80-57, 21-85-24.
ЯрТПП не несет ответственность за достоверность информации, предоставленной Заказчиками и Поставщиками, и размещенной на сайте www.yarcs.yartpp.ru.

Полный перечень производственных заказов Биржи субконтрактов 27.06.2012 в Ярославле.




Ярославский центр субконтрактации
150000, Ярославль, ул. Свободы, 62
Телефоны: (4852) 21-85-24, 45-80-57 | subcontr@yartpp.ru

© ЯрТПП, 2005 — 2026