Ярославский центр производственной кооперации и субконтрактации

ЯрТПП

"Биржа субконтрактов", Рыбинск, 30 сентября 2011 года. Техническое задание на закупку 453

Требуется механическая обработка деталей машин:

1. Втулка зубчатая У152.001.
Материал: Ст 40Х ГОСТ 4543-71. Масса: 1,45 кг.
Производственная программа: 20 шт./мес.
Чертеж

2. Муфта 13.22.300.02.
Материал: Ст 40Х ГОСТ 4543-71. Масса: 2,1 кг.
Производственная программа: 10 шт./мес.
Чертеж

3. Вал 13.22.500.01.
Материал: Ст 40Х ГОСТ 4543-71. Масса: 2,1 кг.
Производственная программа: 10 шт./мес.
Чертеж

4. Вал 07.22.010.01.
Материал: Ст 45 ГОСТ 1050-88. Масса: 21,79 кг.
Производственная программа: 6 шт./мес.
Чертеж

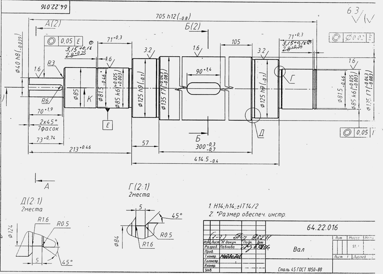
5. Вал 64.22.016.
Материал: Ст 45 ГОСТ 1050-88. Масса: 55,1 кг.
Производственная программа: 10 шт./мес.
Чертеж

6. Втулка зубчатая У152.007.
Материал: Ст 40Х ГОСТ 4543-71. Масса: 2,633 кг.
Производственная программа: 20 шт./мес.
Чертеж

7. Втулка шлицевая У157.304.
Материал: Ст 40Х ГОСТ 4543-71. Масса: 1,406 кг.
Производственная программа: 20 шт./мес.
Чертеж

8. Шестерня У157.301.
Материал: Ст 40Х ГОСТ 4543-71. Масса: 6,1 кг.
Производственная программа: 20 шт./мес.
Чертеж

9. Шестерня У157.302.
Материал: Ст 40Х ГОСТ 4543-71. Масса: 6,69 кг.
Производственная программа: 10 шт./мес.
Чертеж

10. Дебаланс подвижный 64.22.017.
Материал: отливка 25Л-1 ГОСТ 977-88. Масса: 16,6 кг.
Производственная программа: 20 шт./мес.
Чертеж

11. Дебаланс неподвижный 64.22.018.
Материал: отливка 25Л-1 ГОСТ 977-88. Масса: 15,23 кг.
Производственная программа: 10 шт./мес.
Чертеж

12. Корпус редуктора чугунный литой У157.309.
Материал: отливка СЧ15 ГОСТ 1412-85. Масса: 91,911 кг.
Производственная программа: 10 шт./мес.
Чертеж

13. Ступица 13.22.100.04.
Материал: см. таблицу. Масса: 188,4 кг.
Производственная программа: 10 шт./мес.
Чертеж, лист 1
Чертеж, лист 2

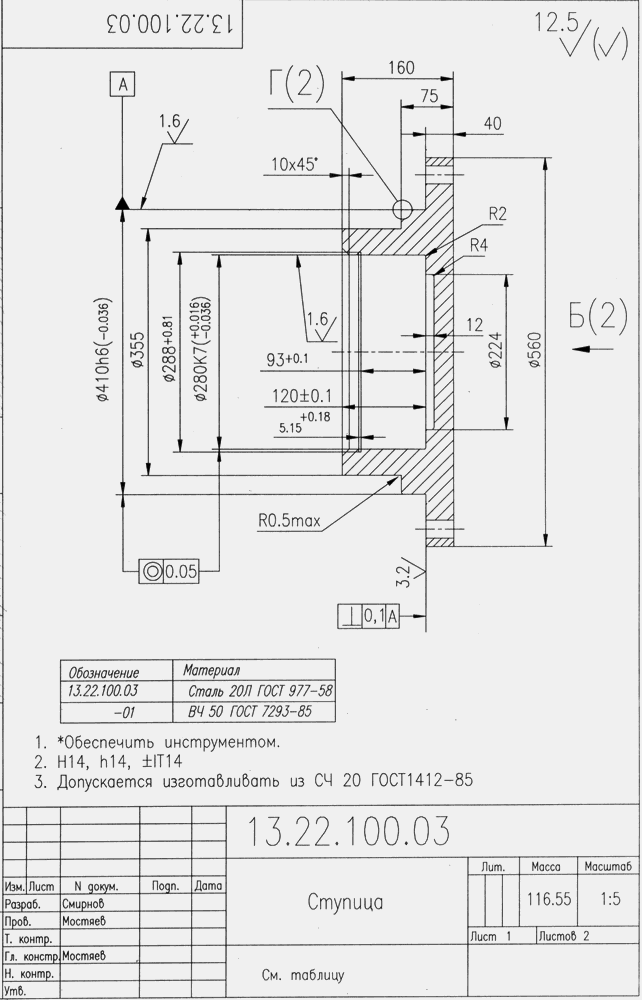
14. Ступица 13.22.100.03.
Материал: см. таблицу. Масса: 116,55 кг.
Производственная программа: 10 шт./мес.
Чертеж, лист 1
Чертеж, лист 2

15. Ступица 64.22.014.
Материал: СЧ15 ГОСТ 1412-85. Масса: 71,2 кг.
Производственная программа: 10 шт./мес.
Чертеж

16. Ступица 64.22.015.
Материал: СЧ15 ГОСТ 1412-85. Масса: 93 кг.
Производственная программа: 10 шт./мес.
Чертеж




На переговоры допускаются только предприятия, подавшие заявку на участие!

3. Основные требования к потенциальным поставщикам:


  • Обеспечение технических требований чертежа
  • Желателен опыт выполнения подобных заказов
  • Заказ действителен в течение 2011-2012 годов


    4. Необходимые условия участия в переговорах с представителем Заказчика:


    Для участия в прямых переговорах, необходимо:

  • отправить заявку:

             по тел./факсу: (4852) 45-80-57, 21-85-24

                 электронной почте

  • заполнить квалификационную карту и отправить её нам по электронной почте

    Примечание:
    Заказчик вправе отказаться от переговоров c потенциальным поставщиком в "Бирже субконтрактов", если не подана в полном объёме и/или не в надлежащем качестве "квалификационная карта".

    Всю необходимую информацию можно получить по телефону (4852) 45-80-57, 21-85-24, директор Информационно-аналитического центра Лавров Владимир Львович.

    5. Организаторы "Биржи субконтрактов":


    - Ярославский региональный центр субконтрактации Ярославской областной торгово-промышленной палаты
    - НП "Национальное партнерство развития субконтрактации"
    - при поддержке Департамента экономического развития Правительства Ярославской области.

    6. Время и место проведения "Биржи субконтрактов":


    Переговоры будут проходить 30 сентября (пятница) 2011 года, в городе Рыбинске (Ярославская обл.), Общественно-культурный центр, ул. Чкалова, д. 89.

    СХЕМА ПРОЕЗДА

    7. Заказчик проводит переговоры с представителями предприятий, которые прислали заполненные квалификационные карты.


    Целью переговоров является:

  • получение поставщиками технических и иных требований к предприятию-Поставщику в процессе прямых переговоров с Заказчиком;

  • обсуждение специфики заказа;

  • ознакомление Заказчика с технико-экономическими возможностями предприятий-Поставщиков;

  • заключение предварительных соглашений между Заказчиками и Поставщиками.

    8. Результатом проведения «Биржи субконтрактов» является проведение прямых переговоров между представителями Заказчиков и Поставщиков.


    ЯрТПП не несет ответственность за достоверность информации, предоставленной Заказчиками и Поставщиками, и размещенной на сайте www.yarcs.yartpp.ru.






    УСЛОВИЯ РАБОТЫ НА ТЕНДЕРНОЙ ПЛОЩАДКЕ ПРИ ПРОВЕДЕНИИ "БИРЖИ СУБКОНТРАКТОВ":

    • Предприятию - Заказчику необходимо:

      Шаг 1: Подготовить техническое задание, в котором необходимо указать номенклатуру изделий, уловия ее изготовления и поставки, требования по качеству, необходимые комплекты чертежей;

      Шаг 2: Заключить договор и согласовать необходимые условия проведения (регламент) "Биржи субконтрактов" с Ярославским региональным центром субконтрактации;

      Шаг 3: Приехать на "Биржу субконтрактов" и провести прямые переговоры с представителями отобранных Центром субконтрактации предприятиями - Поставщиками.

    • Предприятию – Поставщику необходимо:

      Шаг 1: Направить заявку в Ярославский региональный центр субконтрактации о желании участвовать в текущей "Бирже субконтрактов", заранее ознакомившись с условиями участия, номенклатурой изделий и чертежами.

      Шаг 2: Выслать в Центр субконтрактации квалификационную карту по электронной почте или тел./факсу (4852) 45-80-57, 21-85-24.

      Шаг 3: Приехать на "Биржу субконтрактов" и провести прямые переговоры с представителем предприятия - Заказчика


      Мы ПОМОЖЕМ ОРГАНИЗОВАТЬ УЧАСТИЕ ВАШЕГО ПРЕДПРИЯТИЯ В "БИРЖЕ СУБКОНТРАКТОВ" НЕ ТОЛЬКО В ЯРОСЛАВЛЕ, НО И В ДРУГИХ РЕГИОНАХ РФ




      "Биржи субконтрактов" в Ярославле проводятся в составе Межрегиональных кооперационных форумов. Для более эффективной работы представителей промышленных предприятий, параллельно организовываются

      ОТКРЫТЫЕ ПЕРЕГОВОРНЫЕ ПЛОЩАДКИ и проводятся ПРЕЗЕНТАЦИИ ПРЕДПРИЯТИЙ - УЧАСТНИКОВ.

      Поэтому в ожидании переговоров с Заказчиками "Биржи субконтрактов", участники наших Форумов получают возможность встретится еще с более 50 промышленными предприятиями как Ярославской области, так и других регионов России, ближнего зарубежья, ознакомиться с экспозициями выпускаемой продукции и услуг этих фирм, предложениями по кооперационному сотрудничеству.

      Представители промышленных предприятий на открытии МКФ - 2005 Выставка - переговорные площадки промышленных предприятий Выставка - переговорные площадки промышленных предприятий Переговоры промышленных предприятий Открытие Межрегионального Кооперационного Форума – участники и посетители Форума

      Если в "Бирже субконтрактов" размещены конкретные заказы, то, участвуя в работе переговорных площадок, в ходе диалога зачастую решаются производственные вопросы, которые первоначально и не планировалось обсуждать. Из зарубежных стран в наших Форумах принимали участие компании Болгарии и Германии. Понимая заинтересованность предприятий, эффективность и необходимость подобных мероприятий в развитий кооперационного сотрудничества, мы планируем в дальнейшем сделать его не только ежегодным, но и международным.



      Контактная информaция:
      По вопросам заключения договоров на организацию "Биржи субконтрактов" и за дополнительной информацией обращайтесь в Ярославский региональный центр субконтрактации по телефону (4852) 45-80-57, 21-85-24.

      Отзывы участников Межрегионального кооперационного форума:


      Куликов Геннадий Алексеевич, генеральный директор, ЗАО "Унитехформ"

      В подобном мероприятии наше предприятие участвует впервые и впечатления самые благоприятные. Все происходит очень быстро, немногословно, что очень удобно. Такие мероприятия надо проводить чаще!


      Жернаков Юрий Валерьевич, НПП "Спектр Конверсия":

      Мне понравился региональный охват Форума. Хорошая организация и хороший подбор участников. Мы нашли несколько новых партнеров, с которыми связываем дальнейшее взаимовыгодное плодотворное сотрудничество.


      Семенов Николай Владимирович, зам. гл. технолога, ОАО "РАТЭП":

      Наше предприятие принимало участие во многих выставках, но здесь хочется отметить то, что эта выставка носит узкоспециализированную направленность, что крайне важно, так как люди подходят с конкретными вопросами или пожеланиями.


      Иванов Александр Александрович, зам. директора, производственная фирма "Миг":

      Мы впервые присутствуем на мероприятии такого формата и, я думаю, наше участие должно войти в традицию. Мы переговорили с несколькими предприятиями и надеемся, что на заключение долгосрочных договоров. Вообще в рамках Форума проводились интересные мероприятия, особенно большой интерес вызвала Биржа субконтрактов.


      Кольтфарб Лев Яковлевич, инженер, НПП "Техноприбор":

      Биржа субконтрактов – мероприятие высокого качества, очень нужно для всех: и поставщиков, и заказчиков. Что касается дальнейшего участия – да, мы будем экспонироваться в следующий раз - для нашего предприятия это крайне полезно. Я также считаю, что нужно развивать отношения с зарубежными предприятиями.


      Булгаков Анатолий Анатольевич - директор ООО МИП "Мастер":

      Мы благодарим организаторов Форума, в частности Ярославскую областную торгово-промышленную палату за помощь в организации презентации на МКФ 29 июня 2005 года. В ходе работы переговорных площадок нами были установлены контакты с представителями промышленных предприятий нашего и другиз регионов России. С одной фирмой мы уже начали более детальные переговоры о дальнейшем сотрудничестве. Считаем, что подобные встречи очень полезны для развития предпринимательства.


      Челяпов Вячеслав Михайлович - главный инженер ОАО "Аппаратура дальней связи ", г. Узловая, Тульская область:

      Мы впервые приехали на Биржу субконтрактов и участие в этой в ней для нас "проба пера". Но несмотря на новизну для нас мероприятия, приехали мы с прицелом на конкретные заказы и заказчиков и есть определенные наработки. Мы производим аппаратуру проводной связи, аппаратуру уплотнения, оборудование для газовой промышленности и газоперекачивающих станций. Мероприятие очень интересное! Мы собрали много полезной информации в рамках организованных переговорных площадок и обязательно постараемся приехать на следующий Кооперационный форум.


      Кустарев Максим Александрович - генеральный директор ООО НПО "Квалитет", г. Зеленоград:

      Мы участвовали в Бирже субконтрактов уже неоднократно, причем как в качестве заказчиков, так и поставщиков. Участием в этом Форуме мы довольны. Поскольку есть незагруженные мощности и по токарной обработке и по фрезерной, рассчитываем здесь получить новые заказы. Мы участвуем и в Бирже субконтрактов и представляем на выставке производственно-технологических возможностей свою продукцию: электромагнитные клапаны и осушители сжатого воздуха, которая, может быть необходима и заказчикам и поставщикам, здесь присутствующим, для повышения качества производства конечной продукции.


      Врачинский Сергей Федорович - начальник производственного участка ООО "Крит", г. Москва:

      Участие в таких форумах очень полезное. Мы представили на выставке свою продукцию, приняли участие в Бирже субконтрактов и нашли для себя 2-х заказчиков, с которыми будем работать. Нам необходимо загружать мощности по направлению механической и точной обработки, а участие в таких мероприятиях позволяет существенно расширять базу заказчиков. Мы стараемся тщательно готовиться к участию в переговорах с заказчиками, узнать цены на материалы и т.д. Приятно, что региональные заказчики охотно идут на установление контакта с московскими предприятиями, поскольку уровень цен между регионами постепенно выравнивается, и зачастую мы можем предложить цены ниже, нежели другие региональные поставщики.


      Александров Андрей Витальевич, "Rosnox":

      Мы участвуем в выставке не первый раз и намерены участвовать в будущем. Техническая организация - на уровне. Мы просто не ожидали такой большой наплыв посетителей.










      Услуга разработана Некоммерческим партнерством развития субконтрактации в четком соответствии с Российским законодательством о проведении внеконкурсных и конкурсных закупок.
  • Организатор Биржи субконтрактов:

    ЯрТПП


    Информационный спонсор:

    НП "НПРС", МЦС



    Поддержку мероприятию оказывают:

     • Департамент Промышленной политики Правительства Ярославской области
     • Департамент экономического развития Правительства Ярославской области
     • Администрация городского округа г. Рыбинск



    Отчеты:

    МКФ и "Биржа субконтрактов", Ярославль
    30 июня 2010 года


    Деловая программа МКФ-2009

    МКФ и "Биржа субконтрактов", Ярославль
    24 июня 2009 года


    Первая региональная
    "Биржа субконтрактов",
    Рыбинск, 09.10.2008


    МКФ и "Биржа субконтрактов", Ярославль
    4 октября 2007 года


    МКФ и "Биржа субконтрактов", Ярославль
    29 июня 2005 года


    Предприятия - заказчики





    Ярославский центр субконтрактации
    150000, Ярославль, ул. Свободы, 62
    Телефоны: (4852) 21-85-24, 45-80-57 | subcontr@yartpp.ru

    © ЯрТПП, 2005 — 2026